Dell studio xps 1340 (DA0IM3MBAG0) hot System 5v/3v chip

Collapse
X
 
  • Time
  • Show
Clear All
new posts
  • dwnisup91
    Member
    • May 2023
    • 11
    • USA

    #1

    Dell studio xps 1340 (DA0IM3MBAG0) hot System 5v/3v chip

    Hey
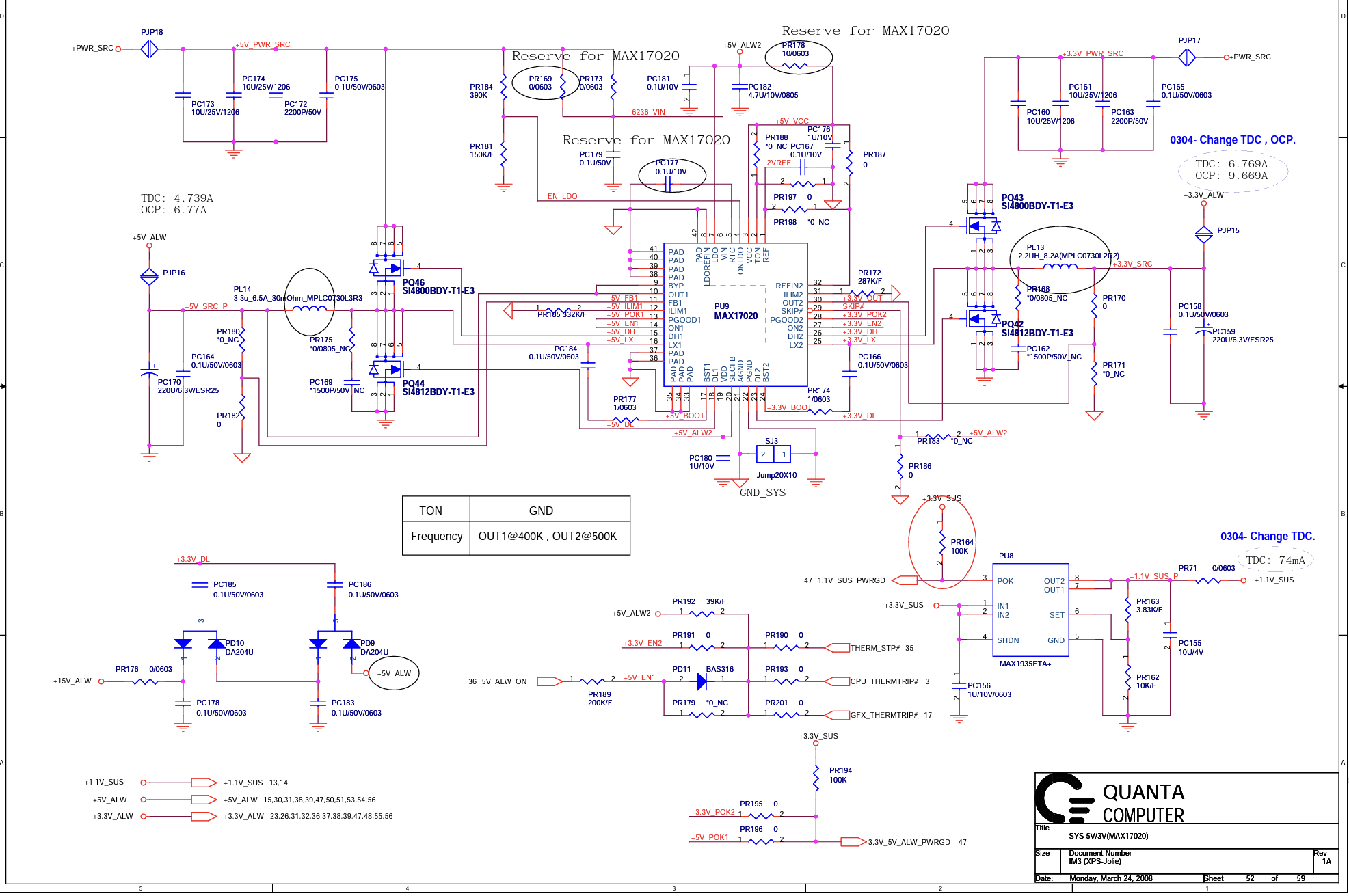
    I'm a beginner trying to fix a dead dell laptop motherboard. When the power adapter and the FFC that connects the power button is connected I noticed the Sys 5v/3v chip gets extremely hot to touch. I disconnected the FFC and the Sys 5v/3v chip was still warm. The voltages of Pq43 and Pq46 are at 19v which I think is fine. PQ42 and PQ44 both show 3.1v which I think shows something is wrong. I checked the chemical capacitors PC170 and PC159 and I get 0v. I am not sure why this happened or what to do to fix the issue. Any help or advice is appreciated! Thanks


    Attached Files
  • mon2
    Badcaps Legend
    • Dec 2019
    • 14662
    • Canada

    #2
    Re: Dell studio xps 1340 (DA0IM3MBAG0) hot System 5v/3v chip

    If it hot to touch, the part may be defective or is overloaded.

    Remove all power and check the resistance to ground of the output rails of this component. Check for a low resistance which means you have a shorted part.

    Comment

    • dwnisup91
      Member
      • May 2023
      • 11
      • USA

      #3
      Re: Dell studio xps 1340 (DA0IM3MBAG0) hot System 5v/3v chip

      I checked the resistance on the 5v/3v chip and got nothing on my multimeter. So the chip is shorted?

      Comment

      • mon2
        Badcaps Legend
        • Dec 2019
        • 14662
        • Canada

        #4
        Re: Dell studio xps 1340 (DA0IM3MBAG0) hot System 5v/3v chip

        What is the exact measurement on your multimeter? Can you share a pic of the measurement from the front face of the meter?

        Is your meter auto-ranging for the resistance scales or is a manual select version?

        If manual select, if the range is too low to measure, the meter face will show '1' or 'OL' for over limit. At that stage, select a higher resistance scale till the meter can offer a valid measurement.

        Comment

        • mcplslg123
          Badcaps Legend
          • Jun 2015
          • 7262
          • india

          #5
          Re: Dell studio xps 1340 (DA0IM3MBAG0) hot System 5v/3v chip

          Resistance on pin7 of PU9?

          Comment

          • dwnisup91
            Member
            • May 2023
            • 11
            • USA

            #6
            Re: Dell studio xps 1340 (DA0IM3MBAG0) hot System 5v/3v chip

            The angle is awkward but this is the resistance shows 98.3
            Attached Files

            Comment

            • dwnisup91
              Member
              • May 2023
              • 11
              • USA

              #7
              Re: Dell studio xps 1340 (DA0IM3MBAG0) hot System 5v/3v chip

              Originally posted by mon2
              What is the exact measurement on your multimeter? Can you share a pic of the measurement from the front face of the meter?

              Is your meter auto-ranging for the resistance scales or is a manual select version?

              If manual select, if the range is too low to measure, the meter face will show '1' or 'OL' for over limit. At that stage, select a higher resistance scale till the meter can offer a valid measurement.
              This resistance of the 5v/3v chip is .117. This resistance kept increasing. I took a a picture when the reading slowed down.

              Attached Files

              Comment

              • mon2
                Badcaps Legend
                • Dec 2019
                • 14662
                • Canada

                #8
                Re: Dell studio xps 1340 (DA0IM3MBAG0) hot System 5v/3v chip

                Based on the pic in post #6, the measurement is ~98k ohms.

                Switch to the next lower scale of 20k. The meter should show '1' or 'OL' for over limit. This confirms that the measurement is > 20k ohms. No fault here.

                Comment

                • Sephir0th
                  Badcaps Legend
                  • Oct 2020
                  • 1289
                  • Germany

                  #9
                  Re: Dell studio xps 1340 (DA0IM3MBAG0) hot System 5v/3v chip

                  Measure in 200 Ohms range. Everything else is simply useless and confusing at this point.
                  FairRepair on YouTube

                  Comment

                  • dwnisup91
                    Member
                    • May 2023
                    • 11
                    • USA

                    #10
                    Re: Dell studio xps 1340 (DA0IM3MBAG0) hot System 5v/3v chip

                    My multimeter doesn't give a reading when set to 20k or below for pin 7.

                    Comment

                    • mcplslg123
                      Badcaps Legend
                      • Jun 2015
                      • 7262
                      • india

                      #11
                      Re: Dell studio xps 1340 (DA0IM3MBAG0) hot System 5v/3v chip

                      The pic in post#6 doesnt correspond to 3v/5v PWM. I think i have different schematic. Please link your schematic to avaoid confusion. I used Quanta im3(jolie) rev 3A

                      Comment

                      • dwnisup91
                        Member
                        • May 2023
                        • 11
                        • USA

                        #12
                        Re: Dell studio xps 1340 (DA0IM3MBAG0) hot System 5v/3v chip

                        The schematic I was linked to on the forum was rev 1B. I have access to 3A and 1B and can use either moving forward.

                        https://www.badcaps.net/forum/showthread.php?t=118930
                        Last edited by piernov; 05-27-2023, 06:33 AM.

                        Comment

                        • mcplslg123
                          Badcaps Legend
                          • Jun 2015
                          • 7262
                          • india

                          #13
                          Re: Dell studio xps 1340 (DA0IM3MBAG0) hot System 5v/3v chip

                          Both the version show 3v/5v regulator as PU9 and its MAX17020. Look for this chip and measure resistance on pin7. the chip may be with other name like TPS51427/PM6686/ISL6237

                          Comment

                          Related Topics

                          Collapse

                          • acedogblast
                            Guide to transplant MEC1503 EC chip and EEPROM reprogamming for T14s gen 2 and X13 gen 2
                            by acedogblast
                            This is a guide that I am writing for helping others to replace their MEC1503 EC chip if it breaks (or to get around an inconvenient prompt to the BIOS). This forum has been extremely helpful to me so I would like to contribute to help others. I will tell you right now that this task is very difficult to do. You MUST have experience and tools to do precision micro-soldering, BGA reballing, trace repair, and general laptop repair skills.

                            There are some specialty tools needed to do this task. The replacement MEC1503 chips can be acquired from Aliexpress. Do not buy the bare chips as...
                            11-02-2024, 05:13 PM
                          • capoplays
                            Help with BIOS update on Dell G15 5515 after chip replacement
                            by capoplays
                            Hey everyone,

                            I recently bought a Dell G15 5515 with an AMD Ryzen 7 5800H and 3060 RTX. The BIOS chip on it was dead, and my hardware guy replaced the chip. After that, everything was working fine.

                            The BIOS is currently at version 1.22.1, and I wanted to update it. I downloaded the latest BIOS version from Dell Support using my ST: FQZMYJ3, but when I tried to run it, it says "unsupported system." I asked my tech guy what he did, and he said he took the chip from another board and flashed it onto mine.

                            When I check the BIOS using the F12 menu Flash...
                            10-24-2025, 06:53 AM
                          • DynaxSC
                            ASRock B650M PRO RS - BIOS CHIP 25Q256JW BLOCKED BY STATUS REGISTERS
                            by DynaxSC
                            Hi

                            I have a very strange issue with the BIOS SPI chip of an ASRock B650M PRO RS motherboard.
                            The SPI chip is an Winbond 25Q256JWEQ model (1V8).
                            The motherbaord doas not POST - it lits only CPU and DRAM EZ Debug Leds, and stays that way forever.
                            The Flashback function of the motherbaord is also not working, despite all instructions followed correctly - I'm 100% sure of this.

                            I have then desoldered the chip, backupped the contents, and tried to earease the chip in order to program stock image, but the chip is locked by status registers SREG2 (TB) and SREG6...
                            08-04-2025, 12:20 PM
                          • ed1i
                            Dell Inspion 7610 bios chip
                            by ed1i
                            Hello, I'm looking for bios chip on the motherboard on Dell Inspiron 7610. Server tag: CS4MDL3. I found on the back on the motherboard chip named: Winbond 25Q256JVEQ. Is it the right bios chip for this motherboard? I need to flash new bios on the chip, because it's stuck in infinity reboots. Is it possible this chip to be read AsProgrammer 25Q256JV option and ch341a programmer?...
                            01-16-2025, 02:14 PM
                          • Document Archive
                            HP ZBook Studio G4 + DreamColor Z27x Studio Display Mobile workstation Studio Specification for Upgrade or Repair
                            by Document Archive
                            This specification for the HP ZBook Studio G4 + DreamColor Z27x Studio Display Mobile workstation can be useful for upgrading or repairing a laptop that is not working. As a community we are working through our specifications to add valuable data like the Studio G4 + DreamColor Z27x Studio Display boardview and Studio G4 + DreamColor Z27x Studio Display schematic. Our users have donated over 1 million documents which are being added to the site. This page will be updated soon with additional information. Alternatively you can request additional help from our users directly on the relevant badcaps...
                            09-06-2024, 06:00 AM
                          • Loading...
                          • No more items.
                          Working...