Macbook air 13 820-3209-a dead

Collapse
X
 
  • Time
  • Show
Clear All
new posts
  • sdogs
    Senior Member
    • Feb 2016
    • 90
    • Italy

    #1

    Macbook air 13 820-3209-a dead

    Hello guys ;-)
    I have a macbook air 13 in my hands that shows no sign of life, logic 820-3209-a
    I tested with bench power supply and it has no current draw.
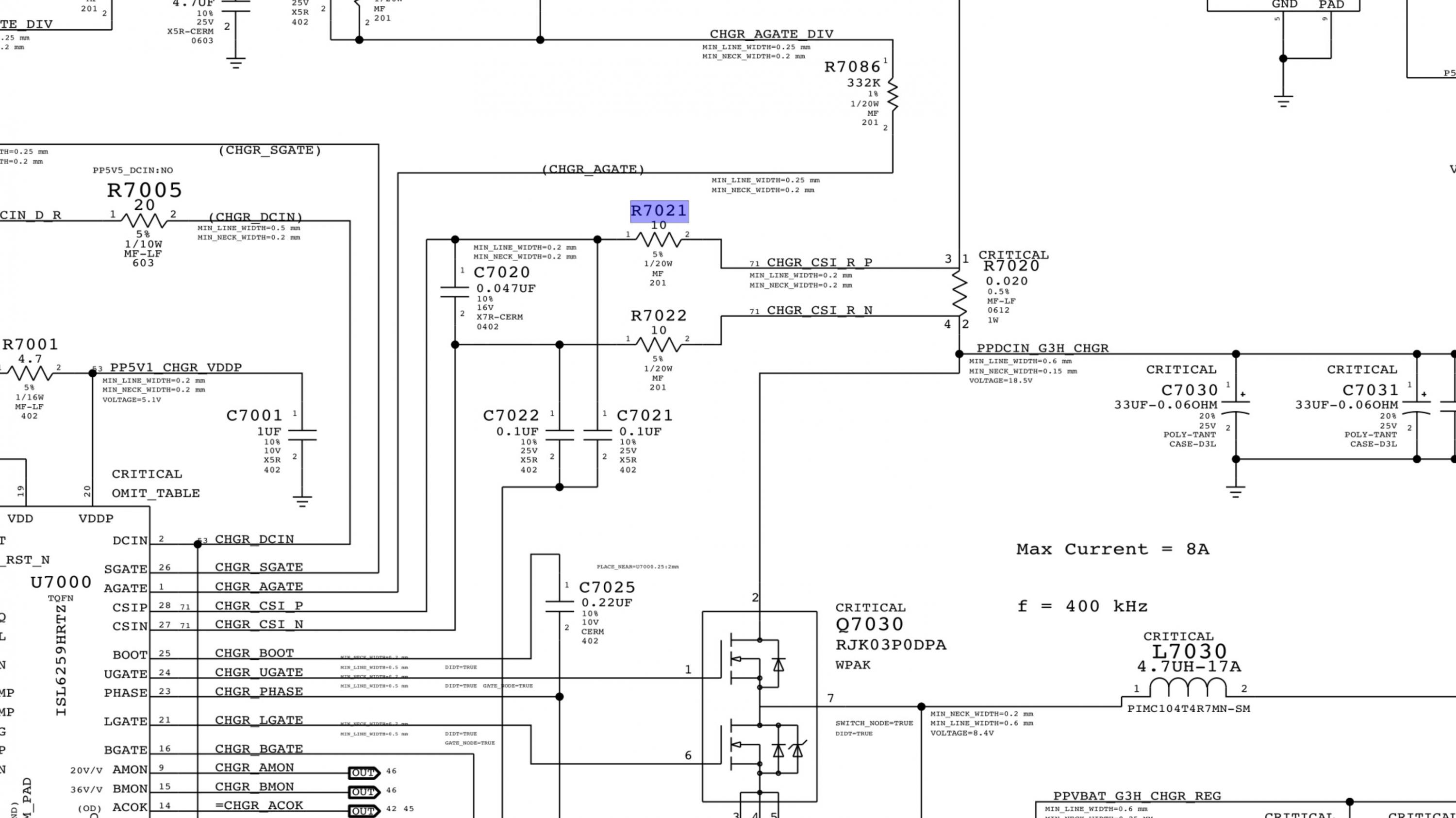
    I have noticed some signs of corrosion and a blown capacitor (c7022), I have replaced and rebuilt the damaged track but nothing has changed. I realized that by measuring in diode mode on pin 23 of the U7000 (replaced) I have a measurement of 0.10 ohm.
    With power supply connected and without battery I have the following voltages
    PPBUS_G3H is about 1.53v
    PP3V42 present and stable at 3.42v
    PP18V5_DCIN_CONN 16.5v

    I noticed a strange thing by removing q7030 at pin 1 with diode measurement I have a good value about 0.80 ohm and also at pin 23 of the U7000, so I replaced it but the situation returns to the starting point.

    Very slight sign of corrosion near the SMC chip but it doesn't seem to be affected.
    I'm stuck.....any suggestions?
  • reformatt
    Badcaps Legend
    • Feb 2020
    • 1495
    • Australia

    #2
    Re: Macbook air 13 820-3209-a dead

    Measure on L7030 to ground in resistance mode. It's low ohms?

    Comment

    • sdogs
      Senior Member
      • Feb 2016
      • 90
      • Italy

      #3
      Re: Macbook air 13 820-3209-a dead

      yes, I tried to measure both with L7030 connected and disconnected and in both cases pin 1 is very low.
      when disconnected at pin 2 the value is normal

      Comment

      • sdogs
        Senior Member
        • Feb 2016
        • 90
        • Italy

        #4
        Re: Macbook air 13 820-3209-a dead

        I'm sorry in the previous post I answered by measuring diode mode, resistance mode rising value about 100 ohm

        Comment

        • reformatt
          Badcaps Legend
          • Feb 2020
          • 1495
          • Australia

          #5
          Re: Macbook air 13 820-3209-a dead

          Sounds like corrosion around the ISL? Use the boardview to check all damaged traces are continuous for R7021/R7022 to pins 27/28.

          100 ohms is too low so something not right there. Check your patch job and soldering of U7000/Q7030.

          Comment

          • sdogs
            Senior Member
            • Feb 2016
            • 90
            • Italy

            #6
            Re: Macbook air 13 820-3209-a dead

            i am really freaking out, i checked R7021/R7022 and there is continuity.
            with measurement in diode mode with Q7030 disconnected at pin 7 I have about 0.80 ohm if I put it back it goes down to 0.10 ohm, obviously the same thing at pin 2 of the c7025 which is connected to pin 23 of the U7000.
            The value remains low even with u7000 disconnected from the pcb....
            I tried to connect c7025 but the problem remains.
            I don't think there are any other signs of corrosion, I would like to avoid heating SMC....what should I do?

            Comment

            • mon2
              Badcaps Legend
              • Dec 2019
              • 14662
              • Canada

              #7
              Re: Macbook air 13 820-3209-a dead

              1) Don't freak out. We have Chic for that..

              https://youtu.be/0ABl4YwnWjg

              2) R7021 / R7022 are expected to be low resistance resistors @ 10 ohms each (10R). This means that in diode mode, the meter will tone beep as the resistance is much like a short condition to the meter. That is, a low resistance of 50 ohms (estimated) or lower will show as 'continuity'.

              By design, these resistors must be a low value.

              3) Remove all power, meter in the lowest scale.

              One meter probe across R7021. Other meter probe on the other side of R7021.

              What is the measurement? It should be ~10 ohms. Confirm it.

              Repeat for R7022.
              Attached Files

              Comment

              • sdogs
                Senior Member
                • Feb 2016
                • 90
                • Italy

                #8
                Re: Macbook air 13 820-3209-a dead

                I confirm, value R7021 10 ohm
                I realized that R7022 is missing .....
                I have other recovery logic, not exactly the same, but in these it is present
                Last edited by sdogs; 02-22-2023, 11:15 AM.

                Comment

                • mon2
                  Badcaps Legend
                  • Dec 2019
                  • 14662
                  • Canada

                  #9
                  Re: Macbook air 13 820-3209-a dead

                  Good. Also confirm R7022. It should be the same value. These are 1% tolerant parts so should be 10 ohms again.

                  Update - see next post.
                  Last edited by mon2; 02-22-2023, 11:20 AM.

                  Comment

                  • mon2
                    Badcaps Legend
                    • Dec 2019
                    • 14662
                    • Canada

                    #10
                    Re: Macbook air 13 820-3209-a dead

                    I realized that R7022 is missing .....
                    Aha !! If this part is missing, then the ISL device will assume that the power enters the logic board but does not leave the other side of the current sense resistor @ R7020.

                    That is, the voltage may be pulled down due to an excessive load so it shuts the power rail OFF.

                    Can you source a 10 ohm resistor for testing ? They are dirt cheap from Mouser / Digikey, etc.

                    1% 0201 size. Buy spares as they are very easy to lose - trust me.

                    Comment

                    • sdogs
                      Senior Member
                      • Feb 2016
                      • 90
                      • Italy

                      #11
                      Re: Macbook air 13 820-3209-a dead

                      Wow Top, installed R7022 recovered by another logic, reconstructed listed track and wonder seems to work, now the text for good.
                      thanks guys you are the light ;-)
                      Attached Files
                      Last edited by sdogs; 02-22-2023, 11:37 AM.

                      Comment

                      Related Topics

                      Collapse

                      • robka
                        MacBook Pro 2018 - A1990 Dead - not charging - only 5V
                        by robka
                        Hi,

                        my MacBook Pro 15" 2018 Touch Bar (A1990) doesn't charge anymore. Board# 820-01041-A

                        I'm not experienced in diagnostics, but I want to try to solve the problem with your help, because every local shop charges around 600€ (650 usd). Which is the value of the whole Macbook.

                        The Macbook was charging when suddenly the "charging sound" appeared every other second for around 4-5 times.
                        After that the Macbook was dead. It isn't charging anymore.

                        The USB-C Port where the charger was plugged is burned. Also The Cable and the...
                        03-02-2024, 02:58 PM
                      • yuuki47
                        A2681 M2 MacBook Air Dead Logic Board
                        by yuuki47
                        Hello...

                        My sister purchased an M2 MacBook Air a year and a half ago. While she was using it a week ago, it randomly shut off and no longer powers on. There are no signs of life and not even the MagSafe indicator LED lights up.

                        We took it to Apple and they disconnected the battery and tried a bunch of stuff before they declared the logic board "brain dead" and quoted us about £567 to replace it. Typical of them...

                        eBay replacements run about £367 with the Touch ID sensor included.

                        I did consider to probe the logic board for shorts...
                        04-13-2024, 06:22 AM
                      • envym
                        MacBook Pro 2018 with Activation Lock
                        by envym
                        Hi everyone!

                        I have a 2018 MacBook Pro (with Sequoia OS) that I've been using for years with no problem. I recently received an M2 MacBook Pro so I'm mostly using it and not the 2018 one, but since a friend of mine needs a computer, I thought I could restore my 2018 and give it brand-new-like to my friend.

                        I tried using the built-in tool to restore the MacBook (Settings > General > Transfer or restore > Delete) but it got stuck when trying to remove the Find Device configuration (it asked me for the password for my old Apple ID -now I use the same account but...
                        06-27-2025, 08:54 AM
                      • Yosua
                        MACBOOK AIR 1466 DEAD
                        by Yosua
                        HELLO FELLOW COLLECTORS, How are you doing, I hope GOD always gives us good health, I'm here asking for help to work on this MacBook Air, to be honest, this is the first time I'm dealing with a MacBook machine, and I immediately decided that the ISL 6259 IC and after I replaced it it still didn't work and I found that the CHGR_CSO_N & CHGR_CSO_P pins had a short circuit.

                        can anyone help me guys?​
                        02-17-2025, 02:07 AM
                      • Arshad alam4659
                        macbook a1706 in dead condition
                        by Arshad alam4659
                        today i received a macbook a1706 in dead condition When I removed the battery the laptop started up i connect the battery again and press power button but laptop not turn on
                        I did smc reset and the laptop started . I have to reset the SMC every time to turn it on. It does not turn on without resetting the SMC. Sometimes it starts without resetting the SMC.
                        someone guide me what is the problem bad smc or anything
                        12-19-2024, 02:41 AM
                      • Loading...
                      • No more items.
                      Working...