Dell Vostro 15 no charge

Collapse
X
 
  • Time
  • Show
Clear All
new posts
  • dclass-pro
    Senior Member
    • Dec 2022
    • 157
    • Italy

    #21
    Re: Dell Vostro 15 no charge

    Hi all guys, the new original battery has arrived but the problem is still the same, it does not increase the charge

    Comment

    • dclass-pro
      Senior Member
      • Dec 2022
      • 157
      • Italy

      #22
      Re: Dell Vostro 15 no charge

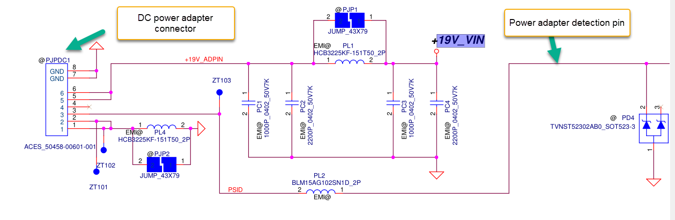
      Hi guys good morning, after the various tests I didn't understand why but it doesn't turn on anymore. I tried to change the ISL95521 charger and the result doesn't change... what can I try? I saw that on pin 1 I have 2.196V and on pin 2 3.4V pin 3 and pin4 0v and on pin 5 of the KBC I have 0v... what could it depend on?

      Comment

      • mon2
        Badcaps Legend
        • Dec 2019
        • 14673
        • Canada

        #23
        Re: Dell Vostro 15 no charge

        Pin #1 voltage is too low which means the power adapter voltage is too low.

        Pin #1 voltage should be > 2.633 volts.

        Comment

        • dclass-pro
          Senior Member
          • Dec 2022
          • 157
          • Italy

          #24
          Re: Dell Vostro 15 no charge

          I checked pr4452 and pr4416 and they are correct, do you have to change the value?

          Comment

          • mon2
            Badcaps Legend
            • Dec 2019
            • 14673
            • Canada

            #25
            Re: Dell Vostro 15 no charge

            What are the details of your power adapter?

            Vout ?

            Current / power rating ?

            Is the adapter a Dell original?

            You should not have to adjust the resistor based voltage divider but this lower voltage is a show stopper.

            You can test the idea by finding an online resistor based voltage divider calculator. Then put in the actual voltage of your power adapter and start with the true resistor values for R1 and R2.

            Then lower R1 till the output voltage exceeds the 2.633 volt threshold. Or increase R2 for the same reason.

            Select resistor values that you have available for replacement.

            Then test again with the new resistor values.

            Comment

            • dclass-pro
              Senior Member
              • Dec 2022
              • 157
              • Italy

              #26
              Re: Dell Vostro 15 no charge

              I confirm the original power supply, voltage 19.8V I changed the 2 resistors with PR4452 120K and PR4416 20K current voltage on pin1 2.78V and the pc turned on and the charge is also working which was the 1st problem of this laptop!! Thank you so much!!! I don't know if I solved the problem of recharging with the divider or with the change of the charger, but now everything works fine!! Thank you very much!!!!

              Comment

              • mon2
                Badcaps Legend
                • Dec 2019
                • 14673
                • Canada

                #27
                Re: Dell Vostro 15 no charge

                Wow - did not know that we would have to 'hack it' to work but as long as the adapter is not out of spec, good job !

                Keep an eye on the adapter that it does not overheat, etc. but if it is an original, you should be fine.

                Comment

                • dclass-pro
                  Senior Member
                  • Dec 2022
                  • 157
                  • Italy

                  #28
                  Re: Dell Vostro 15 no charge

                  Comment

                  • Korty
                    New Member
                    • Feb 2023
                    • 1
                    • Qatar

                    #29
                    Re: Dell Vostro 15 no charge

                    Hi new user - could make a new thread - i opened my dell inspiron 5567 p66f001 to clean the fan, but now it wont turn on. Everything seems to be connected though - any thoughts on what I might try?

                    Comment

                    • mon2
                      Badcaps Legend
                      • Dec 2019
                      • 14673
                      • Canada

                      #30
                      Re: Dell Vostro 15 no charge

                      What are the silk screened markings on the logic board?

                      Is it 'LA-801P' ?

                      See attached. Based on this schematic for this model, measure the 3 points of interest.

                      Meter in DC volts scale (20V or higher). Red meter probe on point to test. Black meter probe to ground (shield is ok).

                      Interested in the:

                      a) power adapter raw voltage

                      b) GATE pin voltage common to drive the 2 x DCin mosfets. Mosfets are like solid state relays / switches.

                      c) the main power rail voltage
                      Attached Files

                      Comment

                      • rediii
                        h???, spurrrn
                        • Mar 2018
                        • 501
                        • somewhere in europe

                        #31
                        Re: Dell Vostro 15 no charge

                        Originally posted by dclass-pro
                        I confirm the original power supply, voltage 19.8V I changed the 2 resistors with PR4452 120K and PR4416 20K current voltage on pin1 2.78V and the pc turned on and the charge is also working which was the 1st problem of this laptop!! Thank you so much!!! I don't know if I solved the problem of recharging with the divider or with the change of the charger, but now everything works fine!! Thank you very much!!!!
                        well done, this will help others for sure

                        Comment

                        Related Topics

                        Collapse

                        • MahmoudNasser
                          Dell Vostro 3400 battery does not charge beyond 55%
                          by MahmoudNasser
                          Hello,
                          I have a Dell Vostro 3400 battery does not charge beyond 55%

                          I tried another file... the battery charge exceeded 55%, but it entered manufacturing mode and it did not count from it.
                          - I rebuilt the basic BIOS and Clear Me, but without results
                          What if the same situation does not charge the battery more than 55%?
                          Can someone help me?

                          The original BIOS file is attached

                          Device Data
                          Model Dell Vostro 3400
                          CPU:i5-11th
                          SN 7G4BRF3
                          MP PartNumper:LA-K032P REV 1.0 (A00)
                          Bios Chips:XM25QH64A...
                          10-09-2023, 03:58 PM
                        • HTR-Informatique
                          Dell G3 15 3500 - Battery bug (black screen and flashing keyboard backlight)
                          by HTR-Informatique
                          Hello,

                          YouTube video of the problem encountered: https://youtube.com/shorts/q7TLNv36LUo

                          I am a pro and I have a problem that I have never seen despite my 7.5 years of experience on my own and my thousands of repairs, on a customer's Dell G3 15 3500.

                          On this PC I have already changed the complete palmrest because the keyboard was no longer working properly.

                          I also changed the screen because the PC fell and the screen was broken.

                          I changed the battery with a new and original battery.

                          I also had corrosion/oxidation on the...
                          02-09-2025, 06:51 AM
                        • Bowline
                          Dell E6400 PT434 type Battery Charging Stuck at 1%. Battery Pinouts?
                          by Bowline
                          My question pertains to understanding the control circuity inside a Dell PT434 type battery used in Dell E6400, E6410 and other Dell notebooks?

                          Does anyone have a circuit diagram for the inside of a Dell PT434 battery and/or a description of how the control lines work to control this battery?

                          My reason for asking is I have a battery which I cannot get to charge beyond 1% in a Dell E6410 or E6400.
                          The LED bar graph charge indicator on the battery shows one LED lighted when the info button is pressed.
                          I have tried multiple different Dell power adapters. My Dell...
                          06-11-2025, 10:13 AM
                        • razenxd
                          How can I charge that battery pack?
                          by razenxd
                          Hello,
                          it's not a laptop/desktop related question but I figured that someone here will have the right knowledge.
                          At work we use a few Aldebaran(now Softbank/United Robotics group) Nao Robots which they use some custom 6S li-on battery packs.
                          Nao robots tends to draw from the battery even if they are shut down, and the BMS tends to be a little aggresive, if the pack stays on a turned off robot for 3 months it's gonna lock and will refuse to charge.

                          Now, I have noticed a few things.
                          The "dead" battery, while connected to charger and NOT Charging will...
                          12-05-2024, 06:11 AM
                        • Document Archive
                          DELL Vostro 3471 Vostro 3400 i3-9100 Specification for Upgrade or Repair
                          by Document Archive
                          This specification for the DELL Vostro 3471 can be useful for upgrading or repairing a desktop PC that is not working. As a community we are working through our specifications to add valuable data like the Vostro 3471 boardview and Vostro 3471 schematic. Our users have donated over 1 million documents which are being added to the site. This page will be updated soon with additional information. Alternatively you can request additional help from our users directly on the relevant badcaps forum. Please note that we offer no warranties that any specification, datasheet, or download for DELL Vostro...
                          09-12-2024, 03:44 PM
                        • Loading...
                        • No more items.
                        Working...