Replacing OST caps on Microstar KT6 Delta motherboard

Collapse
X
 
  • Time
  • Show
Clear All
new posts
  • socketa
    Asbelowsoabove
    • Jun 2014
    • 662
    • samsara

    #81
    Re: Replacing OST caps on Microstar KT6 Delta motherboard

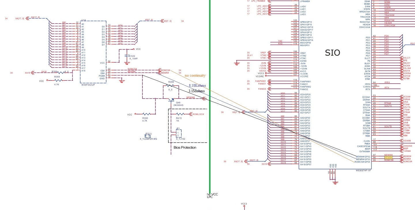
    Replaced ATTP1 thermal protection chip (had higher than normal resistance between VREF and ground pins), and the CPU fan now spins after pushing the power button; but don't have any BIOS activity (checked with a scope)
    There is 3.3V on VCC and 3.3V on OE# pin,
    OE pin is connected to R686 (4.7K ohms)
    but no voltage on CE# pin, and no resistance to ground either, and can't find where it goes to (probed all of the nearby components).
    5.1V on all pins of RN91
    (i don't have a schematic for this version board - the schematic for the "KT6 Delta rev 100" has major differences from the ver 2.0 board that i have - even the BIOS chip has a different board identifier "U32")

    Comparing to a similar BIOS chip on another board:
    The chip on another board has 11Kohms resistance to ground on OE and CE pins
    5.1V on Vcc OE# and CE#

    Maybe there is an internal layer that is damaged at the area of the burned VRM SMD cap?

    Am tempted to just run 3 jumpers from RN91 (located just under the CPU 4-pin socket) to VCC, ROMCS# and MEMR# in accordance with the schematic, and see what happens; but i think that it might destroy the BIOS.

    https://www.badcaps.net/forum/attach...1&d=1662632095
    https://www.badcaps.net/forum/attach...1&d=1662632291
    https://www.badcaps.net/forum/attach...1&d=1662632095
    https://www.badcaps.net/forum/attach...1&d=1662632095
    Attached Files
    Last edited by socketa; 09-08-2022, 04:23 AM.

    Comment

    • socketa
      Asbelowsoabove
      • Jun 2014
      • 662
      • samsara

      #82
      Re: Replacing OST caps on Microstar KT6 Delta motherboard

      I removed the BIOS chip and noticed that the chip enable pin was soldered to a pad that went nowhere.
      Since CE is 0v (Low) i'm assuming that that's OK, and that it's not being utilized;
      but the Output Enable pin doesn't go low, so no data is read (and no codes appear on the PCI analyser card, although the voltages, and CLK, LEDs are lit up.
      "The read operation of the W49F002U is controlled by CE and OE, both of which have to be low for
      the host to obtain data from the outputs."
      Could that mean that the BIOS chip needs to be reprogrammed?
      I'm also thinking that the 3.3V that is on the Vdd pin is OK, because it's directly connected to the 3.3V rail, even though the data sheet says that it's a 5V chip
      Thoughts?
      Last edited by socketa; 02-18-2023, 11:39 PM.

      Comment

      • socketa
        Asbelowsoabove
        • Jun 2014
        • 662
        • samsara

        #83
        Re: Replacing OST caps on Microstar KT6 Delta motherboard

        Well, i was looking at the wrong datasheet for the flash chip
        It's the same package type, so i assumed that it was the same flash chip as in the schematic.
        The flash chip is an SST49LF040
        So i compared it with another exact same chip that's on a good board, [Standby power only/PSU turned on]

        --------Faulty board--------Good board
        OE---0V/3.3V---------------1V/3.3V
        Vdd---0V/3.3V--------------1V/3.3V
        WE---0V/3.3V--------- ----1V/Continuous signal from 0V to 3.3V
        Clock signal is on both pins of LCLK, on both chips

        Does it look like there is something wrong with flash chip?
        Last edited by socketa; 02-20-2023, 02:23 PM.

        Comment

        • socketa
          Asbelowsoabove
          • Jun 2014
          • 662
          • samsara

          #84
          Well, i finally reflashed the BIOS and put it back on the board.
          Turned on the power ,and no response whatsoever.
          The CPU VRM was running before i removed the chip, but there was no code on the PCI analyser card.
          But, as i moved the board, it started up, and halted after the second analyzer code
          So that was a good sign
          Then i noticed that i could cut power by flexing the board
          After some more flexing, it went through the entire POST sequence, and the BIOS screen appeared. Yay! 😀
          So, after many years, it appears this board is finally fixed (well, close enough)
          Looks like the original power surge took out that VRM SMD cap and also corrupted the BIOS

          I had a look at the CPU socket solder joints on the backside of the board, they all appear to be ok
          Reinserted the CPU, but the board still turns off (or on) when i flex it
          Last edited by socketa; 01-04-2024, 04:12 AM.

          Comment

          • socketa
            Asbelowsoabove
            • Jun 2014
            • 662
            • samsara

            #85
            Now it's fixed
            After fixing this nearly soldered joint
            Click image for larger version  Name:	nearly soldered joint.jpg Views:	0 Size:	185.0 KB ID:	3173140

            Comment

            • Agent24
              I see dead caps
              • Oct 2007
              • 5072
              • New Zealand

              #86
              Congratulations!

              You will get better solder joints on that IC if you wick the old solder off the pads after removing the old chip. If the pads are all flat, the IC will sit flat on the board as it's supposed to, and you can solder the new one much easier. Some good liquid flux helps a lot, too.
              "Tantalum for the brave, Solid Aluminium for the wise, Wet Electrolytic for the adventurous"
              -David VanHorn

              Comment

              • socketa
                Asbelowsoabove
                • Jun 2014
                • 662
                • samsara

                #87
                Yeah, it's about time,
                I thought that there might have being a problem with the CMOS, since it didn't automatically identify the CPU correctly, but when i changed the FSB clock setting to what is was meant to be, then it identified it correctly
                The only problem is that it's not seeing the SATA ports, despite being enabled (or disabled) in the CMOS
                According to the CMOS setting, "PATA-IDE" and "SATA-IDE" are both controlled by the same VT8237 chip
                The IDE port works OK, but there's no SATA in the first CMOS section "Standard CMOS Features" that shows the Hard drives, nor do they show up in Windows

                Comment

                • socketa
                  Asbelowsoabove
                  • Jun 2014
                  • 662
                  • samsara

                  #88
                  Now it's all good.
                  I tried two SATA drives one of them was a DVD drive, and neither of them were detected
                  After a bit of frustration, decided to try a spare laptop drive, and it was recognized
                  All that is left to do is to replace the initial VRM SMD capacitor back on to the tiny bit of copper that remains

                  One thing that i found out is that i couldn't MS-DOS USB boot with later versions of Rufus
                  Which made me think, for a while, that there was a problem with the motherboard USB

                  Click image for larger version  Name:	VRM SMD Cap.jpg Views:	0 Size:	79.3 KB ID:	3173789
                  Last edited by socketa; 01-06-2024, 02:09 AM.

                  Comment

                  • Agent24
                    I see dead caps
                    • Oct 2007
                    • 5072
                    • New Zealand

                    #89
                    As I recall, one of those early VIA chipsets, possibly yours, won't detect any SATA device above 1.5g speeds, you have to use older drives or limit them with a jumper. I think it only applies to the "A" revision of the chipset. "B" version shouldn't have the problem.
                    "Tantalum for the brave, Solid Aluminium for the wise, Wet Electrolytic for the adventurous"
                    -David VanHorn

                    Comment

                    • socketa
                      Asbelowsoabove
                      • Jun 2014
                      • 662
                      • samsara

                      #90
                      Yep,
                      Putting the jumper on worked
                      Thanks

                      Comment

                      Related Topics

                      Collapse

                      • Document Archive
                        MSI Delta DELTA 15 A5EFK-008 Notebook 15 Specification for Upgrade or Repair
                        by Document Archive
                        This specification for the MSI Delta DELTA 15 A5EFK-008 Notebook can be useful for upgrading or repairing a laptop that is not working. As a community we are working through our specifications to add valuable data like the DELTA 15 A5EFK-008 boardview and DELTA 15 A5EFK-008 schematic. Our users have donated over 1 million documents which are being added to the site. This page will be updated soon with additional information. Alternatively you can request additional help from our users directly on the relevant badcaps forum. Please note that we offer no warranties that any specification, datasheet,...
                        09-07-2024, 03:40 AM
                      • glovecaps
                        Asus ROG Strix Scar G533qm with a G733qm Motherboard, can I modify the Bios to accept G533 Bios
                        by glovecaps
                        Hello,

                        I have a Asus ROG Strix Scar 15 (G533QM) that had a dead motherboard (Graphics card dead) and after trying to fix the motherboard with no success, I bit the bullet on a sale for a new motherboard. I ordered a motherboard for the 15 inch model which is the one that I have, and when the motherboard arrived it wasn't for a little while that I saw it was from the 17 inch model.

                        My question is, can I update the Bios on this G733 motherboard to a G533 Bios.

                        The reason for wanting to do this is that the keyboard isn't working as it should, and I think this...
                        11-25-2024, 04:23 PM
                      • dragon3x
                        After updating motherboard capacitors, what to do next (Asrock K7VT2, SOLTEK SL-75FRN2L)
                        by dragon3x
                        Hi, I have some 32 bits computer motherboards that need repair, as they fail to
                        power on.

                        Here are some examples :

                        (N.B. "capacitors" indicated here are electrolytic capacitors located in the onboard
                        switching supply area).
                        (N.B. #2 : I could not find a 3300 microF aluminum-polymer with a higher voltage
                        than 6.3 V.)

                        1 - Motherboard #1 : this is an Asrock K7VT2 (socket A) that still works well. To put it on test
                        I replaced capacitors with aluminum-polymer.
                        3300 microF/6.3 V. x 4 replaced by 3300 microF/6.3 V. (KYOCERA...
                        03-21-2025, 02:46 PM
                      • acedogblast
                        Guide to transplant MEC1503 EC chip and EEPROM reprogamming for T14s gen 2 and X13 gen 2
                        by acedogblast
                        This is a guide that I am writing for helping others to replace their MEC1503 EC chip if it breaks (or to get around an inconvenient prompt to the BIOS). This forum has been extremely helpful to me so I would like to contribute to help others. I will tell you right now that this task is very difficult to do. You MUST have experience and tools to do precision micro-soldering, BGA reballing, trace repair, and general laptop repair skills.

                        There are some specialty tools needed to do this task. The replacement MEC1503 chips can be acquired from Aliexpress. Do not buy the bare chips as...
                        11-02-2024, 05:13 PM
                      • momaka
                        ASUS P5GC-MX motherboard recap
                        by momaka
                        Here’s another motherboard that needed a full recap: an ASUS P5GC-MX.
                        This one was gifted to me some years ago by user Pentium 4, along with a few other goodies. It actually came in working order with no bulging or leaking caps. However, I noted there were United Chemicon KZG caps everywhere on the motherboard. The CPU VRM output (CPU V_core) was the only exception: it had only 2x KZG. The rest was 6x UCC TMV 4V 680 uF caps… which aren’t any good news either.

                        So here is what the motherboard looked like with its original caps:


                        CPU VRM area up close…...
                        01-27-2021, 11:59 PM
                      • Loading...
                      • No more items.
                      Working...