Hello all. Excellent forum you have here - it has already been a great help to me. I am posting the details of my situation before I go and start buying parts to see what suggestions the great minds here may have on diagnostics or otherwise.
I have an Acer AL1916W monitor which has recently failed in the following way: the screen comes on at power on, but after a couple seconds the screen goes black. Using a flashlight, I can easily verify the LCD is fine but there is simply no backlight.
The power supply board is of the type ILPI-025 Rev C (Date of manufacture was 2006.07.28)
I've attached the following 4 pictures for reference:
Figure 1: Component-side view of power supply board
Figure 2: Solder-side view of power supply board
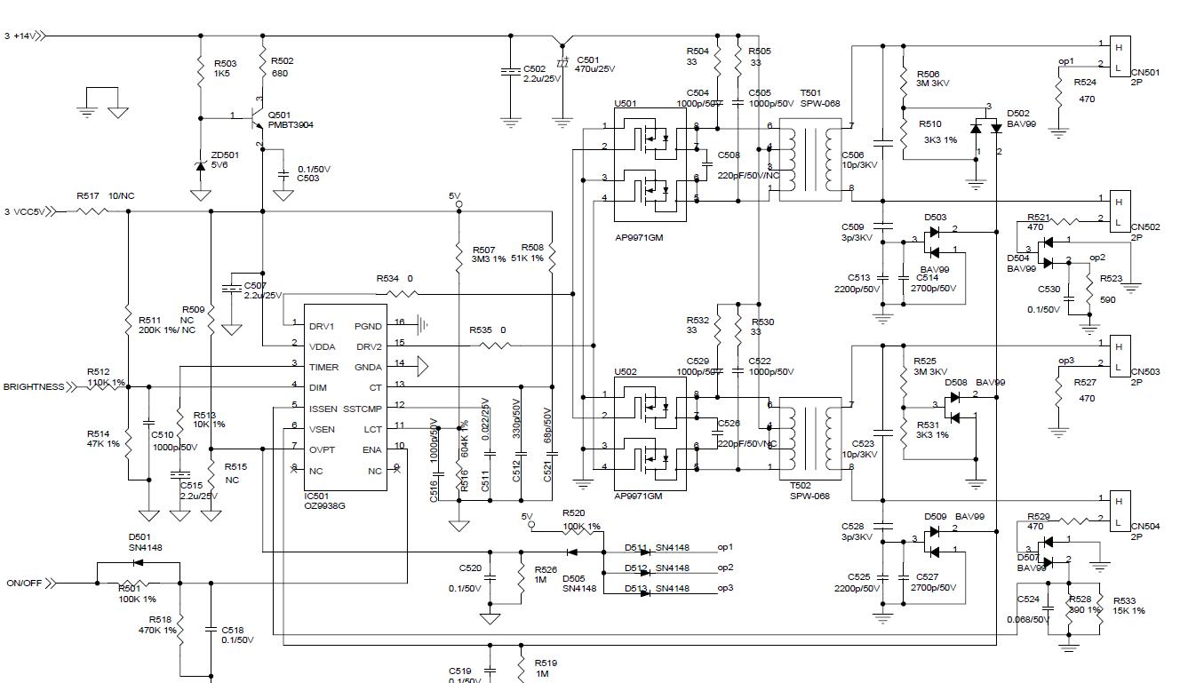
Figure 3: Annotated solder-side view of power supply board
Figure 4: Close-up view of problematic voltage regulator. The one on the top left is bad; the two that share the heat sink closer to the foreground are fine.
I have heard there is a common issue where capacitors could malfunction and cause this issue. I see no signs of damage to any capacitors on the power supply board. (No bulging, no leaked electrolyte. Maybe some have pushed away from the board, esp. the 25V 47uF ones: C807, C820, C827)
With no power, the resistance was measured across the transformers SPW-068. The voltages measured between S1-S1 and S2-S2 were 628 and 618 Ohms. They are not shorted and they are pretty close to each other, so it seems okay.
With no power, I measured no resistance across the two fuses I was able to see on the board (F801) so these have not blown
I did some more tests with the power connected. Note, the ribbon from the decoder board to the LCD was disconnected, and so were the CCFL lights. I confirmed there is AC power at 120.3 V across the rectifier supply (S3-S3). I confirmed that I have 160.5 VDC at the output of the rectifier (S4-S4).
I checked the standby voltage and the power on feedback voltage from S5-SG and S6-SG respectively (note: the pinout is mislabeled on the solder side of the board – pin 1 and pin 2 are both 5V-standby. I measured with reference to a chassis screw mount for convenience). Here I confirmed a stable 5.15V standby voltage and the power on feedback voltage at pin 4 was briefly 3.2V when powering on, before it recognizes there is no input and goes back to the low 0.04V condition. Okay nothing out of the ordinary here.
I checked the output of the three voltage regulators on the board. The regulators labeled S7 and S8 were both very stable at 5.15 and 14.27 V respectively. These were the same when measured with reference to the pin just above or just below the labelled middle pins. However, the other regulator at S9 was decidedly unstable. I am not sure what voltage it is supposed to output, but I had my meter in 200V mode and I was seeing numbers all over the place between 0 and ~60.
The bad regulator also behaves differently from the two good ones when I probe the resistance across the pins. I will number the pins from 1 to 3 starting from the top in my picture of the solder-side of the board. All of them have the regulated volts on pin 2. If I probe resistance for pins 1-2 and 2-3 on any of the three regulators there is a high but measurable resistance (i.e. 1.5k – 150k) which steadily increases while probing it. The resistance for pins 1-3, however, was only 0.4 Ohm on the two good regulators, but it was 9.1 kOhm on the bad regulator.
I am not sure where I should go from here? Is this a sign that the regulator itself should be replaced? Could it just be a problem of the nearby 25V 47uF capacitors (C807, C820, C827)? Are there any more diagnostics anyone could suggest?
Thanks for reading
I have an Acer AL1916W monitor which has recently failed in the following way: the screen comes on at power on, but after a couple seconds the screen goes black. Using a flashlight, I can easily verify the LCD is fine but there is simply no backlight.
The power supply board is of the type ILPI-025 Rev C (Date of manufacture was 2006.07.28)
I've attached the following 4 pictures for reference:
Figure 1: Component-side view of power supply board
Figure 2: Solder-side view of power supply board
Figure 3: Annotated solder-side view of power supply board
Figure 4: Close-up view of problematic voltage regulator. The one on the top left is bad; the two that share the heat sink closer to the foreground are fine.
I have heard there is a common issue where capacitors could malfunction and cause this issue. I see no signs of damage to any capacitors on the power supply board. (No bulging, no leaked electrolyte. Maybe some have pushed away from the board, esp. the 25V 47uF ones: C807, C820, C827)
With no power, the resistance was measured across the transformers SPW-068. The voltages measured between S1-S1 and S2-S2 were 628 and 618 Ohms. They are not shorted and they are pretty close to each other, so it seems okay.
With no power, I measured no resistance across the two fuses I was able to see on the board (F801) so these have not blown
I did some more tests with the power connected. Note, the ribbon from the decoder board to the LCD was disconnected, and so were the CCFL lights. I confirmed there is AC power at 120.3 V across the rectifier supply (S3-S3). I confirmed that I have 160.5 VDC at the output of the rectifier (S4-S4).
I checked the standby voltage and the power on feedback voltage from S5-SG and S6-SG respectively (note: the pinout is mislabeled on the solder side of the board – pin 1 and pin 2 are both 5V-standby. I measured with reference to a chassis screw mount for convenience). Here I confirmed a stable 5.15V standby voltage and the power on feedback voltage at pin 4 was briefly 3.2V when powering on, before it recognizes there is no input and goes back to the low 0.04V condition. Okay nothing out of the ordinary here.
I checked the output of the three voltage regulators on the board. The regulators labeled S7 and S8 were both very stable at 5.15 and 14.27 V respectively. These were the same when measured with reference to the pin just above or just below the labelled middle pins. However, the other regulator at S9 was decidedly unstable. I am not sure what voltage it is supposed to output, but I had my meter in 200V mode and I was seeing numbers all over the place between 0 and ~60.
The bad regulator also behaves differently from the two good ones when I probe the resistance across the pins. I will number the pins from 1 to 3 starting from the top in my picture of the solder-side of the board. All of them have the regulated volts on pin 2. If I probe resistance for pins 1-2 and 2-3 on any of the three regulators there is a high but measurable resistance (i.e. 1.5k – 150k) which steadily increases while probing it. The resistance for pins 1-3, however, was only 0.4 Ohm on the two good regulators, but it was 9.1 kOhm on the bad regulator.
I am not sure where I should go from here? Is this a sign that the regulator itself should be replaced? Could it just be a problem of the nearby 25V 47uF capacitors (C807, C820, C827)? Are there any more diagnostics anyone could suggest?
Thanks for reading

Comment