Md-350 Tascam professional minidisc recorder power supply issue

Collapse
X
 
  • Time
  • Show
Clear All
new posts
  • JayJay2019
    New Member
    • Dec 2019
    • 3
    • United Kingdom

    #1

    Md-350 Tascam professional minidisc recorder power supply issue

    Hello

    I have the above minidisc with a strange fault

    It powers on fine and stays powered on as long as you don’t play or record a minidisc

    If play is selected the motor on the unit whirs and it starts playing fine. After around 2-3 mins the display shuts off, the motor whirs (not necessarily in this order) and the unit powers down. It sometimes resets and comes back on (display turns back on).

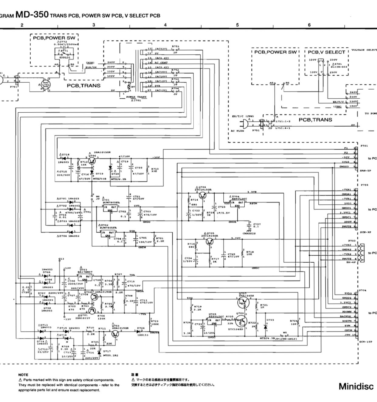
    The power supply seems a linear design with a few windings on the secondary. Pin 16/17 on secondary go through a couple of diodes (see attachment)—- and through a filter capacitor (C701)(10000uF 16v). When working the filter capacitor has around 14v DC on it. This then connects to two 5v regulators (7805a). When the unit powers down upon pressing play the capacitor voltage drops to around 9v and the 5v regulated supply drops to around 1.8v.

    I have no way of testing the capacitor as I only have a digital MM. The other supplies 7v regulated and 33v don’t drop. Issue only seems to be present on this line.

    I disconnected the cable going to the main PCB which in turn connects to the playing unit and display. The supply remains constant on the filter capacitor and the two 7805s.

    I’ve replaced a few 470uF capacitors around that area with no luck.
    I don’t know what’s dragging the power supply down on the filter capacitor.

    I also noticed the service manual suggests the filter capacitor (c701) should be a 4700/16v but the fitted one is 10000/16v? As far as I know this has never been replaced or changed before and the unit has been working fine before.

    Any pointers would be handy

    Thanks in advance

    Jay.
    Attached Files

    if you find these attachements useful please consider making a small donation to the site

    Last edited by JayJay2019; 12-18-2019, 10:26 AM.
  • R_J
    Badcaps Legend
    • Jun 2012
    • 9634
    • Canada

    #2
    Re: Md-350 Tascam professional minidisc recorder power supply issue

    There are two 5 volt regulators, [5VD & 5VM] do both outputs drop to 1.8v or just one? 9v input should still supply 5v output from the regulator. It could be that C701 is bad, bridge it with another 4700/16v, that should keep the voltage at around 14v if c701 (10000µf) is weak.

    Comment

    • redwire
      Badcaps Legend
      • Dec 2010
      • 3912
      • Canada

      #3
      Re: Md-350 Tascam professional minidisc recorder power supply issue

      If a voltage regulator overheats it can go into thermal shutdown. If there are heatsinks, I would make sure the thermal grease is not old or the screw loose etc. I have seen Sony let them run really hot (no heatsinks) and then they go weak from age, the IC wimps out.
      Or if the line voltage is really high.

      Comment

      • JayJay2019
        New Member
        • Dec 2019
        • 3
        • United Kingdom

        #4
        Re: Md-350 Tascam professional minidisc recorder power supply issue

        Hi R_J and redwire. Thanks for your reply and sorry for the late reply. I was awaiting the delivery of the filter capacitor C701. I replaced the capacitor to no avail as the voltage on the plus pin of it was still dropping causing both 7805a to drop/switch off

        I checked the voltage drop on the rectifying diodes before the filter capacitor (which I had already checked previously) and it seemed a little odd and was fluctuating. I removed D701 and D702 from the circuit and tested them both good except D701s forwarding voltage drop was a little high.

        I took a chance and replaced D701 and it seems that's got it working. It used to switch off after a 2-3mims but has been playing solidly for 8 tracks of a few mins each!

        The voltage on the positive pin of the filter capacitor has also stabilised at around 9.3v

        Thanks a lot for your input and help

        Merry Xmas and a happy new year to everyone

        Cheers

        Jay.
        Attached Files

        if you find these attachements useful please consider making a small donation to the site

        Comment

        • frica
          Member
          • Nov 2017
          • 37
          • Spain

          #5
          Re: Md-350 Tascam professional minidisc recorder power supply issue

          JayJay2019 congratulations for your repair. One question, what was the measured value for the forward voltage drop (Vf)? Consulting a datasheet for a 1N4003 diode, I see a graph where for 10mA, Vf = 0.7V, and for 200 mA, Vf = 0.8V.

          Datasheet: https://html.alldatasheet.es/html-pd.../1/1N4003.html

          Comment

          Related Topics

          Collapse

          • Tynan Dill
            Vizio e601i-A3 - Has Sound and Display, But No Backlight - Bad Power Supply Board or Bad LED Bulbs ?
            by Tynan Dill
            I was given this TV from my great uncle. He said it just wouldn't turn on one day out of nowhere, replaced the TV, and gave it to me to possibly fix and use for myself.

            Upon bringing it home and plugging it up, it showed a standby light.

            I powered it on and without a flashlight, the display showed the "V" but the lighting is very dim, but visible.

            The screen seems to blackout and stay black, but with a flashlight I can see the display.

            With my Playstation 4 connected via HDMI, and running a game I can hear sound.

            Assuming...
            11-22-2024, 01:46 PM
          • sam_sam_sam
            DVR recorder Switching power supply Failure
            by sam_sam_sam
            When I originally started with my DVR recorder it had 4 individual switching switching power supply’s that were sh*t so I bought a 7 amp 12 volt switching power supply and modified the output plug and put a four output power supply cable to match the input power supply cable inputs

            Which worked for over 14 years until a few days ago when the cameras went dark no picture anymore well it turns out now the switching power supply has stopped working altogether now so I have to troubleshoot what has happened to this power supply more later on today what I found

            This...
            05-27-2023, 03:03 AM
          • sam_sam_sam
            Desoldering gun station modified to use a 18 volt @ 20 amp switching power supply
            by sam_sam_sam
            I have wanting to do this project for quite sometime now and I finally found a switching power supply that will work on this desoldering gun station ZD-915 that the original switching power supply took a shit and just was not worth trying to fix it because this switching power is not quite big enough to handle the heater element and the vacuum pump

            One note when I tested the switching power supply and the voltage control board I noticed that this desoldering gun heat up much faster than the original switching power supply which I was really surprised by to the point that I might buy...
            03-31-2024, 02:12 PM
          • sam_sam_sam
            DVR camera recorder switching power supply capacitor failure really
            by sam_sam_sam
            These cheap non brand capacitors at it again

            Last night we had a power outage [ long drawn out trying three to come back up before going out completely ] and when I went to turn the DVR camera recorder back today no go 3 bad capacitors ( one capacitor no ESR reading on DVR board the other 3 capacitor on the power supply board over 40 ohm this is not a misprint ) on the external switching power supply and one capacitor on the DVR camera recorder board where the power supply that goes to the hard drive disk is

            Well at least I have the cameras back on line I to try the...
            01-22-2022, 06:28 PM
          • sam_sam_sam
            Modification to a ZD-987 desoldering/soldering station using a external switching power supply
            by sam_sam_sam
            I have been working on this concept for quite some time now with limited success but recently I found a switching power supply that is setup for the voltage that this soldering station needs to operate at however it also needs part of the secondary circuit from the original switching power because you need several voltage rails

            I once tried to get a ZD-915 desoldering station to work on a 18 volt battery power supply but unfortunately things did not go well but I did find a work around but I might try this idea again but going at a little differently more about this another time...
            07-01-2024, 06:34 AM
          • Loading...
          • No more items.
          Working...