Troubleshooting a Proton VT331 SMPS

Collapse
X
 
  • Time
  • Show
Clear All
new posts
  • PlainBill
    Badcaps Legend
    • Feb 2009
    • 7034
    • USA

    #21
    Re: Troubleshooting a Proton VT331 SMPS

    Originally posted by olec280
    Would it be reasonable to think that I can follow the next component in the circuit off the 115vdc and create a circuit gap following that component then check for the voltage. Now that I think about it, I may not be able to it cause of traces. I know the voltage is incorrect at the H.O.T, but I guess what I am hearing is it may be down stream of that point as well. Similar to how I suspected the smps originally. I tried to blow up a section with the H.O.T.
    That in essence is what I mean by isolating sections of components. But don't cut traces; they are a bitch to repair properly. Rather lift (unsolder one end and lift it out of the circuit board) jumpers, inductors, or power resistors.

    PlainBill
    For a number of reasons, both health and personal, I will no longer be active on this board. Any PMs asking for assistance will be ignored.

    Never be afraid to try something new. Remember, amateurs built the ark. Professionals built the Titanic.

    Comment

    • olec280
      Member
      • Jul 2009
      • 15

      #22
      Re: Troubleshooting a Proton VT331 SMPS

      I lifted one end of R445 which is tied to the base of the H.O.Transistor through transformer T401. The voltage on the lifted side of the resistor reads 137vdc, also terminal 2 of the flyback on the print reads 137vdc. It is suppose to read 117. Also there was no ticking sound.

      Comment

      • PlainBill
        Badcaps Legend
        • Feb 2009
        • 7034
        • USA

        #23
        Re: Troubleshooting a Proton VT331 SMPS

        Originally posted by olec280
        I lifted one end of R445 which is tied to the base of the H.O.Transistor through transformer T401. The voltage on the lifted side of the resistor reads 137vdc, also terminal 2 of the flyback on the print reads 137vdc. It is suppose to read 117. Also there was no ticking sound.
        Good!!! That tells me the Horizontal Output Transistor is not shorted, if it were the 117 Volt supply would still be limiting. You're reading 137 volts because the power supply doesn't have any load. Hook up the light bulb again and it would drop to 117 Volts.

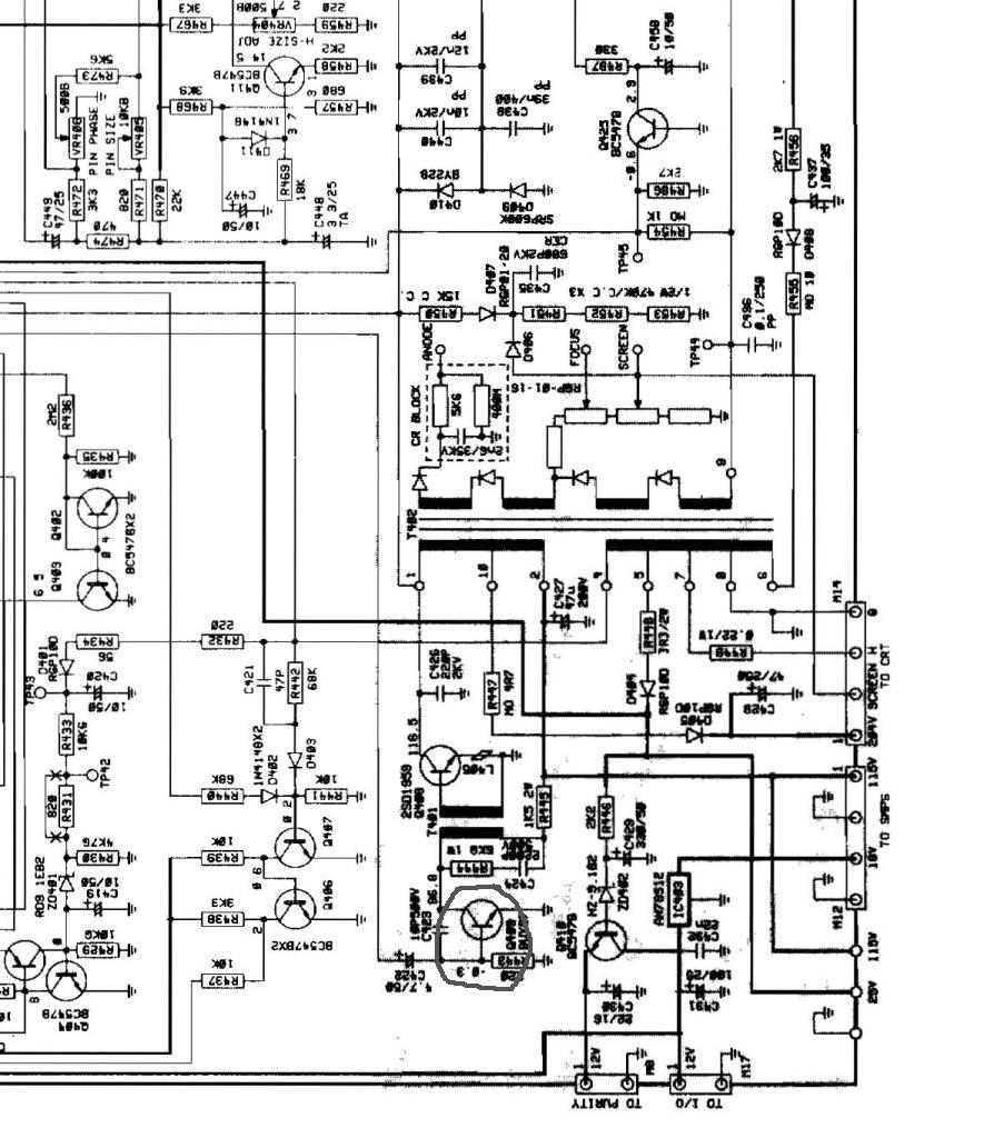
        The next step would be to check the Horizontal Driver Transistor. It's the one I've circled (I can't read the numbers on the schematic). It APPEARS you should be able to check the resistance between the leads while it is in circuit (and with R445 lifted). I'd check it with the meter on the diode test scale. Check between two pins of the transistor, then reverse the leads and test again. Then go on to the next two leads and repeat. This will result in a total of 6 measurements. Only two of them should show some resistance.

        PlainBill
        For a number of reasons, both health and personal, I will no longer be active on this board. Any PMs asking for assistance will be ignored.

        Never be afraid to try something new. Remember, amateurs built the ark. Professionals built the Titanic.

        Comment

        • olec280
          Member
          • Jul 2009
          • 15

          #24
          Re: Troubleshooting a Proton VT331 SMPS

          PlainBill,

          Did you attach the image with the circled transistor?

          Is is the transistor with the zener tied to the base or the one above it?

          Thanks for you help.

          Comment

          • PlainBill
            Badcaps Legend
            • Feb 2009
            • 7034
            • USA

            #25
            Re: Troubleshooting a Proton VT331 SMPS

            Originally posted by olec280
            PlainBill,

            Did you attach the image with the circled transistor?

            Is is the transistor with the zener tied to the base or the one above it?

            Thanks for you help.
            Ahhhh - No.

            PlainBill
            Attached Files
            For a number of reasons, both health and personal, I will no longer be active on this board. Any PMs asking for assistance will be ignored.

            Never be afraid to try something new. Remember, amateurs built the ark. Professionals built the Titanic.

            Comment

            • olec280
              Member
              • Jul 2009
              • 15

              #26
              Re: Troubleshooting a Proton VT331 SMPS

              Under load (lightbulb) the voltage drops from 137vdc to roughly 2vdc.

              Comment

              • PlainBill
                Badcaps Legend
                • Feb 2009
                • 7034
                • USA

                #27
                Re: Troubleshooting a Proton VT331 SMPS

                Originally posted by olec280
                Under load (lightbulb) the voltage drops from 137vdc to roughly 2vdc.
                ???? That is REALLY puzzling. That suggests there is an major load on the 18V line. ????

                I think you need help from someone brighter than I am.

                PlainBill
                For a number of reasons, both health and personal, I will no longer be active on this board. Any PMs asking for assistance will be ignored.

                Never be afraid to try something new. Remember, amateurs built the ark. Professionals built the Titanic.

                Comment

                • olec280
                  Member
                  • Jul 2009
                  • 15

                  #28
                  Re: Troubleshooting a Proton VT331 SMPS

                  This morning I connected the lightbulb to the side of the resistor that is not lifted and it worked. The resistor is cutting voltage down to 2vdc. Is that part of the circuit only suppose to have 2 vdc going through it under normal operation? I am not sure.

                  Comment

                  • PlainBill
                    Badcaps Legend
                    • Feb 2009
                    • 7034
                    • USA

                    #29
                    Re: Troubleshooting a Proton VT331 SMPS

                    Originally posted by olec280
                    This morning I connected the lightbulb to the side of the resistor that is not lifted and it worked. The resistor is cutting voltage down to 2vdc. Is that part of the circuit only suppose to have 2 vdc going through it under normal operation? I am not sure.
                    OK, it is time you learned some basic electronics. I'm going to give you the basic 2 bit explanation, to troubleshoot effectively you should have at least a minimal knowledge of electronics - the $50 course.

                    The transistor I circled amplifies the horizontal drive signal (presumably from a 'jungle' ic or the horizontal sweep controller). That signal is coupled to the base of the transistor by C422. When the signal turns the transistor on, the transistor draws current from the 118V supply through R445 and the primary of T401. The secondary of T401 drives the horizontal output transistor, which drives T402, the horizontal output transformer.

                    NOW, if my brain had been working I would have realized R445 is a 1.5K resistor. Even if the driver transistor was shorted there would have been only 79 ma through it, not enough to load the 118 V line.

                    Therefore, the problem must be with the OTHER load on the 118 V supply, T402 and associated components. By any chance do you have a ring tester?

                    Use a DMM on the diode range to check D480, the B++ diode. Pending approval from the wiser people, the other alternative would be to lift one end of R447.

                    PlainBill
                    Last edited by PlainBill; 07-11-2009, 11:33 AM.
                    For a number of reasons, both health and personal, I will no longer be active on this board. Any PMs asking for assistance will be ignored.

                    Never be afraid to try something new. Remember, amateurs built the ark. Professionals built the Titanic.

                    Comment

                    Related Topics

                    Collapse

                    • shamsudeen
                      Hi, Can we use SMPS Bench Power Supply for Laptop troubleshooting?
                      by shamsudeen
                      Hi all, I just need to know that, can i use SMPS type power supply to test and short circuit detection on a laptop motherboard?
                      I saw 95% of repair guys are using only Linear bench power supply. linear bench power supply is pricy, thats why i planned to get one SMPS supply.

                      i know that in linear power supply the noise will be very low comparing to SMPS supply....
                      07-19-2025, 07:14 AM
                    • madan1
                      Troubleshooting half-bridge smps
                      by madan1
                      Hello everyone, I'm trying to fix what seems to be a half-bridge smps.
                      The switching controller is sg2525a, which I have replaced with a brand new sg3525a. The low and high mosfets are 1c27ac 6n50. The mosfet driver is IRS2301S.
                      Both mosfets were tested outside circuit with a component tester and seem to be fine.
                      With oscilloscope I see ~65khz switching signal on both low and high outputs of the controller, but on the output of the mosfet driver there is switchig signal only on the low output (flat line on the high output).
                      So I guess the mosfet driver is faulty?
                      ...
                      01-23-2025, 06:05 AM
                    • dkneyle
                      Onkyo DX-V500 Laser Disc Player - weird SMPS fault
                      by dkneyle
                      This relic from a technology path that came to a dead end (but still has historical interest) was brought in with a dead SMPS, which is based around a MK1210 device. I got it going after a battle. It seems to have a strange design - if it's not getting feedback that the secondary is OK it cause the big FET to go into full conduction and overloads resulting in a blown fuse at best or something worse! I'm using a Dim Bulb Tester (70W/230V) which thankfully has saved the day a number of times whilst repairing.

                      Now, it loads a CD OK. The motor voltage output (which is built onto the SMPS...
                      02-01-2022, 02:08 AM
                    • blues_spirit
                      practical courses for troubleshooting pc motherboards
                      by blues_spirit
                      Hello from France,
                      mon2 kindly advised me to post a thread to ask the question(s) I'm concerned about. I'm new to the forum and I'm looking for practical courses for troubleshooting pc motherboards especially laptops in Europe, if possible in France. I have been a computer network system administrator and a corrector of administration modules for automated programs under Unix. But I really miss the practical "ops" side of troubleshooting. So I would like to start from the beginning: 1.8V, 3.3V, 5V and 19V tests for example, etc...
                      Do you think this is feasible for me? I...
                      12-18-2022, 12:56 PM
                    • Steph.hen
                      Bridge rectifier identification part number KPB305G
                      by Steph.hen
                      Hi all, a newby question about a bridge rectifier I'm trying to identify.

                      I'm in the midst of reparing a battery charger in work which went pop, The bridge rectifier has shorted and took out a couple of other components. The rectifier in question has a part number KPB305G, and it looks like it's obsolete. Does any one know what I could replace it with?...
                      08-29-2024, 09:52 AM
                    • Loading...
                    • No more items.
                    Working...