Transformation PSU FSP228-3F01 into FSP212-3F01

Collapse
X
 
  • Time
  • Show
Clear All
new posts
  • Xardas
    New Member
    • Sep 2017
    • 4
    • Polska

    #1

    Transformation PSU FSP228-3F01 into FSP212-3F01

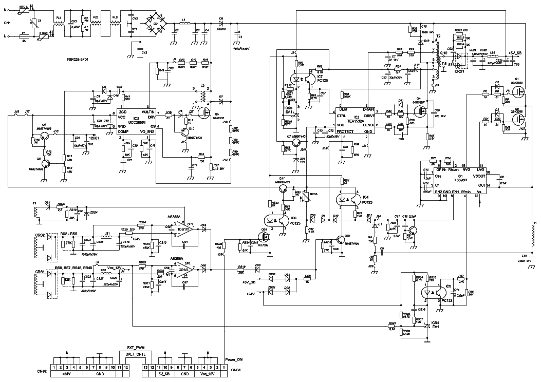
    Hi, I would like to transform FSP228-3F01 to work like FSP212-3F01. I found schematic for *228* and found some handmade drawing for *212* by budm(?) I have no skills and no gear to repairing my (no st/by) *212* and I found cheap *228* PSU. So I decided to do some transformation with wires. Could you tell me does it gonna work? Those schematic are good?

    TV - HANNSPREE JT01-32E2-000G
    Attached Files

Related Topics

Collapse

  • dendy7777777
    Zgoda IR Station
    by dendy7777777
    My IR Station
    06-15-2019, 01:32 AM
  • Th3_uN1Qu3
    The "proper" AT-to-split-supply mod!
    by Th3_uN1Qu3
    I have said myself that building a PSU from scratch is better than modding an AT/ATX supply. Well, inspired by kaboom's work, i'm ready to prove myself wrong.

    I have a JNC "200W" AT supply. If you think you've seen gutless, you ain't seen this. There is zero input filtering - not even the room for it. The primary diodes are 2A. The heatsinks are ridiculously tiny, they don't even have fins. The caps are Capxon, SD and E.V.A.Top. No PI filters (but at least the board is silkscreened for them). It does have TO-220 output rectifiers tho...

    Funny thing, the...
    04-03-2011, 09:13 AM
  • ratdude747
    portables pageant
    by ratdude747
    this is the thread where you post your laptops/netbooks.

    post specs, pics, accessories, and carrying cases. like a non-judged laptop pageant...

    and I shall start:

    I only have one laptop currently in service. specs:

    dell latitude d400
    pentium m donthan LV 1.6ghz (2mb cache)
    intel 855GM chipset/graphics
    512mb ddr 2700 (soon to be 1gb 3200)
    12.1" 1024x768 LCD
    60gb 5400 seagate hard disk
    2 usb2.0 (one is d-bay compatible)
    headphone and mic ports
    VGA/serial ports
    4 pin firewire...
    12-23-2010, 12:54 AM
  • Behemot
    Where to find transformer
    by Behemot
    I disassembled the shorted transformer I am looking for here https://www.badcaps.net/forum/showthread.php?t=9302

    As I discovered, it is transformer with 2 primary wirings and 1 secondary wiring.


    The black number shows number of loops and the red which layer it is. One wiring is splited in two parts (57+51 loops) where first part is first layer and second part is the last layer; everything else is between these two parts. I guess it is for better wattage throughput but I think the whole wiring could be as one layer. This is thing I'd like to have confirmed...
    05-10-2010, 08:38 AM
  • Loading...
  • No more items.
Working...