Samsung le40c550j1w

Collapse
X
 
  • Time
  • Show
Clear All
new posts
  • Jimmy1979
    Senior Member
    • Apr 2015
    • 120
    • holland

    #1

    Samsung le40c550j1w

    Hi
    I Have a samsung lcd tv with only standby.
    No response On off
    Remote no response either.
    backlight is working when mainboard not connected
    Problem is the mainBoard.
    Can i try something with the Mainboard maybe eeprom flash?
    Need some help.
    Thanks
    Attached Files

    if you find these attachements useful please consider making a small donation to the site

  • dick_barton
    Badcaps Legend
    • Aug 2015
    • 6643
    • Wales

    #2
    Re: Samsung le40c550j1w

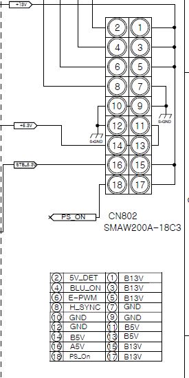
    You need to check your voltages on the power supply connector as shown in the attached photo.
    Attached Files

    if you find these attachements useful please consider making a small donation to the site

    Willing to help but I'm no expert.

    Comment

    • Jimmy1979
      Senior Member
      • Apr 2015
      • 120
      • holland

      #3
      Re: Samsung le40c550j1w

      With the connector connected to mainboard or not?

      Comment

      • dick_barton
        Badcaps Legend
        • Aug 2015
        • 6643
        • Wales

        #4
        Re: Samsung le40c550j1w

        Initially connected, yes.
        Last edited by dick_barton; 08-14-2017, 05:16 AM.
        Willing to help but I'm no expert.

        Comment

        • Jimmy1979
          Senior Member
          • Apr 2015
          • 120
          • holland

          #5
          Re: Samsung le40c550j1w

          Originally posted by dick_barton
          Initially connected, yes.
          2 =0,2. 1=0,3 >13,2
          4= 0. 3=0,3 >13,2
          6=0>4,92. 5=0,3>13,2
          8=0>4,57. 7=0
          10=0. 9=0
          12=0. 11=0>5,2
          14=0>5,2. 13=0>5,2
          16=5,2. 15=0>13,1
          18=0>3,9. 17=0>13,1

          Power supply try's to start
          *And voltages pulsating from 0 to >13,2
          Example

          Comment

          • dick_barton
            Badcaps Legend
            • Aug 2015
            • 6643
            • Wales

            #6
            Re: Samsung le40c550j1w

            Disconnect the main board and connect pin 16 to 18 using a 1K resistor then test all the voltages at the connector again with mainboard still disconnected.
            Willing to help but I'm no expert.

            Comment

            • dskall
              Badcaps Legend
              • Oct 2016
              • 2905
              • usa

              #7
              Re: Samsung le40c550j1w

              Would also help if you put pin description so don't have to go back and forth between posts
              I assume no responsibility for any stupid suggestions I might post.

              Comment

              • Andrew F. Ali
                Badcaps Legend
                • Jan 2014
                • 2450
                • Trinidad & Tobago

                #8
                Re: Samsung le40c550j1w

                With the Main Bd disconnected the Backlights came On. Then there is definite a working PSU and faulty Main Bd. It could either be a problem with the BGA chip or a non-working Regulator Chip not sending the PWR-ON signal to the PSU to start it up.

                Comment

                • Jimmy1979
                  Senior Member
                  • Apr 2015
                  • 120
                  • holland

                  #9
                  Re: Samsung le40c550j1w

                  Originally posted by dick_barton
                  you need to check your voltages on the power supply connector as shown in the attached photo.
                  2=5,2. 1=13,1
                  4=2,1. 3=13
                  6=4,83. 5=13
                  8=0. 7=0
                  10=0. 9=0
                  12=0. 11=5,3
                  14=5,3. 13=5,3
                  16=5,3. 15=13
                  18=5,3. 17=13

                  Comment

                  • dick_barton
                    Badcaps Legend
                    • Aug 2015
                    • 6643
                    • Wales

                    #10
                    Re: Samsung le40c550j1w

                    As Andrew F Ali has just pointed towards, it looks as though there is a main board fault with it trying to power on the set (Pin 18) but failing and retrying which is why your voltages are swinging up and down.
                    Willing to help but I'm no expert.

                    Comment

                    • dick_barton
                      Badcaps Legend
                      • Aug 2015
                      • 6643
                      • Wales

                      #11
                      Re: Samsung le40c550j1w

                      It appears as though there's a common fault with the main board as discussed in the following thread.

                      https://www.badcaps.net/forum/showthread.php?t=36322

                      http://www.ohmsupplies.co.uk/epages/...s/E2P095-CP274
                      Last edited by dick_barton; 08-14-2017, 10:41 AM.
                      Willing to help but I'm no expert.

                      Comment

                      • Jimmy1979
                        Senior Member
                        • Apr 2015
                        • 120
                        • holland

                        #12
                        Re: Samsung le40c550j1w

                        Originally posted by dick_barton
                        It appears as though there's a common fault with the main board as discussed in the following thread.

                        https://www.badcaps.net/forum/showthread.php?t=36322

                        http://www.ohmsupplies.co.uk/epages/...s/E2P095-CP274
                        I searched the web and i found this tread before
                        I saw on youtube people did an eeprom flash with usb.
                        I ordered this tool too but is it possible to read the old and flash to the new one?
                        Or does someone have the file to flash or link?

                        Comment

                        • dick_barton
                          Badcaps Legend
                          • Aug 2015
                          • 6643
                          • Wales

                          #13
                          Re: Samsung le40c550j1w

                          A flash file was included in the threads although i didn't read all the way though to know if its also suitable for your set.


                          If the EEPROM on your mainboard is corrupt then reading it and writing it back may not cure the fault.
                          You could try freezing the eeprom and then switch on the set and see if it powers up correctly. If it does then you could remove it, freeze it and then read it and save it to file and write it back to the same EEPROM or to a new one.
                          Last edited by dick_barton; 08-14-2017, 01:35 PM.
                          Willing to help but I'm no expert.

                          Comment

                          • Jimmy1979
                            Senior Member
                            • Apr 2015
                            • 120
                            • holland

                            #14
                            Re: Samsung le40c550j1w

                            Originally posted by dick_barton
                            A flash file was included in the threads although i didn't read all the way though to know if its also suitable for your set.


                            If the EEPROM on your mainboard is corrupt then reading it and writing it back may not cure the fault.
                            You could try freezing the eeprom and then switch on the set and see if it powers up correctly. If it does then you could remove it, freeze it and then read it and save it to file and write it back to the same EEPROM or to a new one.
                            I will try and see if i got luck.
                            I wanted to try en write the file on a new eeprom chip not old one.
                            But i have to wait untill i get the usb flash programmer

                            Comment

                            • maxvalutech
                              Badcaps Veteran
                              • Dec 2014
                              • 804
                              • australia

                              #15
                              Re: Samsung le40c550j1w

                              Am I right in thinking for these sets that a new blank eeprom when fitted will gather required program itself by switching on and letting it cycle itself three times?

                              Comment

                              • dick_barton
                                Badcaps Legend
                                • Aug 2015
                                • 6643
                                • Wales

                                #16
                                Re: Samsung le40c550j1w

                                Originally posted by maxvalutech
                                Am I right in thinking for these sets that a new blank eeprom when fitted will gather required program itself by switching on and letting it cycle itself three times?
                                You may well be correct.

                                https://wiki.samygo.tv/index.php/UnB...y_EEPROM_Reset
                                Willing to help but I'm no expert.

                                Comment

                                • Jimmy1979
                                  Senior Member
                                  • Apr 2015
                                  • 120
                                  • holland

                                  #17
                                  Re: Samsung le40c550j1w

                                  Originally posted by dick_barton
                                  I have changed the eeprom with a new empty one first.
                                  No standby and no power on after 30 seconds.
                                  So i read the old one and programmed the file on the new one.
                                  Then power led burning just like the old one but when powering on the standby light dims and no reaction after that just like the new old one.
                                  Does someone has the right bin file.
                                  Maybe mine is corrupt or there is an other issue with the mainboard.
                                  Thanx

                                  Comment

                                  • dick_barton
                                    Badcaps Legend
                                    • Aug 2015
                                    • 6643
                                    • Wales

                                    #18
                                    Re: Samsung le40c550j1w

                                    So did you try "Reseting NVRAM (EEPROM)" as shown in the wiki pages and follow the instructions shorting the various pins on the eeprom?
                                    Willing to help but I'm no expert.

                                    Comment

                                    • Jimmy1979
                                      Senior Member
                                      • Apr 2015
                                      • 120
                                      • holland

                                      #19
                                      Re: Samsung le40c550j1w

                                      Originally posted by dick_barton
                                      So did you try "Reseting NVRAM (EEPROM)" as shown in the wiki pages and follow the instructions shorting the various pins on the eeprom?
                                      Yep i tried that as well tv doesn't turn on with😔

                                      Comment

                                      • maxvalutech
                                        Badcaps Veteran
                                        • Dec 2014
                                        • 804
                                        • australia

                                        #20
                                        Re: Samsung le40c550j1w

                                        A new blank eeprom should not affect your standby .

                                        Comment

                                        Related Topics

                                        Collapse

                                        • Document Archive
                                          Samsung Galaxy Book 2 Notebook Specification for Upgrade or Repair
                                          by Document Archive
                                          This specification for the Samsung Galaxy Book 2 Notebook can be useful for upgrading or repairing a laptop that is not working. As a community we are working through our specifications to add valuable data like the Galaxy Book 2 boardview and Galaxy Book 2 schematic. Our users have donated over 1 million documents which are being added to the site. This page will be updated soon with additional information. Alternatively you can request additional help from our users directly on the relevant badcaps forum. Please note that we offer no warranties that any specification, datasheet, or download...
                                          09-07-2024, 05:50 AM
                                        • Jacksoft
                                          Samsung 225MW EEPROM bootloop
                                          by Jacksoft
                                          Hi all,
                                          I got an old Samsung 225MW TV with BN41-00825 motherboard.
                                          Since the TV has a buzzer when it starts it makes a beep. The main problem is that the TV goes in a sort of bootloop and beeps every 2-3 seconds.
                                          So I attached the VGA UART cable and read the debug data using a RT809H programmer:


                                          According to the Service Manual all the voltages looks good, so I made a backup of the internal flash and all the EEPROMs (1 Settings + 3 EDID) and cleaned the EEPROM.
                                          Now the TV boots but it's stuck on VGA. If I try to change the source it goes to TV, restarts...
                                          02-14-2025, 04:18 PM
                                        • Nairolf
                                          Samsung DM32D – Red LED blinks 5 times, won’t start (possible mainboard issue)
                                          by Nairolf
                                          Hello,

                                          I have a Samsung DM32D display.
                                          When I try to power it on, the red LED blinks 5 times and nothing happens—the unit won’t start.

                                          Here’s what I have tried so far:
                                          1. Disconnected the cable between the mainboard and the power supply → the backlight turns on.
                                          2. Disconnected the main T-CON ribbon cable → same issue as before, the LED still blinks 5 times.
                                          3. Disconnected one of the two T-CON ribbons to the panel (tested each one separately) → same issue, the LED blinks 5 times.

                                          From these tests, I suspect the problem might be on the mainboard. Could anyone...
                                          08-24-2025, 03:47 AM
                                        • bohaboha
                                          ADVICE FOR SAMSUNG MAINBOARD COMPTABILITY
                                          by bohaboha
                                          Hello all of you can any one tell if this Samsung Mainboard BN96-50992B 32" UE32T5300CK is compatible SAMSUNG UE32T5300AK ?...
                                          04-19-2025, 01:47 PM
                                        • Document Archive
                                          Samsung Galaxy Book Ion NP930XCJ Notebook Specification for Upgrade or Repair
                                          by Document Archive
                                          This specification for the Samsung Galaxy Book Ion NP930XCJ Notebook can be useful for upgrading or repairing a laptop that is not working. As a community we are working through our specifications to add valuable data like the NP930XCJ boardview and NP930XCJ schematic. Our users have donated over 1 million documents which are being added to the site. This page will be updated soon with additional information. Alternatively you can request additional help from our users directly on the relevant badcaps forum. Please note that we offer no warranties that any specification, datasheet, or download...
                                          09-06-2024, 11:40 PM
                                        • Loading...
                                        • No more items.
                                        Working...