Hello!
Got this set with no power.
Opened it and found that 1 diode was shorted and other 2 were also doubtfull.
Well, removed all 3 and replaced them.
Set turned on red led, I pressed power and it blinked several times but turned on. Not bad.
I connected the set to the antenna and started the auto tune.
Maybe 3-4 minutes passed, and when I looked back to the TV she was Off. No red pilot led, nothing.Dead as in the beginning.
Opened it again and 1 of the new diodes was burned. Removed all three and it was just the brown one that is shorted.
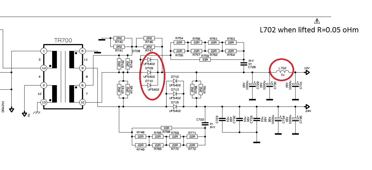
I lifted L702 and mesured it. 0.05 ohm . is it OK?
In the schematic L702 is labeld "1u". What does it mean?
Here are some pics and schematic .
Hope to hear from you guys.
Got this set with no power.
Opened it and found that 1 diode was shorted and other 2 were also doubtfull.
Well, removed all 3 and replaced them.
Set turned on red led, I pressed power and it blinked several times but turned on. Not bad.
I connected the set to the antenna and started the auto tune.
Maybe 3-4 minutes passed, and when I looked back to the TV she was Off. No red pilot led, nothing.Dead as in the beginning.
Opened it again and 1 of the new diodes was burned. Removed all three and it was just the brown one that is shorted.
I lifted L702 and mesured it. 0.05 ohm . is it OK?
In the schematic L702 is labeld "1u". What does it mean?
Here are some pics and schematic .
Hope to hear from you guys.
Comment