I'm trying to fix this one I got for about $30.
This set was working fine for about a day after I got it. Now it's got sound but no picture.
I changed 2 caps on the inverter board just for the heck of it. - No help
I found another thread on this set. That TV had a bad Tcon connector from water damage. I haven't checked this yet. I just found that thread. I'll do that next.
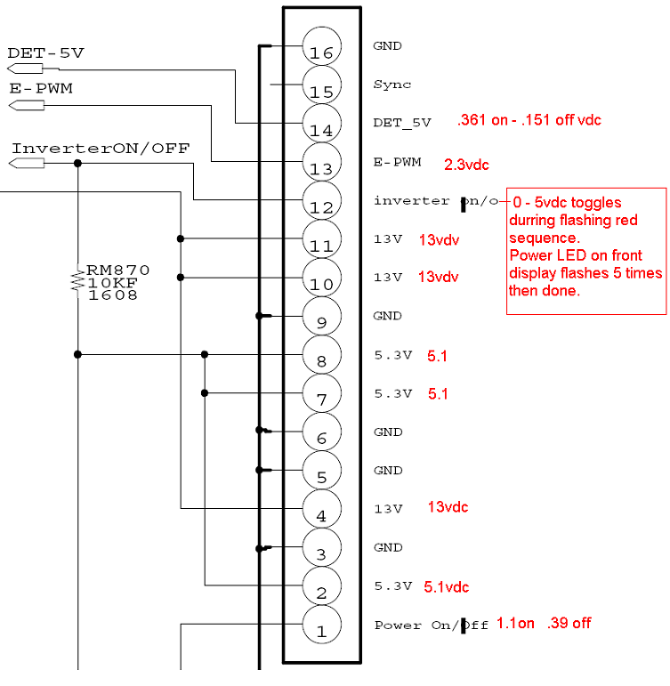
Here is a schematic, the voltages I got off of the boad, and a pic of the unit.
My camera is not doing what I want it to do right now, I dont know why. Sorry for the bad pic.
This set was working fine for about a day after I got it. Now it's got sound but no picture.
I changed 2 caps on the inverter board just for the heck of it. - No help
I found another thread on this set. That TV had a bad Tcon connector from water damage. I haven't checked this yet. I just found that thread. I'll do that next.
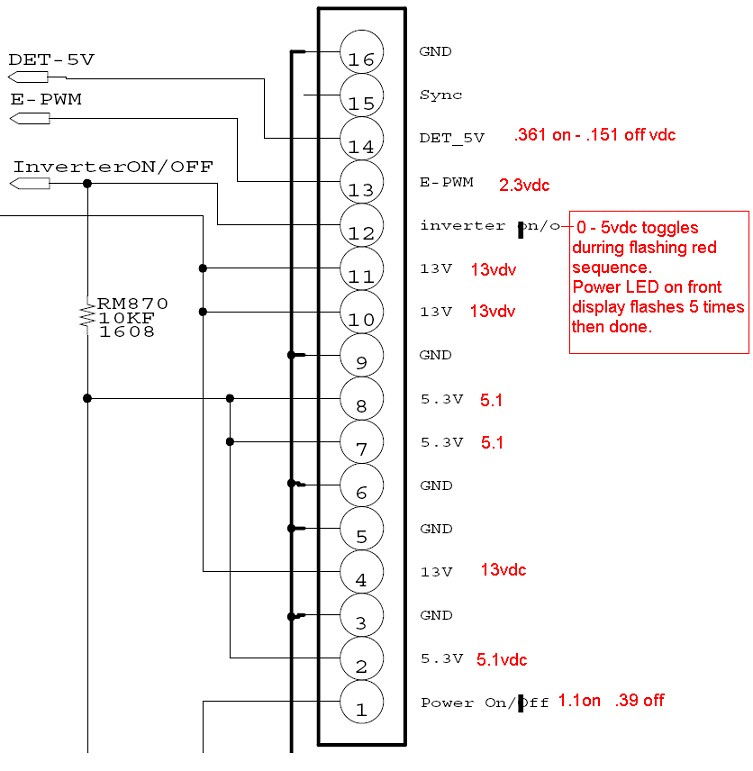
Here is a schematic, the voltages I got off of the boad, and a pic of the unit.
My camera is not doing what I want it to do right now, I dont know why. Sorry for the bad pic.
Comment