Well, here we are again. I stumbled upon this little gem at my grandparents' place. I managed to blow it up last year IIRC and pulled some parts from it, but fortunately i remembered that i took good pics, and was able to decipher the values of the missing resistors and caps. What blew was one of the switching transistors, shorted B-E. I happened to have a pair of 13009s on hand, and hey presto, it lives again.
This is as anemic as they get.
On the secondary side we get
Output caps:
Label claims 200W, but there's no power distribution table, let alone amp ratings!
In theory the rectifier ratings add up to 156W, but i'd say it's gonna do 100W on a good day. Given this, it's pretty amazing it survived upwards of 10 years, and no caps are bloated. All secondary caps are either Jun Fu or Fulltec. Well, i'm gonna turn this pile of turd into... wait and see.
Certainly, it's going to be miles away from where it currently is.
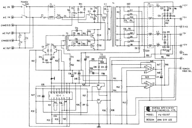
I lifted the schematic of the controller and power sections. As you can see, the only rail in the feedback loop is the 5v rail, the others (including 12v) are left to cross regulation. There's also a discrete powergood circuit and (i suppose) overvoltage protection, but i don't really care about that so i haven't bothered to trace it. I've attached a couple more schematics with comparator-based protection and powergood circuits, so you can see how the blocks fit together.
Certainly, there is no overpower protection (and it seems no short circuit protection either, but i'm not too keen to test it), so things are likely to get crispy if you push it too far.

This being an AT PSU, there is no 3.3v, and no 5vsb. So watch closely how the TL494 derives its power - it comes from the 12v rail, before the inductor. So the 494 sees the peak voltage coming from the transformer, which in this case is 24v. This is important to note, as if you want to do a radical modification involving rewinding the transformer, you absolutely must have a separate winding that delivers 30v peak at most, at maximum line voltage, or you will blow the 494.
As for how the thing actually starts up, since the 494 is on the secondary side and there's no auxiliary supply to power it, look closely in the primary and you'll find it.
More to come, including a clever way of varying the output voltage, which allows more flexibility than modifying the feedback divider of the error amp on pin 1.
This is as anemic as they get.
- 220uF CapXon input caps,
- no input filtering except 2 Y caps,
- no NTC,
- ridiculously small heatsinks,
- no pi filters,
- small output inductor,
- and small output caps.
On the secondary side we get
- a 10A diode on 5v,
- diodes-on-a-bracket (2x 3A) for 12v,
- -5v and -12v get a pair of 1A diodes each.
Output caps:
- 1x 1000u 16v Jun Fu for 12v,
- 2x 1000uF 10v Jun Fu for 5v,
- 1x 330u 16v Jun Fu for -12v,
- 1x 330u 10v Jun Fu for -5v.
Label claims 200W, but there's no power distribution table, let alone amp ratings!


I lifted the schematic of the controller and power sections. As you can see, the only rail in the feedback loop is the 5v rail, the others (including 12v) are left to cross regulation. There's also a discrete powergood circuit and (i suppose) overvoltage protection, but i don't really care about that so i haven't bothered to trace it. I've attached a couple more schematics with comparator-based protection and powergood circuits, so you can see how the blocks fit together.
Certainly, there is no overpower protection (and it seems no short circuit protection either, but i'm not too keen to test it), so things are likely to get crispy if you push it too far.


This being an AT PSU, there is no 3.3v, and no 5vsb. So watch closely how the TL494 derives its power - it comes from the 12v rail, before the inductor. So the 494 sees the peak voltage coming from the transformer, which in this case is 24v. This is important to note, as if you want to do a radical modification involving rewinding the transformer, you absolutely must have a separate winding that delivers 30v peak at most, at maximum line voltage, or you will blow the 494.
As for how the thing actually starts up, since the 494 is on the secondary side and there's no auxiliary supply to power it, look closely in the primary and you'll find it.
More to come, including a clever way of varying the output voltage, which allows more flexibility than modifying the feedback divider of the error amp on pin 1.
Comment