13.8V HW1200R-20A repair

Collapse
X
 
  • Time
  • Show
Clear All
new posts
  • pdavid
    Badcaps Veteran
    • Jan 2011
    • 279
    • Hungary

    #1

    13.8V HW1200R-20A repair

    This thing was charging some accus when it just simply shut down. I changed the fuse and turned it back up and then it blew. On the primary one of the c3306 got a hole on it, the other next to it got shorted. Also the pcb got a nasty burn and two resistors and one diode got open. Secondary has two 30 amp schottky-they are fine, controller is a 494, filter caps are United.. everywhere. The box has a 12V fan, which turns on if there is like more then 7A of load.

    I measured and tested everything. Had to change the transistors and diodes, both 2 ohm resitors and fuse and put some insulation tape on the pcb. Turned it on and it's working all day today so I guess it's going to be fine I don't know what caused it to blow up. It wasn't even overloaded.
    Attached Files

    if you find these attachements useful please consider making a small donation to the site

    Last edited by pdavid; 10-22-2011, 10:25 AM.
  • momaka
    master hoarder
    • May 2008
    • 12175
    • Bulgaria

    #2
    Re: 13.8V HW1200R-20A repair

    United caps are crap. While they may not be what caused your problem, I advice that you change them anyways.

    Also, make sure to change the 50v, 4.7uF caps near the transistors on the primary. If the diodes you changed were the snubber diodes that are in parallel with the transistors, make sure you used ones that were rated for at least 1000V reverse voltage and are of the fast/quick recovery type.

    Comment

    • kaboom
      "Oh, Grouchy!"
      • Jan 2011
      • 2507
      • USA

      #3
      Re: 13.8V HW1200R-20A repair

      Last one for me for tonight...

      That's a good 'ol half bridge.

      The two switchers are bad. The two freewheelers, two 'back-bias' caps (4.7u/50V) and 4148s, and the resistors associated with each switcher also have to go.

      Sometimes, the freewheelers are OK, but the other "small components" take a beating when the switchers go. I had one supply go and one of the 3.9K resistors in the base ckt went open and a 2.7 ohm resistor exploded, leaving a mess behind. You *must* clean all carbon, etc down to bare PCB material if possible. Otherwise, the leakage may 'surprise' you.

      -Paul
      Attached Files

      if you find these attachements useful please consider making a small donation to the site

      "pokemon go... to hell!"

      EOL it...
      Originally posted by shango066
      All style and no substance.
      Originally posted by smashstuff30
      guilty,guilty,guilty,guilty!
      guilty of being cheap-made!

      Comment

      • pdavid
        Badcaps Veteran
        • Jan 2011
        • 279
        • Hungary

        #4
        Re: 13.8V HW1200R-20A repair

        I cleaned the pcb til the glass fiber. Only one of the the 4.7uf caps got replaced, it measured something like 5uf so I left it alone...
        The primary caps are ok, the ones on the secondary are in range too. The worst esr was 0.076, the one next to the output filter coil. Maybe I'll replace them sometime. This powers supply is 4 years old.
        I replaced the diodes with the same type, some ultrafast type, I don't remember the numbers and it's not visible.
        On a side note, the assembly of this box is a bit unfriendly. The screws are some non standard, probably to prevent users from opening it up. They have these notches on their sides.

        Comment

        • momaka
          master hoarder
          • May 2008
          • 12175
          • Bulgaria

          #5
          Re: 13.8V HW1200R-20A repair

          Originally posted by pdavid
          I cleaned the pcb til the glass fiber. Only one of the the 4.7uf caps got replaced, it measured something like 5uf so I left it alone...
          The 4.7uF caps are part of the circuit that drives the primary transistors and they should always be replaced as a set. Mismatching them can lower the efficiency of the PSU and cause the primary transistors to heat up more than they normally should.
          Also, while their capacitance may measure the same, the ESR on one of them could be too high.

          I do see your point, though - if it works, why mess with it, right ?

          Comment

          • wmihelich
            New Member
            • Apr 2013
            • 1
            • United States

            #6
            Re: 13.8V HW1200R-20A repair

            I have a power supply like this that when under load only has about 7 volts of output. 12 volts under no load. I am just a hobbist and could use some help in solving this problem Thanks!

            Comment

            • Mechdave
              New Member
              • Dec 2013
              • 4
              • Australia

              #7
              Re: 13.8V HW1200R-20A repair

              G'day All,
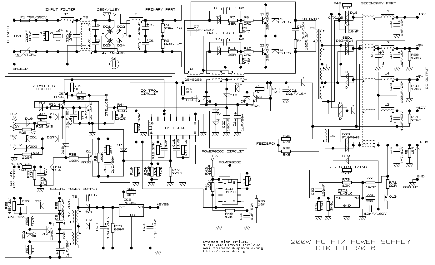
              I know this is an old post, but I happen to have one of these HW1200 units as well with the same problem. So far I have found the transistors u/s, have replaced them with Fairchild 13009's and I have found the 2 ohm 1 w resistors open circuit. So far I have not replaced anything else. All the other components seem ok. Does anyone have any pointers? I am relatively inexperienced with this one and I need some help with understanding the diagram from kaboom. My issue is not understanding how the transformers work between the circuits. Any help would be greatly appreciated. Cheers

              Comment

              • ben7
                Capaholic
                • Jan 2011
                • 4059
                • USA

                #8
                Re: 13.8V HW1200R-20A repair

                Originally posted by Mechdave
                G'day All,
                I know this is an old post, but I happen to have one of these HW1200 units as well with the same problem. So far I have found the transistors u/s, have replaced them with Fairchild 13009's and I have found the 2 ohm 1 w resistors open circuit. So far I have not replaced anything else. All the other components seem ok. Does anyone have any pointers? I am relatively inexperienced with this one and I need some help with understanding the diagram from kaboom. My issue is not understanding how the transformers work between the circuits. Any help would be greatly appreciated. Cheers
                Check the film cap C5 for proper capacitance.
                Also, check the rectifying diodes on the secondary side of the largest transformer.

                This type of PSU has the controller on the secondary. The controller drives a small transformer which drives the two power transistors.
                Muh-soggy-knee

                Comment

                • Mechdave
                  New Member
                  • Dec 2013
                  • 4
                  • Australia

                  #9
                  Re: 13.8V HW1200R-20A repair

                  So really the controller circiutry will usually not fail when the two big transistors fail. The controller circuit is "protected by the transformer" yes? Also the secondary part usually will not fail because it is also isolated by transformers?

                  I have detailed and removed all components on the primary board area, cleaned the board and tested all the components, so far I have found the two 0.2 ohm 1W resistors were open circuit and all other components ok. I will replace the caps (electrolytic and ceramic. The big 470 uF caps seem u/s too). I have checked the rectifier diodes and they are ok, 0.470 odd volts when tested with multimeter diode function with no reverse feed through them. It seems rather strange that there seems to be no cause of the transistors going bang. The Q4 and Q3 transistors test ok (in circuit) too. I don't know why it has gone yet, I think I will get parts and reassemble and test. Hopefully it will all work. I don't understand the control circuit well enough yet to say whether it is broken or not!

                  Comment

                  • Kati-moa
                    New Member
                    • Mar 2014
                    • 2
                    • New Zealand

                    #10
                    Re: 13.8V HW1200R-20A repair

                    Mechdave,
                    I have just fixed my HW1200, it was a bit of a mission but sounds like you might have similar problems. My output voltage varied around 6 volts. I replaced all the caps apart from the two large ones in the main 340V dc supply to no avail. Finally I checked the supply voltage to the 494 (pin 12) which should be greater than 7 volts - it was not hence the reg output could not get up to 5 V either (pin 14). Turned out Q3 (S8050s NPN) had gone leaky dragging down the 494 supply. I replaced Q3 and Q4 with a couple of BC337s and away it went.
                    Hope this helps

                    Comment

                    • Alkibir
                      New Member
                      • Dec 2017
                      • 1
                      • Portugal

                      #11
                      Re: 13.8V HW1200R-20A repair

                      Hi Kati-Moa, hope you are still around here.
                      I have a HW1200R (Ripmax O-IP2000 Version)
                      Output Voltage drop to 10 volt and a buzz sound from one of the two components hanging on Large Coolers ( I think).
                      Also the large Caps (470uy 200volt) have 110 Volt on their casing. That diagram is similar to what we have but is a different power supply which confuses some of us less experienced Folks.
                      I do not see any bulging Caps or does it smell of burning nor do I see any leakages etc. It might be in its early breakdown stages.
                      Any more tips?
                      Best Wishes

                      Comment

                      • euro-botics
                        New Member
                        • Sep 2023
                        • 1
                        • belgium

                        #12
                        Re: 13.8V HW1200R-20A repair

                        hi David, did you found the issue ? i have the same issue .... this Ac-Dc doesn't give over 20A... reason where mine is dead... if you have any suggestion i will thank you

                        have a nice day

                        Comment

                        Related Topics

                        Collapse

                        • Dvsr
                          On M-Audio AV40 active studio speaker's two zener diodes get really hot.
                          by Dvsr
                          Hi. I need help from wiser guys. I am amateur in electronics and can't figure this out by myself.
                          I bought faulty speakers, M-Audio AV40's. Other speaker has all the electronics in it and the other speaker is just passive one powered by the other speaker's amp. Original problem with the speakers was loud buzzing. I figured out that there is something wrong with the capacitors. I went ahead and replaced every electrolytic capacitor on the PCB. The caps are good quality and have the same values as the original ones.
                          After replacing the caps I started testing out the speaker. It seemed...
                          09-10-2025, 10:20 AM
                        • karatzdi
                          Denon AVR 1908, High pitch noise on Surround back Left channel after long overhaul
                          by karatzdi
                          Hello,

                          I know some might say... just buy another one. Sell it as parts..!

                          So had this AMP for quite some time. Recently I saw light smoke coming out of the AMP. Had my fire extinguisher close by. Just kidding. Turned immediately all devices off from mains.
                          Let things cool a bit, and opened up the amp device. I clearly saw on the main board which hosts the 5X amp (5.1), 3 10 ohms 1W resistors had their leads looking black, while the rest of the remaining 2 x 10 ohms were brownish as being installed from factory.

                          Spent some time downloading the Service...
                          06-11-2024, 08:38 AM
                        • TinkerTron
                          Schematic vs. Reality: Where Are the Resistors on My Sharp Clock Radio? Model FY-70CH
                          by TinkerTron
                          Hey everyone,

                          I'm currently working on a mid-70s Sharp Electronic Digital Clock Radio, Model FY-70CH. I found the service manual online, printed it out, and have been studying it for a while. My main reasons for tackling this are: (1) I want to learn electronics and figured I'd start with something I had on hand, and (2) I want to fix its issues. Right now, the radio sounds awful, has about 5V DC at the speaker terminals, and the alarm time setting doesn't work. But I'm not asking how to fix these problems.

                          Instead, here's what's been bugging me so far:
                          The schematic...
                          03-06-2025, 02:03 PM
                        • caspian
                          What Zener Diodes on a Linear Power Supply
                          by caspian
                          Dear members,

                          I have a linear variable power supply with unknown brand name that I used for voltage injection.
                          Then it failed. I discovered that its transistors (Q1 and Q2) are shorted.
                          In addition, I discovered that its zener diodes are defective.
                          I can replace the burned transistors.
                          But I do not know the model of the zener diodes. the model number is not marked on the zener diodes.
                          Therefore, I cannot replace the zener diodes.
                          I do not want to test the zener diodes in a test circuit to discover their model or value.
                          no schematics are available...
                          05-26-2025, 12:38 PM
                        • maxeringade
                          KRK VXT8 / 6 missing resistors / diodes
                          by maxeringade
                          I bought a pair of krk VXT8 for cheap and one is untouched while the other has a "mod"...

                          Both work flawlessly and both sounds good, but theres a detail that i would like to investigate a little further just to be sure nothing is wrong....

                          The "modded" one is hard wired to 230 volts as show in the pics and is missing 2 resistors (R65 & R66) where jumpers are in place and 2 diodes (D10 & D11) nearby missing as well as shown....

                          Some of you guys have an idea of the what role these components play in the circuit and if its safe...
                          12-26-2022, 11:51 AM
                        • Loading...
                        • No more items.
                        Working...