Toshiba L500D not charging at bios

Collapse
X
 
  • Time
  • Show
Clear All
new posts
  • sparker1
    Badcaps Veteran
    • Sep 2011
    • 343
    • Australia

    #1

    Toshiba L500D not charging at bios

    Hi, I have a Toshiba L500D that will charge the battery if it is switched off. Once switched on it shows a solid battery light until it reaches bios and then it starts to flash orange but continues to boot to windows and loads the desktop. Then it shuts down soon after, depending on the amount of charge in the battery - even though it is plugged into the lab power supply. If I boot only to the bios it will also shut down if a battery is present even with lab supply.

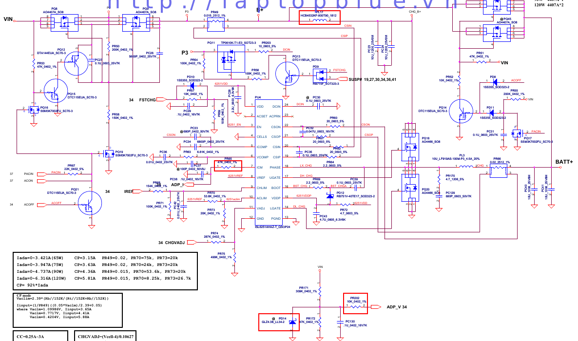
    When it gets to the desktop Windows advises that it is "plugged in ,not charging". I have tried a known working battery and get the same result. I have checked all mosfets for shorts in the charging circuit and they seem OK. I checked the large resistors and values seem OK. I'm not good at schematics but page 49 seems to be the charging circuit.

    If I start the laptop without a battery it will shut down at the windows logo or loading windows desktop. If I stop it at the bios when only on lab power it will remain up indefinitely. It won't re-install windows from the Restore partition either as it also shuts down when loading windows.

    Some research here suggests a mosfet is not working properly but I need help to know where to look. I have lots of spare boards for this model so any suggestions as to what to try and replace are welcome. Thanks for any help.
    Attached Files

    if you find these attachements useful please consider making a small donation to the site

    Last edited by sparker1; 10-05-2015, 08:16 PM.
  • sparker1
    Badcaps Veteran
    • Sep 2011
    • 343
    • Australia

    #2
    Re: Toshiba L500D not charging at bios

    I replaced PU4 and charging circuit is working and there are no boot problems. I suspect one of those el-cheapo chargers broke PU4 and the charger also burnt itself out (a lot of fried resistors in there).

    Comment

    Related Topics

    Collapse

    • macabook
      🛠️ MSI GP75 Leopard MS-17E71 – No Display, Deep BIOS/EC Troubleshooting
      by macabook
      Hello everyone,

      I’m currently working on a dead MSI GP75 Leopard (MS-17E71) motherboard (i7 CPU, NVIDIA GPU) with a no display/no backlight issue initially. After extensive investigation, I’m at a critical stage involving EC firmware, BIOS/ME region interaction, and possible deep corruption. I'm seeking advanced insight from anyone with experience in EC/BIOS sync issues or PCH-level behavior. Here’s a full breakdown:
      🧩 Initial Issue
      • Board powers on (fans spin, keyboard lights up and can be adjusted, caps lock led lights), but no display or backlight
      • External display (HDMI) shows
      ...
      07-24-2025, 02:17 PM
    • cr4zychriss
      [Problem/ Request] Bricked TongFang GK7MRFR BIOS
      by cr4zychriss
      Hello everyone,
      I am requesting urgent assistance to unbrick my laptop, a rebranded TongFang GK7MRFR chassis. The laptop is completely dead following a faulty in-OS EC flash attempt.
      I have successfully used a CH341A programmer and can read/write/verify both flash chips, but using my backups/extractions has failed to restore power. The root cause is likely a corrupted Intel Management Engine (ME) region or an incompatible EC/BIOS pairing. System & Hardware Details
      • Barebone / Chassis: TongFang GK7MRFR
      • MB: MB: GK5MP5X V1.0 Prod :GK5MRFV10T04201310281
      • Rebrand: PC Specialist
      ...
      11-14-2025, 04:04 PM
    • Vesko356
      [Guide] How to find the right HP bios version to flash
      by Vesko356
      First of all thanks to all of our members who have posted previously all methods posted here.
      Please leave a comment if you find something new,or have anything else to add.
      -----------------------------------------------------------------------------------------

      Find by serial number,model number or series

      If you know the laptop serial or model number go to HP support https://support.hp.com/us-en/drivers/laptops .
      Enter the serial number or model number and click submit.On the next screen you will have to enter the OS
      Operating system and OS version.If...
      08-11-2023, 03:27 AM
    • istvanszasz99
      Razer Blade 15 (2022) RZ09-0421 BIOS Modding / editing help request
      by istvanszasz99
      Product Name: Razer Blade 15 (2022)
      Product ID: RZ09-0421
      Motherboard: CH580
      BIOS Versions I work with: 2.02 & 2.06
      Bios File Size: 32,768 KB

      Dear Forum Readers!

      I'm looking for a BIOS modder or anyone with experience who would give me suggestions about my razer blade's BIOS settings.
      I can view and edit the content of the BIOS .bin file with AMIBCP BIOS editor.
      The BIOS files I'm working with are from badcaps.net and those are CLEAN BIOS files (anyone can find it with the search string: RZ09-0421).


      !!! MY RAZER BLADE...
      11-24-2025, 05:52 PM
    • jbonavita
      ASUS TP500LA BIOS request/repair/merge?
      by jbonavita
      Hi, my laptop wont boot at all
      With original bios no POST, only LED lights
      With alternative BIOS from model TP500LN (flashed via programmer) the notebook works again
      Some issues
      A- with bios from 500LN, it won't update from bios of model 500LA (from 500LN v203 to 500LA v300)
      B- If updated from 500LN version 203 to 300, the battery stops being recognized

      Things I tried

      1- Update / clear ME: Took the non working bios, made a backup, and did this: https://www.badcaps.net/forum/troubl...theory/trouble...
      04-29-2025, 09:38 PM
    • Loading...
    • No more items.
    Working...