Help Brain DEAD A1286 820 3330

Collapse
X
 
  • Time
  • Show
Clear All
new posts
  • marce002
    Badcaps Veteran
    • May 2018
    • 316
    • Argentine

    #1

    Help Brain DEAD A1286 820 3330

    Hello, NO BRAIN A1186? Core i7 a1286 mid 2012
    no water damage. around 440mah power and fans at full after a minute
    no image no chime start fans amber and green magsafe 1 ok


    I have u7400 with EN ok (pin 47), and 5V at (26,19 and 46), TONA and TONB around 12,4V both (pin 48 and 1), missing CPUIMVP_AXG_PGOOD pin 12

    Boards stays on if RAM is removed doing same thing.

    is brain dead?, what else to test to make sure it is?

    thanks in advance

    Attached Files
    Last edited by marce002; 07-20-2022, 02:19 PM.
    Marcelo J
  • marce002
    Badcaps Veteran
    • May 2018
    • 316
    • Argentine

    #2
    Re: Help Brain DEAD A1286 820 3330

    any help??
    Marcelo J

    Comment

    • mon2
      Badcaps Legend
      • Dec 2019
      • 14662
      • Canada

      #3
      Re: Help Brain DEAD A1286 820 3330

      Do you have a battery connected?

      Is the power adapter the original and rated for this logic board?

      Same behavior if using only the battery?

      Remove the battery and test again.

      Comment

      • marce002
        Badcaps Veteran
        • May 2018
        • 316
        • Argentine

        #4
        Re: Help Brain DEAD A1286 820 3330

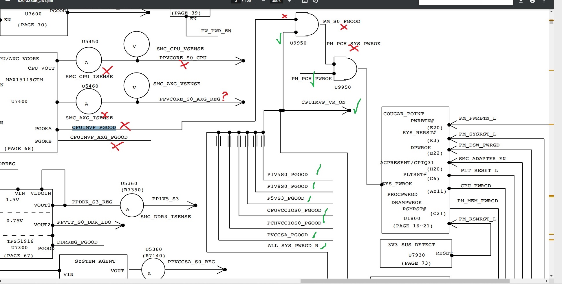
        mon no battery is connected, power adapter is my power supply while in diagnostic mode as always, same issue with battery attached, NO VCORE at all, so I will have to trash it , all tensions are present but no vcore, might be bad pch or cpu, no clear path for me at least to follow to be 100% is the pch o cpu in this case.... i did all human posible thing to have vcore present but it does not show up. in my attached image all what is having a red cross does not show any vol, but the green checks are present..... lastima !!! because is a pretty new a clean board. thanks !!
        Marcelo J

        Comment

        • mon2
          Badcaps Legend
          • Dec 2019
          • 14662
          • Canada

          #5
          Re: Help Brain DEAD A1286 820 3330

          Remove all power -> meter in resistance mode.

          Check the resistance to ground of the missing Vcore rail.

          If the CPU rail is too low in resistance then the CPU/PCH is confirmed to be dead.

          Comment

          Related Topics

          Collapse

          • emil_t
            RTX3090 working fine but fans not spinning
            by emil_t
            Hello guys. I have a problem with a PNY XLR8 GAMING RTX3090 graphics card. The problem is that it displays and works fine, but the fans don't spin at all. The problem occurred when someone else removed the fans in order to clean it and broke one of the fan connectors. He replaced it himself and after that, it wasn't working anymore. I guess he damaged something else in the process. What i have done so far: I found 2 capacitors next to the connector that were in a bad shape, he must have touched them with his tools - they weren't shorted, but i replaced them with similar ones from a similar card....
            04-12-2024, 06:54 AM
          • phantomEVO
            [help]a1706! touchbar dead and fans at full speed
            by phantomEVO
            hi guys i have a 1706 liquid spilled

            motherboard 820-00923

            some one has changed keyboard after liquid spill

            problem is that touch bar is totally dead, fans at full speed as soon as i power on the notebook and macbook ultra slow and tons of errors on apple diagnostic

            then i've found that resistor r5860 was miss

            now macbook works very fast but still no touch bar and fans at fool speed. i've tried another touchbar with no luck

            istat and tgpro say there is no problem, all sensors ok

            apple diagnostic give me...
            06-23-2023, 08:46 AM
          • cruiser_
            A1342 820-2567-A brain dead
            by cruiser_
            hi everyone,

            i've got this ancient board here, repairing it as an exercise really. it seems to be brain dead.

            upon triggering start via SMC_ONOFF the fan starts to spin, USB powers up, CPU gets hot but there is no further activity.
            nothing on the video output, no USB activity (using pendrive with an LED).

            I've read the bios, it looked ok, valid checksums, model/.mb match etc.
            I cleared VSS and wrote the bios back. NO change.

            any suggestion as to what might be the cause of this?...
            12-02-2023, 04:19 PM
          • Fam787
            HELP! A1398 Dead,
            by Fam787
            I bought a second hand Mid 2014 A1398 MacBook Pro when I lived in Australia. I'd bought it as a back-up machine because I had a Mid 2014 MacBook Pro, and realising it might one day fail, I wanted a backup machine because I don't like change.

            Two weeks after buying MBP2, the seller called me to check if everything was OK with the unit, which I thought was odd. At that stage I might have turned it on a couple of times, but I'd not used it when he'd called. Over the last few years I used the machine seldomly because my original mac has been pretty OK. Every 3-6 months I'd charge it...
            12-27-2024, 05:19 PM
          • b-slayer
            Asus Strix-G15-G513RM fans don't work
            by b-slayer
            Hi everyone,

            I have an Asus Strix-G15-G513RM, who starts normally, but as the fans don't work, it stops and is really really hot,
            The Bios was the latest one, (327), but I managed to downgrade it to version 325 to see if it changed something,
            (as I read somewhere that a corrupted bios can explane my problem), but nothing, it just went full blow during the downgrade,
            (so now, i can say that the fans are fonctionnal), but as it restarted, the fans won't turn at all again.

            ah, and in the Bios, even when the temperature is really hot, the fan are a 0 rpm,...
            09-04-2025, 04:58 AM
          • Loading...
          • No more items.
          Working...