A1465 Power Button *always on* how to bypass?

Collapse
X
 
  • Time
  • Show
Clear All
new posts
  • marce002
    Badcaps Veteran
    • May 2018
    • 316
    • Argentine

    #1

    A1465 Power Button *always on* how to bypass?

    Hello

    I have a keyboard problem in this A1465 820-3208 year 2012, but only in power key... the rest of keys are fine... the mac starts to boot and turns itself off because the power button is almost all the time or intermitently pressed/stucked i think.... sometimes it ask you "are you sure you want to shut down /...." ... of course tested with external keyboard and is ok///

    question is, can I void/stop the power button operation? maybe at R5015 or R5016? avoid going GND.... and figure a way to turn on the mac through attaching the charger and auto start, and turning off via the system macos shutdown? thanks in advance!!

    not worth replacing keyboard
    Marcelo J
  • mon2
    Badcaps Legend
    • Dec 2019
    • 14673
    • Canada

    #2
    Re: A1465 Power Button *always on* how to bypass?

    Hi.

    1) See attached. Start with connecting the keyboard / trackpad.

    Meter in DC volts (20V scale is ok).

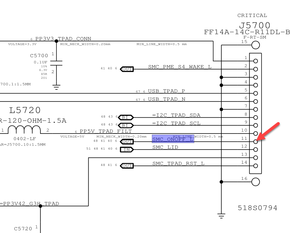
    Measure and post the voltage @ pin 11 of connector J5700.

    This is your ON/OFF switch from the keyboard.

    Is it stuck LOW ?

    Update:
    Remove all power. Remove battery connector. Remove the keyboard & trackpad cable. Then apply the adapter only and use tweezers to short the pads @ R5015. This will act like your ON/OFF switch. Does the logic board remain ON and stable ? If not, there is some other fault that needs to be reviewed.

    2) Check for any debris on J5700. Remove all power and use a Q-tip & alcohol (IPA) to clean up the solder contacts of J5700. Perhaps something else is causing this short condition.

    3) If pin # 11 of J5700 is indeed stuck to be always 'ON' = LOW condition due to a stuck key on the keyboard, then you will have to consider to cut the PCB trace from pin # 11 of J5700. If you decide to do this, consider to locate a part of the PCB trace where, if needed, you can fix this trace again in the future.

    Scrap off the black solder mask that Apple loves to use so you can see the copper trace -> measure the copper trace again to confirm you are dealing with the SAME trace as required.

    Only then, cut the trace and test again.

    With the trace being cut, there is a pull-up resistor @ R5070 & a capacitor @ C5734 that should act like a 'power on ON/OFF' switch. Not confirmed but you can test it and post your results.

    First start with the voltage on Pin # 11 of J5700.
    Attached Files
    Last edited by mon2; 02-06-2022, 10:55 AM.

    Comment

    • marce002
      Badcaps Veteran
      • May 2018
      • 316
      • Argentine

      #3
      Re: A1465 Power Button *always on* how to bypass?

      Thanks as always mon2, yes shorting pins turns on normally, ...ok measured pin 11 if lid is closed 0v but if open it is always at 3,4v, even if I press on/off KEY (which in fact turns on/off the macbook, the problem is those sporadic shutdowns ) ... so maybe Im not understanding the problem yet... no debris no water damage...
      so maybe yor 3rd option will have to be done? but no!! because pin 11 is always HIGH not low
      Last edited by marce002; 02-06-2022, 11:46 AM.
      Marcelo J

      Comment

      • marce002
        Badcaps Veteran
        • May 2018
        • 316
        • Argentine

        #4
        Re: A1465 Power Button *always on* how to bypass?

        RAW RESISTANCE MEASURE

        when no battery/no charger connected the keyboard's only res. at j5700 pin 11 are:

        0.5Mohm when iddle
        100Kohm when pressed

        so maybe normal .... mmmm
        Marcelo J

        Comment

        • mon2
          Badcaps Legend
          • Dec 2019
          • 14673
          • Canada

          #5
          Re: A1465 Power Button *always on* how to bypass?

          This is a deja-vu. I recall a similar case and the way it was fixed was to apply ANOTHER resistor @ R5015. The trick is to find a value that will NOT turn it ON but if you close the KEYBOARD switch then, the resistance in the keyboard ON/OFF closure + the new resistor you will add @ R5015 will act together in parallel and perform the task.

          You can experiment and believe someone else in this forum did the same trick about a year ago.

          Google for it or just try 10k to ground on R5015 - for starters. Will see if I can find the same details...


          https://www.allaboutcircuits.com/too...ce-calculator/

          PS: Need to run out for a snow blower ... will check back later. Good luck, I think you are close. Just try different resistor values @ R5015. If the board turns ON with the new resistor, raise the resistor value.
          Last edited by mon2; 02-06-2022, 12:16 PM.

          Comment

          • marce002
            Badcaps Veteran
            • May 2018
            • 316
            • Argentine

            #6
            Re: A1465 Power Button *always on* how to bypass?

            Jojooo ok sure I will try and report back!!! thanks!

            PD did you mean R5070? because R5015 and R5016 are not present in this board, they are OMIT and only pad pins...(power on pins) or you say to place on the pins?

            Attached Files
            Last edited by marce002; 02-06-2022, 01:32 PM.
            Marcelo J

            Comment

            • mon2
              Badcaps Legend
              • Dec 2019
              • 14673
              • Canada

              #7
              Re: A1465 Power Button *always on* how to bypass?

              Correct. On R5015 pads which should be blank.

              Start with a 10k resistor there and see if this makes a difference for your case. Experiment with higher values as needed.

              Comment

              • marce002
                Badcaps Veteran
                • May 2018
                • 316
                • Argentine

                #8
                Re: A1465 Power Button *always on* how to bypass?

                ok 10k did not do anything... button not operating any longer.... will try higher value.
                Marcelo J

                Comment

                • marce002
                  Badcaps Veteran
                  • May 2018
                  • 316
                  • Argentine

                  #9
                  Re: A1465 Power Button *always on* how to bypass?

                  8k 10k same result button not working, ......like button shorted to ground

                  12k 15k 20k 25k same symptoms it turns itself off... like button always pressed...

                  PDs
                  a) I did use R5016 pins instead because laptop is with mother, and R5015 is otherside..
                  b) Laptop turns on itslef as soon as I connect the battery and full fan speed and extremly slow keyboard behaviour.. unusable
                  Last edited by marce002; 02-06-2022, 03:30 PM.
                  Marcelo J

                  Comment

                  • mon2
                    Badcaps Legend
                    • Dec 2019
                    • 14673
                    • Canada

                    #10
                    Re: A1465 Power Button *always on* how to bypass?

                    You have other issues. See here:

                    https://youtu.be/0oFgu5WwNDU

                    1) Remove all power. Meter in resistance mode (2k scale).

                    2) Measure & post the resistance to ground for the SMBUS_SDA & SMBUS_SCL lines. These lines are used to communicate with the trackpad / keyboard controller and other peripherals. See attached for test points.

                    Also report the measurements for the other SMBUS interconnect used by the battery and other functions.

                    On a good board, the voltage for each SMBUS line should be ~3v3 - ~3v42.

                    3) If the measurements are not of a low resistance to ground then move to the DC volts scale (20V) and measure the voltages on these same points; the SDA & SCL lines. Are they @ ~3v++ for each ?
                    Attached Files
                    Last edited by mon2; 02-06-2022, 06:52 PM.

                    Comment

                    • marce002
                      Badcaps Veteran
                      • May 2018
                      • 316
                      • Argentine

                      #11
                      Re: A1465 Power Button *always on* how to bypass?

                      Picture 1: (red probe on ground RES MODE)
                      ***********************************
                      BATTERY REMOVED: pin 5 of J6950 = your indicated test point, is 125Kohm

                      Picture 2: (red probe on ground RES MODE)
                      ***********************************
                      BATTERY REMOVED: pin 4 of J6950 = your indicated test point, is 130Kohm

                      Picture 3: (red probe on ground RES MODE)
                      ***********************************
                      BATTERY REMOVED: pin 9 SCL of J5700 = your indicated test point, is 0.300Mohm

                      Picture 4: (red probe on ground RES MODE)
                      ***********************************
                      BATTERY REMOVED: pin 8 SDA of J5700 = your indicated test point, is 183kohm

                      Picture 5: (red probe on ground RES MODE)
                      ***********************************
                      BATTERY REMOVED: pin 8 SDA of J5700 = your indicated test point, is 183kohm

                      touchpad works fine, no water or damage on connectors not even trackpads or others... battery is brand new, still turning off itself unless external keyboard attached (disconecting kbd from trackpad)... slow to death....
                      Marcelo J

                      Comment

                      • marce002
                        Badcaps Veteran
                        • May 2018
                        • 316
                        • Argentine

                        #12
                        Re: A1465 Power Button *always on* how to bypass?

                        actual status is like before, with all normal connected battery and charger and power on pads normal, the macbook starts shows logo and it turns off itself due to a power key locked... or something similar like a weird keys combination , or something that makes you think so....

                        If I press ESC many many times each 3 seconds I can reach the login and enter the mac os , like if i would be canceling the shutdown process....

                        it is terrible slow anyways.... with or whitout internal/external usb keyboard
                        Marcelo J

                        Comment

                        • mon2
                          Badcaps Legend
                          • Dec 2019
                          • 14673
                          • Canada

                          #13
                          Re: A1465 Power Button *always on* how to bypass?

                          Power down. Remove your SSD and power up and see if this allows for a normal boot with the '?'.

                          You can also try the power up diagnostic with the 'D' key pressed after the above. Perhaps some unknown sensor is failing that is causing this fault.

                          If you remove the keyboard / trackpad cable - the logic board boots faster and in a normal fashion ?

                          Comment

                          • marce002
                            Badcaps Veteran
                            • May 2018
                            • 316
                            • Argentine

                            #14
                            Re: A1465 Power Button *always on* how to bypass?

                            no ssd power ok, shows empty folder ? blinking as usual.... fan spins fast...it does not turn off itself in this mode, and pressing power button turns off normally here..... so no keyboard issue mmmmm


                            Diagnostics are normal tried before....

                            if I remove trackpad/keyboard because it is the same connector, boots slow also, and keys need to be pressend long time *half a second" to respond , slow anyways.... im using wireless usb keybard compatible,,,,

                            so weird case.... stupid, maybe EFI issue? i do not know
                            Marcelo J

                            Comment

                            • marce002
                              Badcaps Veteran
                              • May 2018
                              • 316
                              • Argentine

                              #15
                              Re: A1465 Power Button *always on* how to bypass?

                              ok final, i have stucked ESC key with an object and left the macos update and restart and after booted Im in a login screen for one hour, as soon as I remove the ESC key object it turns off... so basically a keyboard issue here, i will have to remove the track and maybe reroute the SMC RESET circuit to power on/off , what do you think? or what would you do if raplcing a keyboard is not an option.... jajaja thanks mon2!!!
                              Marcelo J

                              Comment

                              • marce002
                                Badcaps Veteran
                                • May 2018
                                • 316
                                • Argentine

                                #16
                                Re: A1465 Power Button *always on* how to bypass?

                                i will also look at C5734 connected to SMC_ONOFF_L , maybe it is driving me the line to gnd sometimes.....
                                Marcelo J

                                Comment

                                • mon2
                                  Badcaps Legend
                                  • Dec 2019
                                  • 14673
                                  • Canada

                                  #17
                                  Re: A1465 Power Button *always on* how to bypass?

                                  TBH, I would consider to replace the keyboard. I think this is the one with the rivets? It is not a fun repair but the keyboard is ~ $20 for a new one. Just the labour is heavy and there are videos on the topic. You will need to cut the posts to get the old one removed and then install the new one with many screws.

                                  If you do not do this, do you not lose out on the use of the ESC key ? (since it is stuck).

                                  You can of course cut the trace that is linked to the ONOFF on the keyboard connector but then you will have a dangling external wire with a pushbutton switch ? That should work as it will be like shorting the logic board with tweezers to turn it on / off but just concerned about the loss of the full keyboard use.

                                  If you are doubting C5734, remove / or replace it to see if that makes a difference.

                                  Comment

                                  • marce002
                                    Badcaps Veteran
                                    • May 2018
                                    • 316
                                    • Argentine

                                    #18
                                    Re: A1465 Power Button *always on* how to bypass?

                                    Ok lets end this here, I opted to break the trace in the flex pin 9 of keyboard for now, laptop works fine no more restarts but keys are slow to type... reinstalling MACOS from scratch to see if that solves the lag issue... then to power on i will opt to use the smc reset key combination to power on off something like that... but not using the power key itself... thanks and final mon2 again thks!!!

                                    bye
                                    Last edited by marce002; 02-07-2022, 03:43 PM.
                                    Marcelo J

                                    Comment

                                    • marce002
                                      Badcaps Veteran
                                      • May 2018
                                      • 316
                                      • Argentine

                                      #19
                                      Re: A1465 Power Button *always on* how to bypass?

                                      OK to end this, if anyone was looking at, restores MOJAVE fresh and disconected like I said the pin on the flex... no more restarts and now is fast!!!.... how did I solve the power on? combining the SHIFT+CTRL+OPTION to make the same function of POWER. What I did is join pin 11 and 14 in the J7000. SMC_ONOFF_L + SMC_TPAD_RST_L
                                      Marcelo J

                                      Comment

                                      Related Topics

                                      Collapse

                                      • chth96
                                        Is it possible bridging tiny broken trace
                                        by chth96
                                        When I assembled dreamcast I mistakenly fastened long bolt and It resulted in
                                        cutting tiny trace.
                                        This tiny trace(Total width of white coating is 5.5mm) is between R337,R343 and IC101 and it is covered with white coating in the below screenshot.


                                        Firstly I tried to bridging tiny broken trace with my own eyes...But it is totally impossible..So a week ago, I ordered G1200 Digital Microscope and I magnified this tiny broken trace with it.

                                        But It seems that It is really very tiny trace So I plan to order 0.1mm coper wire from aliexpress in order to bridging...
                                        12-03-2022, 11:32 PM
                                      • Spudgun
                                        Why doesn't current just bypass faulty capacitors.
                                        by Spudgun
                                        Hello esteemed members. I appreciate that my question will strike some as being somewhat childishly simple, but it genuine perplexes me! I have repaired several laptops before by removing a faulty capacitor that was short-circuiting the motherboard, whereupon the laptop would then work. For me, it begs the question that, if the current can bypass where the capcitor was when it has been removed, why didn't it just bypass it when it was present and faulty,? I can't get my head round the premise that if the other side of the capacitor is connected to ground, then why doesn't the current simply bypass...
                                        04-01-2025, 10:33 AM
                                      • Arshad alam4659
                                        a1466 smc bypass
                                        by Arshad alam4659
                                        what is smc bypass and how does it work and how to bypass it i want to know can anyone tell me about it
                                        11-09-2024, 08:22 AM
                                      • oxonater
                                        Apple MacBook Pro A2141 16" IC BYPASS
                                        by oxonater
                                        Hi everyone hope all are well

                                        I need a little expert advice on a issue I have and seeing as this forum is full of clever people I thought ask here as you never know.
                                        I recently repaired a logic board 820-01700 which belongs to a 16" 2019 Macbook Pro, however I seem to be missing a component near the T2 Rom chip and is U4730.

                                        The schematics say this chip is (M34128-FCS6_P/T) and it also says there is a bypass for it wondered if anyone come across either the IC or the bypass method.
                                        I suppose it's worth noting googling the part package brings up various...
                                        10-23-2024, 11:21 PM
                                      • Friend4Cap
                                        Tuf gaming b550-pro damage circuit trace help!
                                        by Friend4Cap
                                        If anyone can help it will be very appreciate!!
                                        Motherboard - (TUF GAMING B550-PRO) client connected Floppy Drive 4-Pin Power Connector to RGB_Header_1 +12V G . R . B and Burn one N6V8 and Damage all circuit trace, please check pictures, Motherboard not turning on & everything check ok, no short to ground, I need to repair all circuit trace and replace burn N6V8 but don't know where this 5 circuit trace connect to N6V8. If anyone with TUF GAMING B550-PRO can check. “Thank you in advance”...
                                        05-07-2023, 05:38 PM
                                      • Loading...
                                      • No more items.
                                      Working...