Dell Precision 3510 completely dead

Collapse
X
 
  • Time
  • Show
Clear All
new posts
  • Andreasbest
    Badcaps Legend
    • Aug 2014
    • 1196
    • Hellas ( Greece )

    #21
    Re: Dell Precision 3510 completely dead

    I removed QV1 but no change at all, resistance still low

    Comment

    • Spider1211
      Badcaps Veteran
      • Oct 2019
      • 532
      • Mauritius

      #22
      Re: Dell Precision 3510 completely dead

      Search schematic for +PWR_SRC and open respective jumpers, the measure resistance as you go. Injecting voltage is not recommended since we don't know where the fault is and would thus need to keep voltage low, which means current will also be low and nothing will get hot.

      Try removing PU603 also although it should not make any difference since PL602 has been removed. Make sure the pad for PU602 is clear of any soot by the way.

      Comment

      • Andreasbest
        Badcaps Legend
        • Aug 2014
        • 1196
        • Hellas ( Greece )

        #23
        Re: Dell Precision 3510 completely dead

        PU603 is difficult to remove because the solder is underneath it.
        I'll follow +PWR_SRC and remove the jumpers.

        Comment

        • Andreasbest
          Badcaps Legend
          • Aug 2014
          • 1196
          • Hellas ( Greece )

          #24
          Re: Dell Precision 3510 completely dead

          Goodmorning!
          I open all jumpers i saw @ +PWR_SRC, these are:
          100
          101
          202
          402
          601
          but the resistance between pin 1 of PU602 and ground is still ~4Ω

          What do you thing?

          Comment

          • Spider1211
            Badcaps Veteran
            • Oct 2019
            • 532
            • Mauritius

            #25
            Re: Dell Precision 3510 completely dead

            PU602 or PL602? If its 4ohms you can try injecting voltage. Do not go above 1.5V and see what gets warm/hot.

            Comment

            • Andreasbest
              Badcaps Legend
              • Aug 2014
              • 1196
              • Hellas ( Greece )

              #26
              Re: Dell Precision 3510 completely dead

              PU602, the burnt MOSFET.
              Injection from pin 1 and ground, correct?

              Comment

              • Spider1211
                Badcaps Veteran
                • Oct 2019
                • 532
                • Mauritius

                #27
                Re: Dell Precision 3510 completely dead

                pin 1 as in ZCD_EN#? which comes from FCCM_VCORE

                Comment

                • Spider1211
                  Badcaps Veteran
                  • Oct 2019
                  • 532
                  • Mauritius

                  #28
                  Re: Dell Precision 3510 completely dead

                  To avoid confusion, measure resistance on all pins of PU602 and report back.

                  Comment

                  • Andreasbest
                    Badcaps Legend
                    • Aug 2014
                    • 1196
                    • Hellas ( Greece )

                    #29
                    Re: Dell Precision 3510 completely dead

                    Originally posted by Spider1211
                    To avoid confusion, measure resistance on all pins of PU602 and report back.
                    Here, measured everything with the ground (except the GND pins)
                    Attached Files

                    Comment

                    • Sephir0th
                      Badcaps Legend
                      • Oct 2020
                      • 1289
                      • Germany

                      #30
                      Re: Dell Precision 3510 completely dead

                      Why Not Remove PU603 to confirm the short of the Power Rail between PL602 and VIN of the PowerStages?
                      FairRepair on YouTube

                      Comment

                      • Andreasbest
                        Badcaps Legend
                        • Aug 2014
                        • 1196
                        • Hellas ( Greece )

                        #31
                        Re: Dell Precision 3510 completely dead

                        I will i'm just trying to avoid it but i will if i have to.
                        Has bottom solder, that's why i'm trying to avoid it.

                        Comment

                        • Sephir0th
                          Badcaps Legend
                          • Oct 2020
                          • 1289
                          • Germany

                          #32
                          Re: Dell Precision 3510 completely dead

                          You also have to solder the replacement IC Back too, ofc course Only If we can get rid of the short(s).

                          So i don't see the Point to Work around. Most likely Burned layers are welded to together and CPU Fried too, but who Knows. There could be a Chance...
                          FairRepair on YouTube

                          Comment

                          • Andreasbest
                            Badcaps Legend
                            • Aug 2014
                            • 1196
                            • Hellas ( Greece )

                            #33
                            Re: Dell Precision 3510 completely dead

                            I'm afraid of that too but since i have 5x mosfet i can give it a try and hope.
                            Plus it has Xeon cpu, if it was a i5 or i3 i wouldn't bother
                            Last edited by Andreasbest; 07-28-2021, 02:46 AM.

                            Comment

                            • Spider1211
                              Badcaps Veteran
                              • Oct 2019
                              • 532
                              • Mauritius

                              #34
                              Re: Dell Precision 3510 completely dead

                              Practice on a donor board if needed. Removing components and testing is safer than injecting voltage. I'ld also remove PL603 and PL604 to isolate +VCC_CORE and check for short again. It also decreases the risk of accidentally sending unsafe voltage to the CPU.

                              In any case, I strongly suggest you tune in you soldering skills on donor boards if you do not feel very confident yet.

                              Comment

                              • Andreasbest
                                Badcaps Legend
                                • Aug 2014
                                • 1196
                                • Hellas ( Greece )

                                #35
                                Re: Dell Precision 3510 completely dead

                                Originally posted by Spider1211
                                Practice on a donor board if needed. Removing components and testing is safer than injecting voltage. I'ld also remove PL603 and PL604 to isolate +VCC_CORE and check for short again. It also decreases the risk of accidentally sending unsafe voltage to the CPU.

                                In any case, I strongly suggest you tune in you soldering skills on donor boards if you do not feel very confident yet.
                                Hello!
                                I removed the PU603 but the shortcircuit was still there.
                                I appied 1w from bench psu and while i was searching for shorts the short gone, now Vin to Ground is 40MΩ
                                The short in Vswh remains though.
                                What do you think?

                                Comment

                                • Spider1211
                                  Badcaps Veteran
                                  • Oct 2019
                                  • 532
                                  • Mauritius

                                  #36
                                  Re: Dell Precision 3510 completely dead

                                  What voltage did you apply when finding the short and where did you apply it? You most likely burnt out the short .

                                  What is the resistance value of VSWH?
                                  VSWH goes to +VCC_CORE which is CPU core voltage and therefore having a low resistance is normal.

                                  If you remove PL603 and PL604, you should only read low resistance on pin 1 and 2. Pin 3 and 4 should read open circuit.

                                  Comment

                                  • Andreasbest
                                    Badcaps Legend
                                    • Aug 2014
                                    • 1196
                                    • Hellas ( Greece )

                                    #37
                                    Re: Dell Precision 3510 completely dead

                                    Originally posted by Spider1211
                                    What voltage did you apply when finding the short and where did you apply it? You most likely burnt out the short .

                                    What is the resistance value of VSWH?
                                    VSWH goes to +VCC_CORE which is CPU core voltage and therefore having a low resistance is normal.

                                    If you remove PL603 and PL604, you should only read low resistance on pin 1 and 2. Pin 3 and 4 should read open circuit.

                                    Ι applied 1v 1A & 2v 1A, not sure when the short burnt, i noticed it right after 2v 1a.
                                    Vswh resistance to ground is 3.5Ω
                                    Just removed both PL. I'll sent measurements in a few mins
                                    Last edited by Andreasbest; 08-10-2021, 01:33 AM.

                                    Comment

                                    • Andreasbest
                                      Badcaps Legend
                                      • Aug 2014
                                      • 1196
                                      • Hellas ( Greece )

                                      #38
                                      Re: Dell Precision 3510 completely dead

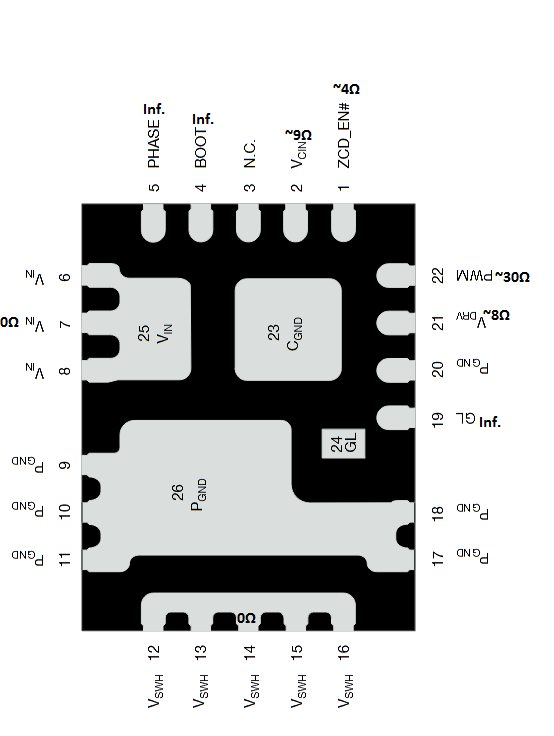
                                      pin1 4.3Ω
                                      pin2 0.5Ω
                                      pin3 NC
                                      pin4 inf.
                                      pin5 inf.

                                      (all measurements before the SMD)

                                      Comment

                                      • Spider1211
                                        Badcaps Veteran
                                        • Oct 2019
                                        • 532
                                        • Mauritius

                                        #39
                                        Re: Dell Precision 3510 completely dead

                                        Vswh resistance to ground is 3.5Ω
                                        This should be fine.


                                        pin1 4.3Ω
                                        pin2 0.5Ω
                                        pin3 NC
                                        pin4 inf.
                                        pin5 inf.

                                        (all measurements before the SMD)
                                        Where were those measurements taken? PU602/PU603? What do you mean by 'before SMD'?

                                        Pin 1 and 2 does not look good. Pin 2 (assuming you meant VCIN of PU602/603) is indicating a short on +5V_RUN and pin 1 (ZCD_EN#) could be due to a faulty PU601. Try removing PU601 and measure again.

                                        If you remove PL603 and PL604, you should only read low resistance on pin 1 and 2. Pin 3 and 4 should read open circuit.
                                        I was referring to pin 1,2,3 and 4 of PL603/604 by the way.

                                        Comment

                                        • Andreasbest
                                          Badcaps Legend
                                          • Aug 2014
                                          • 1196
                                          • Hellas ( Greece )

                                          #40
                                          Re: Dell Precision 3510 completely dead

                                          Originally posted by Spider1211
                                          This should be fine.




                                          Where were those measurements taken? PU602/PU603? What do you mean by 'before SMD'?

                                          Pin 1 and 2 does not look good. Pin 2 (assuming you meant VCIN of PU602/603) is indicating a short on +5V_RUN and pin 1 (ZCD_EN#) could be due to a faulty PU601. Try removing PU601 and measure again.



                                          I was referring to pin 1,2,3 and 4 of PL603/604 by the way.
                                          measurements taken on PU602, one probe on the side towards MB (not side towards burnt PU602) and the other on GND.
                                          For some strange reason i can't find PU601 (please check attachment)
                                          PL603 and PL604 have only 2 pins.
                                          Attached Files

                                          Comment

                                          Related Topics

                                          Collapse

                                          • Document Archive
                                            DELL Precision 7071 Precision 7000 i5-9500 Specification for Upgrade or Repair
                                            by Document Archive
                                            This specification for the DELL Precision 7071 can be useful for upgrading or repairing a desktop PC that is not working. As a community we are working through our specifications to add valuable data like the Precision 7071 boardview and Precision 7071 schematic. Our users have donated over 1 million documents which are being added to the site. This page will be updated soon with additional information. Alternatively you can request additional help from our users directly on the relevant badcaps forum. Please note that we offer no warranties that any specification, datasheet, or download for DELL...
                                            09-12-2024, 03:44 PM
                                          • Document Archive
                                            DELL Precision T3420 Precision E3-1220V5 Specification for Upgrade or Repair
                                            by Document Archive
                                            This specification for the DELL Precision T3420 can be useful for upgrading or repairing a desktop PC that is not working. As a community we are working through our specifications to add valuable data like the Precision T3420 boardview and Precision T3420 schematic. Our users have donated over 1 million documents which are being added to the site. This page will be updated soon with additional information. Alternatively you can request additional help from our users directly on the relevant badcaps forum. Please note that we offer no warranties that any specification, datasheet, or download for...
                                            09-12-2024, 03:44 PM
                                          • Document Archive
                                            DELL Precision 3620 Precision i3-6100 Specification for Upgrade or Repair
                                            by Document Archive
                                            This specification for the DELL Precision 3620 can be useful for upgrading or repairing a desktop PC that is not working. As a community we are working through our specifications to add valuable data like the Precision 3620 boardview and Precision 3620 schematic. Our users have donated over 1 million documents which are being added to the site. This page will be updated soon with additional information. Alternatively you can request additional help from our users directly on the relevant badcaps forum. Please note that we offer no warranties that any specification, datasheet, or download for DELL...
                                            09-12-2024, 03:44 PM
                                          • Document Archive
                                            DELL Precision T3620 Precision i7-6700 Specification for Upgrade or Repair
                                            by Document Archive
                                            This specification for the DELL Precision T3620 can be useful for upgrading or repairing a desktop PC that is not working. As a community we are working through our specifications to add valuable data like the Precision T3620 boardview and Precision T3620 schematic. Our users have donated over 1 million documents which are being added to the site. This page will be updated soon with additional information. Alternatively you can request additional help from our users directly on the relevant badcaps forum. Please note that we offer no warranties that any specification, datasheet, or download for...
                                            09-12-2024, 03:44 PM
                                          • Document Archive
                                            DELL Precision 5820 Precision 5000 W-2235 Specification for Upgrade or Repair
                                            by Document Archive
                                            This specification for the DELL Precision 5820 can be useful for upgrading or repairing a desktop PC that is not working. As a community we are working through our specifications to add valuable data like the Precision 5820 boardview and Precision 5820 schematic. Our users have donated over 1 million documents which are being added to the site. This page will be updated soon with additional information. Alternatively you can request additional help from our users directly on the relevant badcaps forum. Please note that we offer no warranties that any specification, datasheet, or download for DELL...
                                            09-12-2024, 03:44 PM
                                          • Loading...
                                          • No more items.
                                          Working...