HP Elitebook 840 g6: Need help identifying components

Collapse
X
 
  • Time
  • Show
Clear All
new posts
  • classicandy
    Badcaps Veteran
    • Apr 2018
    • 309
    • Nigeria

    #1

    HP Elitebook 840 g6: Need help identifying components

    Hi,

    I have this HP Elitebook 840 g6 with water damage. Some resistors near the charger IC seem to have corroded. I need to replace them but i don't know their initial values.

    If you have this type of motherboard, can you please measure yours and upload their values. I have circled the areas in RED. Resistor values and Charger IC values too.

    Thanks
    Attached Files
  • mcplslg123
    Badcaps Legend
    • Jun 2015
    • 7262
    • india

    #2
    Re: HP Elitebook 840 g6: Need help identifying components

    The charging chip number is not visible on the pic. Its intersil. Please specify the exact number of chip. I beleive schematic is not avlbl for this mb. So the best thing to do is to found another schematic with same charging ic and then findout the resistor with pinwise tracing.

    Comment

    • classicandy
      Badcaps Veteran
      • Apr 2018
      • 309
      • Nigeria

      #3
      Re: HP Elitebook 840 g6: Need help identifying components

      Originally posted by mcplslg123
      The charging chip number is not visible on the pic. Its intersil. Please specify the exact number of chip. I beleive schematic is not avlbl for this mb. So the best thing to do is to found another schematic with same charging ic and then findout the resistor with pinwise tracing.
      Exactly my thoughts too. I've tried searching for alternative schematic using same IC but probably I'm not searching correctly.

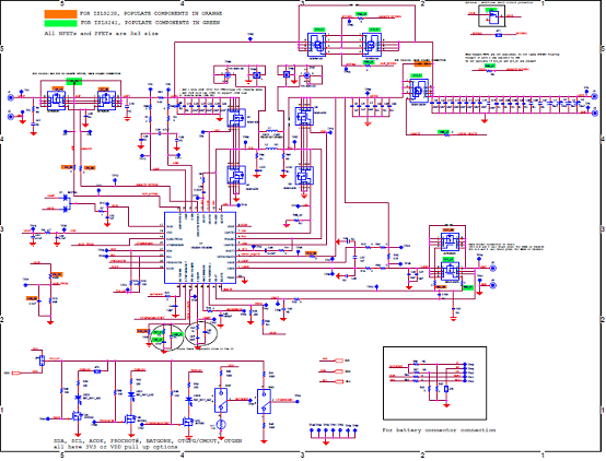
      Intersil 9241H
      OR
      ISL9241H

      datasheet and the closest schematic picture is attached. But i can't get a clearer picture
      Attached Files

      Comment

      • classicandy
        Badcaps Veteran
        • Apr 2018
        • 309
        • Nigeria

        #4
        Re: HP Elitebook 840 g6: Need help identifying components

        Originally posted by classicandy
        Hi,

        I have this HP Elitebook 840 g6 with water damage. Some resistors near the charger IC seem to have corroded. I need to replace them but i don't know their initial values.

        If you have this type of motherboard, can you please measure yours and upload their values. I have circled the areas in RED. Resistor values and Charger IC values too.

        Thanks
        Help on this needed please..........

        Comment

        • SMDFlea
          Super Moderator
          • Jan 2018
          • 21841
          • UK

          #5
          Re: HP Elitebook 840 g6: Need help identifying components

          https://www.renesas.com/document/dsf...es?language=en
          All donations to badcaps are welcome, click on this link to donate. Thanks to all supporters

          Comment

          • classicandy
            Badcaps Veteran
            • Apr 2018
            • 309
            • Nigeria

            #6
            Re: HP Elitebook 840 g6: Need help identifying components

            Thank you for this. It was really helpful

            Comment

            Related Topics

            Collapse

            Working...