acer aspire V3 771G VA70

Collapse
X
 
  • Time
  • Show
Clear All
new posts
  • poweron
    Badcaps Veteran
    • May 2019
    • 371
    • italy

    #1

    acer aspire V3 771G VA70

    hello everyone, this acer with battery turns on normally, so also with battery and power supply you turn on and charge the battery, but with only the power supply does not turn on, turn on a second all the LEDs, it is normal to turn on only with battery insert? usually they light up even without
  • mcplslg123
    Badcaps Legend
    • Jun 2015
    • 7262
    • india

    #2
    Re: acer aspire V3 771G VA70

    its not usual. Should turn on with only adapter. Check DC-in mosfet.

    Comment

    • piernov
      Super Moderator
      • Jan 2016
      • 4439
      • France

      #3
      Re: acer aspire V3 771G VA70

      Using a known good AC adapter with correct power rating?
      OpenBoardView — https://github.com/OpenBoardView/OpenBoardView

      Comment

      • poweron
        Badcaps Veteran
        • May 2019
        • 371
        • italy

        #4
        Re: acer aspire V3 771G VA70

        Originally posted by piernov
        Using a known good AC adapter with correct power rating?
        the power supply is of the correct power

        Comment

        • poweron
          Badcaps Veteran
          • May 2019
          • 371
          • italy

          #5
          Re: acer aspire V3 771G VA70

          Originally posted by piernov
          Using a known good AC adapter with correct power rating?
          unfortunately on the card I cannot identify mosfets because the name is not printed

          Comment

          • Techtiger
            Badcaps Legend
            • Oct 2014
            • 1602
            • france

            #6
            Re: acer aspire V3 771G VA70

            Originally posted by poweron
            unfortunately on the card I cannot identify mosfets because the name is not printed
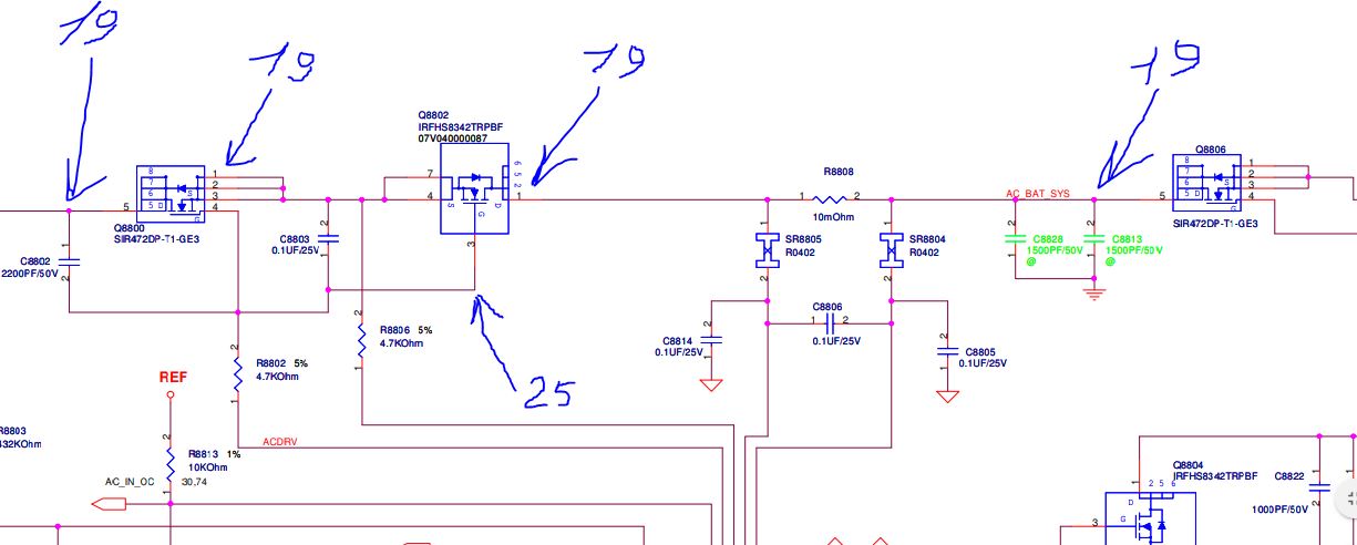
            Bottom side of DC connector 2 Fets Caps & CLR test the Gate Voltage of 2 fets
            Gate Voltage must be high than DRAIN
            Attached Files
            Last edited by Techtiger; 07-02-2019, 03:04 AM.

            Comment

            • poweron
              Badcaps Veteran
              • May 2019
              • 371
              • italy

              #7
              Re: acer aspire V3 771G VA70

              Originally posted by techtiger

              Bottom side of DC connector 2 Fets Caps & CLR test the Gate Voltage of 2 fets
              Gate Voltage must be high than DRAIN
              these are the voltages present by connecting the ac connector, without having yet pressed the button power
              Attached Files

              Comment

              • Techtiger
                Badcaps Legend
                • Oct 2014
                • 1602
                • france

                #8
                Re: acer aspire V3 771G VA70

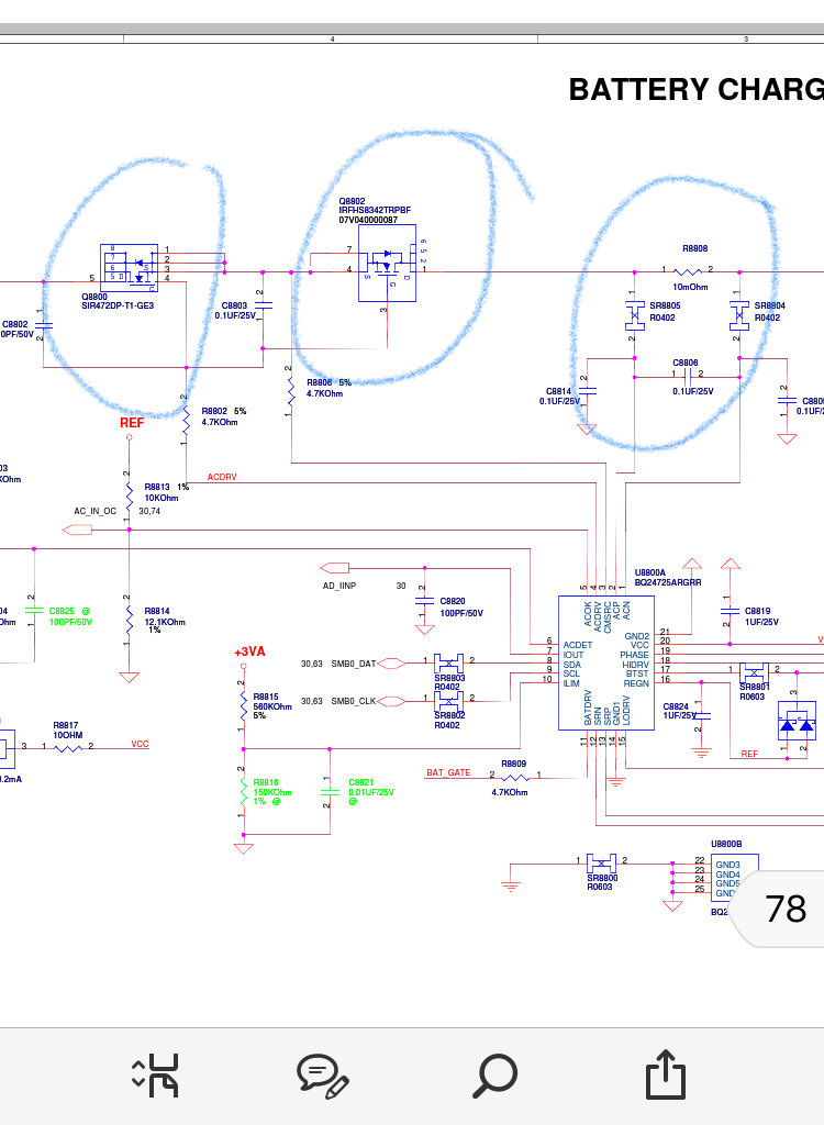
                thats good now test all pins of BQ24725 for voltage and AC_IN_OC pin 120 of U3001
                voltage L8100 L8101
                voltage U8100A pin 3 13 7
                Last edited by Techtiger; 07-02-2019, 09:59 AM.

                Comment

                • poweron
                  Badcaps Veteran
                  • May 2019
                  • 371
                  • italy

                  #9
                  Re: acer aspire V3 771G VA70

                  Originally posted by techtiger
                  thats good now test all pins of BQ24725 for voltage and AC_IN_OC pin 120 of U3001
                  voltage L8100 L8101
                  voltage U8100A pin 3 13 7
                  you have a boardview of this project otherwise I can't find all the components on the card, thank you very much

                  Comment

                  • mcplslg123
                    Badcaps Legend
                    • Jun 2015
                    • 7262
                    • india

                    #10
                    Re: acer aspire V3 771G VA70

                    Here is the boardview
                    Attached Files

                    Comment

                    • poweron
                      Badcaps Veteran
                      • May 2019
                      • 371
                      • italy

                      #11
                      Re: acer aspire V3 771G VA70

                      Originally posted by mcplslg123
                      Here is the boardview
                      I opened the file but it does not match my sheet: VA70 / VG70 Rev: 2.1

                      this is the right one
                      Attached Files
                      Last edited by poweron; 07-03-2019, 02:29 AM.

                      Comment

                      • Techtiger
                        Badcaps Legend
                        • Oct 2014
                        • 1602
                        • france

                        #12
                        Re: acer aspire V3 771G VA70

                        Originally posted by poweron
                        I opened the file but it does not match my sheet: VA70 / VG70 Rev: 2.1

                        this is the right one
                        bottom side of the Boardview you have U3001 SIO chip it is matching, mcplslg123 have send

                        Comment

                        • poweron
                          Badcaps Veteran
                          • May 2019
                          • 371
                          • italy

                          #13
                          Re: acer aspire V3 771G VA70

                          Originally posted by techtiger
                          bottom side of the Boardview you have U3001 SIO chip it is matching, mcplslg123 have send
                          the board posted by mcplslg123 is this bottom side
                          Attached Files
                          Last edited by poweron; 07-03-2019, 03:08 PM.

                          Comment

                          • poweron
                            Badcaps Veteran
                            • May 2019
                            • 371
                            • italy

                            #14
                            Re: acer aspire V3 771G VA70

                            and this is the top side
                            Attached Files

                            Comment

                            • poweron
                              Badcaps Veteran
                              • May 2019
                              • 371
                              • italy

                              #15
                              Re: acer aspire V3 771G VA70

                              the one on my card is this top side, as you can see it's different, I found it on the net but I can't download it
                              Attached Files

                              Comment

                              • mcplslg123
                                Badcaps Legend
                                • Jun 2015
                                • 7262
                                • india

                                #16
                                Re: acer aspire V3 771G VA70

                                as long as kbc is same in both versions of boardview, where is the issue. You can simply findout the pins to be tested and proceed further.

                                Comment

                                • poweron
                                  Badcaps Veteran
                                  • May 2019
                                  • 371
                                  • italy

                                  #17
                                  Re: acer aspire V3 771G VA70

                                  these are the voltages on U8800 BQ24725:
                                  pin 1 = 19v
                                  pin 2 = 19v
                                  pin 3 = 19v
                                  pin 4 = 25v
                                  pin 5 = 3.2v
                                  pin 6 = 2.6v
                                  pin 7 = 0v
                                  pin 8 = 3.2v
                                  pin 9 = 3.2v
                                  pin 10 = 3.0v
                                  pin 11 = 3.2v
                                  pin 12 = 3.2v
                                  pin 13 = 3.2v
                                  pin 14 = gnd
                                  pin 15 = 0v
                                  pin 16 = 5.9v
                                  pin 17 = 5.9v
                                  pin 18 = 3.2v
                                  pin 19 = 3.2v
                                  pin 20 = 19v
                                  on pin 20 of the kbc U3001 I measure 3.2v AC_IN_OC

                                  Comment

                                  • Techtiger
                                    Badcaps Legend
                                    • Oct 2014
                                    • 1602
                                    • france

                                    #18
                                    Re: acer aspire V3 771G VA70

                                    Originally posted by poweron
                                    these are the voltages on U8800 BQ24725:
                                    pin 1 = 19v
                                    pin 2 = 19v
                                    pin 3 = 19v
                                    pin 4 = 25v
                                    pin 5 = 3.2v
                                    pin 6 = 2.6v
                                    pin 7 = 0v
                                    pin 8 = 3.2v
                                    pin 9 = 3.2v
                                    pin 10 = 3.0v
                                    pin 11 = 3.2v
                                    pin 12 = 3.2v
                                    pin 13 = 3.2v
                                    pin 14 = gnd
                                    pin 15 = 0v
                                    pin 16 = 5.9v
                                    pin 17 = 5.9v
                                    pin 18 = 3.2v
                                    pin 19 = 3.2v
                                    pin 20 = 19v
                                    on pin 20 of the kbc U3001 I measure 3.2v AC_IN_OC
                                    Well as for the voltage's seems to be correct, these measurements taken with out battery inserted ?

                                    Comment

                                    • poweron
                                      Badcaps Veteran
                                      • May 2019
                                      • 371
                                      • italy

                                      #19
                                      Re: acer aspire V3 771G VA70

                                      Originally posted by techtiger
                                      Well as for the voltage's seems to be correct, these measurements taken with out battery inserted ?
                                      exact, only adapter

                                      Comment

                                      • zhang
                                        Senior Member
                                        • Jun 2017
                                        • 50
                                        • Indonesia

                                        #20
                                        Re: acer aspire V3 771G VA70

                                        here you are for the boardview
                                        Attached Files

                                        Comment

                                        Related Topics

                                        Collapse

                                        • Document Archive
                                          ACER Aspire Aspire E560 Aspire E6400 Specification for Upgrade or Repair
                                          by Document Archive
                                          This specification for the ACER Aspire Aspire E560 can be useful for upgrading or repairing a desktop PC that is not working. As a community we are working through our specifications to add valuable data like the Aspire Aspire E560 boardview and Aspire Aspire E560 schematic. Our users have donated over 1 million documents which are being added to the site. This page will be updated soon with additional information. Alternatively you can request additional help from our users directly on the relevant badcaps forum. Please note that we offer no warranties that any specification, datasheet, or download...
                                          09-12-2024, 03:28 PM
                                        • Document Archive
                                          ACER Aspire Aspire E700 Aspire E6300 Specification for Upgrade or Repair
                                          by Document Archive
                                          This specification for the ACER Aspire Aspire E700 can be useful for upgrading or repairing a desktop PC that is not working. As a community we are working through our specifications to add valuable data like the Aspire Aspire E700 boardview and Aspire Aspire E700 schematic. Our users have donated over 1 million documents which are being added to the site. This page will be updated soon with additional information. Alternatively you can request additional help from our users directly on the relevant badcaps forum. Please note that we offer no warranties that any specification, datasheet, or download...
                                          09-12-2024, 02:30 PM
                                        • Document Archive
                                          ACER Aspire Aspire M7711 Aspire Q9300 Specification for Upgrade or Repair
                                          by Document Archive
                                          This specification for the ACER Aspire Aspire M7711 can be useful for upgrading or repairing a desktop PC that is not working. As a community we are working through our specifications to add valuable data like the Aspire Aspire M7711 boardview and Aspire Aspire M7711 schematic. Our users have donated over 1 million documents which are being added to the site. This page will be updated soon with additional information. Alternatively you can request additional help from our users directly on the relevant badcaps forum. Please note that we offer no warranties that any specification, datasheet, or...
                                          09-12-2024, 03:28 PM
                                        • Document Archive
                                          ACER Aspire Aspire M7200 Aspire 805 Specification for Upgrade or Repair
                                          by Document Archive
                                          This specification for the ACER Aspire Aspire M7200 can be useful for upgrading or repairing a desktop PC that is not working. As a community we are working through our specifications to add valuable data like the Aspire Aspire M7200 boardview and Aspire Aspire M7200 schematic. Our users have donated over 1 million documents which are being added to the site. This page will be updated soon with additional information. Alternatively you can request additional help from our users directly on the relevant badcaps forum. Please note that we offer no warranties that any specification, datasheet, or...
                                          09-12-2024, 03:28 PM
                                        • Document Archive
                                          ACER Aspire Aspire G7200 Predator Defender Aspire 9750 Specification for Upgrade or Repair
                                          by Document Archive
                                          This specification for the ACER Aspire Aspire G7200 Predator Defender can be useful for upgrading or repairing a desktop PC that is not working. As a community we are working through our specifications to add valuable data like the Aspire Aspire G7200 Predator Defender boardview and Aspire Aspire G7200 Predator Defender schematic. Our users have donated over 1 million documents which are being added to the site. This page will be updated soon with additional information. Alternatively you can request additional help from our users directly on the relevant badcaps forum. Please note that we offer...
                                          09-12-2024, 03:28 PM
                                        • Loading...
                                        • No more items.
                                        Working...