HP 15-B142DX DA0U56MB6E0 Rev. E after water damage i have black screen, Laptop with external monitor is working ok.
On U1 chip i have +3V on pin 4,5 but 0V on pin 1 & 3
On U16 chip i have 3.3V on pin 3, 9,10, 13, 18
pin 16 ---> 3,02
but pin 14,15 ---> 0V
Any help or idea where is the problem, where to check next
Thanks
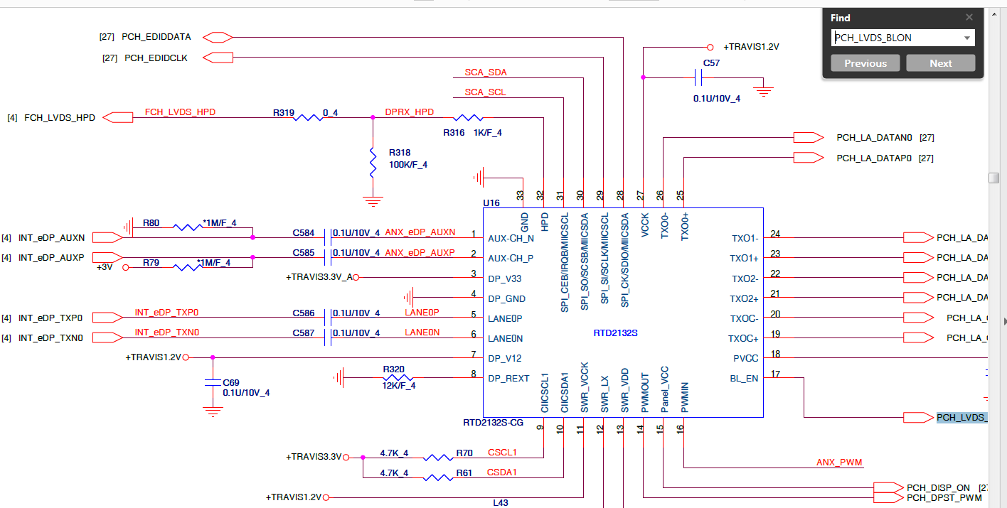
On U1 chip i have +3V on pin 4,5 but 0V on pin 1 & 3
On U16 chip i have 3.3V on pin 3, 9,10, 13, 18
pin 16 ---> 3,02
but pin 14,15 ---> 0V
Any help or idea where is the problem, where to check next
Thanks

Comment