Compal LA-8127P no power (help please)

Collapse
X
 
  • Time
  • Show
Clear All
new posts
  • brew99
    Senior Member
    • Jan 2019
    • 132
    • Canada

    #1

    Compal LA-8127P no power (help please)

    I've stripped the MB from the laptop and removed all accessories, so that just the main board is powered with the AC adapter only. I'm not getting the 20V to pass through the PQ304 MOSFET. Would like some help in what I should be looking for to help diagnose the issue.

    What I have measured so far.

    PQ301: verified Ok via diode mode test
    pins 5-8 are 20.18V
    pins 1-3 are 19.63V
    Pin 4 is 19.63V

    PQ304: verified ok via diode mode test
    pins 1-3 are 19.63
    pins 5-8 are 0V
    pin 4 is 19.63V

    PQ307:
    pin 2 is 12.6V oscillating +- .1V
    pin 1 is 14mV oscillating +- 40mV

    PQ313:
    pin 1 is 20mV oscillating
    Pin 2 is 0V

    PU301:
    pin 5 is 5.4V
    pin 6 is 2.6V

    I've replaced PQ310, PQ305 and PQ307 and no change.

    attached is schematic (sheet 39 of 51 is the AC in)

    Any help would be appreciated
    Attached Files
  • Techtiger
    Badcaps Legend
    • Oct 2014
    • 1602
    • france

    #2
    Re: Compal LA-8127P no power (help please)

    The Gate Voltage pin4 PQ301/304is to high to bypass the Voltage it should be 8.65V
    PU301
    Pin 6 is 2.6V correct
    Pin 2 must be 19V
    Pin 20 must be 19V
    Test Voltage PQ310A pin2 PQ3010B pin5
    PQ305 & PQ307 must be in off conduction to voltage divider to establish
    Last edited by Techtiger; 01-06-2019, 01:35 PM.

    Comment

    • brew99
      Senior Member
      • Jan 2019
      • 132
      • Canada

      #3
      Re: Compal LA-8127P no power (help please)

      Thanks TechTiger....I understand that the gate voltage is too high, but where would this 19.63V be coming from? What do you suggest I check next?

      Comment

      • brew99
        Senior Member
        • Jan 2019
        • 132
        • Canada

        #4
        Re: Compal LA-8127P no power (help please)

        OK, I have PQ310A pin 2 and PQ310B pin 5 at 20mV but oscillating some (not steady).
        PQ307 pin 2 at 12.5V. Where is the voltage divider you are talking about? Is it PR306 and PR309?
        What should the voltage be at PQ313 pin 2?

        Comment

        • Techtiger
          Badcaps Legend
          • Oct 2014
          • 1602
          • france

          #5
          Re: Compal LA-8127P no power (help please)

          PACIN on most probably 3.3V condition ACOFF in off 0V condition
          PACIN to pin5 PQ310B then pin3&4 GND PR306 PR309 is your Voltage Divider 8.65V
          PACIN to pin2 PQ310A pin 1&6 GND PQ307 pin2 GND (PQ307) then PQ307 PQ305 will be in off condition
          you have to check your 1st 2 Mosfets in Diode mode multimeter hope this helps you

          Comment

          • BlueMidnight
            Badcaps Veteran
            • Jan 2015
            • 489
            • United States

            #6
            Re: Compal LA-8127P no power (help please)

            PU301 pin 5 (ACOK / ACPRN) is active low. Right now it's 5.4V. Either PU301 is bad or conditions aren't correct for it to pull that pin low.

            I suggest measuring all pins of PU301. Indeed, I recommend measuring all pins of the charger IC anytime something doesn't look right in this area.

            Comment

            • brew99
              Senior Member
              • Jan 2019
              • 132
              • Canada

              #7
              Re: Compal LA-8127P no power (help please)

              Ok measured all pins on PU301:

              pin 1 to 4 all - 0V
              pin 5 - 5.9V
              pin 6 - 2.6V
              pin 7 to 11 all - V
              pin 12 and 13 - 440mV
              pin 14 and 15 - 0V
              pin 16 - 5.9V
              pin 17 - 5.7V
              pin 18 and 19 - 440mV
              pin 20 - 19.6V

              Is ACPRN on PU301 pin 5 an output from the chip or an input to it?

              Thinking I might try changing out PU301 now?

              Comment

              • Techtiger
                Badcaps Legend
                • Oct 2014
                • 1602
                • france

                #8
                Re: Compal LA-8127P no power (help please)

                ACPRN on PU301 pin 5 an output from the chip or an input to it? out put
                Attached Files

                Comment

                • BlueMidnight
                  Badcaps Veteran
                  • Jan 2015
                  • 489
                  • United States

                  #9
                  Re: Compal LA-8127P no power (help please)

                  ACOK/ACPRN is an output. Specifically, it is an open-drain output (meaning it is always pulled high by an external resistor unless PU301 pulls it to ground via an internal FET).

                  The ACOK/ACPRN (AC Okay / AC Present) signal requires only 2 things:
                  - ACDET > 2.4V
                  - VCC > (SRN + 275mV)

                  Everything looks fine as far as inputs go. PU301 may indeed be faulty.

                  Comment

                  • piernov
                    Super Moderator
                    • Jan 2016
                    • 4437
                    • France

                    #10
                    Re: Compal LA-8127P no power (help please)

                    Also requires REGN to be ok (present and not shorted to ground), which is the case here as well, and the DC in MOSFETs not be shorted (although this is more likely to be an issue when gate is driven directly)
                    So yeah replacing the charger IC is the next step.
                    OpenBoardView — https://github.com/OpenBoardView/OpenBoardView

                    Comment

                    • brew99
                      Senior Member
                      • Jan 2019
                      • 132
                      • Canada

                      #11
                      Re: Compal LA-8127P no power (help please)

                      Thanks all for your input. I'll change out PU301 and report back. This is my first laptop MB I've looked at so needs lots of help

                      Comment

                      • brew99
                        Senior Member
                        • Jan 2019
                        • 132
                        • Canada

                        #12
                        Re: Compal LA-8127P no power (help please)

                        So I replaced PU301 from another MB, but now I have REGN at 0V. ACOK/PACPRN is now at 0V so atleast that's active.

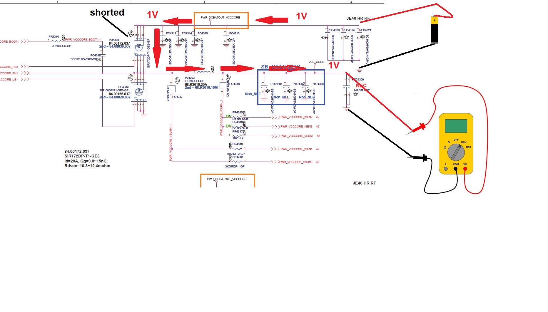
                        It appears that more of the original issue is that I have a short to GRD on B+ rail (I removed PR302 and the short is only on the one side). I tried using a power supply to the B+ side at 19V, 1A and couldn't find any component that was hot. Even went up to 3A, and nothing was really hot. What should I try next to hunt down the short? I've removed PC305-308 and still short is present. There is no cap at PC323

                        Comment

                        • on/off
                          Badcaps Veteran
                          • Oct 2016
                          • 333
                          • Indonesia

                          #13
                          Re: Compal LA-8127P no power (help please)

                          Originally posted by BlueMidnight
                          ACOK/ACPRN is an output. Specifically, it is an open-drain output (meaning it is always pulled high by an external resistor unless PU301 pulls it to ground via an internal FET).
                          Now that is clear. Thank for your explanation.

                          Originally posted by brew99
                          It appears that more of the original issue is that I have a short to GRD on B+ rail (I removed PR302 and the short is only on the one side). I tried using a power supply to the B+ side at 19V, 1A and couldn't find any component that was hot. Even went up to 3A, and nothing was really hot.
                          19V required for finding shorted??
                          1. B+ not only one page/block circuit.
                          2. Prefer starting inject with LOW VOLTAGE
                          3. Make list of parts that have possibility for shorted. For easy find that position on mobo. Capacitor:
                          • PC305-308 (charger).
                          • PC404-405 (3V/5V).
                          • next block +1.1VALWP/+1.5VP-------APU CORE.
                          • Also give more attention for HS Fet (high side mosfet each block circuit on regulator) if one them have shorted (drain-source). with 19V, i think will goes to Coil/output. Is it save for CPU, Chipset???
                          Attached Files
                          Last edited by on/off; 01-10-2019, 04:25 PM.

                          Comment

                          • Techtiger
                            Badcaps Legend
                            • Oct 2014
                            • 1602
                            • france

                            #14
                            Re: Compal LA-8127P no power (help please)

                            As for the Schematic ACPRN becomes PACIN & ACIN after crossing PQ319 and those resistors , now you’re ACIN 0V SIO should detect ACIN !
                            PQ310A/B pin 2&5 should receive PACIN no Voltage here PQ310 off condition
                            PR309 should go GND to Activate Voltage Divider

                            Comment

                            • brew99
                              Senior Member
                              • Jan 2019
                              • 132
                              • Canada

                              #15
                              Re: Compal LA-8127P no power (help please)

                              Should the PU301 pin 16 (REGON) be outputting 6V if OK? This would then provide the BQ24727VDD and PACIN would be voltage divider of PR338/PR339. What should PACIN voltage be if operating OK? maybe approx. 3.3V?

                              I've basically forgotten most of my electronic theory, so need major help, as I try and get back into this
                              Last edited by brew99; 01-10-2019, 05:22 PM.

                              Comment

                              • BlueMidnight
                                Badcaps Veteran
                                • Jan 2015
                                • 489
                                • United States

                                #16
                                Re: Compal LA-8127P no power (help please)

                                Originally posted by brew99
                                There is no cap at PC323
                                On this schematic, the "@" sign near a component means it doesn't exist on the actual production board.

                                Originally posted by brew99
                                Should the PU301 pin 16 (REGON) be outputting 6V if OK?
                                The pull-up resistor (PR336) for ACOK is connected to REGN (6V). Since there is no REGN, ACOK can't be anything except 0V.

                                Check that PU301 pin 20 (VCC) is about 19.6V and pin 6 (ACDET) is about 2.6V as you were getting previously. Voltage to both of these is required for the REGN 6V output to function.

                                Originally posted by brew99
                                What should PACIN voltage be if operating OK? maybe approx. 3.3V?
                                Yes, PACIN is supposed to be 3.3V once everything is working. PR339 represents about 54.5454% (12K / (10K+12K)) of the total resistance between ground and REGN (6V). Therefore, the point in the middle of the voltage divider will be 54.5454% of the way between ground and 6V, which is roughly 3.27V (6V * 0.545454).

                                The rest can wait. Even if there were a short on B+, PU301 should still be outputting 6V on REGN, just as it was before. Examine your solder joints carefully (preferably with a magnifying glass). Make sure everything looks solid and there are no solder bridges connecting adjacent pins. If that replacement chip came off a dead board, it's also possible that it was bad all along.

                                Comment

                                • brew99
                                  Senior Member
                                  • Jan 2019
                                  • 132
                                  • Canada

                                  #17
                                  Re: Compal LA-8127P no power (help please)

                                  @BlueMidnight...thanks for that detailed explanation. Some of this theory is starting to come back to me. I will recheck the soldering on the PU301 and order another just in case.

                                  I was also able to find a shorted cap (PC908 or PC907, the board is not marked well) which was on the B+ rail leading to CPU_B+, so that has now removed the short I had there.

                                  I was wondering what that "@" symbol was, and assumed that it meant it wasn't installed. Although, I think in my case, it might mean that the component might or might not be present, as I have some of the jumpers (JP) in place and the symbol is on the schematic.

                                  I'll keep digging in on this and hopefully get it running. Much appreciated to all for the help
                                  Last edited by brew99; 01-11-2019, 10:42 AM.

                                  Comment

                                  • BlueMidnight
                                    Badcaps Veteran
                                    • Jan 2015
                                    • 489
                                    • United States

                                    #18
                                    Re: Compal LA-8127P no power (help please)

                                    It's not so much that the "@" is ambiguous as much as there are different meanings of "don't put this here on final product" or "this is for testing only" for different types of components. These are all things decided and standardized in-house by the engineers. And other manufacturers may use other symbols (e.g. "*").

                                    For these solder jumpers, it appears to mean solder them right at manufacture based on how the symbols are filled in blue. On another schematic I recently looked at, it meant 0 ohm resistors with a "_S" or "/S" ("short"?) suffix in the component description were replaced with solid traces. Etc, etc. You can usually figure out the rule by seeing enough examples in the schematic and the board itself. But there will definitely be a rule.

                                    There are also "@" designations for other specific board configurations. You'll find those listed on page 3 of the schematic. (e.g. "DIS@" for boards with discrete graphics and "UMA@" for those without)

                                    Comment

                                    • brew99
                                      Senior Member
                                      • Jan 2019
                                      • 132
                                      • Canada

                                      #19
                                      Re: Compal LA-8127P no power (help please)

                                      Ok, now have the short removed,ac adapter light is present. Unit will only turn on for a few seconds before being presented with a beep code (2 short, pause, then 1 short). No video is present. This is the same issue as my other spare motherboard. Any ideas? What should I check?

                                      What programmer do you guys use to read/write bios?

                                      Comment

                                      • brew99
                                        Senior Member
                                        • Jan 2019
                                        • 132
                                        • Canada

                                        #20
                                        Re: Compal LA-8127P no power (help please)

                                        Update on this board. I have now put in a stick of known good RAM, and I'm getting 2 beeps and no video out (VGA or HDMI). The CPU is warming up and the fan continues to run. I've measured all voltages on all the coils I can see and they are all present.

                                        Anyone have any next steps for me to try? My other mobo does the same thing.

                                        Am I correct in that I should be able to boot to BIOS with just a RAM stick and nothing else connected to the mobo other than VGA?

                                        Comment

                                        Related Topics

                                        Collapse

                                        Working...