HP G7-1310US NO Power sounds or anything

Collapse
X
 
  • Time
  • Show
Clear All
new posts
  • electrobe
    Senior Member
    • Sep 2012
    • 70
    • usa

    #1

    HP G7-1310US NO Power sounds or anything

    I have a HP laptop that doesn't power on make any noises or anything. I am new at diagnosing so please be gentle. I found a schematic for the motherboard & I have 19V coming from the power jack plug in that is connected to the motherboard when plugged in. When I placed the positive lead of the multimeter on pin 1 or 2 & the negative on ground pin of CN13 where the laptop battery inserts into I get no voltage. I do not know if I need to remove other components to test them or what to do next. I would appreciate any help provided.

    Model: HP g7-1310US
    Motherboard Model: DAOR13MB6EO Rev: E
    Attached Files
  • electrobe
    Senior Member
    • Sep 2012
    • 70
    • usa

    #2
    Re: HP G7-1310US NO Power

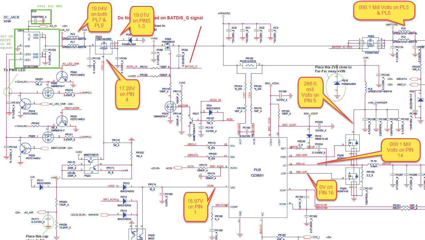
    I did some testing but I am not sure if this chip is the problem or not PU9.
    Attached Files

    Comment

    • smali
      Badcaps Veteran
      • Sep 2014
      • 287
      • Pakistan

      #3
      Re: HP G7-1310US NO Power sounds or anything

      i make some edits in my reply after reading your tested points...check the short circuit on PWRSRC line .
      Last edited by smali; 02-26-2015, 06:55 PM.

      Comment

      • smali
        Badcaps Veteran
        • Sep 2014
        • 287
        • Pakistan

        #4
        Re: HP G7-1310US NO Power sounds or anything

        check the ohms with the Gnd on PQ52 source PIN 3 are there any short circuit?

        Comment

        • electrobe
          Senior Member
          • Sep 2012
          • 70
          • usa

          #5
          Re: HP G7-1310US NO Power sounds or anything

          I received 0.L under ohms when connecting the positive probe to pin 3 & the negative to ground.

          Comment

          • electrobe
            Senior Member
            • Sep 2012
            • 70
            • usa

            #6
            Re: HP G7-1310US NO Power sounds or anything

            What do you think I should check next?

            Comment

            Related Topics

            Collapse

            • Tynan Dill
              Vizio e601i-A3 - Has Sound and Display, But No Backlight - Bad Power Supply Board or Bad LED Bulbs ?
              by Tynan Dill
              I was given this TV from my great uncle. He said it just wouldn't turn on one day out of nowhere, replaced the TV, and gave it to me to possibly fix and use for myself.

              Upon bringing it home and plugging it up, it showed a standby light.

              I powered it on and without a flashlight, the display showed the "V" but the lighting is very dim, but visible.

              The screen seems to blackout and stay black, but with a flashlight I can see the display.

              With my Playstation 4 connected via HDMI, and running a game I can hear sound.

              Assuming...
              11-22-2024, 01:46 PM
            • PantherDave
              Microsoft Surface Pro (5th gen) model 1796 - no power
              by PantherDave
              Hi all!

              I'm trying to troubleshoot a Microsoft Surface Pro (5th gen) model 1796 that won't power on. Motherboard model is M1007506-015. My priority is retrieving data, but the SSD is integrated so it looks like if I can't repair it it'll need to go to a data recovery company. I've done a little basic board repair before, but nothing this advanced until now. So please forgive my ignorance in advance. 😅

              I found the boardview for this laptop in the forums here, and am able to open it on my PC with FlexBV.
              https://www.badcaps.net/forum/troubl...-hardware-devi...
              05-29-2024, 02:01 PM
            • GLISIT
              Asus Probook P5440UF-XB74 power issue
              by GLISIT
              Hi all,

              TL;DR - this laptop is driving me nuts with the oddball power-related behaviors. Appreciate any insight you can provide!


              I'm experiencing a power issue on an Asus Probook P5440UF-XB74. Although I've worked with electronics and computers for decades, this is my first attempt at getting into motherboard-level component troubleshooting. Any help the community can provide is greatly appreciated!

              A few weeks ago I was using the laptop (on battery power) for a Zoom meeting. The battery was running very low (long meeting) but I wasn't worried about...
              01-16-2025, 02:29 PM
            • sam_sam_sam
              Desoldering gun station modified to use a 18 volt @ 20 amp switching power supply
              by sam_sam_sam
              I have wanting to do this project for quite sometime now and I finally found a switching power supply that will work on this desoldering gun station ZD-915 that the original switching power supply took a shit and just was not worth trying to fix it because this switching power is not quite big enough to handle the heater element and the vacuum pump

              One note when I tested the switching power supply and the voltage control board I noticed that this desoldering gun heat up much faster than the original switching power supply which I was really surprised by to the point that I might buy...
              03-31-2024, 02:12 PM
            • Document Archive
              HP Pavilion Power Pavilion Power 15-cb009nl Notebook 15 Specification for Upgrade or Repair
              by Document Archive
              This specification for the HP Pavilion Power Pavilion Power 15-cb009nl Notebook can be useful for upgrading or repairing a laptop that is not working. As a community we are working through our specifications to add valuable data like the Pavilion Power 15-cb009nl boardview and Pavilion Power 15-cb009nl schematic. Our users have donated over 1 million documents which are being added to the site. This page will be updated soon with additional information. Alternatively you can request additional help from our users directly on the relevant badcaps forum. Please note that we offer no warranties that...
              09-06-2024, 05:59 AM
            • Loading...
            • No more items.
            Working...