Acer aspire one kav60 d250

Collapse
X
 
  • Time
  • Show
Clear All
new posts
  • drdyzio
    Senior Member
    • Apr 2014
    • 74
    • UK

    #1

    Acer aspire one kav60 d250

    So this netbook worked perfectly fine till one day it just died while charging an iphone.

    NO POWER LED
    CHARGER FINE
    POWER GOING TO BOARD
    DISASSEMBLED NO SIGNS EITHER

    GIVES A BUZZING SOUND NEAR HEAT SINK WHENEVER POWER IS ATTACHED.

    Now i know i could probably pick up board for 20 pounds but i want to get it working so i can practice reballing on it. its the only thing that i can use to build a profile. but i wont know if ive done a good job until i test it. and in order to test it, it has to work before.

    sorry for rambling

    hope someone might think of something or similar issues

    ive tried the 30 second thing. <=- Does RAM have to be in for this procedure to work?

    Cheers

    Thanks in advance for any help.

    love this forum
  • drdyzio
    Senior Member
    • Apr 2014
    • 74
    • UK

    #2
    Re: Acer aspire one kav60 d250

    ok so ive found a broken cap, here is a pics


    And A close up



    I know im a noob in this and stuff

    Thanks for any feedback

    Please gimme some hints.

    Im learning atm to study schematics, for the board and. my multimeter blew on me so when my new one comes in ill start testing again.

    anyway obviously bad cap could this be the problem for no POWER NO LED NO NOTHING except a buzzing sound. not loud faint.

    THanks

    Comment

    • drdyzio
      Senior Member
      • Apr 2014
      • 74
      • UK

      #3
      Re: Acer aspire one kav60 d250

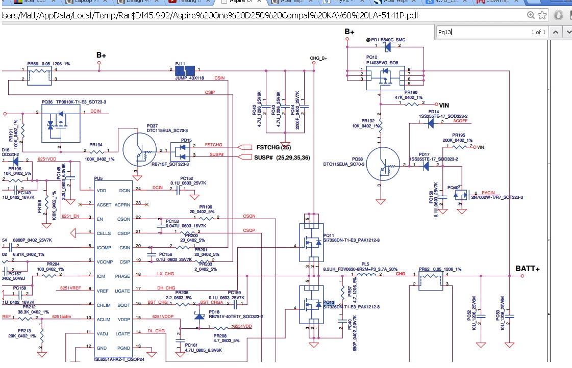
      Can someone please help me find a replacment for this cap in the schematics its 4.7U_1206_25V6K

      i think

      Comment

      • drdyzio
        Senior Member
        • Apr 2014
        • 74
        • UK

        #4
        Re: Acer aspire one kav60 d250

        here is the
        schem

        http://www25.zippyshare.com/v/7936844/file.html


        page 34 is what im looking at



        THanks
        Attached Files

        Comment

        • kotnatan
          Banned
          • Apr 2014
          • 181
          • Ukraine

          #5
          Re: Acer aspire one kav60 d250

          Look this
          Attached Files

          Comment

          • dellxps15
            Badcaps Legend
            • Feb 2014
            • 1598
            • italy

            #6
            Re: Acer aspire one kav60 d250

            edit: was looking wrong on the schematic.

            just get one on ebay. many seller have them.
            if you want to practice, better you get Kit of those things.
            Last edited by dellxps15; 04-26-2014, 02:30 PM.

            Comment

            • drdyzio
              Senior Member
              • Apr 2014
              • 74
              • UK

              #7
              Re: Acer aspire one kav60 d250

              Thanks thanks. good stuff

              About reading the diagrams
              4.7U 1206 25V6K <=- what do these numbers represent?

              thanks.

              Comment

              • drdyzio
                Senior Member
                • Apr 2014
                • 74
                • UK

                #8
                Re: Acer aspire one kav60 d250

                would one of these do?
                http://www.rf-microwave.com/eng/shop...apacitors.html

                1206 one? for replacement.

                Sorry if u guys sell them i couldnt find them.

                Thanks

                Comment

                • drdyzio
                  Senior Member
                  • Apr 2014
                  • 74
                  • UK

                  #9
                  Re: Acer aspire one kav60 d250

                  I am going to get back to this in a bit and give u guys an update.

                  Comment

                  • kotnatan
                    Banned
                    • Apr 2014
                    • 181
                    • Ukraine

                    #10
                    Re: Acer aspire one kav60 d250

                    4.7U = 4.7 mikroF
                    1206 = housing dimensions
                    25V6K = 25,6V - maximum U

                    Comment

                    • drdyzio
                      Senior Member
                      • Apr 2014
                      • 74
                      • UK

                      #11
                      Re: Acer aspire one kav60 d250

                      Thank you!

                      Comment

                      • drdyzio
                        Senior Member
                        • Apr 2014
                        • 74
                        • UK

                        #12
                        Re: Acer aspire one kav60 d250

                        how can damage such as this occur?

                        do you guys rekon it got knocked about while it was appart and broke. or just broke?

                        Thanks

                        Comment

                        • drdyzio
                          Senior Member
                          • Apr 2014
                          • 74
                          • UK

                          #13
                          Re: Acer aspire one kav60 d250

                          hey guys
                          what sort of replacment for this should i get i cant seem to find the right one.
                          Would this work
                          http://www.ebay.co.uk/itm/T1206R474K...item1e7896ba48
                          Thanks

                          Comment

                          • vinceroger69
                            Badcaps Legend
                            • Mar 2012
                            • 6714
                            • uk

                            #14
                            Re: Acer aspire one kav60 d250

                            http://cpc.farnell.com/multicomp/mcc...20This%20Range

                            Comment

                            • drdyzio
                              Senior Member
                              • Apr 2014
                              • 74
                              • UK

                              #15
                              Re: Acer aspire one kav60 d250

                              Sorted mate.

                              Thanks a lot found
                              http://uk.farnell.com/multicomp/mcca...206/dp/1759452
                              dont need to buy 100 of them lol

                              THANKS!

                              Comment

                              • vinceroger69
                                Badcaps Legend
                                • Mar 2012
                                • 6714
                                • uk

                                #16
                                Re: Acer aspire one kav60 d250

                                Originally posted by drdyzio
                                Sorted mate.

                                Thanks a lot found
                                http://uk.farnell.com/multicomp/mcca...206/dp/1759452
                                dont need to buy 100 of them lol

                                THANKS!
                                farnell have a minimum order for me £20.00 so i just use cpc as no minimum order costs or postage spares are always handy but not 99 i guess.

                                Comment

                                • drdyzio
                                  Senior Member
                                  • Apr 2014
                                  • 74
                                  • UK

                                  #17
                                  Re: Acer aspire one kav60 d250

                                  finally found same part no on ebay 10 units for 1.70 Pounds incl shipping

                                  Comment

                                  • vinceroger69
                                    Badcaps Legend
                                    • Mar 2012
                                    • 6714
                                    • uk

                                    #18
                                    Re: Acer aspire one kav60 d250

                                    thats not bad at all for a one off repair.

                                    Comment

                                    • drdyzio
                                      Senior Member
                                      • Apr 2014
                                      • 74
                                      • UK

                                      #19
                                      Re: Acer aspire one kav60 d250

                                      Hey guys, so I've received the caps, 10 of them, wandering. Because I'm a noob.
                                      Is there polarity on these suckers? Or just mount them either way?

                                      Thanks.

                                      Hope this fixes the problem. ill get all my equipment over the next 2-3 days including hot air station.

                                      If I fix this I will reball it for experience. purposes

                                      chips are well small on these.

                                      Good practice for ati chips as they are normally very small as well.

                                      Comment

                                      • Th3_uN1Qu3
                                        Believe in
                                        • Jul 2010
                                        • 6031
                                        • Romania

                                        #20
                                        Re: Acer aspire one kav60 d250

                                        Ceramic caps are not polarized. Any orientation will work. Polarized caps are always marked.
                                        Originally posted by PeteS in CA
                                        Remember that by the time consequences of a short-sighted decision are experienced, the idiot who made the bad decision may have already been promoted or moved on to a better job at another company.
                                        A working TV? How boring!

                                        Comment

                                        Related Topics

                                        Collapse

                                        • Document Archive
                                          ACER Aspire Aspire E560 Aspire E6400 Specification for Upgrade or Repair
                                          by Document Archive
                                          This specification for the ACER Aspire Aspire E560 can be useful for upgrading or repairing a desktop PC that is not working. As a community we are working through our specifications to add valuable data like the Aspire Aspire E560 boardview and Aspire Aspire E560 schematic. Our users have donated over 1 million documents which are being added to the site. This page will be updated soon with additional information. Alternatively you can request additional help from our users directly on the relevant badcaps forum. Please note that we offer no warranties that any specification, datasheet, or download...
                                          09-12-2024, 03:28 PM
                                        • Document Archive
                                          ACER Aspire Aspire E700 Aspire E6300 Specification for Upgrade or Repair
                                          by Document Archive
                                          This specification for the ACER Aspire Aspire E700 can be useful for upgrading or repairing a desktop PC that is not working. As a community we are working through our specifications to add valuable data like the Aspire Aspire E700 boardview and Aspire Aspire E700 schematic. Our users have donated over 1 million documents which are being added to the site. This page will be updated soon with additional information. Alternatively you can request additional help from our users directly on the relevant badcaps forum. Please note that we offer no warranties that any specification, datasheet, or download...
                                          09-12-2024, 02:30 PM
                                        • Document Archive
                                          ACER Aspire Aspire M7711 Aspire Q9300 Specification for Upgrade or Repair
                                          by Document Archive
                                          This specification for the ACER Aspire Aspire M7711 can be useful for upgrading or repairing a desktop PC that is not working. As a community we are working through our specifications to add valuable data like the Aspire Aspire M7711 boardview and Aspire Aspire M7711 schematic. Our users have donated over 1 million documents which are being added to the site. This page will be updated soon with additional information. Alternatively you can request additional help from our users directly on the relevant badcaps forum. Please note that we offer no warranties that any specification, datasheet, or...
                                          09-12-2024, 03:28 PM
                                        • Document Archive
                                          Acer Aspire Aspire 9920 G-933G64HN Specification for Upgrade or Repair
                                          by Document Archive
                                          This specification for the Acer Aspire Aspire 9920 G-933G64HN can be useful for upgrading or repairing a laptop that is not working. As a community we are working through our specifications to add valuable data like the Aspire 9920 G-933G64HN boardview and Aspire 9920 G-933G64HN schematic. Our users have donated over 1 million documents which are being added to the site. This page will be updated soon with additional information. Alternatively you can request additional help from our users directly on the relevant badcaps forum. Please note that we offer no warranties that any specification, datasheet,...
                                          09-06-2024, 05:27 AM
                                        • Document Archive
                                          ACER Aspire Aspire G7200 Predator Defender Aspire 9750 Specification for Upgrade or Repair
                                          by Document Archive
                                          This specification for the ACER Aspire Aspire G7200 Predator Defender can be useful for upgrading or repairing a desktop PC that is not working. As a community we are working through our specifications to add valuable data like the Aspire Aspire G7200 Predator Defender boardview and Aspire Aspire G7200 Predator Defender schematic. Our users have donated over 1 million documents which are being added to the site. This page will be updated soon with additional information. Alternatively you can request additional help from our users directly on the relevant badcaps forum. Please note that we offer...
                                          09-12-2024, 03:28 PM
                                        • Loading...
                                        • No more items.
                                        Working...