XPS 7390 no backlight LA-H931P

Collapse
X
 
  • Time
  • Show
Clear All
new posts
  • Blueskyfm
    Member
    • Nov 2023
    • 11
    • France

    #1

    XPS 7390 no backlight LA-H931P

    Hello everyone. I picked up an XPS 7390 with a backlight problem. I was thinking of repairing it on my own but despite the wiring diagram at my disposal, I can't do it. Everything else work properly (webcam, touch screen,...) I know by the old owner that the backlight work on a other motherboard. Can a kind soul help me? I've already replaced the F3 fuse, which was broken. I've also noticed that diodes D5 and D13 on pin 1 have a voltage of 3.3V.
    thank you in advance for your help
  • mon2
    Badcaps Legend
    • Dec 2019
    • 14662
    • Canada

    #2
    What is the voltage to ground on each side of the fuse (F3) ? This should be the boosted backlight voltage for the display.

    What is the voltage to ground of pin # 2 on U22 - measure it carefully with your meter.

    Pin 1 of the dual diode is at a good voltage to enable the backlight.

    Comment

    • Blueskyfm
      Member
      • Nov 2023
      • 11
      • France

      #3
      8,9V for eatch side of the fuse F3
      and 3,35V for the pin #2 on U22

      Comment

      • mon2
        Badcaps Legend
        • Dec 2019
        • 14662
        • Canada

        #4
        Measure the voltage at VIN pins # 3 & 4. U22 is a load switch = solid state switch / relay that is enabled using the EN pin. That is, VOUT = VIN so this component is doing its job. If the backlight is still failing, continue to review if this same VOUT voltage reaches the display connector. If it does, then the display should be swapped out with another known good display as the fault may be inside the display itself.

        reference (datasheet):

        AP22850 (diodes.com)

        Comment

        • Blueskyfm
          Member
          • Nov 2023
          • 11
          • France

          #5
          On eatch pins#3 and 4 I have a 7,6 voltage. I will try to measure the values directly on the port of the screen itself. I don’t if this information can help but in the bios I can see the battery is in poor health condition.

          Comment

          • mon2
            Badcaps Legend
            • Dec 2019
            • 14662
            • Canada

            #6
            Vout voltage must be close to Vin. Can you confirm this measurement again? Vout must reach the display.

            Comment

            • Blueskyfm
              Member
              • Nov 2023
              • 11
              • France

              #7
              It was my fault i made a measure without the usb C cable plug.
              now I found:
              pin #2: 3,35v
              pin# 3: 8,80v
              pin# 4: 8,80v
              fuse: 8,80v
              on the Jcam1 socket I don’t find any voltage. I don’t understand why and if I need all the lcd cable plug on the motherboard to have a voltage. In the attachment I put the jcam1 picture

              Comment

              • mon2
                Badcaps Legend
                • Dec 2019
                • 14662
                • Canada

                #8
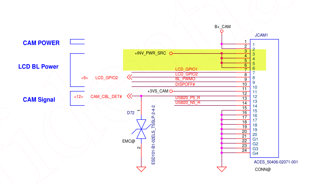
                Remove all power. Meter in resistance mode. Confirm the positions of pins 3-6 on the JCAM1 socket. Each pin should be shorted together so the resistance should be ~0 ohms (ie. meter on pin #3; next meter lead on pin #4 - should be 0 ohms since it is a short on the PCB). This is the backlight voltage from the load switch.

                See attached partial schematic.
                Attached Files

                Comment

                • mon2
                  Badcaps Legend
                  • Dec 2019
                  • 14662
                  • Canada

                  #9
                  With no power, meter in resistance mode, check the resistance from the jcam1 pins 3-6 to Vout on the same load switch ic. This is to confirm there is no trace break from the Vout pin to power the display's backlight. That is, in the end, if the voltage is present at Vout then the same voltage should reach the pins on jcam1 connector. The display is not required yet since we know the load switch is having the voltage at Vout pins.

                  Comment

                  • Blueskyfm
                    Member
                    • Nov 2023
                    • 11
                    • France

                    #10
                    Ok for the first test I have 0 ohms like you say. Interesting think I found the fuse F3 is blow again. I changed it again and now I have 8,80v on the JCAM1 but no change on the lcd. I think the lcd have a trouble

                    Comment

                    • Blueskyfm
                      Member
                      • Nov 2023
                      • 11
                      • France

                      #11
                      Hello i finaly found out. Thank you for the help.
                      The First trouble was the Fuse no doubt about it, and the second trouble was the lcd itself the flex pcb is totaly dead.
                      Best regard

                      Comment

                      Related Topics

                      Collapse

                      Working...