A1466 820-000165-A with low PP3v42

Collapse
X
 
  • Time
  • Show
Clear All
new posts
  • bridges_4u
    Senior Member
    • Feb 2014
    • 128
    • india

    #1

    A1466 820-000165-A with low PP3v42

    Hi,

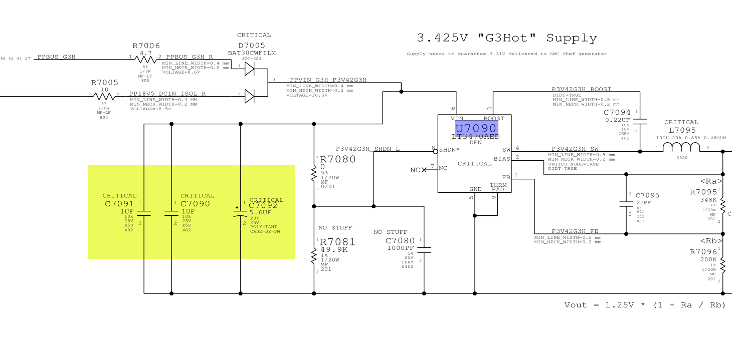
    I have got an 820-000165-A motherboard which has got a strange problem. I have 14.32 V at R7005. But when i check pin2 of D7005, it says 0.9V. The diode is OK. Tried changing U7090 too. Any clues?
  • mon2
    Badcaps Legend
    • Dec 2019
    • 14666
    • Canada

    #2
    Re: A1466 820-000165-A with low PP3v42

    Remove all power. Meter in resistance mode.

    Check the resistance across R7005. Is it ~10 ohms and stable?

    Sounds like R7005 is defective or power path is broken.
    Attached Files

    Comment

    • bridges_4u
      Senior Member
      • Feb 2014
      • 128
      • india

      #3
      Re: A1466 820-000165-A with low PP3v42

      Hi mon2,

      I am happy that I got to talk to you again. I have continuity between pin 2 of D7005 and R7005. Yep. The value of R7005 is 10 Ohms.

      Comment

      • mon2
        Badcaps Legend
        • Dec 2019
        • 14666
        • Canada

        #4
        Re: A1466 820-000165-A with low PP3v42

        Remove d7005. Measure the voltage again at pcb pad #2 of the removed d7005 diode.

        Comment

        • bridges_4u
          Senior Member
          • Feb 2014
          • 128
          • india

          #5
          Re: A1466 820-000165-A with low PP3v42

          It is 0.9V.

          Comment

          • mon2
            Badcaps Legend
            • Dec 2019
            • 14666
            • Canada

            #6
            Re: A1466 820-000165-A with low PP3v42

            R7005 is defective. Replace it and then check the voltage to ground again at pin #2 of the D7005 PCB pad.

            Do not solder back D7005 till this voltage returns to be the same as the voltage into R7005.

            Comment

            • bridges_4u
              Senior Member
              • Feb 2014
              • 128
              • india

              #7
              Re: A1466 820-000165-A with low PP3v42

              Hi mon2,

              I replaced R7005. Now I get 14.2v at D7005. But when I check L7095 it shows only 0.160v instead of 3.425v. There is no short on ground at either side of L7095. On pin2 of U7090 i get 0.160v. I replaced u7090 twice, same results.

              Comment

              • mon2
                Badcaps Legend
                • Dec 2019
                • 14666
                • Canada

                #8
                Re: A1466 820-000165-A with low PP3v42

                The fault is (common) and at the input side of U7090. Very likely you have a shorted capacitor which killed the diode / R7005 network.

                1) Check the voltage at the input of this regulator (Pin # 6) of U7090.

                2) Remove all power -> meter in resistance mode -> check the resistance to ground of pin #6 on U7090.

                Likely the input bulk cap is defective and causing a short circuit. Review the input caps.

                Remove each till the short is gone.
                Attached Files

                Comment

                • bridges_4u
                  Senior Member
                  • Feb 2014
                  • 128
                  • india

                  #9
                  Re: A1466 820-000165-A with low PP3v42

                  Hi mon2,

                  Sure. Will do. Moreover, I had voltage fluctuating at L7095 before this occurred. Can u suggest as to why that could have happened.

                  Comment

                  • bridges_4u
                    Senior Member
                    • Feb 2014
                    • 128
                    • india

                    #10
                    Re: A1466 820-000165-A with low PP3v42

                    Hi mon2,

                    When i try to check the resistance to gnd on pin6 of U7090, it is jumping all over the place. It initially shows Mohms, moves down to KOhms, and then Ohms. Then cycles all the way back. Would that be due to the shorted caps?

                    Comment

                    • mon2
                      Badcaps Legend
                      • Dec 2019
                      • 14666
                      • Canada

                      #11
                      Re: A1466 820-000165-A with low PP3v42

                      Yes.

                      Remove each of the 3 caps and confirm that the resistance is stable. Someone is shorted inside this group of parts.

                      Comment

                      • bridges_4u
                        Senior Member
                        • Feb 2014
                        • 128
                        • india

                        #12
                        Re: A1466 820-000165-A with low PP3v42

                        Hi mon2,

                        After all the caps, when checking the resistance to gnd, it is fluctuating between kOhms and Mohms steadily. Once i put in only C7090, it fluctuates between all the way like before.

                        Comment

                        • mon2
                          Badcaps Legend
                          • Dec 2019
                          • 14666
                          • Canada

                          #13
                          Re: A1466 820-000165-A with low PP3v42

                          Ok so C7090 is the bad boy in the picture. It is defective. Locate a replacement.

                          Then proceed to measure the voltage to ground of this input side WITHOUT the defective C7090. Once this rail returns to a normal value which should be ~adapter voltage, the output of this regulator should be the expected value.

                          Confirm it and update this thread.

                          Comment

                          • bridges_4u
                            Senior Member
                            • Feb 2014
                            • 128
                            • india

                            #14
                            Re: A1466 820-000165-A with low PP3v42

                            Hi mon2,

                            Just to add to this pile, if I insert only C7092, then the same scenario when C7090 was inserted happens. Does it mean that C7092 is also kaput.? What can you advise about the KOhm - Mohm fluctuations without the 3 caps?

                            Comment

                            • mon2
                              Badcaps Legend
                              • Dec 2019
                              • 14666
                              • Canada

                              #15
                              Re: A1466 820-000165-A with low PP3v42

                              Kohms and higher is ok. The input side should not be hundreds of ohms or lower. If a cap brings down the line, skip using it.

                              The capacitance value of the cap is not critical but is required. The voltage rating is very important. Should be 20v or higher to be safe.

                              Comment

                              • bridges_4u
                                Senior Member
                                • Feb 2014
                                • 128
                                • india

                                #16
                                Re: A1466 820-000165-A with low PP3v42

                                Hi mon2,

                                Just a quickie. If C7090 is defective, shouldn't it show continuity when checked with a multimeter. In this case, it does not.

                                Comment

                                • mon2
                                  Badcaps Legend
                                  • Dec 2019
                                  • 14666
                                  • Canada

                                  #17
                                  Re: A1466 820-000165-A with low PP3v42

                                  a defective cap can also be of a low resistance but not fully shorted. If the resistance is low enough, the diode will be unable to support the load and the Vin voltage will sink. If the voltage sinks, the output will as well.

                                  Comment

                                  • bridges_4u
                                    Senior Member
                                    • Feb 2014
                                    • 128
                                    • india

                                    #18
                                    Re: A1466 820-000165-A with low PP3v42

                                    Hi mon2,

                                    I removed C7090 and inserted C7092. Now if i check resistance to gnd on that line, I could see resistance slowly building up in the KOhms and growing higher which leads me to believe that C7090 & C7091 are the culprits. What do you say?

                                    Comment

                                    • mon2
                                      Badcaps Legend
                                      • Dec 2019
                                      • 14666
                                      • Canada

                                      #19
                                      Re: A1466 820-000165-A with low PP3v42

                                      Yes, it is possible. Power it up to see if the Vin remains high.

                                      Comment

                                      • bridges_4u
                                        Senior Member
                                        • Feb 2014
                                        • 128
                                        • india

                                        #20
                                        Re: A1466 820-000165-A with low PP3v42

                                        Hi mon2,

                                        Just to be on the same page. Would you like to power it up without C7090 & C7091.

                                        Comment

                                        Related Topics

                                        Collapse

                                        • psdavid65
                                          A1466 820-3437-B Bios Problem
                                          by psdavid65
                                          I received a 2013 Macbook Air A1466 A1466 820-3437-B motherboard WITHOUT a bios chip. I got a new bios chip and reprogrammed it. Macbook now powers on but doesn't boot the SSD. I've flashed a ton of bios but still same problem. Windows installation works with this Macbook but never a mac installation. Unfortunately, since I didn't receive this macbook with a bios chip, I don't have the original bios. What can I do now?
                                          06-18-2024, 05:26 AM
                                        • dimis1975
                                          Macbook A1466 2014 not charging with macsafe 2 charger
                                          by dimis1975
                                          I have a macboook air a1466 that stopped charging the battery.

                                          BAT PINS: with or without ADAPTER IN
                                          1- GND
                                          2- GND
                                          3- GND
                                          4-0V sense pin
                                          5-3.42V
                                          6-3.42V
                                          7- 8.4V
                                          8- 8.4V
                                          9- 8.4V

                                          AC Adapter plugged in: after a lot of of hours some times start charging
                                          No BAT Connected- Green to Orange
                                          AC Adapter plugged in: BAT Connected- no light
                                          The strange thing, when I tried a mac charger usb-c with usb-c to macsafe 2 adapter works normally and charging.
                                          Any ideas what’s wrong please?...
                                          08-05-2025, 03:43 AM
                                        • Sergio Kub
                                          MAcbook Air A1466 EMC 3178 - 2017 Boot
                                          by Sergio Kub
                                          Could someone help me?
                                          I have a Macbook Air A1466 EMC 3178 - 2017, board 820-00165 and sometimes the boot interrupts with an image of a folder and a question mark.
                                          Could it be the BIOS?
                                          07-08-2025, 04:41 PM
                                        • Sergio Kub
                                          Macbook Air A1466 EMC 3178 - 2017 Boot
                                          by Sergio Kub
                                          Could someone help me?
                                          I have a Macbook Air A1466 EMC 3178 - 2017, board 820-00165 and sometimes the boot interrupts with an image of a folder and a question mark.
                                          Could it be the BIOS?
                                          07-08-2025, 04:12 PM
                                        • dbuergi
                                          Need assistance for reballing / replacing i5 CPU on a Macbook A1466
                                          by dbuergi
                                          Hi all,

                                          i have some A1466 logicboards for gaining soldering and electronic experience. One board has a dead CPU and since i have several spares i want to change it. Unsoldering it was no problem but heat from the top showed that the CPU bent. I think too much heat was the problem.
                                          So for unsoldering my spare parts and soldering back i would ask for some advises.
                                          On most youtube videos you don't get any temperatures. Only helpfull video was one where the heat came from the bottom.
                                          I have a small USB heating plate and a Atten ST-862D with several nozles.
                                          06-27-2025, 02:59 AM
                                        • Loading...
                                        • No more items.
                                        Working...