iMac A1418 820-00431 no power, LED 1 only lit

Collapse
X
 
  • Time
  • Show
Clear All
new posts
  • twonk9098
    Senior Member
    • Aug 2018
    • 75
    • United Kingdom

    #1

    iMac A1418 820-00431 no power, LED 1 only lit

    Hi All,

    I have the above board with only the first LED lit. apart from that no signs of power at all.
    I have tried another powersupply to no avail.
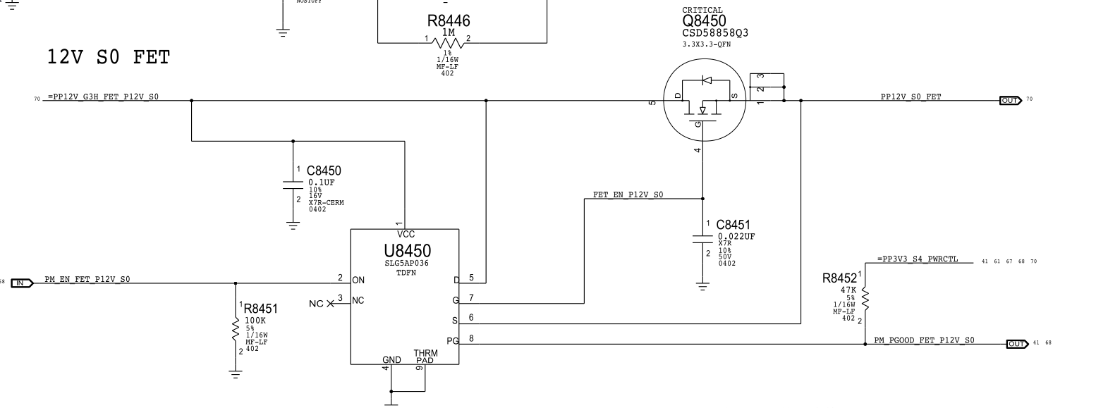
    Upon inspection at U8450 I get the following

    PP12V_G3H_FET_P12V_S0 - 12v
    PM_EN_FET_P12V_S0 - 3.3v
    FET_EN_P12V_S0 - 0v
    PM_PGOOD_FET_P12V_S0 - 0v
    PP12V_S0_FET - 0v.

    Looking at the schematic I cannot see how PM_EN_FET_P12V_S0 is created, prosuming this is supposed to be a 12v line? I can see it's created by U8500 / U8510 however I cannot see why it would produce 12v over 3.3v

    Can anyone shed any light on this for me please?

    Thank you
  • mon2
    Badcaps Legend
    • Dec 2019
    • 14662
    • Canada

    #2
    Re: iMac A1418 820-00431 no power, LED 1 only lit

    Hi.

    1) PM_EN_FET_P12V_S0 is a logic level enable pin that is created by the gate @ U8510. Review the Vcc rail of U8510 (pin # 5) = 3v3 so this will result in a max swing of 3v3 (perfect world with little /low load) at the output of this gate.

    2) PM_EN_FET_P12V_S0 is used to enable a downstream LOAD SWITCH @ U8450.

    3) U8510 is a 2-input AND gate so for the output to be a '1' (3v3) then BOTH inputs to this logic gate must be '1' (3v3). Confirm the voltage at the inputs of this and-gate to determine why the output is '0' (0 volts).

    4) In repairing a recent iMAC 5k (without schematics) -> remove all power -> meter in resistance mode -> check the resistance to ground of each inductor / coil on the logic board. You most likely have a shorted cap (tantalums are crap and often the root cause) -> when the tantalum cap ages, it acts like a short and causes a higher current draw. The power supply (linked to the same inductor) senses the high(er) current draw and shuts down -> the cycle repeats till the cap is removed or replaced.
    Last edited by mon2; 10-09-2022, 10:27 AM.

    Comment

    • twonk9098
      Senior Member
      • Aug 2018
      • 75
      • United Kingdom

      #3
      Re: iMac A1418 820-00431 no power, LED 1 only lit

      Thanks for your reply mon2.

      I get 3.3v on PM_EN_FET_P12V_S0 however just by the name of the rail I presumed it should be 12v?

      If this rail at (PM_EN_FET_P12V_S0) 3.3v is ok and I'm getting 12v on PP12V_G3H_FET_P12V_S0 then I would have thought I would get an output on FET_EN_P12V_S0 which in turn is the gate for Q8450.
      Q8450 is not functioning.

      Have I misunderstood you?

      Thank you

      Comment

      • mon2
        Badcaps Legend
        • Dec 2019
        • 14662
        • Canada

        #4
        Re: iMac A1418 820-00431 no power, LED 1 only lit

        Some chatter here about the same (use Google translate):

        https://www.informaticanapoli.it/pro...im-a1418-2015/

        Measure the voltages of each pin of Q8450:

        source (1-2-3)
        gate (4)
        drani (5-6-7-8)


        If the enable pin is '1' yet the gate voltage is not correct for Q8450 then the mosfet driver @ U8450 may be defective (Silego).
        Attached Files

        Comment

        • twonk9098
          Senior Member
          • Aug 2018
          • 75
          • United Kingdom

          #5
          Re: iMac A1418 820-00431 no power, LED 1 only lit

          Mon2, what an excellent reply. Thank you.

          I do believe U8450 is the failure point as I have the source. Unfortunately when I search for a SLG5AP036 (U8450) I cannot find anything, eBay, Aliexpress or just a general Google search. Nobody appears to sell the fet nor is there any data sheets available.
          I can buy a board of eBay for £50 but that is a working board not a doner.

          Think I'm in catch 22, would have liked to have fixed this board rather than replace it.

          Many thanks for your replies and help though, this website with the help of you guys is amazing.

          Thank you

          Comment

          • mon2
            Badcaps Legend
            • Dec 2019
            • 14662
            • Canada

            #6
            Re: iMac A1418 820-00431 no power, LED 1 only lit

            https://world.taobao.com/item/wap/623272201337.htm

            As a suggestion, consider to purchase a few of this part and the mating mosfet.

            The part is available on Tabao but if more convenient, contact Hong Ming on AliExpress with your request. They should be able to find them for you. Likely they will run across the high tech mall in Shenzhen to buy them on your behalf. Pricing may vary but still cheaper than purchasing a donor board.

            Update - attaching a datasheet from Silego - appears to be the same part with same form and function. As a backup plan, consider to buy these on the market.

            https://www.digikey.ca/en/products/d...00010V/7562830

            https://www.mouser.ca/ProductDetail/...PlczZc8Q%3D%3D

            https://www.renesas.com/us/en/docume...et?language=en
            * Silego was purchased by Dialog and Dialog was purchased by Renesas

            Looks like you can buy this part from Digikey or Mouser at a very fair price without long delays from Aliexpress.

            Do update this thread for future readers.
            Attached Files
            Last edited by mon2; 10-10-2022, 01:06 PM.

            Comment

            • twonk9098
              Senior Member
              • Aug 2018
              • 75
              • United Kingdom

              #7
              Re: iMac A1418 820-00431 no power, LED 1 only lit

              Mon2,

              The only thing missing from this thread now is for you to come and solder it for met. (I am kidding)

              Thank you so much for your help, I have no idea how you found a supply chain or even a datasheet. I'm usually quite good scouring the internet :-)

              Again, many thanks.

              Comment

              • mon2
                Badcaps Legend
                • Dec 2019
                • 14662
                • Canada

                #8
                Re: iMac A1418 820-00431 no power, LED 1 only lit

                LOL. It is my extensive google-fu training by watching Bolo Yeung and Van Damme films.

                Can you confirm the output voltage (pin #7) of this mosfet driver IC (Silego) for the mosfet?

                What voltage are you measuring when pin #2 of U8450 is '1' (3v3)?

                If the voltage is too low to enable the mosfet, do the following:

                1) remove all power
                2) meter in resistance mode
                3) check the resistance to ground of Q8450, pin #4. What is the resistance?

                If the resistance is too low then remove the capacitor (C8451) on pin #4 of Q8450 to rule it out as a possible short.

                Summary: Silego part is supposed to boost the input voltage to drive the n-channel gate voltage to enable the rail. If the voltage is too low then this driver IC may be defective or some other condition is pulling this line low.

                Do consider to also replace the mosfet as a precaution but you can check if the mosfet is defective by checking the resistance across its pins.

                source (1-2-3) & drain (5-6-7-8)
                source (1-2-3) & gate (4)
                gate (4) & drain (5-6-7-8)


                If any of these readings is low (should be a few hundred Kohms as normal) then replace the mosfet as well.
                Attached Files

                Comment

                • twonk9098
                  Senior Member
                  • Aug 2018
                  • 75
                  • United Kingdom

                  #9
                  Re: iMac A1418 820-00431 no power, LED 1 only lit

                  The output voltage on pin 7 is relatively 0v.
                  Pin 2 is 3.3v.
                  In diode mode on my meter, I don't get any shorts, I cannot relay the exact measurements at this time but can assure they are all above 0.3+ I think maybe 0.5+.
                  I will measure these tomorrow to be accurate though.

                  From what I can see, due to having the source albeit 12v and 3.3v I should get a voltage on the gate which I don't.

                  I will update this thread tomorrow and again when the fet's arrive and I've fitted.

                  Many thanks

                  Comment

                  • amigo744
                    Member
                    • Oct 2016
                    • 21
                    • Germany

                    #10
                    Re: iMac A1418 820-00431 no power, LED 1 only lit

                    bn

                    Comment

                    Related Topics

                    Collapse

                    Working...