iMac A1312 Mid2011 820-2828A microphone not working

Collapse
X
 
  • Time
  • Show
Clear All
new posts
  • ex250
    Senior Member
    • Jun 2019
    • 97
    • Spain

    #1

    iMac A1312 Mid2011 820-2828A microphone not working

    Hi guys,

    I have this iMac with that fault, the integrated microphone is not detected, and also plugged an external one and same.

    Tried the "pram" reset procedure several times without any change, no noise is detected.

    I thought someone would connect a line jack on the past to the microphone jack and some protection diode was deployed, maybe a DZ6600 or similar.

    The other audio capabilities are ok, only the mic is not detected.

    On the BRD file and on the service manual there are some differences on the presence of some diodes (varistors?) and condensors on that line on the manual that are changed on the BRD file, that confused me, maybe different revisions on the board.

    Checked for shorts or broken lines to the audio chip and seems all is ok on the mic lines to the pins on the audio chip.

    Any one could point me to a correct way? Thanks!!
    Attached Files
  • mon2
    Badcaps Legend
    • Dec 2019
    • 14659
    • Canada

    #2
    Re: iMac A1312 Mid2011 820-2828A microphone not working

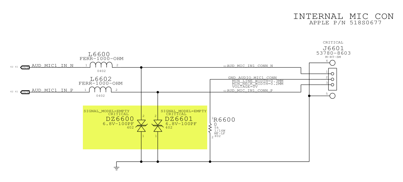
    Do you see the protection diodes on your logic board ?

    Remove all power -> check the resistance to ground at the points in the attached with the yellow arrows.

    You can check with meter on:

    pin #1 and # 2 (Ground) of J6601 -> what is the resistance ?

    pin #3 and # 2 (Ground) of J6601 -> what is the resistance ?


    Confirm that L6600 & L6602 are present and not defective onboard.
    Attached Files

    Comment

    • ex250
      Senior Member
      • Jun 2019
      • 97
      • Spain

      #3
      Re: iMac A1312 Mid2011 820-2828A microphone not working

      Hello, thanks for help me (again)

      J6601: pin#1 and #2 -->3,31K
      J6601: pin#3 and #2 -->22,30K

      The values are about the same of other imac boards with similar sound chip

      same values at the pin 1 and 2 of each L6600 (3.31K) and L6602 (22.30K), functional coils.

      Comment

      • mon2
        Badcaps Legend
        • Dec 2019
        • 14659
        • Canada

        #4
        Re: iMac A1312 Mid2011 820-2828A microphone not working

        Check the voltage of the same pins # 1 and # 3 on J6601.

        Comment

        • ex250
          Senior Member
          • Jun 2019
          • 97
          • Spain

          #5
          Re: iMac A1312 Mid2011 820-2828A microphone not working

          0.000v readings on each one.

          Comment

          • mon2
            Badcaps Legend
            • Dec 2019
            • 14659
            • Canada

            #6
            Re: iMac A1312 Mid2011 820-2828A microphone not working

            Remove all power. Meter in lowest resistance scale.

            Check the resistance from the pin on the connector and to the one side of the inductor on this trace. It should be ~0 ohms.

            Then check after the same inductor. We want to confirm that each series inductor is not damaged so the readings should be ~0 ohms for each test.

            Repeat for the 2nd series inductor and pin on the connector.

            Comment

            • ex250
              Senior Member
              • Jun 2019
              • 97
              • Spain

              #7
              Re: iMac A1312 Mid2011 820-2828A microphone not working

              J6601: pin#1 to L6600 pin#2 --> 0,008ohm
              J6601: pin#3 to L6602 pin#2 --> 0,008ohm

              Comment

              • ex250
                Senior Member
                • Jun 2019
                • 97
                • Spain

                #8
                Re: iMac A1312 Mid2011 820-2828A microphone not working

                The pin#1 readings on the L6600 and L6602 are 0,003-4ohms, so I think the inductors are OK

                Comment

                • mon2
                  Badcaps Legend
                  • Dec 2019
                  • 14659
                  • Canada

                  #9
                  Re: iMac A1312 Mid2011 820-2828A microphone not working

                  Yes. Confirm it is not a software setting fault but otherwise, focus on the audio codec although the amp is working ?

                  Comment

                  • ex250
                    Senior Member
                    • Jun 2019
                    • 97
                    • Spain

                    #10
                    Re: iMac A1312 Mid2011 820-2828A microphone not working

                    Just done 3 different installations of the mac OS, different versions, tried all the resetting ways, PRAM, etc...

                    So discarded the software failure, the speakers are working ok.

                    I was comparing with a similar board, same scheme for the headphones, there is a slight deviation on readings for one channel, and the capacitance of C6796 not offers any result on the meter, on the other board there is a reading of 205nf, I know the readings on board are not just the component ones, but this capacitor offers none, could be suspicious?

                    With meter on diode mode the readings are OK for it; 1,961 on P1 and 0,75 on P2.
                    Omhs reading not, on the functional board, P1 shows 3,304K and P2 4,464 MOhms, on the failed P1 3.31k (about same) but P2 3,94Mohms.

                    This deviation on readings occur also in other capacitors and resistors, but this one, is the only one that not give a capacitance value.

                    I plan to remove it to see what happens on readings.
                    Attached Files

                    Comment

                    • ex250
                      Senior Member
                      • Jun 2019
                      • 97
                      • Spain

                      #11
                      Re: iMac A1312 Mid2011 820-2828A microphone not working

                      Removed 4 capacitors, C6750, C6751, C6795, C6796 and the readings off the board are ok, failure not here, totally lost now.

                      Comment

                      • ex250
                        Senior Member
                        • Jun 2019
                        • 97
                        • Spain

                        #12
                        Re: iMac A1312 Mid2011 820-2828A microphone not working

                        I was thinking if there is a problem at the remote audio connector J6600,

                        The schematic shows some combination of capacitors and varistors, but on brd file are all varistors.
                        Attached Files

                        Comment

                        • ex250
                          Senior Member
                          • Jun 2019
                          • 97
                          • Spain

                          #13
                          Re: iMac A1312 Mid2011 820-2828A microphone not working

                          Changed the codec chip, but still no 3,3v on the J6601, there should be some thing that it's avoiding it

                          Comment

                          • mon2
                            Badcaps Legend
                            • Dec 2019
                            • 14659
                            • Canada

                            #14
                            Re: iMac A1312 Mid2011 820-2828A microphone not working

                            The varistors are actually ESD diodes to maintain the voltage on that rail remains below the threshold of each diode.

                            With the replacement CODEC, are you still able to play audio, etc. through this component?

                            Comment

                            • ex250
                              Senior Member
                              • Jun 2019
                              • 97
                              • Spain

                              #15
                              Re: iMac A1312 Mid2011 820-2828A microphone not working

                              Hi there, a quick update, I'm stupid, well it's not a proper update, just a fact XD

                              If someone finds the same behavior, after try with another board and the problem was still there, just change the internal mic for other, I soldered other from a spare laptop and worked without any problem.

                              The mysterious was the fact all the external mics didn't work, until some day tested a mono one, of that kind used to listen guitars sound, that one is detected...
                              Last edited by ex250; 11-09-2022, 07:53 AM.

                              Comment

                              Related Topics

                              Collapse

                              Working...