Dell T5810 bios mods, motherboard mods, schematic help

Collapse
X
 
  • Time
  • Show
Clear All
new posts
  • frankr2994
    New Member
    • Feb 2022
    • 9
    • USA

    #1

    Dell T5810 bios mods, motherboard mods, schematic help

    Hello all. Hoping this is the right section to post and I have 3 questions that any one of them answered should fix me up. So I have a Dell precision T5810 with an E5-1650v3 cpu. I've been overclocking it using throttle stop. I'm at my TDP limit of 140 watts and I can't get past it. Where I'm at right now is in order from best solution to worst.
    1 I need an unlocked bios. I have all the ami bios tools and a spi programmer. I've tried modding it and a couple of people from bios mods and win raid tried modding. I can't get any other menus to show up. If someone can successfully mod my bios either graphically or just change the "hidden" settings that would be awesome.
    2 I need to modify the current sense circuit for the vrm. I'd like to cut the reported current in half. I have the board out, a couple fluke multi meters and soldering tools. If anyone has info on doing this I have the schematics for the vrm controller and the MOSFETs. I just cannot identify how it is sensing current.
    3 if anyone just has access to schematics for this board I'll stare at them until I figure it out.
    Other than that if anyone is concerned. I've done cooling mods to the cpu and vrm. Cpu power is off of 2 18amp psu rails and uses a 10 pin eps plug. Vrm is 6 phase with MOSFETs rated at 45amp each. The least rated part of this that I know of would be the 4 caps feeding the vrm rated at 65 watts each. So total max current through the caps is 260 watts. I can't go past 140 right now and I think 200 is all the more I'd want/need.
    Any help would be greatly appreciated.
  • frankr2994
    New Member
    • Feb 2022
    • 9
    • USA

    #2
    Re: Dell T5810 bios mods, motherboard mods, schematic help

    Could someone help me identify exactly what resistor this is. I can measure with a caliper if needed. I believe the markings indicate 2.2 ohms. My meter reads 2.4 but also varies .1 to .2 when touching the leads together.
    Attached Files

    if you find these attachements useful please consider making a small donation to the site

    Comment

    • frankr2994
      New Member
      • Feb 2022
      • 9
      • USA

      #3
      Re: Dell T5810 bios mods, motherboard mods, schematic help

      Have to quit for the night but I found another pwm controller.on the board a ncp6133. Here is a quote from the data sheet. I think the resistor I pictured above which there are 6 of are feeding it. Here's the quote.
      Code:
      Total Current Sense Amplifier
      The NCP6133 uses a patented approach to sum the phase
      currents into a single temperature compensated total current
      signal. This signal is then used to generate the output voltage
      droop, total current limit, and the output current monitoring
      functions. The total current signal is floating with respect to
      CSREF. The current signal is the difference between
      CSCOMP and CSREF. The Ref(n) resistors sum the signals
      from the output side of the inductors to create a low
      impedance virtual ground. The amplifier actively filters and
      gains up the voltage applied across the inductors to recover
      the voltage drop across the inductor series resistance (DCR).
      Rth is placed near an inductor to sense the temperature of the
      inductor. This allows the filter time constant and gain to be
      a function of the Rth NTC resistor and compensate for the
      change in the DCR with temperature.
      Figure 8. 
      -
      +
      CSN1
      CSN2
      CSN3
      SWN1
      SWN2
      SWN3
      Rref1
      Rref2
      Rref3
      10
      10
      10
      Rph1
      Rph2
      Rph3
      Cref
      1n
      CSREF CSCOMP CSSUM
      Ccs1
      Ccs2
      Rcs2 Rcs1
      82.5 k 35.7 k
      Rth
      100 k
      The DC gain equation for the current sensing:
      VCSCOMP−CSREF -
       −
      Rcs2 Rcs1*Rth
      Rcs1Rth
      Rph * IoutTotal * DCR
      (eq. 2)
      Set the gain by adjusting the value of the Rph resistors.
      The DC gain should set to the output voltage droop. If the
      voltage from CSCOMP to CSREF is less than 100 mV at
      ICCMAX then it is recommended to increase the gain of the
      CSCOMP amp and add a resister divider to the Droop pin
      filter. This is required to provide a good current signal to
      offset voltage ratio for the ILIMIT pin. When no droop is
      needed, the gain of the amplifier should be set to provide
      ~100 mV across the current limit programming resistor at
      full load. The values of Rcs1 and Rcs2 are set based on the
      100k NTC and the temperature effect of the inductor and
      should not need to be changed. The NTC should be placed
      near the closest inductor. The output voltage droop should
      be set with the droop filter divider.
      The pole frequency in the CSCOMP filter should be set
      equal to the zero from the output inductor. This allows the
      circuit to recover the inductor DCR voltage drop current
      signal. Ccs1 and Ccs2 are in parallel to allow for fine tuning
      of the time constant using commonly available values. It is
      best to fine tune this filter during transient testing.
      FZ -
       DCR @ 25° C
      2 * PI * LPhase
      (eq. 3)
      FP -
       1
      2 * PI * Rcs2 Rcs1*Rth@25° C
      Rcs1Rth@25° C
       * (Ccs1 Ccs2)
      (eq. 4)
      Last edited by SMDFlea; 02-27-2022, 05:26 AM.

      Comment

      • frankr2994
        New Member
        • Feb 2022
        • 9
        • USA

        #4
        Re: Dell T5810 bios mods, motherboard mods, schematic help

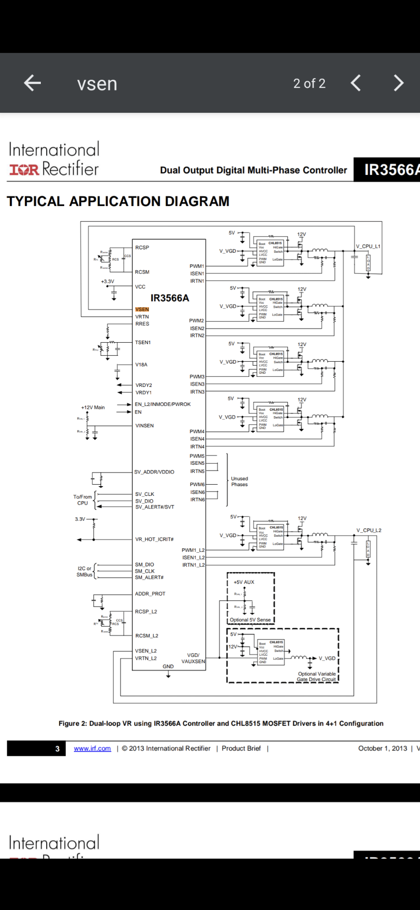
        Could someone please explain a little about the vsen and vrtn pins 5 and 6 on this schematic?
        Attached Files

        if you find these attachements useful please consider making a small donation to the site

        Comment

        • frankr2994
          New Member
          • Feb 2022
          • 9
          • USA

          #5
          Re: Dell T5810 bios mods, motherboard mods, schematic help

          Well if anyone cares I'm going to but some 2.2 resistors and solder them on. Don't have much to go on other than a guess lol. I contacted infenion who makes the vrm controller and MOSFETs for my board and they told me they can't assume what the current sense is on my board and from an inside source the Dell schematic is nda. I've given up trying to meter out guess work so I'm just going with my gut. If I get the board it's 45 bucks. I'm going to stick a cpu on it that I don't want to use Incase I cook that too along with a GPU I don't need a psu I don't need and 1 stick of ram. It could basically catch fire and I won't be out much lol.

          Comment

          Related Topics

          Collapse

          • macabook
            🛠️ MSI GP75 Leopard MS-17E71 – No Display, Deep BIOS/EC Troubleshooting
            by macabook
            Hello everyone,

            I’m currently working on a dead MSI GP75 Leopard (MS-17E71) motherboard (i7 CPU, NVIDIA GPU) with a no display/no backlight issue initially. After extensive investigation, I’m at a critical stage involving EC firmware, BIOS/ME region interaction, and possible deep corruption. I'm seeking advanced insight from anyone with experience in EC/BIOS sync issues or PCH-level behavior. Here’s a full breakdown:
            🧩 Initial Issue
            • Board powers on (fans spin, keyboard lights up and can be adjusted, caps lock led lights), but no display or backlight
            • External display (HDMI) shows
            ...
            07-24-2025, 02:17 PM
          • pirati
            ASUS Zenbook Pro Duo UX8402ZA BIOS
            by pirati
            Hello everyone,

            I recently bought a non-working Asus Zenbook Pro Duo OLED UX8402ZA that was listed for parts only. The seller mentioned that it had no display output but that the charging lights worked.

            When the laptop arrived (without a charger and SSD), I connected a charger and confirmed with a multimeter that it was charging the battery. However, when I tried to power it on, only the backlight of the secondary display came on. There was no image, and it didn’t boot into the BIOS.

            I decided to try flashing a new BIOS, but since I didn’t want to desolder...
            10-27-2025, 04:20 PM
          • Vesko356
            [Guide] How to find the right HP bios version to flash
            by Vesko356
            First of all thanks to all of our members who have posted previously all methods posted here.
            Please leave a comment if you find something new,or have anything else to add.
            -----------------------------------------------------------------------------------------

            Find by serial number,model number or series

            If you know the laptop serial or model number go to HP support https://support.hp.com/us-en/drivers/laptops .
            Enter the serial number or model number and click submit.On the next screen you will have to enter the OS
            Operating system and OS version.If...
            08-11-2023, 03:27 AM
          • iZakre
            HP Pavilion 15 bc400ns - Complete Black Screen - Only video on live usb
            by iZakre
            Hello everybody!

            To put you in context I recently replaced the battery from my HP Pavilion 15 bc400ns with a used one, everything was going good. The same day, I decided to update the BIOS, everything went good. The thing occurred after I let the battery drain iddling on Windows 11 for the second time to calibrate it that the screen did not turn on again, the computer was on but the screen did not turn, like it would not wake from hibernation. I decided to restart the computer but got no video.

            The thing is that I had installed TeamViewer and could log into the computer...
            02-19-2023, 02:27 PM
          • jbonavita
            ASUS TP500LA BIOS request/repair/merge?
            by jbonavita
            Hi, my laptop wont boot at all
            With original bios no POST, only LED lights
            With alternative BIOS from model TP500LN (flashed via programmer) the notebook works again
            Some issues
            A- with bios from 500LN, it won't update from bios of model 500LA (from 500LN v203 to 500LA v300)
            B- If updated from 500LN version 203 to 300, the battery stops being recognized

            Things I tried

            1- Update / clear ME: Took the non working bios, made a backup, and did this: https://www.badcaps.net/forum/troubl...theory/trouble...
            04-29-2025, 09:38 PM
          • Loading...
          • No more items.
          Working...