Apple Mac Mini A1347 Late 2014 completely dead no power

Collapse
X
 
  • Time
  • Show
Clear All
new posts
  • waakye
    Badcaps Veteran
    • Dec 2018
    • 340
    • Electronada

    #41
    Re: Apple Mac Mini A1347 Late 2014 completely dead no power

    Do you guys think it's related to a corrupted EFI firmware?

    Comment

    • waakye
      Badcaps Veteran
      • Dec 2018
      • 340
      • Electronada

      #42
      Re: Apple Mac Mini A1347 Late 2014 completely dead no power

      Flashed a new firmware and still issue.

      Comment

      • waakye
        Badcaps Veteran
        • Dec 2018
        • 340
        • Electronada

        #43
        Re: Apple Mac Mini A1347 Late 2014 completely dead no power

        Hi mon2, could you please help me locate the power IC or do you have a similar schematic that can help me out?
        Thanks

        Comment

        • mon2
          Badcaps Legend
          • Dec 2019
          • 14657
          • Canada

          #44
          Re: Apple Mac Mini A1347 Late 2014 completely dead no power

          Hi. Sorry just saw this post, quite late. Would you know the power IC number or have a picture that you can post? Respectively, would you have the 820-xxxx logic board number for your unit? Finding that some chassis are quite difficult to locate the schematic / boardview. Personally hunting for a detailed schematic for the A1418 820-00431-a.

          Comment

          • waakye
            Badcaps Veteran
            • Dec 2018
            • 340
            • Electronada

            #45
            Re: Apple Mac Mini A1347 Late 2014 completely dead no power

            Thanks for replying. I put the mac mini board 820-5509-A and noticed that there is a component missing. I have a picture below about. I need help Identifying that missing component.
            Also can i know where the power IC is located.
            Attached Files

            Comment

            • mon2
              Badcaps Legend
              • Dec 2019
              • 14657
              • Canada

              #46
              Re: Apple Mac Mini A1347 Late 2014 completely dead no power

              That looks like the spi flash rom in the 8 pin soic package. Search for the datasheet but suspecting that the pin 8 is the Vcc power rail at +3v3. So this will imply that the missing part is a non critical bulk or despite capacitor.

              Will confirm in a few minutes.

              Comment

              • waakye
                Badcaps Veteran
                • Dec 2018
                • 340
                • Electronada

                #47
                Re: Apple Mac Mini A1347 Late 2014 completely dead no power

                Thanks for replying. I am still trying to figure out how I do not get any voltages at the bulk converters. The power supply is outputting 11.88vdc. The fan used to spin n stops but now does not spin at all. I put the board under microscope and I do not see any obvious damage component except the missing capacitor.
                Thanks once more.

                Comment

                • mon2
                  Badcaps Legend
                  • Dec 2019
                  • 14657
                  • Canada

                  #48
                  Re: Apple Mac Mini A1347 Late 2014 completely dead no power

                  So far unable to locate a schematic for this model but read that they are usually not available.

                  Follow the power adapter from where it enters the logic board and try to take clear and zoomed up pictures of the circuit board. The idea is to locate what should be a surface mount fuse. It is quite possible that this fuse (one time use) has blown so voltage is not being passed onto the next stage of the power supplies.

                  A higher voltage enters and is split into assorted lower voltages but a fuse in series can halt the flow of the power rails.

                  Also, the 8 chip is a 25Q64 IC and is available from assorted vendors. Pin 8 (with the missing cap) is the power rail for this device and is +3v3. This is not the reason for this system to be not working. As a general practice, digital designers should place local despike and/or bulk capacitors to smoothen out (filter out) any transients of energy that could harm the local device. However, as noted, missing this cap is not really the show stopper here for your system.
                  Last edited by mon2; 03-28-2021, 06:50 PM.

                  Comment

                  • waakye
                    Badcaps Veteran
                    • Dec 2018
                    • 340
                    • Electronada

                    #49
                    Re: Apple Mac Mini A1347 Late 2014 completely dead no power

                    I have attached a zoom in picture of where the power gets in the motherboard.
                    Thanks for helping
                    Attached Files

                    Comment

                    • waakye
                      Badcaps Veteran
                      • Dec 2018
                      • 340
                      • Electronada

                      #50
                      Re: Apple Mac Mini A1347 Late 2014 completely dead no power

                      Can anyone here help me out with the Mac mini. Now I made the issue worst. I am reading 0 volts on all the primary and secondary side of the inductors as shown in the picture. I am getting 11.88vdc all the way to the input of the power IC 58872d but the output side that goes to the inductor is measuring 0volts. I tried to verify each component for a short and does not seem to find any. Without the schematic, am in the dark. Am hoping someone with more knowledge with apple logic can chime in.
                      Thanks in advance.
                      Attached Files

                      Comment

                      • mon2
                        Badcaps Legend
                        • Dec 2019
                        • 14657
                        • Canada

                        #51
                        Re: Apple Mac Mini A1347 Late 2014 completely dead no power

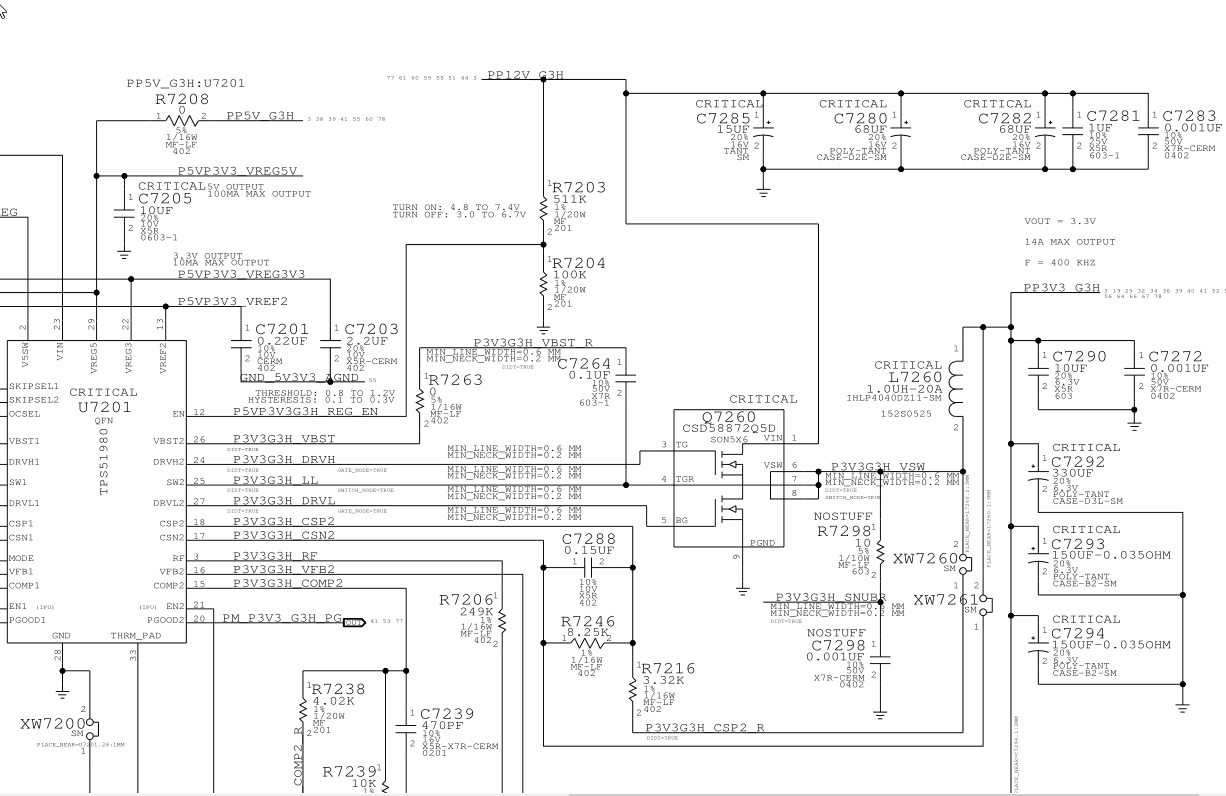
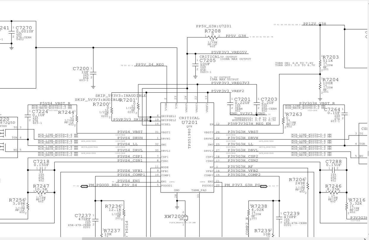
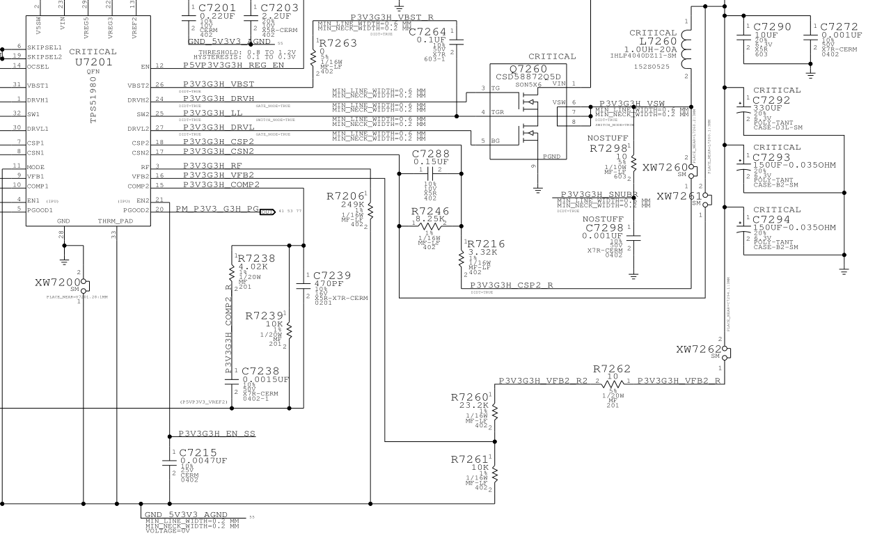
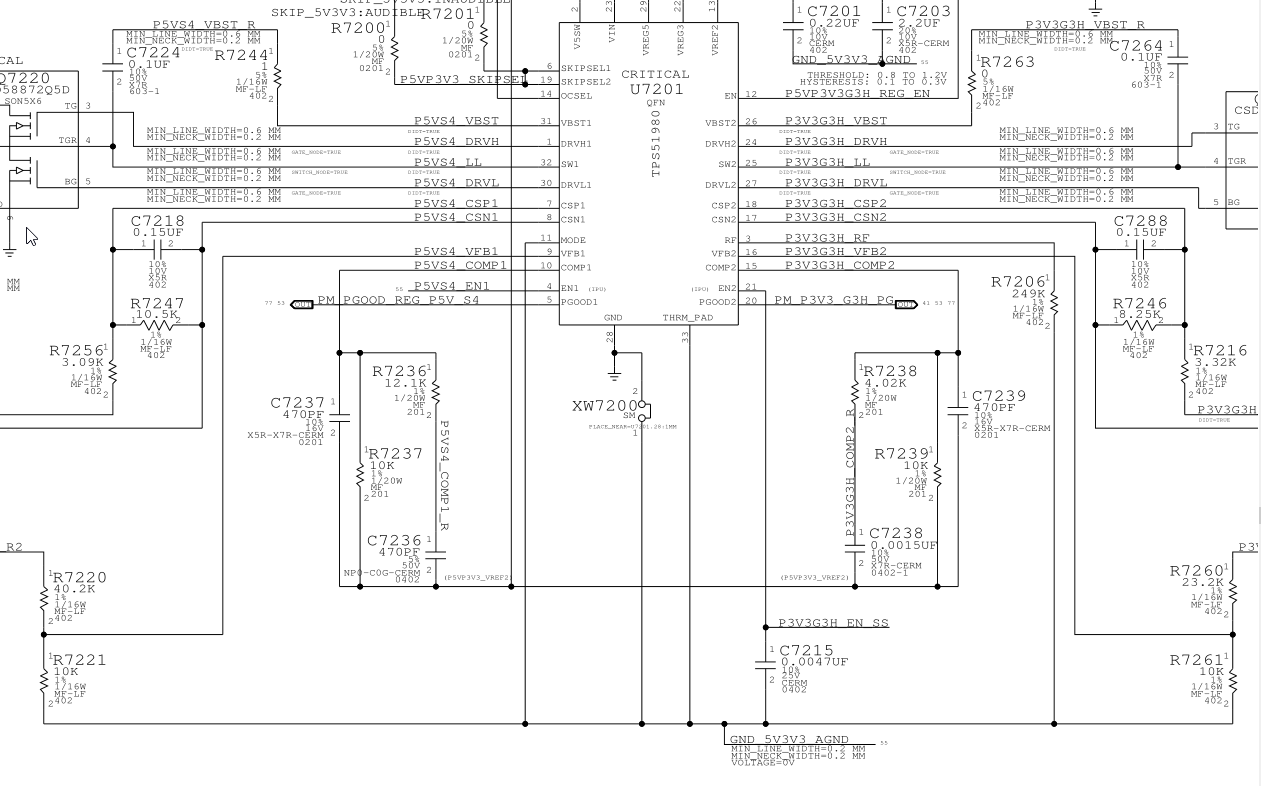
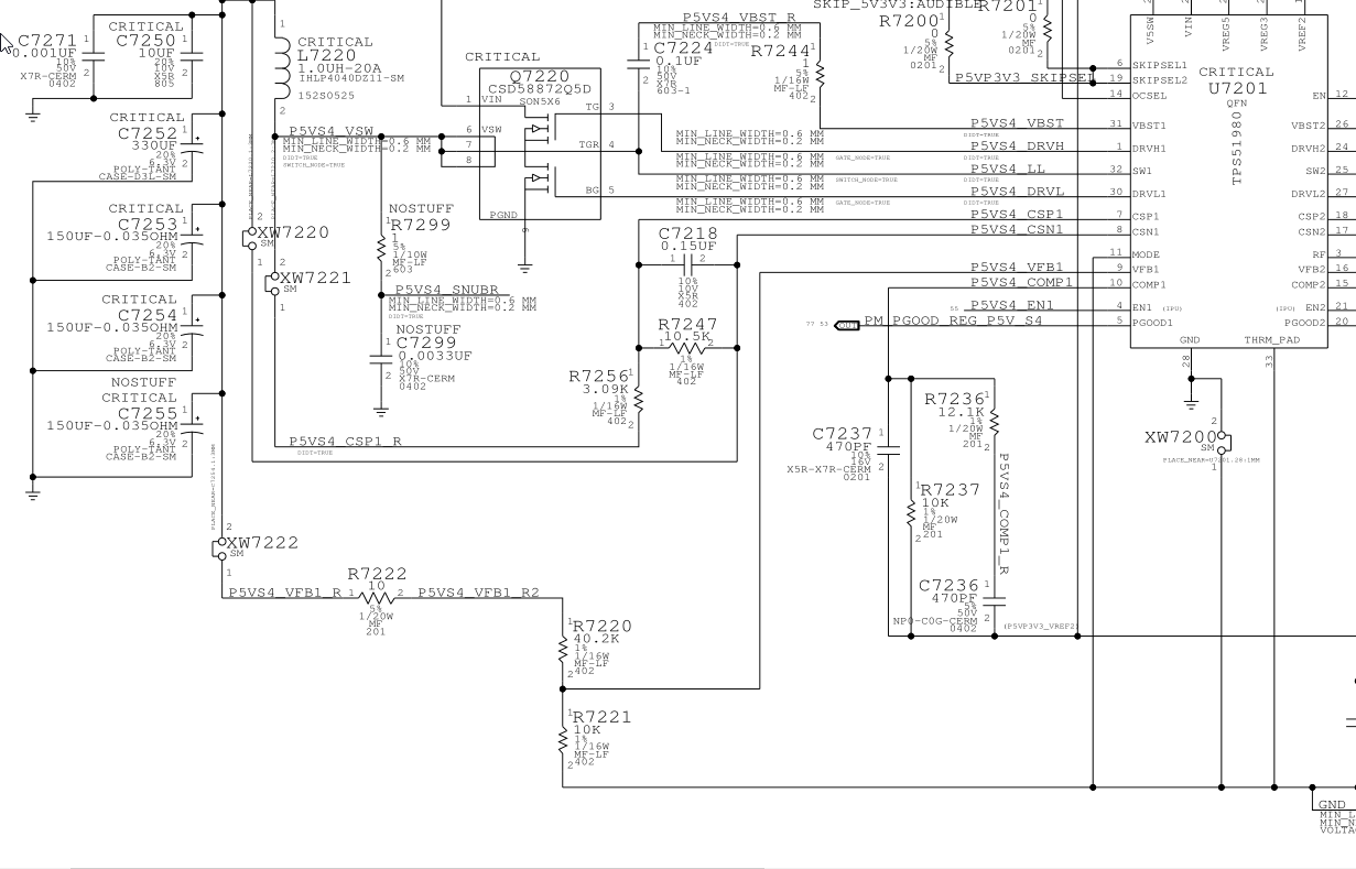
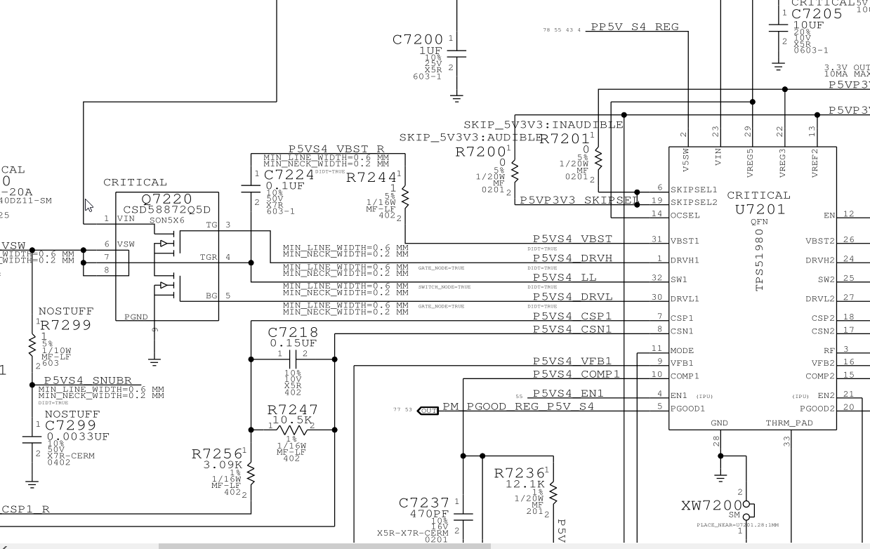
                        see attached (820-5509)
                        Attached Files

                        Comment

                        • waakye
                          Badcaps Veteran
                          • Dec 2018
                          • 340
                          • Electronada

                          #52
                          Re: Apple Mac Mini A1347 Late 2014 completely dead no power

                          Thanks mon2. You are a life saver. I will work on it and document my progress.
                          I owe you a beer

                          Comment

                          • waakye
                            Badcaps Veteran
                            • Dec 2018
                            • 340
                            • Electronada

                            #53
                            Re: Apple Mac Mini A1347 Late 2014 completely dead no power

                            Do you by any chance have a boardview of the 820-5509?

                            Comment

                            • mon2
                              Badcaps Legend
                              • Dec 2019
                              • 14657
                              • Canada

                              #54
                              Re: Apple Mac Mini A1347 Late 2014 completely dead no power

                              I am afraid I do not. At least not yet. Will update this thread if I do come across it.

                              Comment

                              • waakye
                                Badcaps Veteran
                                • Dec 2018
                                • 340
                                • Electronada

                                #55
                                Re: Apple Mac Mini A1347 Late 2014 completely dead no power

                                ok. thanks for the schematic. i will use it to try and solve the issue.

                                Comment

                                • waakye
                                  Badcaps Veteran
                                  • Dec 2018
                                  • 340
                                  • Electronada

                                  #56
                                  Re: Apple Mac Mini A1347 Late 2014 completely dead no power

                                  do you have the complete schematic?

                                  Comment

                                  • waakye
                                    Badcaps Veteran
                                    • Dec 2018
                                    • 340
                                    • Electronada

                                    #57
                                    Re: Apple Mac Mini A1347 Late 2014 completely dead no power

                                    so far i have the following voltages on U7201 (TPS51980)
                                    PIN 12 EN = 4.00 VDC
                                    PIN 4 EN1 = 0 VDC
                                    PIN 5 PGOOD1 = 0VDC
                                    PIN 1 DRVH1 = 0VDC
                                    PIN EN2 = 1.136VDC
                                    PIN 20 PGOOD2 = 0 VDC
                                    PIN 3 RF = 0VDC
                                    PIN 23 VIN = 11.88VDC
                                    PIN 2 V5SW = 0VDC
                                    PIN 29 VREG5 = 1.158VDC

                                    I need some help. thanks in advance

                                    Comment

                                    • mon2
                                      Badcaps Legend
                                      • Dec 2019
                                      • 14657
                                      • Canada

                                      #58
                                      Re: Apple Mac Mini A1347 Late 2014 completely dead no power

                                      The EN1 and EN2 voltages are too low to enable these power supply rails.

                                      VREG5 is a fixed LDO and should output +5v0.

                                      Power down and check the resistance to ground on the VREG5 rail. What is the value?

                                      Is this regulator getting warm ?

                                      This part may have to be replaced. It is a simple part to source. Will review the schematic again tomorrow. I think mobilesentrix.ca in Toronto has these devices. They have some crazy parts in their inventory. The owner has a good pulse on the market needs and listens to customer feedback.

                                      Comment

                                      • waakye
                                        Badcaps Veteran
                                        • Dec 2018
                                        • 340
                                        • Electronada

                                        #59
                                        Re: Apple Mac Mini A1347 Late 2014 completely dead no power

                                        Thanks mon2 for the info. You are very helpful and I really appreciate your help. without boardview, it will be a little hard for me to locate the VREG5 rail. Could you give me some pointers.
                                        Thanks again for your continuous help.

                                        Comment

                                        • waakye
                                          Badcaps Veteran
                                          • Dec 2018
                                          • 340
                                          • Electronada

                                          #60
                                          Re: Apple Mac Mini A1347 Late 2014 completely dead no power

                                          The VREG5 resistance to ground is showing .660M ohm. i measured the pin 29 on TPS51980 to ground.

                                          Comment

                                          Related Topics

                                          Collapse

                                          Working...