U2312HM will not turn on

Collapse
X
 
  • Time
  • Show
Clear All
new posts
  • habibalex
    New Member
    • Nov 2020
    • 3
    • United States

    #1

    U2312HM will not turn on

    I have 2 Dell U2312HM that won't turn on anymore. Both are completely unresponsive. The power went out a few months ago and took 1 monitor out, yesterday the power went out again and took the other out.

    I have taken 1 monitor apart and replaced some components on the signal board:
    • I301 (5V to 3.3V regulator but had 0V out)
    • all the electrolytic caps on the Signal board.


    When I supply external DC power supply 5V to I301, I get a constant 3.3V out. When I check the 5V pin of the Power Board when the Signal Board is disconnected I also get 5V. However with both of the signal board and power board connected through the wire cables I see a fluctuation in the 5V up and down to about 1V.

    I am not really sure where to go from here since I don't know much about power electronics. Does anyone have a schematic for the power board L0281-2M? I have taken a look at some other posts but I haven't been able to find anything to proceed further.
    Attached Files
  • R_J
    Badcaps Legend
    • Jun 2012
    • 9591
    • Canada

    #2
    Re: U2312HM will not turn on

    I would replace C807, this is the startup/vcc cap. It could be weak and not charging to the full vcc to keep the primary circuit running.

    Comment

    • habibalex
      New Member
      • Nov 2020
      • 3
      • United States

      #3
      Re: U2312HM will not turn on

      Thanks RJ. I tried connecting the signal board from bad monitor 1 to the good power board of bad monitor 2 and when I started it up the display had a 2 images side by side and the colors / resolution were messed up. I think something else is wrong w/ the monitor 1 signal board beyond that bad voltage regulator also.
      I'll try replacing that vcc cap.

      I was able to replace the bad 3.3V voltage regulator I301 on bad monitor #2 and it is working as expected now. https://youtu.be/tQVnBMDsqio

      Comment

      • krsta
        Member
        • Nov 2020
        • 33
        • Croatia

        #4
        Re: U2312HM will not turn on

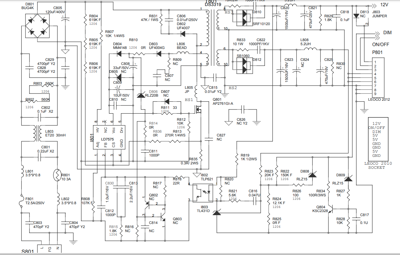
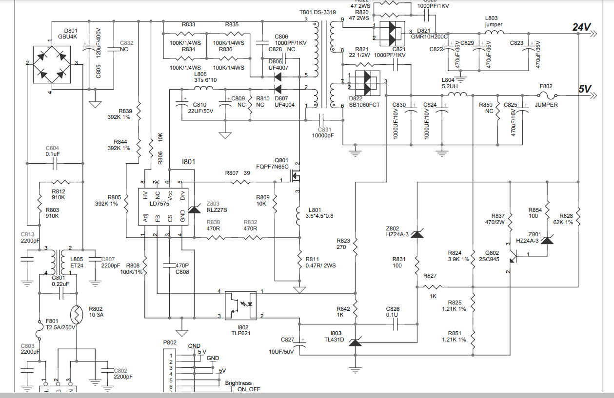
        While i was trying to repair this power board (L0281-2M) i realised fuse F802 was dead and moved my hand and piece of wire has fallen on I801 and it poped killing him and D806. Does anyone know what ic is that and the walue of diode?

        Comment

        • lotas
          Badcaps Legend
          • Jan 2016
          • 4759
          • Russia

          #5
          Re: U2312HM will not turn on

          See which scheme is more suitable.
          Attached Files

          Comment

          • krsta
            Member
            • Nov 2020
            • 33
            • Croatia

            #6
            Re: U2312HM will not turn on

            Thx for schematics.

            Comment

            • FluxCap123
              New Member
              • Nov 2021
              • 3
              • USA

              #7
              Re: U2312HM will not turn on

              I also have a U2312HM that I am trying to repair (won't turn on - most of the time). I found these videos of someone troubleshooting one:
              https://www.youtube.com/watch?v=U6V1sjWMgeM and
              https://www.youtube.com/watch?v=ACbNq9dTwBo.
              They are in Portuguese and you can turn on captions and get YouTube to translate (sort of).

              In the first video he replaces one of the ICs to get it working. In the second video he replaces a fuse. In the comments for the first video there is a link to a schematic that I think the video author made: https://onedrive.live.com/?authkey=%...212829&o=OneUp

              Hope you get your monitor working.

              Comment

              • honda22
                New Member
                • Sep 2023
                • 3
                • GR

                #8
                Re: U2312HM will not turn on

                I have this monitor and it won't turn on. No blue led, nothing. I get it to an electronic guy, checked the power board and also the Voltage Regulators and told me they are all good.
                So I start searching for replacing the logic board.
                Mine's version is L0144-1 48.7M701.011 but after some search on Ali I found only L0144-2M 48.7M701.02M version.

                Could anyone tell me if this will work?

                Comment

                • honda22
                  New Member
                  • Sep 2023
                  • 3
                  • GR

                  #9
                  Re: U2312HM will not turn on

                  Any suggestion?

                  Comment

                  • lotas
                    Badcaps Legend
                    • Jan 2016
                    • 4759
                    • Russia

                    #10
                    Re: U2312HM will not turn on

                    Originally posted by honda22
                    Any suggestion?
                    The fact is that every motherboard has spi flash and eeprom and they contain firmware and settings for their panel (matrix) and if it does not match, it may not show anything or show it but with distortions.

                    Comment

                    • stankolima
                      New Member
                      • May 2012
                      • 1
                      • Bulgaria

                      #11
                      Check and replace F802 (5v rail) mine has 100 ohm resistence.

                      Comment

                      Related Topics

                      Collapse

                      • momaka
                        HannStar Hanns-G HC194d LCD monitor repair
                        by momaka
                        Normally, I never post repairs this quick after I do them, because… I am usually very slow. But today, I’m making an exception here. Why? No idea. Perhaps only because the repair details are still “fresh” in my head… which is ironic, given this is a 16 year old monitor that hardly anyone will care about today. It is new to me, though. I picked it up last November from someone on my local Craigslist. It wasn’t very close to where I live, but was close to a family friend that I had to go visit anyways. So after watching the posting on Craigslist for a few weeks and seeing it getting...
                        03-15-2023, 10:17 PM
                      • howardc64
                        TCL 55S425 few horizontal lines, potential failure on both side of panel/buffer board
                        by howardc64
                        All left and right refers to looking from rear of TV (or looking from front with TV upside down)
                        • TV came with vertical bars and no image. Found faulty TVS on left buffer board. Also replaced T-Con (may have damaged the original while hot air removing components, board has slight warp) and have full image but few horizontal lines on the screen. Some of the lines appears to be 2 pixel tall while others are 1 pixel tall.
                        • Disconnecting left and right buffer board potentially reveals problems on both sides with different signals (unless this T-Con require jumper like Samsung FB_TRDY1&3) Fault
                        ...
                        07-24-2025, 05:17 PM
                      • penangit
                        Hp v193 monitor power supply board
                        by penangit
                        Hey everyone,hope everyone is fine, I got an issue hoping you guys can help me,

                        I got a HP V193 monitor it has a E59670 now i got a few of these, been using them for long time now, however this particular monitor was blacking out for a few times then after unplugging and plugging it back in it gets back to normal until now its dead.

                        I tried switching the power supply board with another similar monitor and it works,so I'm trying to fix this power supply board I got some basic in electronics as a hobbyist.

                        Steps taken so far:

                        Checked all...
                        02-21-2023, 04:00 AM
                      • brzostos
                        HP ENVY X360 15-EU0005NA 203037-2 does not turn on, something whistles on the board.
                        by brzostos
                        Hello, HP laptop model 15-EU0005NA. It does not turn on, 1 in 100 manages to turn it on then after a while it freezes/disappears/flashes, etc.

                        After removing the motherboard and connecting the board with RAM to the power supply, I noticed that at first all voltages start correctly and after a few seconds 3.3V on the PL4501 coil disappears and somewhere in this area something starts beeping on the board, sometimes after touching it with a finger in the area of PL4551 it stops beeping and 3.3V appears again.

                        Original HP 150W power supply, the diode in the power socket lights...
                        10-01-2024, 01:34 AM
                      • Tynan Dill
                        Vizio e601i-A3 - Has Sound and Display, But No Backlight - Bad Power Supply Board or Bad LED Bulbs ?
                        by Tynan Dill
                        I was given this TV from my great uncle. He said it just wouldn't turn on one day out of nowhere, replaced the TV, and gave it to me to possibly fix and use for myself.

                        Upon bringing it home and plugging it up, it showed a standby light.

                        I powered it on and without a flashlight, the display showed the "V" but the lighting is very dim, but visible.

                        The screen seems to blackout and stay black, but with a flashlight I can see the display.

                        With my Playstation 4 connected via HDMI, and running a game I can hear sound.

                        Assuming...
                        11-22-2024, 01:46 PM
                      • Loading...
                      • No more items.
                      Working...