Hi all,
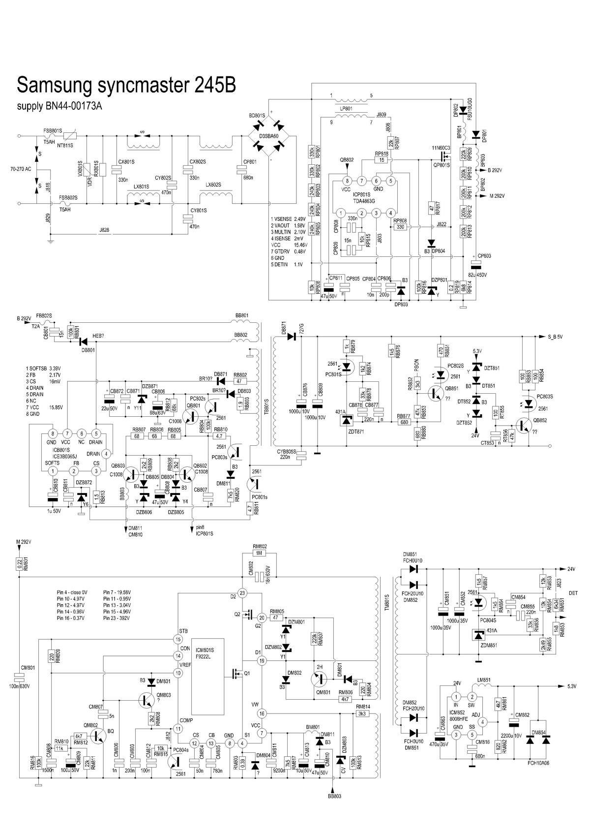
I have this monitor (Syncmaster 245B+) that turns on but doesn't have backlight.
Reading around, I replaced the 3 68ohm resistors but without luck.
Turning on the power supply (3.3kohm resistor between 5v and PS_on) with the lamp module connected I have 0V on 24V rail.
If I disconnect the lamp module I get the 24V but even with a 200ma load, the voltage drops to about 9v.
If I brutally connect an external 24V power supply directly on the 24V rail, it all works fine (No short, nothing getting hot) and the monitor works fine.
The caps don't seem bad.
I measured some outside the board:
CP803 - 78uf
CM802 - 17uf
CB876 - 1000uf
CB809 - 1000uf
CM851 - 1000uf
What else should I check ?
Thanks for the help.
P.s. the monitor stopped working from evening to morning. Shouted off fine and never came up again. (a couple years ago)
I have this monitor (Syncmaster 245B+) that turns on but doesn't have backlight.
Reading around, I replaced the 3 68ohm resistors but without luck.
Turning on the power supply (3.3kohm resistor between 5v and PS_on) with the lamp module connected I have 0V on 24V rail.
If I disconnect the lamp module I get the 24V but even with a 200ma load, the voltage drops to about 9v.
If I brutally connect an external 24V power supply directly on the 24V rail, it all works fine (No short, nothing getting hot) and the monitor works fine.
The caps don't seem bad.
I measured some outside the board:
CP803 - 78uf
CM802 - 17uf
CB876 - 1000uf
CB809 - 1000uf
CM851 - 1000uf
What else should I check ?
Thanks for the help.
P.s. the monitor stopped working from evening to morning. Shouted off fine and never came up again. (a couple years ago)

Comment