Samsung LCD LE40R86BD flickering after 5 minutes

Collapse
X
 
  • Time
  • Show
Clear All
new posts
  • Spongebob89
    Member
    • Mar 2021
    • 24
    • England

    #1

    Samsung LCD LE40R86BD flickering after 5 minutes

    Hello,
    I have a Sumsung LCD (Model: LE40R86BD) and after 5 minutes approximately
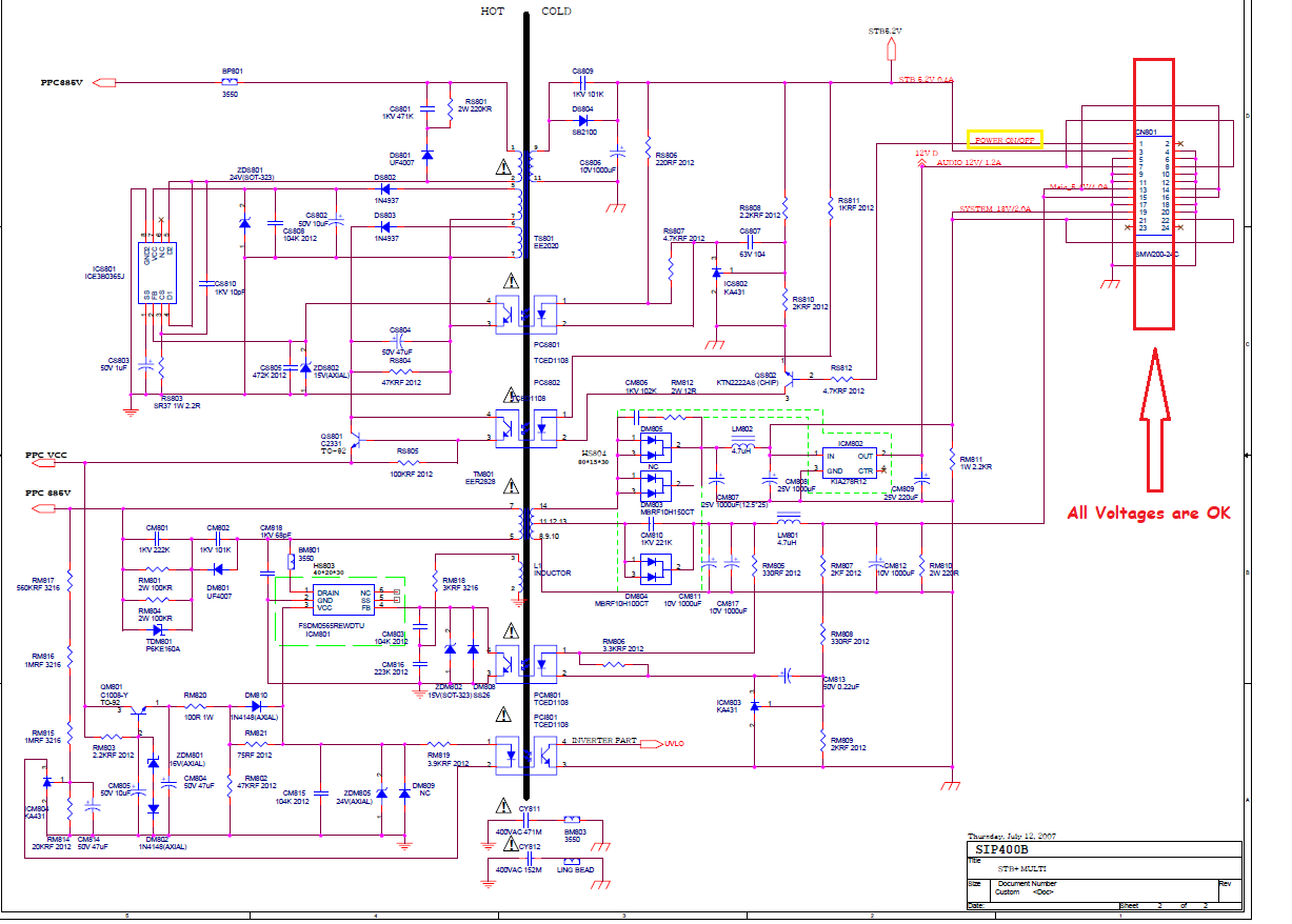
    starts to flickering about one two times and after some time stars the same thing again. There was one capacitor that was blown and I replace it. I measured all the voltages at CN801 and are OK. When the display turns off the "POWER ON/OFF" signal goes low (0Volt) and after 3 seconds come back high again. Maybe after some time something get hot and do that flickering? Any ideas for what to looking for?

    Power Supply BN44-00167A Schematic:
    Attached Files
  • nomoresonys
    Badcaps Legend
    • Jan 2013
    • 12206
    • U.S.

    #2
    Re: Samsung LCD LE40R86BD flickering after 5 minutes

    try this, unplug tv from outlet, unhook cable from powerboard to mainboard, leave it off, plug power cord into powerboard, plug into outlet, see if backlight stays on steady instead of going out or flickering after 5 minutes.
    Quit because THIS SITE LETS A ROGUE MEMBER TYPE ANY GARBAGE HE PLEASES AND THE POWERS THAT BE NEVER DO ANYTHING ABOUT IT SO HE NEVER QUITS. THEN YOU GET A PENALTY FOR RESPONDING TO HIS ATTACKS. BEEN GOING ON FOR WAY TOO LONG. DONE SUPPORTING A SITE THAT ALLOWS THIS BS.

    Comment

    • CapLeaker
      Leaking Member
      • Dec 2014
      • 8213
      • Canada

      #3
      Re: Samsung LCD LE40R86BD flickering after 5 minutes

      If the backlights flicker, turn them down to 60% and see if the stay on.

      Comment

      Related Topics

      Collapse

      • Document Archive
        Samsung Galaxy Book 2 Notebook Specification for Upgrade or Repair
        by Document Archive
        This specification for the Samsung Galaxy Book 2 Notebook can be useful for upgrading or repairing a laptop that is not working. As a community we are working through our specifications to add valuable data like the Galaxy Book 2 boardview and Galaxy Book 2 schematic. Our users have donated over 1 million documents which are being added to the site. This page will be updated soon with additional information. Alternatively you can request additional help from our users directly on the relevant badcaps forum. Please note that we offer no warranties that any specification, datasheet, or download...
        09-07-2024, 05:50 AM
      • Document Archive
        Samsung Galaxy Book Ion NP930XCJ Notebook Specification for Upgrade or Repair
        by Document Archive
        This specification for the Samsung Galaxy Book Ion NP930XCJ Notebook can be useful for upgrading or repairing a laptop that is not working. As a community we are working through our specifications to add valuable data like the NP930XCJ boardview and NP930XCJ schematic. Our users have donated over 1 million documents which are being added to the site. This page will be updated soon with additional information. Alternatively you can request additional help from our users directly on the relevant badcaps forum. Please note that we offer no warranties that any specification, datasheet, or download...
        09-06-2024, 11:40 PM
      • Document Archive
        Samsung Galaxy Book Ion NP950XCJ Notebook Specification for Upgrade or Repair
        by Document Archive
        This specification for the Samsung Galaxy Book Ion NP950XCJ Notebook can be useful for upgrading or repairing a laptop that is not working. As a community we are working through our specifications to add valuable data like the NP950XCJ boardview and NP950XCJ schematic. Our users have donated over 1 million documents which are being added to the site. This page will be updated soon with additional information. Alternatively you can request additional help from our users directly on the relevant badcaps forum. Please note that we offer no warranties that any specification, datasheet, or download...
        09-06-2024, 11:40 PM
      • Document Archive
        Samsung Galaxy Book Ion NP950XCJ Notebook Specification for Upgrade or Repair
        by Document Archive
        This specification for the Samsung Galaxy Book Ion NP950XCJ Notebook can be useful for upgrading or repairing a laptop that is not working. As a community we are working through our specifications to add valuable data like the NP950XCJ boardview and NP950XCJ schematic. Our users have donated over 1 million documents which are being added to the site. This page will be updated soon with additional information. Alternatively you can request additional help from our users directly on the relevant badcaps forum. Please note that we offer no warranties that any specification, datasheet, or download...
        09-06-2024, 08:40 PM
      • Document Archive
        Samsung Galaxy Book Ion NP950XCJ-K01DE Notebook Specification for Upgrade or Repair
        by Document Archive
        This specification for the Samsung Galaxy Book Ion NP950XCJ-K01DE Notebook can be useful for upgrading or repairing a laptop that is not working. As a community we are working through our specifications to add valuable data like the NP950XCJ-K01DE boardview and NP950XCJ-K01DE schematic. Our users have donated over 1 million documents which are being added to the site. This page will be updated soon with additional information. Alternatively you can request additional help from our users directly on the relevant badcaps forum. Please note that we offer no warranties that any specification, datasheet,...
        09-06-2024, 06:20 PM
      • Loading...
      • No more items.
      Working...