Digihome PTDR32FHDS5 (Vestel) 32" LED Smart TV

Collapse
X
 
  • Time
  • Show
Clear All
new posts
  • John McGivern
    Senior Member
    • Dec 2013
    • 195
    • uk

    #41
    Re: Digihome PTDR32FHDS5 (Vestel) 32" LED Smart TV

    I know the pins what do I measure.

    Comment

    • yokoono
      Badcaps Veteran
      • Apr 2010
      • 515

      #42
      Re: Digihome PTDR32FHDS5 (Vestel) 32" LED Smart TV

      Disconnect mainboard. Looking for the stby pin on the power supply. Between the stby pin and the POWER / ON pin put a resistance of 4.7-10k. Power supply starts. Put a resistor between the stby and the BL / ON pin. The backlight PWM controller starts and the LED voltage appears. For the correct operation of the backlight, place the resistor between the stby and the DIM pin.
      Or most easily join the power / on, bl / on and dim pins and put them all together with a stby resistance.
      If you have done the right thing and all is well, the backlight should come on. This is called "table testing".
      Last edited by yokoono; 04-17-2022, 09:57 AM.

      Comment

      • John McGivern
        Senior Member
        • Dec 2013
        • 195
        • uk

        #43
        Re: Digihome PTDR32FHDS5 (Vestel) 32" LED Smart TV

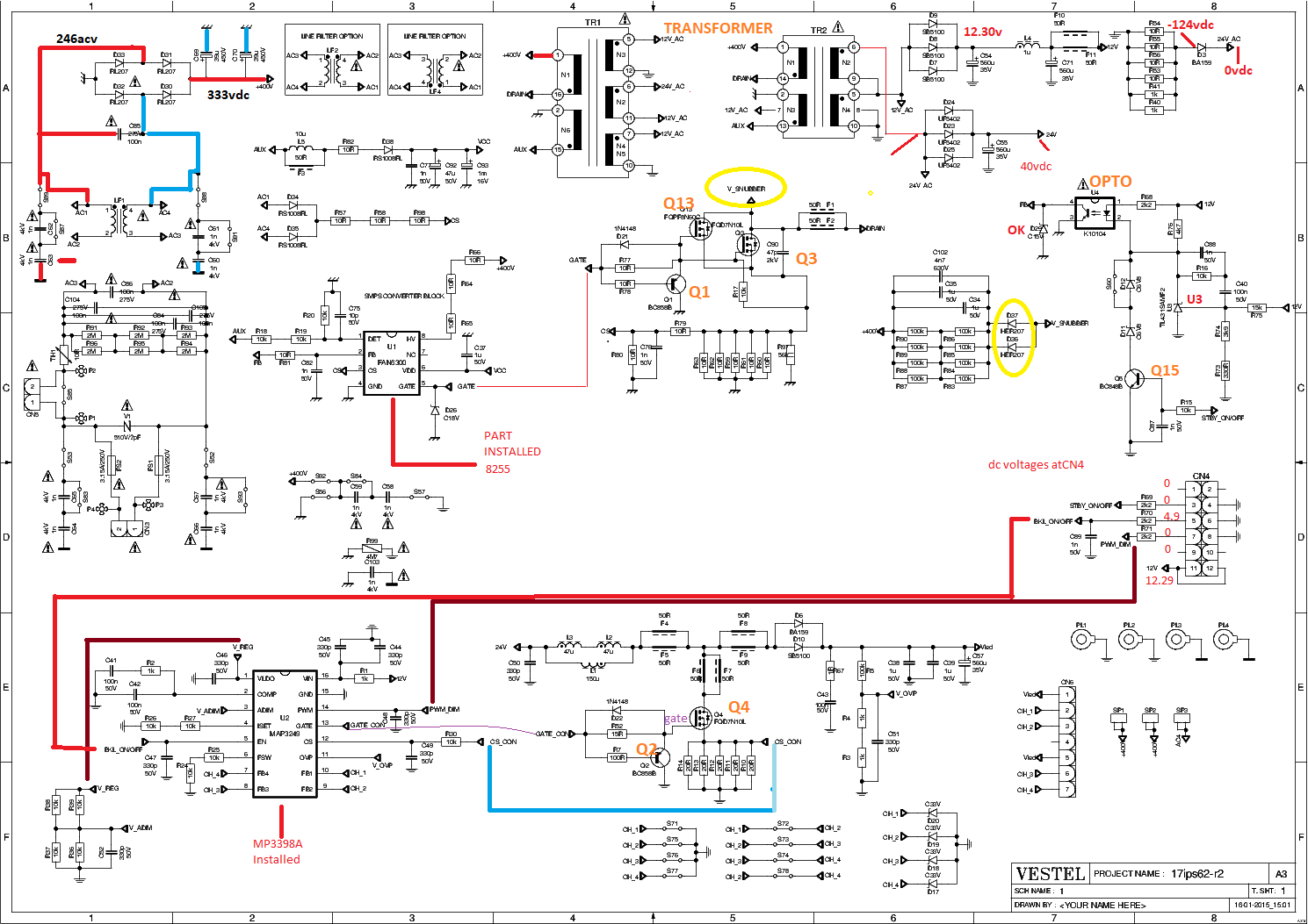
        Please find attached schematic.
        Attached Files

        if you find these attachements useful please consider making a small donation to the site

        Comment

        • John McGivern
          Senior Member
          • Dec 2013
          • 195
          • uk

          #44
          Re: Digihome PTDR32FHDS5 (Vestel) 32" LED Smart TV

          Originally posted by yokoono
          Disconnect mainboard. Looking for the stby pin on the power supply. Between the stby pin and the POWER / ON pin put a resistance of 4.7-10k. Power supply starts. Put a resistor between the stby and the BL / ON pin. The backlight PWM controller starts and the LED voltage appears. For the correct operation of the backlight, place the resistor between the stby and the DIM pin.
          Or most easily join the power / on, bl / on and dim pins and put them all together with a stby resistance.
          If you have done the right thing and all is well, the backlight should come on. This is called "table testing".
          See attached schematic cn4 can you please make a quick sketch of connections.
          heers.

          Comment

          • yokoono
            Badcaps Veteran
            • Apr 2010
            • 515

            #45
            Re: Digihome PTDR32FHDS5 (Vestel) 32" LED Smart TV

            Connect 3 with 5 and 7. Then through a 10k resistor to pin 11. With mainboard disconnected from power supply. When plugged in, the source should turn on automatically and the backlight should turn on.

            Comment

            • John McGivern
              Senior Member
              • Dec 2013
              • 195
              • uk

              #46
              Re: Digihome PTDR32FHDS5 (Vestel) 32" LED Smart TV

              Hi yokoono, backlights came on progress at last thank you.
              Does this mean main board at fault?

              Comment

              • nomoresonys
                Badcaps Legend
                • Jan 2013
                • 12331
                • U.S.

                #47
                Re: Digihome PTDR32FHDS5 (Vestel) 32" LED Smart TV

                more than likely mainboard fault, that stand alone test you just did, means the backlights and powerboard are ok.

                Comment

                • yokoono
                  Badcaps Veteran
                  • Apr 2010
                  • 515

                  #48
                  Re: Digihome PTDR32FHDS5 (Vestel) 32" LED Smart TV

                  The motherboard is defective and does not command DIM. You can short circuit between BL / ON and DIM and use that. It's just that you can't adjust the backlight from the MENU anymore. If the voltage on the LEDs is too high, put a resistance between bl / on and dim.
                  L.E.
                  An NPN smd transistor may have burned out on the motherboard. The repair is for a specialist, not for you.
                  If the fault is in the processor, the TV will not work or will work without a picture.
                  I recommend that in this case you cut the dim wire that is between the power supply and the main.
                  Last edited by yokoono; 04-19-2022, 11:03 AM.

                  Comment

                  • John McGivern
                    Senior Member
                    • Dec 2013
                    • 195
                    • uk

                    #49
                    Re: Digihome PTDR32FHDS5 (Vestel) 32" LED Smart TV

                    Originally posted by yokoono
                    The motherboard is defective and does not command DIM. You can short circuit between BL / ON and DIM and use that. It's just that you can't adjust the backlight from the MENU anymore. If the voltage on the LEDs is too high, put a resistance between bl / on and dim.
                    L.E.
                    An NPN smd transistor may have burned out on the motherboard. The repair is for a specialist, not for you.
                    If the fault is in the processor, the TV will not work or will work without a picture.
                    I recommend that in this case you cut the dim wire that is between the power supply and the main.
                    Hi yokoono, you were right again motherboard fault new one arrived today fitted and TV came on awaiting arrival of remote.
                    Hoped to learn a bit about electronics but buying new power board and motherboard new led strips was a bit like replacing engine in car and replacing gearbox when it may have been a faulty sensor causing all the problem.
                    why have all the test points on the motherboard if they are not used to fault find. I realise the board were reasonably priced but as yoy said it may have been a NPN transistor. I bought a lot of test equipment with the notion of learning how to use them I have iso trans/variac, oscilloscopes, hp3325b function gen lab psu flukes etc just need to get into a system of how to use them efficiently.
                    Many thanks everyone.
                    One thing i have learned is Vestel revisions on psu's and mb's are countless and trying to acquire correct schematic is almost impossible.

                    Comment

                    Related Topics

                    Collapse

                    Working...