Panasonic th-42pe7 12 blinks

Collapse
X
 
  • Time
  • Show
Clear All
new posts
  • Malachi
    Badcaps Legend
    • Dec 2015
    • 1077
    • Usa

    #1

    Panasonic th-42pe7 12 blinks

    I have a th-42pe7 with 12 blinking sound SOS that I got for a 12 pack. A main board is $100.
    Not worth it. And it's a 720p.
    Could someone with limited soldering skills repair the mainboard?
  • tom66
    EVs Rule
    • Apr 2011
    • 32560
    • UK

    #2
    Re: Panasonic th-42pe7 12 blinks

    Have you eliminated shorted speaker wires or damaged speakers first?
    Please do not PM me with questions! Questions via PM will not be answered. Post on the forums instead!
    For service manual, schematic, boardview (board view), datasheet, cad - use our search.

    Comment

    • Malachi
      Badcaps Legend
      • Dec 2015
      • 1077
      • Usa

      #3
      Re: Panasonic th-42pe7 12 blinks

      I completely disconnected the speakers from the board. That didn't help.

      Comment

      • tw2005
        Badcaps Legend
        • Oct 2011
        • 6458
        • Australia

        #4
        Re: Panasonic th-42pe7 12 blinks

        Have you got the manual, had a look at the circuit yet? Audio IC is pretty big . Could be a challenge but as you say these older Tvs are not getting much value.

        I'm in a pickle myself, got a 50S10 and a 50G15. Both good TVs and great picture, did component level repair on one but now I've got it running the speakers are shagged in both. $100 a pair from the US, kinda stuffed at that price so I'm going to either flog them off as is or break down the spares.

        So I guess cahse the newer stuff but they ended in 2013/14 the Panny Plasmas.

        Comment

        • Malachi
          Badcaps Legend
          • Dec 2015
          • 1077
          • Usa

          #5
          Re: Panasonic th-42pe7 12 blinks

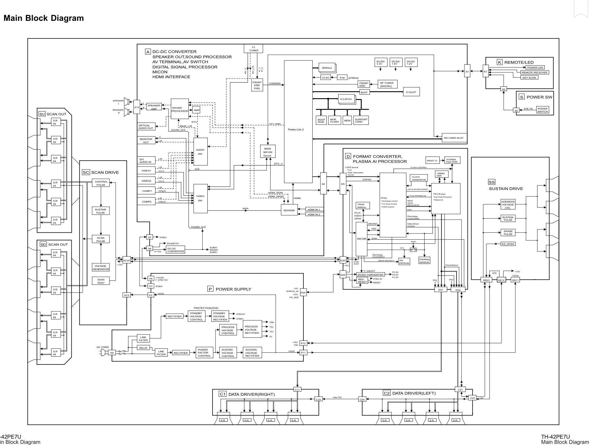
          Does this help?
          Attached Files

          Comment

          • Malachi
            Badcaps Legend
            • Dec 2015
            • 1077
            • Usa

            #6
            Re: Panasonic th-42pe7 12 blinks

            I got a supposedly working mainboard in today. I've replaced the SC board and SS board, they were cheap, $15.
            The green LEDs on the boards turn on but I still get 12 blinks.
            I'm left with the psu, control board and Lower buffers.
            Any ideas?

            Comment

            • Malachi
              Badcaps Legend
              • Dec 2015
              • 1077
              • Usa

              #7
              Re: Panasonic th-42pe7 12 blinks

              Could it be the D-board, the logic board?

              Comment

              • ReeceyBurger123
                Never Give Up !
                • May 2014
                • 7325
                • Britain

                #8
                Re: Panasonic th-42pe7 12 blinks

                Ohh my days I love the diagnoses here, so in depth and accurate. Were willing to help just please stop throwing parts at it Malachi save yourself money and learn along the way !

                Maybe try running the test patterns I know you can override some errors on Panasonic's into test patterns.
                Last edited by ReeceyBurger123; 05-05-2016, 02:26 PM.
                Please Do Not PM My Page Asking For Help Badcaps Is The Place For Advise, Page Linked For Business Reasons Only. Anyone Doing So Will Be Banned Instantly !

                https://www.facebook.com/Telford-Tel...7894576335359/

                Comment

                • Malachi
                  Badcaps Legend
                  • Dec 2015
                  • 1077
                  • Usa

                  #9
                  Re: Panasonic th-42pe7 12 blinks

                  According to the service manual, if the SS and SC board LEDs light up its a bad D-board.
                  I know you guys tried to help me but for 2 and a half months no one had any I out on it.
                  I bought SC and SS board for a combined $15. I lost $15 to return the mainboard.

                  I don't want to keep pestering. If after a while there are no suggestion s I start throwing parts at it.
                  I don't want to piss people off by nagging.

                  Comment

                  • ReeceyBurger123
                    Never Give Up !
                    • May 2014
                    • 7325
                    • Britain

                    #10
                    Re: Panasonic th-42pe7 12 blinks

                    I see just realised the thread dates, I dont mind and im sure others dont mind you boosting the post we can help just might not be first thing. Its a forum with alot of members so anyone could comment. Also does sound like a D board to me just resing the SM now.
                    Please Do Not PM My Page Asking For Help Badcaps Is The Place For Advise, Page Linked For Business Reasons Only. Anyone Doing So Will Be Banned Instantly !

                    https://www.facebook.com/Telford-Tel...7894576335359/

                    Comment

                    • Malachi
                      Badcaps Legend
                      • Dec 2015
                      • 1077
                      • Usa

                      #11
                      Re: Panasonic th-42pe7 12 blinks

                      I'll update when I get it.

                      Comment

                      • ReeceyBurger123
                        Never Give Up !
                        • May 2014
                        • 7325
                        • Britain

                        #12
                        Re: Panasonic th-42pe7 12 blinks

                        Ok dont be offended by my comment here to help you save money nothing personal.
                        Please Do Not PM My Page Asking For Help Badcaps Is The Place For Advise, Page Linked For Business Reasons Only. Anyone Doing So Will Be Banned Instantly !

                        https://www.facebook.com/Telford-Tel...7894576335359/

                        Comment

                        • Malachi
                          Badcaps Legend
                          • Dec 2015
                          • 1077
                          • Usa

                          #13
                          Re: Panasonic th-42pe7 12 blinks

                          Trust me I was far from offended. I chuckled.

                          Comment

                          Related Topics

                          Collapse

                          • brispuss
                            Ryobi 36V (aka 40V) 6Ah Faulty Battery Pack
                            by brispuss
                            Purchased a Ryobi 36V 6Ah battery pack maybe just over a year ago.

                            Battery pack had been used on about 3 or 4 occasions for powering a cordless lawnmower. I was wanting to use this battery pack again recently, but on checking the battery charge state via the battery pack test button, there was no LED indication at all of charge state which suggested the pack was fully discharged.

                            I found this to be odd as I usually fully recharge battery packs shortly after use. So either the pack developed some sort of fault which completely discharged the pack cells (after recharging),...
                            12-28-2022, 02:58 AM
                          • Andre Gilbert
                            Panasonic TC-P55ST50 8 blinks then no blinks
                            by Andre Gilbert
                            Hello! yes I know there is already lots of information about this issue. I have a Panasonic TC-P55ST50 that originally displayed an 8-blink error code. Following the troubleshooting flowchart, I ended up replacing the SS board. However, even after replacing it, the issue persists. The TV turns on and stays on without displaying an image, and continuity is confirmed on all connectors. What am I missing here🤔?
                            Ok Im a mechanical engineer ...but I thought I was able to follow a rather simple flowchart for electric troubleshooting 😂.

                            TV Model: Panasonic TC-P55ST50
                            ...
                            11-20-2024, 08:52 PM
                          • jm1234
                            Panasonic plasma TX-P42ST50 - 6 blinks
                            by jm1234
                            Hi,
                            anyone able to provide the service manual for old plasma Panasonic TX-P42ST50E?
                            It turns off almost immediately (0~5 seconds after pressing the on/off button) and starts flashing the red diode 6 times.
                            I disconnected the left-hand side board (SC?, both the ribbon cable and the power cable to it) and also another ribbon going to bottom left board. Then the led signal is 8 flashes. According to service guide to another Panasonic plasma it would mean the left-hand side board is faulty. But I'm not sure it 100% applies to my model.
                            I checked that board for any obvious faults...
                            05-22-2024, 06:59 AM
                          • riparo
                            Panasonic Oled 55EZ950E, no picture, red led blinking every 4 sec
                            by riparo
                            Hi everyone, I have a Panasonic OLED TV model 55EZ950E, as soon as I turn it on I don't have any image the LED goes from green to red LED blinking every 4 sec, I found the service manual suggests checking OLED PANEL, PB BOARD, T-CON connectors but it seems like everything ok, I didn't find any burns under the pb board
                            I attach a link to download the service manual, thank you for anyone who can help me
                            https://tel-spb.ru/download/?brand=P...0E_LA73.rar​
                            01-11-2024, 12:35 PM
                          • Alicat
                            Panasonic Plasma TH-50PZ85U No screen No blinks on red power light
                            by Alicat
                            Hello,

                            Stopped by this site trying to fix my parents Panasonic Plasma TV.

                            Model number is TH-50PZ85U

                            Power comes on and the red power light stays on solid.

                            Did a few checks like hold the power button on for 60 seconds, hold the - Volume while holding the menu button, no luck, still@ blank grey screen as the screen lights up very vague.

                            I also hear a few clicks.

                            I also think my parents said there was a thunderstorm and the TV failed after that.

                            Section 6 in the service manual talks about power and no screen,...
                            10-30-2024, 10:09 AM
                          • Loading...
                          • No more items.
                          Working...