HP Probook 470 G2 board schematics

Collapse
X
 
  • Time
  • Show
Clear All
new posts
  • Thermaltake
    Brain badcap
    • Aug 2015
    • 335
    • D12

    #1

    HP Probook 470 G2 board schematics

    Hi I got this burned smd transistor



    Can this smd be found on any laptop board ? I got some 3 broken boards, they got some similar smd's on them, does it have any value or they are all same ?
    Last edited by Thermaltake; 01-31-2023, 03:09 PM.
  • AL._.EX
    Badcaps Veteran
    • Dec 2022
    • 896
    • Belarus

    #2
    Re: HP Probook 470 G2 board schematics

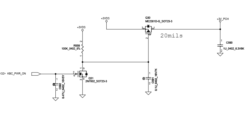
    +3v_pch
    Attached Files

    Comment

    • Thermaltake
      Brain badcap
      • Aug 2015
      • 335
      • D12

      #3
      Re: HP Probook 470 G2 board schematics

      Thanks.

      So that means all these 3 leg smd transistor are same or ?
      Last edited by Thermaltake; 02-01-2023, 01:20 AM.

      Comment

      • mon2
        Badcaps Legend
        • Dec 2019
        • 14662
        • Canada

        #4
        Re: HP Probook 470 G2 board schematics

        No, not the same. One is with 2N7002 part number and other is with ME2301.

        Often you can replace with many vendors who will have 2n7002 in this sot-23 package. Likewise the damaged part at Q30 is '2301' series transistor in the same package type.

        Comment

        • Thermaltake
          Brain badcap
          • Aug 2015
          • 335
          • D12

          #5
          Re: HP Probook 470 G2 board schematics

          Thanks everyone for help. CPU have short so I gave up. As I see on ebay all have similar problem as mine. Guess that's some serial problem on that boards or something.

          Comment

          Related Topics

          Collapse

          • Tynan Dill
            Vizio e601i-A3 - Has Sound and Display, But No Backlight - Bad Power Supply Board or Bad LED Bulbs ?
            by Tynan Dill
            I was given this TV from my great uncle. He said it just wouldn't turn on one day out of nowhere, replaced the TV, and gave it to me to possibly fix and use for myself.

            Upon bringing it home and plugging it up, it showed a standby light.

            I powered it on and without a flashlight, the display showed the "V" but the lighting is very dim, but visible.

            The screen seems to blackout and stay black, but with a flashlight I can see the display.

            With my Playstation 4 connected via HDMI, and running a game I can hear sound.

            Assuming...
            11-22-2024, 01:46 PM
          • mrautom8
            Samsung TV UN75H6350AFXZC main board schematics?
            by mrautom8
            Schematics for the main board needed please. Sticker on board states BN94-07517A but the silkscreen says BN41-02157B. Cant find here or anywhere on the web.

            Backlights work when main boards disconnected. When connected and power button switched, the relay on the PSU board turns on for one second then back off.
            While relay is on, all voltage rails are present and steady (scoped) on main board.
            I love a good logic puzzle but getting lost without any schematics.
            No shorts on ANY capacitor main board.
            Thermal camera shows 3.3V inductor getting warm instantly but...
            10-19-2025, 06:32 PM
          • sanshah_08
            ProBook 440 g5 DA0X8BMB6G0 REV G Schematics and Board view
            by sanshah_08
            ProBook 440 g5 DA0X8BMB6G0 REV G Schematics and Board view
            07-13-2024, 06:19 AM
          • Rezendes
            Looking for 13" Macbook Pro A1278 mid 2012 820-2565-A Schematics and Board View
            by Rezendes
            Hello, I am looking for any and all files related to the mainboard for 820-2565-A (13" Macbook Pro A1278 mid 2012) schematics/board view.

            I looked through forum search results and google and was unable to find a board view file, I found a pdf of all the schematics but I don't know where the parts physically are on the board as this is my first macbook board level repair attempt.

            The macbook charger has a green light, the battery has been replaced and OS reports Normal status but Not charging. After cleaning a corroded capacitor it crumbled off the board. There...
            05-10-2024, 02:18 PM
          • howardc64
            TCL 55S425 few horizontal lines, potential failure on both side of panel/buffer board
            by howardc64
            All left and right refers to looking from rear of TV (or looking from front with TV upside down)
            • TV came with vertical bars and no image. Found faulty TVS on left buffer board. Also replaced T-Con (may have damaged the original while hot air removing components, board has slight warp) and have full image but few horizontal lines on the screen. Some of the lines appears to be 2 pixel tall while others are 1 pixel tall.
            • Disconnecting left and right buffer board potentially reveals problems on both sides with different signals (unless this T-Con require jumper like Samsung FB_TRDY1&3) Fault
            ...
            07-24-2025, 05:17 PM
          • Loading...
          • No more items.
          Working...