Acer Nitro 5 N20C1 no power no charging

Collapse
X
 
  • Time
  • Show
Clear All
new posts
  • redoxy
    Senior Member
    • Sep 2018
    • 100
    • Canada

    #1

    Acer Nitro 5 N20C1 no power no charging

    Laptop is not charging and not powering on.
    Model details is AN515-55-517T
    Board is FH51M LA-J871P

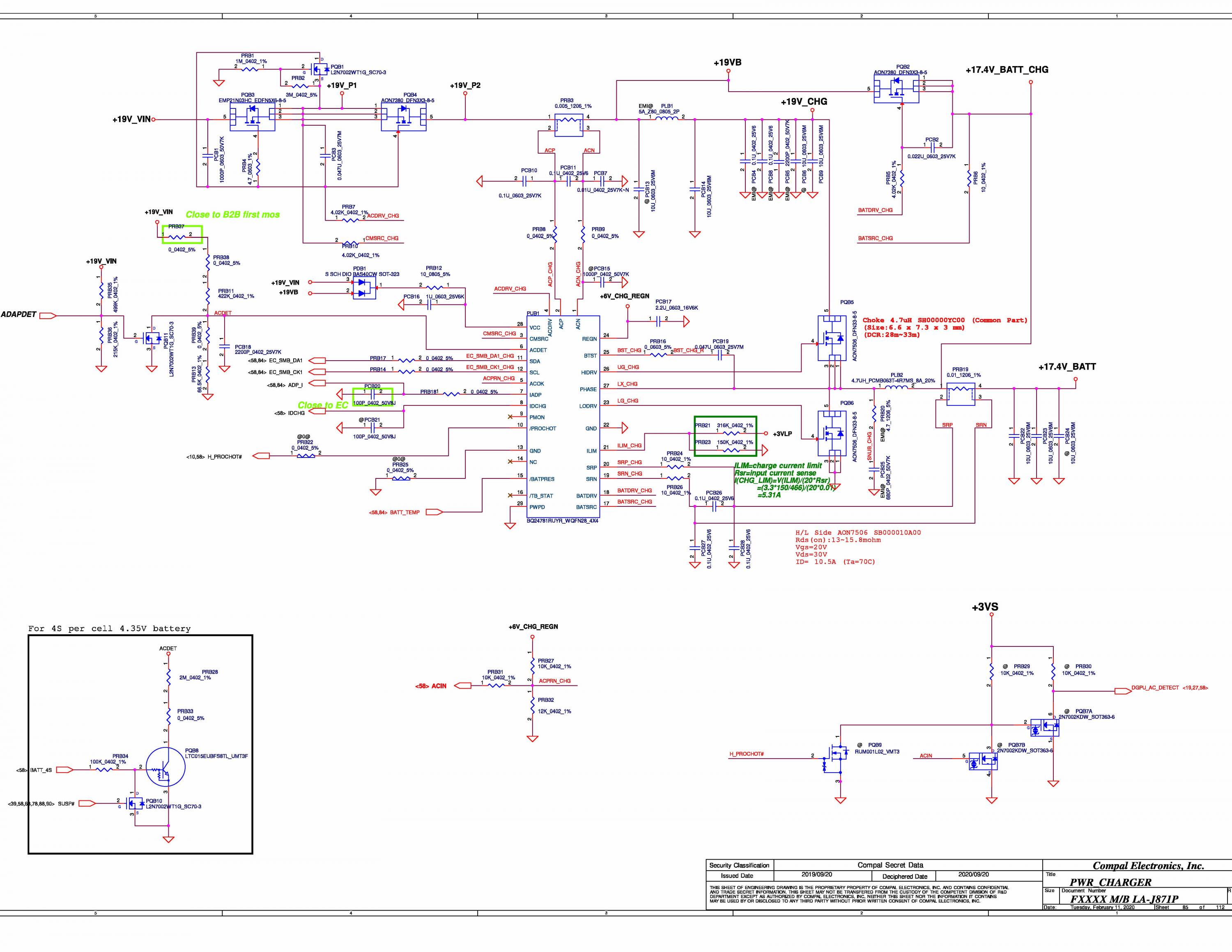
    The circuit diagram and the boardview were generously posted by satishkumar.

    I have tried following the Beginner's guide to laptop troubleshooting and started by taking measurements on the charging system.

    I get 19V on the PQB3 MOSFET input and nothing on the output (pardon my ignorance of the proper terminologies)
    Does this point to a bad MOSFET or could it be another component?

    I have attached the charging diagram and some pictures of the board.
    Happy to answer any question and take additional measurements as required.

    Hopefully, the experts here can help point me in the right direction.
    Thanks in advance.
    Attached Files

    if you find these attachements useful please consider making a small donation to the site

  • mon2
    Badcaps Legend
    • Dec 2019
    • 14859
    • Canada

    #2
    Re: Acer Nitro 5 N20C1 no power no charging

    Very good summary and quality pics.

    Yes, the dcin mosfets are the usual suspects. The charger IC is the BQ style which drives the N-channel mosfets.

    Being N-channel, the gate pin #4 of the DCin mosfets has to be higher than the voltage they are passing between the source / drain pins. For this logic board, the gate pin should be ~25volts to enable the mosfet.

    If you have 0 volts on the gate pin, the mosfet will be off.

    Measure the voltage of REGN pin of the charger IC.

    Also, ACDRV of the charger IC. You can measure before PRB7 resistor. If still 0 volts, power down, carefully flux and remove PRB7. Do not lose this part.

    Power up and measure the ACDRV pin again. Is it now ~25v ?

    The above sticky from @Piernov is a must read on the charger circuits and their operation. From his experience, often, the 2nd DCin mosfet gets damaged and needs to be replaced. After a few tests, we will know what is the fault of your logic board. If you have a spare or donor, replace the 2nd mosfet as a quick test. Best to debug in order and do post your measurements.

    Comment

    • redoxy
      Senior Member
      • Sep 2018
      • 100
      • Canada

      #3
      Re: Acer Nitro 5 N20C1 no power no charging

      Thanks, mon2 for the reply. Here are the measurements I took of the charger IC.
      REGN = 0.133V
      ACDRV = jumping between 0.035 and 0.058V

      I read through @Piernov's excellent write up on troubleshooting but I must say I am a complete noob and sometimes I get lost following.

      I haven't been able to take off PRB7 yet since I need some practice given the location. A hot air solder might blow out the nearby components.
      While I practice to try and take out PRB7, are there anything else I could try or that is the next logical step before anything else?

      Unfortunately I do not have a spare board.

      Cheers!

      Comment

      • Sephir0th
        Badcaps Legend
        • Oct 2020
        • 1289
        • Germany

        #4
        Re: Acer Nitro 5 N20C1 no power no charging

        I think the most important question wasn't asked and answered at this point:

        Do we have a short to GND of the Main power rail?
        FairRepair on YouTube

        Comment

        • mon2
          Badcaps Legend
          • Dec 2019
          • 14859
          • Canada

          #5
          Re: Acer Nitro 5 N20C1 no power no charging

          REGN is not correct and should be ~6 volts.

          Confirm the voltage to the charger IC at pin #28 (VCC).

          What is the voltage to ground on this pin?

          If you do not see about 19 volts here, the chip is not being powered through the dual diode. The dual diode accepts voltage from the external power adapter and the battery. The higher voltage between the two power sources is selected by the dual diode without contention to power this charger IC.

          Comment

          • redoxy
            Senior Member
            • Sep 2018
            • 100
            • Canada

            #6
            Re: Acer Nitro 5 N20C1 no power no charging

            My apologies mon2 for posting wrong data in my previous post.
            I measured the wrong pins as I was looking at the boardview on a single monitor and switching between that and the camera. I did not realize the image in the boardview was "vertically flipped". Only realized after moving to a dual monitor and having the boardview and camera side by side. I have attached a picture to show. I feel like a moron right now .

            The readings are as follows:
            Input Voltage = 19.3V (thought to include in case it is of any value)
            REGN = 6.04V
            ACDRV = 5.7V
            Pin 28 = 18.89V

            @Sephir0th, I will try and read through @Piernov's guide again to see how I can determine that.
            Attached Files

            if you find these attachements useful please consider making a small donation to the site

            Comment

            • mon2
              Badcaps Legend
              • Dec 2019
              • 14859
              • Canada

              #7
              Re: Acer Nitro 5 N20C1 no power no charging

              The readings are as follows:
              Input Voltage = 19.3V (thought to include in case it is of any value)
              REGN = 6.04V
              ACDRV = 5.7V ; should be ~25 volts
              Pin 28 = 18.89V
              These are good readings except for ACDRV.

              Power down -> locate PRB7 resistor. It is the ~4k ohms resistor that mates directly to the ACDRV pin of the charger IC. You can use your meter in DIODE mode and when you find the proper resistor, it should beep out a tone = ~0 ohms so tone will be heard.

              Once you find this PRB7 resistor, configure your meter in resistance mode (still NO power to the logic board) -> measure the resistance across PRB7 contacts. Is it ~4k ohms = 4000 ohms ? If yes, then 100% you have found the correct resistor which will be BLACK in the body color (black is common for resistor colors in the industry for SMD packages).

              Then apply flux and with care & tweezers, remove this part. Do not lose the part.

              Then power up again and check if the ACDRV is now ~25 volts or not.

              The above is a recommended procedure. Another method you can apply is to check the mosfet resistance. That is, a defective mosfet can cause the ACDRV pin voltage to be low / incorrect.

              Proceed as follows:

              Remove all power. Meter in resistance mode.

              Check the resistance across the mosfet pins:

              source (1-2-3) & drain (5-6-7-8)
              source (1-2-3) & gate (4)
              gate (4) & drain (5-6-7-8)


              Post each measurement. Repeat for each of the DCin mosfets. As per @Piernov's article - most likely the 2nd mosfet is defective.

              As suggested by @Sephir0th, do measure the resistance to ground of the main power rail that follows after the 2 x DCin mosfets. So measure @ PQB4, pins 5-6-7-8 (pick any one of these pins) & other probe to ground. What is the resistance of the main power rail ?

              This is to confirm there is no shorted component (ie. a bad tantalum cap) that is causing the low resistance and caused damage to the 2nd mosfet.

              Summary: ACDRV is too low to enable the 2 x DCin mosfets. The fault could be with the charger IC or the load = DCin mosfets (most likely). Why did the mosfet get killed ? Perhaps due to an excessive load on the main power rail.

              From other case, likely PQB4 will need to be replaced but post each requested measurement. PQB4 is a jellybean part and many replacements are available. Donor boards or from Digikey / Mouser / Arrow are viable sources. Old boards from Ebay are options as well.

              Will check your details later -> just had our first snowflakes for the season and yard has too many leaves that need to be bagged...

              Comment

              • redoxy
                Senior Member
                • Sep 2018
                • 100
                • Canada

                #8
                Re: Acer Nitro 5 N20C1 no power no charging

                Thanks again mon2 for your patience and detailed directions.

                I located PRB7 and the resistance is 4.02k ohms.
                I predictably used to alternative method since it did not involve desoldering

                Below are the numbers:

                PQB3
                source (1-2-3) & drain (5-6-7-8) = 4.1 3M ohms
                source (1-2-3) & gate (4) = 10.86 M ohms
                gate (4) & drain (5-6-7-8) 15.8 M ohms

                PQB4
                source (1-2-3) & drain (5-6-7-8) = 3.7 M ohms
                source (1-2-3) & gate (4) = OL
                gate (4) & drain (5-6-7-8) = OL

                I can also confirm there is a short to ground following the procedure you outlined.

                Not sure if this is the correct way of testing but I measured the resistance across PCB3 since it was the only cap in the vicinity and on the same line as PRB7 and ACDRV and it was OL .

                Does that indicate the cap is bad is something else is the culprit.

                We got our damp of snow Monday to Wednesday and still have plenty on the ground for sledding.

                Comment

                • mon2
                  Badcaps Legend
                  • Dec 2019
                  • 14859
                  • Canada

                  #9
                  Re: Acer Nitro 5 N20C1 no power no charging

                  PQB3
                  source (1-2-3) & drain (5-6-7-8) = 4.1 3M ohms
                  source (1-2-3) & gate (4) = 10.86 M ohms
                  gate (4) & drain (5-6-7-8) 15.8 M ohms

                  PQB4
                  source (1-2-3) & drain (5-6-7-8) = 3.7 M ohms
                  source (1-2-3) & gate (4) = OL
                  gate (4) & drain (5-6-7-8) = OL
                  These are all good resistance readings. OL means 'over limit' on your meter. That is, the meter is stating the selected meter scale is too low for the resistance reading. Respectively, select the next higher scale and try again till you have a valid resistance reading. If you are on the highest scale, no fault here on the mosfets.

                  With your meter on resistance mode -> place one probe on PQB4, pin 5-6-7-8 (any of these) & other probe to ground.

                  You are checking to see if there is a shorted component on the output side of the mosfet @ PQB4. This is the side that powers the logic board.

                  Consider to think of these 2 mosfets like solid state switches (SPST) or relays. Only if they BOTH turn ON with the proper ACDRV voltage to the GATE pins, only then these mosfets pass the voltage to the logic board.

                  While doing resistance checks, what is the resistance of ACDRV to ground?

                  Never have power to the board when performing DIODE or RESISTANCE checks.

                  Still need to determine why ACDRV is not ~25 volts which is required to enable these 2 x DCin mosfets...

                  Comment

                  • redoxy
                    Senior Member
                    • Sep 2018
                    • 100
                    • Canada

                    #10
                    Re: Acer Nitro 5 N20C1 no power no charging

                    The multimeter is autoranging so I let it do the work . The maximum resistance spec for the multimeter is 40M ohms (+/- 1.2%) in case that is of any value

                    The resistance of PQB4 pin 5-6-7-8 to ground = 1.4 ohms

                    Resistance of ACDRV to ground = Over limit

                    Comment

                    • mon2
                      Badcaps Legend
                      • Dec 2019
                      • 14859
                      • Canada

                      #11
                      Re: Acer Nitro 5 N20C1 no power no charging

                      The resistance of PQB4 pin 5-6-7-8 to ground = 1.4 ohms
                      Not good. You have a shorted part at the load side. Hopefully a bad capacitor.

                      Do you have an adjustable power supply?

                      Can it dial up 0.8 volts? Ideally 5-10 amps or higher. If yes, it can be used to inject this low voltage to heat up the bad part. Hoping it is a shorted tantalum capacitor which is common. We need to keep the voltage low in case this rail is leaking into the cpu vcore rail.

                      Need to hit home depot..bbl.

                      Comment

                      • redoxy
                        Senior Member
                        • Sep 2018
                        • 100
                        • Canada

                        #12
                        Re: Acer Nitro 5 N20C1 no power no charging

                        Originally posted by mon2

                        Do you have an adjustable power supply?

                        I do not have one but just ordered one from Amazon for delivery tomorrow.

                        Comment

                        • redoxy
                          Senior Member
                          • Sep 2018
                          • 100
                          • Canada

                          #13
                          Re: Acer Nitro 5 N20C1 no power no charging

                          I received the adjustable power supply. It is rated 0-30VDC and 10A.
                          I tested voltage at 0.8V with a multimeter and I am measuring 0.82V. When set to 1V, I measure 1.025 - 1.028V.

                          Hopefully, this is an acceptable variance.

                          Comment

                          • mcplslg123
                            Badcaps Legend
                            • Jun 2015
                            • 7262
                            • india

                            #14
                            Re: Acer Nitro 5 N20C1 no power no charging

                            Now inject voltage on pin5-6-7-8 of PQB4 and monitor the current draw on dc supply and observe which part of the board is warming up and narrow down further. It could be a cap/mosfet/IC-we dont know yet. The voltage shouldnt exceed 1V, amp you can go in increasing unless you feel what is getting hot.

                            Comment

                            • redoxy
                              Senior Member
                              • Sep 2018
                              • 100
                              • Canada

                              #15
                              Re: Acer Nitro 5 N20C1 no power no charging

                              Thanks, mcplslg123 for the reply.
                              I set the voltage to 0.9V and injected voltage as directed. The maximum current displayed on the power supply was ~1.5A.
                              The voltage displayed on the power supply dropped to ~0.63V under the load.
                              I tried feeling around the board with my fingers, but nothing stood out as being hot, both on the front of the board and back.
                              The CPU was the only part that felt slightly warm to me.
                              I plan on buying a thermal imaging camera on my way from work today to confirm.

                              My question is could the CPU feeling warm point to a bad CPU and so I shouldn't bother spending the money on the thermal imaging camera or that is normal under the circumstances?
                              Thanks again.

                              Comment

                              • mcplslg123
                                Badcaps Legend
                                • Jun 2015
                                • 7262
                                • india

                                #16
                                Re: Acer Nitro 5 N20C1 no power no charging

                                1.5A is lot of current but these newer SOC boards dont heat up much-you just need to feel a little bit of warmth and then find the culprit in the target area.

                                What was the amp you injected. I see yours is 10A. Go on increasing the amp while keeping voltage constant at 1V. Is there any difference??

                                Does the smaller die on the SOC(CPU+PCH) is heating up?? Thats PCH part of the SOC and if your answer is yes, then that's pretty bad news.

                                Comment

                                • redoxy
                                  Senior Member
                                  • Sep 2018
                                  • 100
                                  • Canada

                                  #17
                                  Re: Acer Nitro 5 N20C1 no power no charging

                                  Unfortunately, the power supply I bought does not tell what the set amps is when operating in constant voltage mode, so I am not exactly sure what the set amps were.

                                  I will be ordering another one.

                                  The board I have doesn't seem to have the CPU and PCH on the same die (not sure if I am using the right terms here). I am attaching a picture of the entire board for reference.

                                  While I wait to get the new power supply, is there a way of ruling out the CPU as the shorted part?

                                  If it is a dead end due to a shorted CPU, I might as well throw in the towel now.
                                  Attached Files

                                  if you find these attachements useful please consider making a small donation to the site

                                  Comment

                                  • Sephir0th
                                    Badcaps Legend
                                    • Oct 2020
                                    • 1289
                                    • Germany

                                    #18
                                    Re: Acer Nitro 5 N20C1 no power no charging

                                    You can just short the probes together to see how much amps are set. And you can set set Amos while the probes are shorted together. Just saying
                                    FairRepair on YouTube

                                    Comment

                                    • mcplslg123
                                      Badcaps Legend
                                      • Jun 2015
                                      • 7262
                                      • india

                                      #19
                                      Re: Acer Nitro 5 N20C1 no power no charging

                                      Yours is a gaming mb and has separate PCH and CPU along with dedicated graphics chip.

                                      Comment

                                      • redoxy
                                        Senior Member
                                        • Sep 2018
                                        • 100
                                        • Canada

                                        #20
                                        Re: Acer Nitro 5 N20C1 no power no charging

                                        @sephir0th, I tried shorting the leads, but I couldn't trust the readings on the power supply. When the dial is turned all the way to max, it was showing around 4.7A when leads are shotted although the unit is rated 10A.

                                        I received the new one I ordered, which seems to perform much better, and I am able to set current and voltage at the same time.
                                        Below are the settings and readings from the unit during voltage injection.

                                        When I set unit at 0.8V and 1.0A, the output on the power supply during voltage injection was 0.81V and 1.0A
                                        Nothing felt warm to me when feeling around the board except the CPU, which was barely noticeable.

                                        I increased the amperage to 2 and the reading during voltage injection was 0.8V and 1.43A. Left it for a few minutes and the amperage never went up.
                                        Increasing the current to 3A didn't change the current draw. It was still 1.43A.
                                        Again, nothing felt warm besides the CPU.

                                        I tried using a thermal camera and the results were inconclusive (at least to me) as the only obvious hot part was the CPU.
                                        I took a few pictures, from the thermal camera, which are attached in case those with more experience with thermal imaging spot something that I did not notice.

                                        Any insights as to why the current draw is only 1.43A.
                                        I'd appreciate additional input on what I can try next in troubleshooting.

                                        Thanks in advance.
                                        Attached Files

                                        if you find these attachements useful please consider making a small donation to the site

                                        Comment

                                        Related Topics

                                        Collapse

                                        Working...