Recognize element LA-J662P (N18E)

Collapse
X
 
  • Time
  • Show
Clear All
new posts
  • bykanovm
    Senior Member
    • Aug 2022
    • 95
    • Украина

    #1

    Recognize element LA-J662P (N18E)

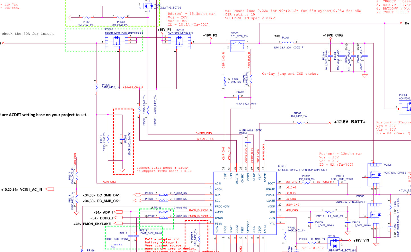
    Good afternoon. Help to identify the element on the platform LA-J662P (N18E), Stands under the designation PQ805, to the left of the throttle PL802. The pad is not at all like the pad for the transistor. In the position of PQ804 there is an ordinary N-channel 50A transistor, but the place of PQ805 is completely different. Couldn't find a diagram.
  • mon2
    Badcaps Legend
    • Dec 2019
    • 14663
    • Canada

    #2
    Re: Recognize element LA-J662P (N18E)

    Post pictures. Any other markings on the logic board ? Is it a Dell ?

    Comment

    • bykanovm
      Senior Member
      • Aug 2022
      • 95
      • Украина

      #3
      Re: Recognize element LA-J662P (N18E)

      Notebook Notebook HP OMEN 15-dh1000 15-DH1050NR




      Board Marking LA-J622P
      Attached Files

      Comment

      • mon2
        Badcaps Legend
        • Dec 2019
        • 14663
        • Canada

        #4
        Re: Recognize element LA-J662P (N18E)

        The device will be a n-channel mosfet that is linked to the ISL88739 device to the left of this missing part.

        See attached ref ISL88739 schematic and review which mosfet is onboard your logic board. That is, this controller drives 2 x DCin mosfets.

        Found a ref schematic with AON7506 (Alpha Omega) and also MDU1512.

        If your missing part is the first mosfet, use the MDU1512. If it is the 2nd mosfet, use AON7506.

        Update - review the pin # 4 of the missing part = GATE. Then locate where this GATE pin ends up on the ISL88739. Then we will know exactly how this missing mosfet is being used on your logic board.



        https://www.bing.com/images/search?v...D0&vt=2&sim=11
        Attached Files
        Last edited by mon2; 08-26-2022, 08:46 AM.

        Comment

        • Sephir0th
          Badcaps Legend
          • Oct 2020
          • 1289
          • Germany

          #5
          Re: Recognize element LA-J662P (N18E)

          Sorry, but I have to insist here. Imho from inspecting the pic alone it's a dual MOSFET for charging the battery. Ofc, needs to be confirmed but I'm pretty sure we're not dealing with simple DC-IN MOSFETs here.

          Need to check what can be used with this controller from schematics of other devices with same components if nothing else is available as source.
          FairRepair on YouTube

          Comment

          • mon2
            Badcaps Legend
            • Dec 2019
            • 14663
            • Canada

            #6
            Re: Recognize element LA-J662P (N18E)

            Hi. From the grouped pcb pads, it is not possible to house dual mosfets inside this 8 pin package.

            Comment

            • Sephir0th
              Badcaps Legend
              • Oct 2020
              • 1289
              • Germany

              #7
              Re: Recognize element LA-J662P (N18E)

              Indeed?

              Well, to me it looks like a pretty standard Dual-Mosfet layout. But who knows, maybe I'm just sharing bullsh*t...
              Attached Files
              FairRepair on YouTube

              Comment

              • mon2
                Badcaps Legend
                • Dec 2019
                • 14663
                • Canada

                #8
                Re: Recognize element LA-J662P (N18E)

                To me it looked like pins 5-6-7-8 are shorted but could be my fading 4 eyes. OP can confirm the details. I may have to forfeit the LG washer and dryer on this one.

                Comment

                • bykanovm
                  Senior Member
                  • Aug 2022
                  • 95
                  • Украина

                  #9
                  Re: Recognize element LA-J662P (N18E)

                  Originally posted by Sephir0th
                  Indeed?

                  Well, to me it looks like a pretty standard Dual-Mosfet layout. But who knows, maybe I'm just sharing bullsh*t...
                  ou correctly noted everything. This is exactly how the contacts are located. I also think that Dual-Mosfet should be here. The center pin (Phase) goes to the charge choke PQ802.
                  But I don't see ISL88739 Dual-Mosfet on the diagram, maybe I'm not looking right?

                  Comment

                  • Sephir0th
                    Badcaps Legend
                    • Oct 2020
                    • 1289
                    • Germany

                    #10
                    Re: Recognize element LA-J662P (N18E)

                    The screenshot of the schematics shared here before was from a similar circuit, not exactly yours. So we have either to either find another DC-IN circuit with use of this Dual-Mosfet or maybe someone has experience from other boards using Dual-Mosfets for charging and can give a hint for a suitable replacement.
                    FairRepair on YouTube

                    Comment

                    • superhache
                      Member
                      • Nov 2018
                      • 46
                      • Argentina

                      #11
                      Re: Recognize element LA-J662P (N18E)

                      Hello , looks like got the same boad for repair ,PQB05 marking is B09A03 seems to be this one

                      EMB09N03G
                      Attached Files

                      Comment

                      • SMDFlea
                        Super Moderator
                        • Jan 2018
                        • 21880
                        • UK

                        #12
                        Re: Recognize element LA-J662P (N18E)

                        Originally posted by superhache
                        Hello , looks like got the same boad for repair ,PQB05 marking is B09A03 seems to be this one

                        EMB09N03G
                        This one EMB09A03HP
                        .
                        Attached Files
                        All donations to badcaps are welcome, click on this link to donate. Thanks to all supporters

                        Comment

                        Related Topics

                        Collapse

                        • Document Archive
                          MSI Gaming GS65 8SE N18E-G1 Stealth Notebook GS Specification for Upgrade or Repair
                          by Document Archive
                          This specification for the MSI Gaming GS65 8SE N18E-G1 Stealth Notebook can be useful for upgrading or repairing a laptop that is not working. As a community we are working through our specifications to add valuable data like the GS65 8SE N18E-G1 Stealth boardview and GS65 8SE N18E-G1 Stealth schematic. Our users have donated over 1 million documents which are being added to the site. This page will be updated soon with additional information. Alternatively you can request additional help from our users directly on the relevant badcaps forum. Please note that we offer no warranties that any specification,...
                          09-06-2024, 08:35 AM
                        • Document Archive
                          MSI Gaming GS65 8SF N18E-G2 Stealth Notebook GS Specification for Upgrade or Repair
                          by Document Archive
                          This specification for the MSI Gaming GS65 8SF N18E-G2 Stealth Notebook can be useful for upgrading or repairing a laptop that is not working. As a community we are working through our specifications to add valuable data like the GS65 8SF N18E-G2 Stealth boardview and GS65 8SF N18E-G2 Stealth schematic. Our users have donated over 1 million documents which are being added to the site. This page will be updated soon with additional information. Alternatively you can request additional help from our users directly on the relevant badcaps forum. Please note that we offer no warranties that any specification,...
                          09-06-2024, 08:35 AM
                        • flysky
                          Gigabyte H610M S2H V2 help to identify the element.
                          by flysky
                          There is a motherboard Gigabyte H610M S2H V2 (DDR5), I can't find boardview
                          Help to identify the element, marking on the element - C31PH. It stands next to the USB 3.0 and it looks like it is ESD Protect chip. We need a datasheet to this element. Maybe someone has already identified such an element. Help please.​






                          ...
                          01-23-2025, 07:21 PM
                        • EasyGoing1
                          The best way to drive a heating element?
                          by EasyGoing1
                          I've got this circuit that I've been playing with on a breadboard. I'm not happy with it mainly because the MOSFET gets too hot and generally controlling the temp of the heating element with the Arduino has proven to be a little more cumbersome than I would like.

                          What I would like to know, is what is the best way to set up a circuit like this? The heating element is just a PCB and its going to be mounted under a 3D-printed enclosure that a lizard will use to warm his belly.

                          This is the general setup that I have now.



                          This is what the...
                          01-25-2023, 11:29 AM
                        • sam_sam_sam
                          Heater element wire type instead of a fuse when troubleshooting a short circuit DIY
                          by sam_sam_sam
                          I was Ollie today which is a close out / surplus outlet store I do not go in there to often because you find things that you should not be tempted by but that is a another story

                          I saw a small space heater that used a wire type of heater element which I been looking for a while but not really hard mind you but when I saw this I grabbed it I going to go back tomorrow and buy the last one that is like the one I bought today because I need the heater element and the ceramic insulators and more of heat element wire because this one has two different wattage settings one 1300 watts ( tap...
                          12-16-2023, 08:39 PM
                        • Loading...
                        • No more items.
                        Working...