Alienware 17 R3 (LA-C912P) Powers on then powers off after 4-6 seconds

Collapse
X
 
  • Time
  • Show
Clear All
new posts
  • ResoluteHawk
    Senior Member
    • Nov 2021
    • 154
    • United States

    #1

    Alienware 17 R3 (LA-C912P) Powers on then powers off after 4-6 seconds

    I have an Alienware 17 R3 (board is a C912P) that I recently starting trying to repair. Originally the issue was the charger going into protection mode when plugged in to the laptop. I found a short on the motherboard (one of the capacitors on the back of the board under the DRMOSes for the CPU) and the charger when plugged in now doesn't go into protection mode anymore. The laptop powers on, the lights on the keyboard, alien head, and alienware logo light up, and the fans spin. The issues are:

    1) The battery doesn't charge. I've probed the charger jack and it's only receiving 0.633v when in my experience it should be getting much more voltage going through to the battery. The alien head should also light up when the battery is charging and it doesn't even though I've made sure that all the ribbon cables are attached properly.
    2) The board doesn't stay on for more than 5 seconds. It will power on, the keyboard lights up along with the Alienware logo. The alien head will light up after 4 seconds but almost instantly after that it will shut off and restart, and the cycle repeats. No video signal is ever displayed and the speakers (plugged in) don't give a beep code and no color code on the alien head is ever displayed.
    3) With the heatsink either on or off, I cannot feel the CPU, GPU, nor the PCH getting hot when normally they should be getting warm just from booting.

    I've probed around the board and I am getting the main 19v rail. I am also getting 3.3v and 5v. The coils above the CPU are measuring 3 ohms on both sides. The coils next to the DCIN Jack are also showing the correct voltages. I've also measured the capacitors on top of the PCH chip and they're getting 3.3v as well. I've checked the BIOS chips on pins 1 and 8 and they're getting the correct voltage and not showing a short to ground, except on pin 4 where it is connected to ground. I've also checked that the CMOS battery is good and tried clearing the CMOS. No changes.

    Problem also occurs whether the RAM is seated, only 1 stick, both sticks, or none at all.

    With the above being said, I don't know where to go next in diagnosing what the actual issue is. I've gotten a step farther in getting it to at least power on. Now I want to see if I can make it actually function.

    I do have a board diagram and schematic.
    Last edited by ResoluteHawk; 06-17-2022, 01:10 PM.
  • mon2
    Badcaps Legend
    • Dec 2019
    • 14671
    • Canada

    #2
    Re: Alienware 17 R3 (LA-C912P) Powers on then powers off after 4-6 seconds

    1) Are you using the original power adapter ?

    2) What is the voltage on ACDET pin # 6 of the charger IC (PU700) ?

    What is the voltage measurement on pin # 6 in the ON state ?

    3) Check the voltage again after the unit powers off.

    What is the voltage measurement on pin # 6 in the off state ?

    Comment

    • ResoluteHawk
      Senior Member
      • Nov 2021
      • 154
      • United States

      #3
      Re: Alienware 17 R3 (LA-C912P) Powers on then powers off after 4-6 seconds

      1) Yes I'm using the original adapter (19.5v 9.23a).

      2) Charger plugged in and laptop in off state:
      At ACDET (Pin 6) in the off state is 2.623v. Powered on, it goes down to 2.602v. On the 4th restart, pin 6 measures 2.599v.
      At ACOK (Pin 5) in the on state is 3.3v.
      At ACDRV (Pin 4) in the on state is 19.4v.

      3) After unit powers off, the voltage:
      At ACDET (Pin 6) goes up to 2.623v.
      At ACOK (Pin 5) stays at 3.3v.
      At ACDRV (Pin 4) goes up to 19.65v.

      Also a new development: after the unit reboots itself EXACTLY 4 times it gives 7 beeps; I've never gotten a beep code out of it before possibly because I never let it do it's thing.
      CPU, GPU and PCH are also getting warmer now but they only get warm on the 4th system restart.

      Even with the memory out, the unit still gets 7 beeps.
      Last edited by ResoluteHawk; 06-17-2022, 03:17 PM.

      Comment

      • mon2
        Badcaps Legend
        • Dec 2019
        • 14671
        • Canada

        #4
        Re: Alienware 17 R3 (LA-C912P) Powers on then powers off after 4-6 seconds

        https://www.dell.com/community/Lapto...h/td-p/4115284

        hmm..not sure if the beep code definition is the same for your logic board.

        sounds like the older imac GPU soldering fault...

        https://www.ifixit.com/Answers/View/...eep+at+startup

        Do you have more of these boards at your shop ? Sounds like many are facing this issue.

        Do you have BGA rework setup ?
        Attached Files
        Last edited by mon2; 06-17-2022, 03:56 PM.

        Comment

        • ResoluteHawk
          Senior Member
          • Nov 2021
          • 154
          • United States

          #5
          Re: Alienware 17 R3 (LA-C912P) Powers on then powers off after 4-6 seconds

          Yeah that was my thinking too. I just never got to the point where it beeped at me.

          Unfortunately I don't have a BGA rework station available.

          The problem is I don't know if it's the CPU or GPU since searching the 7 beeps yields either the CPU or GPU having issues.
          Do you think the CPU failing has anything to do with the battery not charging?
          Could the battery just be so dead that it doesn't want to take a charge anymore?
          Last edited by piernov; 06-18-2022, 07:05 AM.

          Comment

          • piernov
            Super Moderator
            • Jan 2016
            • 4439
            • France

            #6
            Re: Alienware 17 R3 (LA-C912P) Powers on then powers off after 4-6 seconds

            Originally posted by mon2
            https://www.dell.com/community/Lapto...h/td-p/4115284

            hmm..not sure if the beep code definition is the same for your logic board.

            sounds like the older imac GPU soldering fault...
            The M5010/M5030 is a completely different machine with a well known garbage AMD RS880 northbridge that dies randomly, and as usual it's never the solder, the chip itself is bad.

            Not everything is a dead GPU.
            OpenBoardView — https://github.com/OpenBoardView/OpenBoardView

            Comment

            • ResoluteHawk
              Senior Member
              • Nov 2021
              • 154
              • United States

              #7
              Re: Alienware 17 R3 (LA-C912P) Powers on then powers off after 4-6 seconds

              Ok so I have a new problem.

              I bought a replacement board for this laptop and it had a similar issue where I would plug it in and the ac adapter would go into protection mode. I injected 1 volt into the board and found the shorted component (cap on the back of CPU VCORE). I then removed the defective cap and replaced it with a good one and checked to make sure the pads connected and that the short is gone.

              The laptop powers on and I was able to get into Windows and test it to make sure it can handle stress. Apex Legends played fine so the laptop is stable. The problem I'm having is that the battery will not charge. Windows 10 shows it as "Plugged In."

              BattInfoView shows that the battery is at 100% health and the charge/discharge rate is 0mv.

              I then probed the battery port on the motherboard and checked that it gets the battery's rated 14.8 volts. It gets 14.4 volts.

              The issue is that the battery is not charging at all but the charging light works as it should to indicate the battery is receiving charge when the laptop is turned off.

              In the BIOS the AC adapter is detected and it also shows that "The battery is performing normally."
              Last edited by ResoluteHawk; 07-06-2022, 11:39 AM.

              Comment

              • mon2
                Badcaps Legend
                • Dec 2019
                • 14671
                • Canada

                #8
                Re: Alienware 17 R3 (LA-C912P) Powers on then powers off after 4-6 seconds

                Measure the voltages on the battery connector with the battery REMOVED.

                Post the measurements.
                Attached Files

                Comment

                • ResoluteHawk
                  Senior Member
                  • Nov 2021
                  • 154
                  • United States

                  #9
                  Re: Alienware 17 R3 (LA-C912P) Powers on then powers off after 4-6 seconds

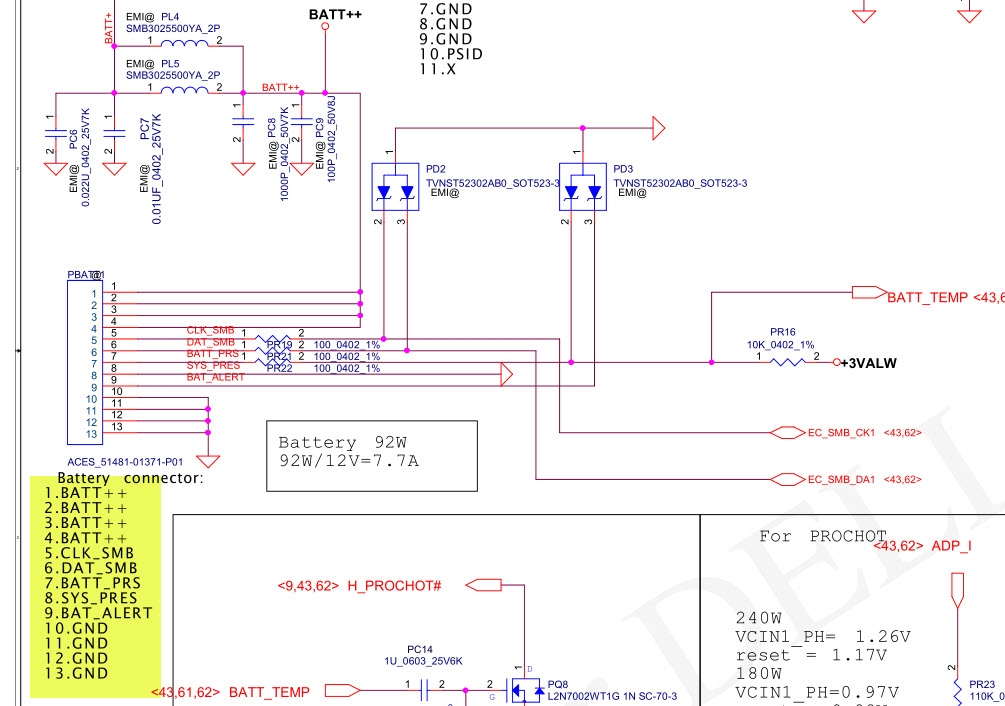
                  Pin 1 => 0.223v
                  Pin 2 => 0.223v
                  Pin 3 => 0.223v
                  Pin 4 => 0.223v
                  Pin 5 (CLK_SMB) => 3.364v
                  Pin 6 (DAT_SMB) => 3.364v
                  Pin 7 (BATT_PRS) => 3.364v
                  Pin 8 (SYS_PRES) => 0v
                  Pin 9 (BAT_ALERT)=> 0v
                  Pin 10 (GND) => 0v
                  Pin 11 (GND) => 0v
                  Pin 12 (GND) => 0v
                  Pin 13 (GND) => 0v
                  Last edited by ResoluteHawk; 07-06-2022, 12:09 PM.

                  Comment

                  • mon2
                    Badcaps Legend
                    • Dec 2019
                    • 14671
                    • Canada

                    #10
                    Re: Alienware 17 R3 (LA-C912P) Powers on then powers off after 4-6 seconds

                    What is the voltage (still WITHOUT a battery) on pin # 15 of PU700 (charger) IC ?

                    Measure with care so the meter leads do not slip.

                    Meter in DC volts mode; 20v scale is ok.

                    Red meter lead on pin # 15 of PU700; black meter lead to ground.

                    See attached.
                    Attached Files

                    Comment

                    • ResoluteHawk
                      Senior Member
                      • Nov 2021
                      • 154
                      • United States

                      #11
                      Re: Alienware 17 R3 (LA-C912P) Powers on then powers off after 4-6 seconds

                      3.362v at pin 15 without the battery connected

                      Comment

                      • mon2
                        Badcaps Legend
                        • Dec 2019
                        • 14671
                        • Canada

                        #12
                        Re: Alienware 17 R3 (LA-C912P) Powers on then powers off after 4-6 seconds

                        What is the voltage of

                        ACDET (pin # 6) on PU700 ?

                        Next, configure the meter into DIODE mode.

                        Remove all power.

                        Red meter lead (yes, RED) to GROUND.

                        Black meter lead to pin # 5 (CLK) of the battery connector. Reading ?

                        Then black meter lead to pin # 6 (SDA) of the battery connector. Reading ?

                        Comment

                        • ResoluteHawk
                          Senior Member
                          • Nov 2021
                          • 154
                          • United States

                          #13
                          Re: Alienware 17 R3 (LA-C912P) Powers on then powers off after 4-6 seconds

                          Pin 6 (PU700) WITH or WITHOUT a battery connected => 2.6v

                          All power out

                          Red on ground, black on pin 5 (CLK), DIODE mode => 0.686 voltage drop
                          Red on ground, black on pin 6 (SDA), DIODE mode => 0.635 voltage drop

                          I would also like to note that the original motherboard that doesn't even get to the BIOS also has the same values.
                          Last edited by ResoluteHawk; 07-06-2022, 02:48 PM.

                          Comment

                          • piernov
                            Super Moderator
                            • Jan 2016
                            • 4439
                            • France

                            #14
                            Re: Alienware 17 R3 (LA-C912P) Powers on then powers off after 4-6 seconds

                            DC-in MOSFETs
                            OpenBoardView — https://github.com/OpenBoardView/OpenBoardView

                            Comment

                            • ResoluteHawk
                              Senior Member
                              • Nov 2021
                              • 154
                              • United States

                              #15
                              Re: Alienware 17 R3 (LA-C912P) Powers on then powers off after 4-6 seconds

                              Originally posted by piernov
                              DC-in MOSFETs
                              They don't show as shorted. I'll check them again and see what happens.

                              Comment

                              • dellxps15
                                Badcaps Legend
                                • Feb 2014
                                • 1598
                                • italy

                                #16
                                Re: Alienware 17 R3 (LA-C912P) Powers on then powers off after 4-6 seconds

                                Alienware Beep Codes Table

                                Laptops
                                1 Possible Motherboard (covers BIOS corruption or ROM error)
                                2 No RAM detected
                                3 Possible Motherboard Chipset
                                4 RAM failure (other)
                                5 CMOS Battery
                                6 Video card/chip
                                7 CPU
                                8 LCD

                                Comment

                                • ResoluteHawk
                                  Senior Member
                                  • Nov 2021
                                  • 154
                                  • United States

                                  #17
                                  Re: Alienware 17 R3 (LA-C912P) Powers on then powers off after 4-6 seconds

                                  Originally posted by dellxps15
                                  Alienware Beep Codes Table
                                  Battery is not charging but the laptop behaves like it is (charging lights, battery is detected in BIOS and Windows, AC adapter is detected in BIOS and Windows).
                                  Last edited by ResoluteHawk; 07-07-2022, 07:34 AM.

                                  Comment

                                  • ResoluteHawk
                                    Senior Member
                                    • Nov 2021
                                    • 154
                                    • United States

                                    #18
                                    Re: Alienware 17 R3 (LA-C912P) Powers on then powers off after 4-6 seconds

                                    So I have a new development.

                                    Battery is brand new and I just had it put in, but it seems like the battery isn't reporting charge percentage or amount correctly to the motherboard.

                                    I left it plugged in overnight to let it charge and the battery charge light came on (Alienhead) to indicate charging.
                                    When I came in this morning, the battery charge light was off so I assumed that the battery was fully charged since the charging light on laptops will normally turn off to indicate a fully juiced battery.
                                    So I turned the laptop on and booted into Windows. The battery was still reporting incorrectly at 4%. So I let it discharge completely and assumed the laptop would shut down when it hit 0%.
                                    The battery measurement inside BatteryInfoView reached 0.0% and the laptop is still on and 30 minutes later still has not shut off.

                                    I'm going to take it at this point that the battery is indeed fully charged.

                                    Something weird happens randomly though; the fans spin up to full and sometimes alternate between CPU and GPU fan and then they go back to idle.

                                    It seems as though the sensor inside the battery is not reporting itself correctly to the motherboard and possibly needs to be reset, is defective, or it could need a BIOS update since the BIOS on the laptop is 1.2.3, which is pre 2015.

                                    Any ideas?
                                    Last edited by ResoluteHawk; 07-07-2022, 08:20 AM.

                                    Comment

                                    • mon2
                                      Badcaps Legend
                                      • Dec 2019
                                      • 14671
                                      • Canada

                                      #19
                                      Re: Alienware 17 R3 (LA-C912P) Powers on then powers off after 4-6 seconds

                                      If the battery is brand new and behaving like reported, it is defective (at least the BMS is) and needs to be returned to your vendor.

                                      Source a known good battery and try again - try Amazon or Mobile Sentrix (recommended). Either way, you can return it if required.

                                      Comment

                                      • ResoluteHawk
                                        Senior Member
                                        • Nov 2021
                                        • 154
                                        • United States

                                        #20
                                        Re: Alienware 17 R3 (LA-C912P) Powers on then powers off after 4-6 seconds

                                        Originally posted by mon2
                                        If the battery is brand new and behaving like reported, it is defective (at least the BMS is) and needs to be returned to your vendor.
                                        That's the thing though; it's not behaving like reported.

                                        The battery could be charged to 100% and the light could be off indicating it's full but it shows 0% in Windows. If I disconnect the power, the laptop stays on even though the battery reads as 0.0%. I ran a YouTube video for an hour and a half before the laptop completely shut off.

                                        I think it could be a firmware mismatch between the battery sensor and the laptop's BIOS. I just have to update the bios from 1.2.3 (the oldest that this laptop can go) up to a version that the battery will like. Since the battery was manufactured in 2021, I'll probably have to get the BIOS updated to the 2021 version.
                                        Last edited by ResoluteHawk; 07-07-2022, 09:18 AM.

                                        Comment

                                        Related Topics

                                        Collapse

                                        • kain0007
                                          Alienware X15R2 P111F black screen after updating windows.
                                          by kain0007
                                          Hi Masters.
                                          I have an Alienware x15R2 laptop that went black after updating Windows.
                                          Could someone help me repair my bin?
                                          Alienware X15R2
                                          ST: 1CJY6M3
                                          Thank you very much for your support....
                                          10-09-2025, 02:20 PM
                                        • Document Archive
                                          Alienware 13 R3 Notebook Specification for Upgrade or Repair
                                          by Document Archive
                                          This specification for the Alienware 13 R3 Notebook can be useful for upgrading or repairing a laptop that is not working. As a community we are working through our specifications to add valuable data like the 13 R3 boardview and 13 R3 schematic. Our users have donated over 1 million documents which are being added to the site. This page will be updated soon with additional information. Alternatively you can request additional help from our users directly on the relevant badcaps forum. Please note that we offer no warranties that any specification, datasheet, or download for Alienware 13 R3 Notebook...
                                          09-06-2024, 06:42 AM
                                        • Document Archive
                                          Alienware 13 R3 Notebook Specification for Upgrade or Repair
                                          by Document Archive
                                          This specification for the Alienware 13 R3 Notebook can be useful for upgrading or repairing a laptop that is not working. As a community we are working through our specifications to add valuable data like the 13 R3 boardview and 13 R3 schematic. Our users have donated over 1 million documents which are being added to the site. This page will be updated soon with additional information. Alternatively you can request additional help from our users directly on the relevant badcaps forum. Please note that we offer no warranties that any specification, datasheet, or download for Alienware 13 R3 Notebook...
                                          09-06-2024, 06:42 AM
                                        • Document Archive
                                          Alienware 13 R3 Notebook Specification for Upgrade or Repair
                                          by Document Archive
                                          This specification for the Alienware 13 R3 Notebook can be useful for upgrading or repairing a laptop that is not working. As a community we are working through our specifications to add valuable data like the 13 R3 boardview and 13 R3 schematic. Our users have donated over 1 million documents which are being added to the site. This page will be updated soon with additional information. Alternatively you can request additional help from our users directly on the relevant badcaps forum. Please note that we offer no warranties that any specification, datasheet, or download for Alienware 13 R3 Notebook...
                                          09-06-2024, 06:34 AM
                                        • Document Archive
                                          Alienware 13 R3 Notebook Specification for Upgrade or Repair
                                          by Document Archive
                                          This specification for the Alienware 13 R3 Notebook can be useful for upgrading or repairing a laptop that is not working. As a community we are working through our specifications to add valuable data like the 13 R3 boardview and 13 R3 schematic. Our users have donated over 1 million documents which are being added to the site. This page will be updated soon with additional information. Alternatively you can request additional help from our users directly on the relevant badcaps forum. Please note that we offer no warranties that any specification, datasheet, or download for Alienware 13 R3 Notebook...
                                          09-06-2024, 06:27 AM
                                        • Loading...
                                        • No more items.
                                        Working...