Hello everyone, I have this macbookpro 13 2017 a1408 that turning it on does not hear the (boing) and does not display anything. But by connecting an external video you can see it perfectly. Could it be a screen or mainboard problem?
Apple macbookpro 13" A1708 2017
Collapse
X
-
Re: Apple macbookpro 13" A1708 2017
tried a PRAM reset -
Comment
-
Re: Apple macbookpro 13" A1708 2017
If you apply a flashlight on the display, can you see any of the screen graphics? Try from front side at various angles.
Flexgate was common to more than 2016 models.
We had to replace the full display assembly to fix a client's a1707 with similar issues. The display however would come and go at a certain angle of the lid opening. After replacing the display assembly, worked fine. Client just wanted it working and said he would challenge Apple on his own.
For your unit, do you see video every time on the external display?
Any liquid damage to the logic board?
Post the backlight voltage for the lcd display with the lid open.
Also see here:
https://www.ifixit.com/Answers/View/...6+no+backlightComment
-
Re: Apple macbookpro 13" A1708 2017
A1708 2016 and 2017 are the exact same machine (apart from the newer CPU) so of course they have the same defect. It's just a scam from Apple. (A1707 is also affected but not covered either, and newer models are a bit more reliable but the issue is still there)
If you go to Apple Store or AASP and insist a bit they may accept to repair it for free as well.
That's of course if it is indeed a flexgate issue. If it is liquid damage or physical damage that won't work.OpenBoardView — https://github.com/OpenBoardView/OpenBoardViewComment
-
Re: Apple macbookpro 13" A1708 2017
The mac disassembling it is very clean it does not seem to have worked so much, every time I turn it on you can see it on an external monitor and by properly lighting the video you see the screen. How can I check the backlight voltage?Comment
-
Re: Apple macbookpro 13" A1708 2017
If you CAN see the LCD display (on the macbook) with a flashlight / phone, etc. light then your backlight is defective.
This is a boost regulator that takes in a low voltage and multiplies the voltage (boost) to 25-45 volts for the LEDs that are behind the LCD display. Once this voltage rail is working, you can see the display.
The question now is if the backlight voltage is defective or working ok at the logic board level but due to flexgate (ie. broken cables to the display assembly) not reaching the led matrix of the display assembly.
Can you post the 820-xxxx logic board number for your macbook pro ?
If not known, will try to locate it another way. Once we have the details, using the boardview file viewer, we can locate the backlight voltage rail for your inspection.
You will need a multimeter in voltage mode setting.
Would you have this tool ? If not, you should be able to at least arm yourself with enough info to take it to a local repair shop. Often Apple likes to use the TI LP8550 LED driver IC which is around $3 USD each + labor to install the part.
https://www.ti.com/product/LP8550?ke...rch-everything
Let me check some schematics to confirm...
Ok, it is a different part from TI - see attached for the 2 logic boards used by Apple for the A1708.
Have a look at the PCB shape - which shape is your logic board ?Last edited by mon2; 05-28-2021, 09:07 AM.Comment
-
Re: Apple macbookpro 13" A1708 2017
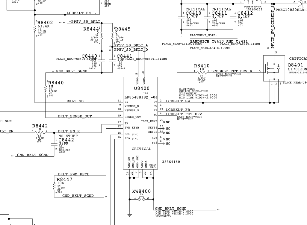
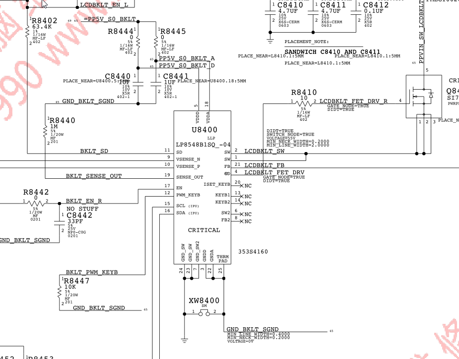
Check and review the voltage @ L8410, pin # 2.
Be very careful on the powering of the logic board and keep away from all metal objects during this review. Must not short circuit out to anything else on your work table.
This inductor (coil @ L8410 may be on the bottom side of your logic board).
With your meter in volts mode, black meter probe to ground -> red meter probe to pin # 2 of L8410.
Post your readings.
Update - you can probe the backlight voltage on the TOPSIDE
See revised last pix.Last edited by mon2; 05-28-2021, 12:42 PM.Comment
-
Re: Apple macbookpro 13" A1708 2017
not need to check have two of them with same backlight issue. when u check backlight flex u will see there is crack on it. bad apple design. as repair their make longer flex that not bend/crackComment
-
Re: Apple macbookpro 13" A1708 2017
@ktmmotocross, I think OP is saying the backlight voltage on the logic board is @ 11.68V for the LED driver.
Does the LED driver require the LCD display mated to generate this backlight voltage ?
Unless I am mistaken (could be), the logic board should generate the backlight at a much higher voltage even with the LCD not connected. It is just a boost power supply but not sure if this boost power supply is enabled over I2C / SMBUS interface ONLY after the LCD is detected.
I think if U8400 (Pin 17 = EN) is HIGH, then the LCD backlight should be much higher in value.Comment
-
Re: Apple macbookpro 13" A1708 2017
Backlight won't be enabled with no LCD connected.OpenBoardView — https://github.com/OpenBoardView/OpenBoardViewComment
Related Topics
Collapse
-
by stefanbsThe laptop is Apple Macbook A1534 2017 with board 820-00687-А. The USB-C tester shows no voltage, there is 820-00244-А board available. I looked at both schematics, all connector signals seem to be the same. Did someone try to fit 820-00244-А board in A1534 2017?05-11-2025, 01:08 AM
-
by a_p3rsonHi there,
I'm looking for anyone who might have information on Apple's embedded Apple Watch charging daughterboard, ID 820-02601. This is currently used by Anker in their Apple Watch charging products, but likely by other Apple partner brands as well.
You can see the board referenced in ChargerLab's teardown of the Anker Y1811 3-in-1 MagSafe cube - they discuss the "Apple Watch wireless charging circuit" about 2/3rds down the page. It's not pictured, but the board ID reads 820-02601-A, which sure sounds like Apple.
This daughterboard uses an interesting...-
Channel: Schematic Requests ONLY!
04-21-2025, 11:41 PM -
-
Apple MacBook Pro laptop A1708 ECM3154 820-00840-A Boardview...
-
Channel: Schematics and Boardviews
-
-
Apple MacBook Pro 13" A1708 820-00875 051-02265 Schematic & Board View...
-
Channel: Schematics and Boardviews
-
-
Apple MacBook Pro A1708 820-00840-A Schematic & Board View...1 Photo
-
Channel: Schematics and Boardviews
-
- Loading...
- No more items.
Comment