ACER 5742 Dead M/Board

Collapse
X
 
  • Time
  • Show
Clear All
new posts
  • Techtiger
    Badcaps Legend
    • Oct 2014
    • 1602
    • france

    #41
    Re: ACER 5742 Dead M/Board

    Originally posted by John McGivern
    Sorry for delay guys, been awaiting part from China. I removed cpu heat sink and cpu also memory. After great difficulty removed shorted chip I am now ready to test for short again but would like some advice as I don't want to short anything else out if possible. Should I reinstall memory and cpu + heat sink? What voltage and current should I apply? I haven't soldered in the new chip yet as I want to see if short is gone. I notice a sort of plastic gasket that surrounds cpu has curled up and hardened with preheat to board, does anyone know what this material is and where to buy a new one or can it be left out? Many thanks.
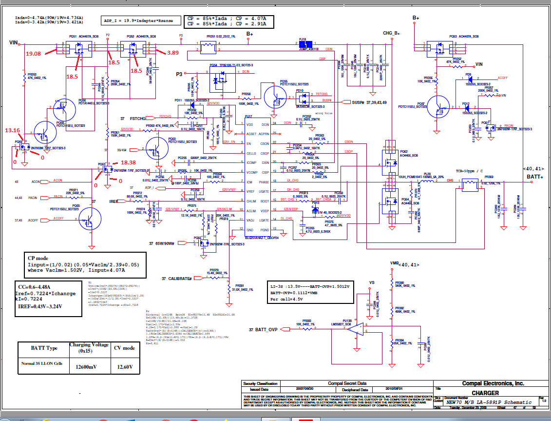
    Upload a pic of Area you have you removed Si7686DP test the resestence to GND All Pads Si7686DP
    Last edited by Techtiger; 11-19-2019, 02:10 AM.

    Comment

    • John McGivern
      Senior Member
      • Dec 2013
      • 195
      • uk

      #42
      Re: ACER 5742 Dead M/Board

      source 18.9ohms, gate 14.5kohms, drain 3Mohms dropping unstable.
      See attachment photo. Thank you.
      Attached Files

      Comment

      • John McGivern
        Senior Member
        • Dec 2013
        • 195
        • uk

        #43
        Re: ACER 5742 Dead M/Board

        latest update could do with some help.
        Replaced chip, cpu,fan so injected 19v see attachments for voltages.
        Attached Files

        Comment

        • Techtiger
          Badcaps Legend
          • Oct 2014
          • 1602
          • france

          #44
          Re: ACER 5742 Dead M/Board

          If you look back post 32# pic you will understand how the 1st 2 fets working

          Comment

          • Techtiger
            Badcaps Legend
            • Oct 2014
            • 1602
            • france

            #45
            Re: ACER 5742 Dead M/Board

            Originally posted by John McGivern
            latest update could do with some help.
            Replaced chip, cpu,fan so injected 19v see attachments for voltages.
            PACIN is missing that’s why it’s not switching , are you sure PQ52 Drain is 4V ?
            Last edited by Techtiger; 11-23-2019, 09:21 AM.

            Comment

            • John McGivern
              Senior Member
              • Dec 2013
              • 195
              • uk

              #46
              Re: ACER 5742 Dead M/Board

              Techtiger, yes it's 4v.

              Comment

              • Techtiger
                Badcaps Legend
                • Oct 2014
                • 1602
                • france

                #47
                Re: ACER 5742 Dead M/Board

                Was the Battery inserted when you check the voltage if so remove and test again or the PQ52 is faulty what voltage you get PR297 pin 1? PU18A is a comparator it’s not working properly pin3 should be 3.6V
                Last edited by Techtiger; 11-23-2019, 11:27 AM.

                Comment

                • John McGivern
                  Senior Member
                  • Dec 2013
                  • 195
                  • uk

                  #48
                  Re: ACER 5742 Dead M/Board

                  Techtiger, no battery inserted, pin 1 = 0v. I will try changing lm393. Then pq52.

                  Comment

                  • Techtiger
                    Badcaps Legend
                    • Oct 2014
                    • 1602
                    • france

                    #49
                    Re: ACER 5742 Dead M/Board

                    Originally posted by John McGivern
                    Techtiger, no battery inserted, pin 1 = 0v. I will try changing lm393. Then pq52.
                    You have to find out Why there is no +19V on PR297 pin1

                    Comment

                    • John McGivern
                      Senior Member
                      • Dec 2013
                      • 195
                      • uk

                      #50
                      Re: ACER 5742 Dead M/Board

                      Fitted lm393 and pq52 D=5.3, G and S=18.68. PQ 51 D=19, G andS=18.68
                      LM 393 Pin1=13,14,1.3v fluctuating drawing 55mA
                      Pin2=10.8
                      Pin3=13.4
                      Pin4=14.0
                      Pin5=13.5
                      Pin6=13.4
                      Pin7=14.0
                      Pin8=18.5

                      Comment

                      • mcplslg123
                        Badcaps Legend
                        • Jun 2015
                        • 7262
                        • india

                        #51
                        Re: ACER 5742 Dead M/Board

                        I doubt your measurements. How can gate voltage of PQ51 and 52 be different when they are tied together??

                        Comment

                        • John McGivern
                          Senior Member
                          • Dec 2013
                          • 195
                          • uk

                          #52
                          Re: ACER 5742 Dead M/Board

                          Originally posted by mcplslg123
                          I doubt your measurements. How can gate voltage of PQ51 and 52 be different when they are tied together??
                          Hi, they are the same 18.68v its the drain that is different.

                          Comment

                          • John McGivern
                            Senior Member
                            • Dec 2013
                            • 195
                            • uk

                            #53
                            Re: ACER 5742 Dead M/Board

                            I have double and treble checked voltages pq51 and pq52 are the same as post 50.
                            Lm393 pin1 is all over the place from 14v down to just under a volt sometimes steady at 1.3v I really have no idea what is wrong. I don,t think pq52 was faulty but replaced it anyway so I'am stuck at present. I have a scope if that is worth using but only 20Mhz analogue. Many thanks.

                            Comment

                            • John McGivern
                              Senior Member
                              • Dec 2013
                              • 195
                              • uk

                              #54
                              Re: ACER 5742 Dead M/Board

                              There is no voltage on Zener diode1 near pin 1 lm393.

                              Comment

                              • Techtiger
                                Badcaps Legend
                                • Oct 2014
                                • 1602
                                • france

                                #55
                                Re: ACER 5742 Dead M/Board

                                Originally posted by John McGivern
                                I have double and treble checked voltages pq51 and pq52 are the same as post 50.
                                Lm393 pin1 is all over the place from 14v down to just under a volt sometimes steady at 1.3v I really have no idea what is wrong. I don,t think pq52 was faulty but replaced it anyway so I'am stuck at present. I have a scope if that is worth using but only 20Mhz analogue. Many thanks.
                                LM393 should work like this pin 1 14V means some SMD protection circuit is BAD
                                Attached Files

                                Comment

                                • John McGivern
                                  Senior Member
                                  • Dec 2013
                                  • 195
                                  • uk

                                  #56
                                  Re: ACER 5742 Dead M/Board

                                  Techtiger, You where right mate found 19v one side of pr296 other side 0.0v where can I buy 10kohm 0402 5% are they thick or thin footprint nothing is easy with these smd components. May still have more faults very long learning process for me ha ha!

                                  Comment

                                  • John McGivern
                                    Senior Member
                                    • Dec 2013
                                    • 195
                                    • uk

                                    #57
                                    Re: ACER 5742 Dead M/Board

                                    Hi, pretty sure Pr296 open should arrive tomorrow.

                                    Comment

                                    • John McGivern
                                      Senior Member
                                      • Dec 2013
                                      • 195
                                      • uk

                                      #58
                                      Re: ACER 5742 Dead M/Board

                                      Originally posted by John McGivern
                                      Hi, pretty sure Pr296 open should arrive tomorrow.
                                      Arrived today excellent service. Ordered 50 of each value after pinging 4 and losing them while attempting to solder I finally managed to solder one.
                                      Tested with dmm pin 1 is now shorted to gnd and both sides of the new resistor shorted to gnd and PD1 no voltage either way when tested diode mode back to the drawing board. This was the first 0402 component I have attempted I am ok with 0805 but these are really small. When I removed the old resistor I tested the pads they where shorted will try to find what is causing the short.

                                      Comment

                                      • John McGivern
                                        Senior Member
                                        • Dec 2013
                                        • 195
                                        • uk

                                        #59
                                        Re: ACER 5742 Dead M/Board

                                        Update.
                                        Attached Files

                                        Comment

                                        • John McGivern
                                          Senior Member
                                          • Dec 2013
                                          • 195
                                          • uk

                                          #60
                                          Re: ACER 5742 Dead M/Board

                                          More Pictures.
                                          Attached Files
                                          Last edited by John McGivern; 12-03-2019, 03:01 PM.

                                          Comment

                                          Related Topics

                                          Collapse

                                          • Tynan Dill
                                            Vizio e601i-A3 - Has Sound and Display, But No Backlight - Bad Power Supply Board or Bad LED Bulbs ?
                                            by Tynan Dill
                                            I was given this TV from my great uncle. He said it just wouldn't turn on one day out of nowhere, replaced the TV, and gave it to me to possibly fix and use for myself.

                                            Upon bringing it home and plugging it up, it showed a standby light.

                                            I powered it on and without a flashlight, the display showed the "V" but the lighting is very dim, but visible.

                                            The screen seems to blackout and stay black, but with a flashlight I can see the display.

                                            With my Playstation 4 connected via HDMI, and running a game I can hear sound.

                                            Assuming...
                                            11-22-2024, 01:46 PM
                                          • Destroyer-Br
                                            [HELP] Acer AN515-55 (LA-J871P Rev: 1B) – Board won't power on after GPU investigation – Suspecting Super I/O or PCH
                                            by Destroyer-Br
                                            [HELP] Acer AN515-55 (LA-J871P Rev: 1B) – Board won't power on after GPU investigation – Suspecting Super I/O or PCH

                                            Hi everyone,

                                            I'm working on an Acer Nitro 5 unit with the following specs:
                                            • Motherboard: LA-J871P Rev: 1B
                                            • Model: Acer AN515-55-59MT
                                            • S/N: NHQ7JAL00403906A973400
                                            • SNID: 03902728734

                                            Initial Issue


                                            The laptop initially presented graphic issues and driver failure (Code 43) for the GPU.

                                            After preventive maintenance (cleaning, thermal paste, etc.), it powered on normally. We disassembled it again to inspect the GPU, reassembled...
                                            04-17-2025, 08:18 PM
                                          • k370
                                            Yoga3 Pro-1370 Board NM-A321 DEAD no power at all
                                            by k370
                                            Hi everyone,

                                            I have a NM-A321 board that is dead, with no power at all.

                                            When I received the laptop, the +5VPMIC line was shorted. Removing the PU3 (ISL95905) solved the short, so I ordered and replaced the ISL.

                                            With the new ISL, the short is gone, but still no voltages at all. I measured the following rails:
                                            • +3VALW
                                            • +5VAUX
                                            • 1.2VSUS_PWRGD
                                            • 3VALW_PGD
                                            • 1.05VAUX_PWRGD

                                            Additionally, the ISL95906 (PU3) is not getting any voltage on the VIN rail.

                                            The only place on the board where I find any voltage is on the first MOSFETs, specifically:...
                                            09-23-2024, 11:57 AM
                                          • Roman555
                                            [Offer] Acer IPIMB-AR (w/o on-board gfx) of Acer Predator G5920 fullflash BIOS
                                            by Roman555
                                            I'd like to offer an Acer IPIMB-AR Rev: 1.02A fullflash BIOS (cleaned ME region). The model is for Acer Predator G5920.
                                            It is a model that is based on Intel Z77 PCH and doesn't have on-board graphics and video connectors.
                                            I suppose it doesn't have any restriction about discrete graphics cards (I mean they don't have to be in a whitelist).
                                            Please don't mistake this mainboard with a similar model with on-board graphics and based on Intel B75 PCH.

                                            Jumper FLASH_OVERRIDE
                                            default position: 1-2 - BIOS area protected
                                            position 2-3 allows to dump BIOS or write
                                            ...
                                            06-26-2025, 05:15 AM
                                          • howardc64
                                            TCL 55S425 few horizontal lines, potential failure on both side of panel/buffer board
                                            by howardc64
                                            All left and right refers to looking from rear of TV (or looking from front with TV upside down)
                                            • TV came with vertical bars and no image. Found faulty TVS on left buffer board. Also replaced T-Con (may have damaged the original while hot air removing components, board has slight warp) and have full image but few horizontal lines on the screen. Some of the lines appears to be 2 pixel tall while others are 1 pixel tall.
                                            • Disconnecting left and right buffer board potentially reveals problems on both sides with different signals (unless this T-Con require jumper like Samsung FB_TRDY1&3) Fault
                                            ...
                                            07-24-2025, 05:17 PM
                                          • Loading...
                                          • No more items.
                                          Working...