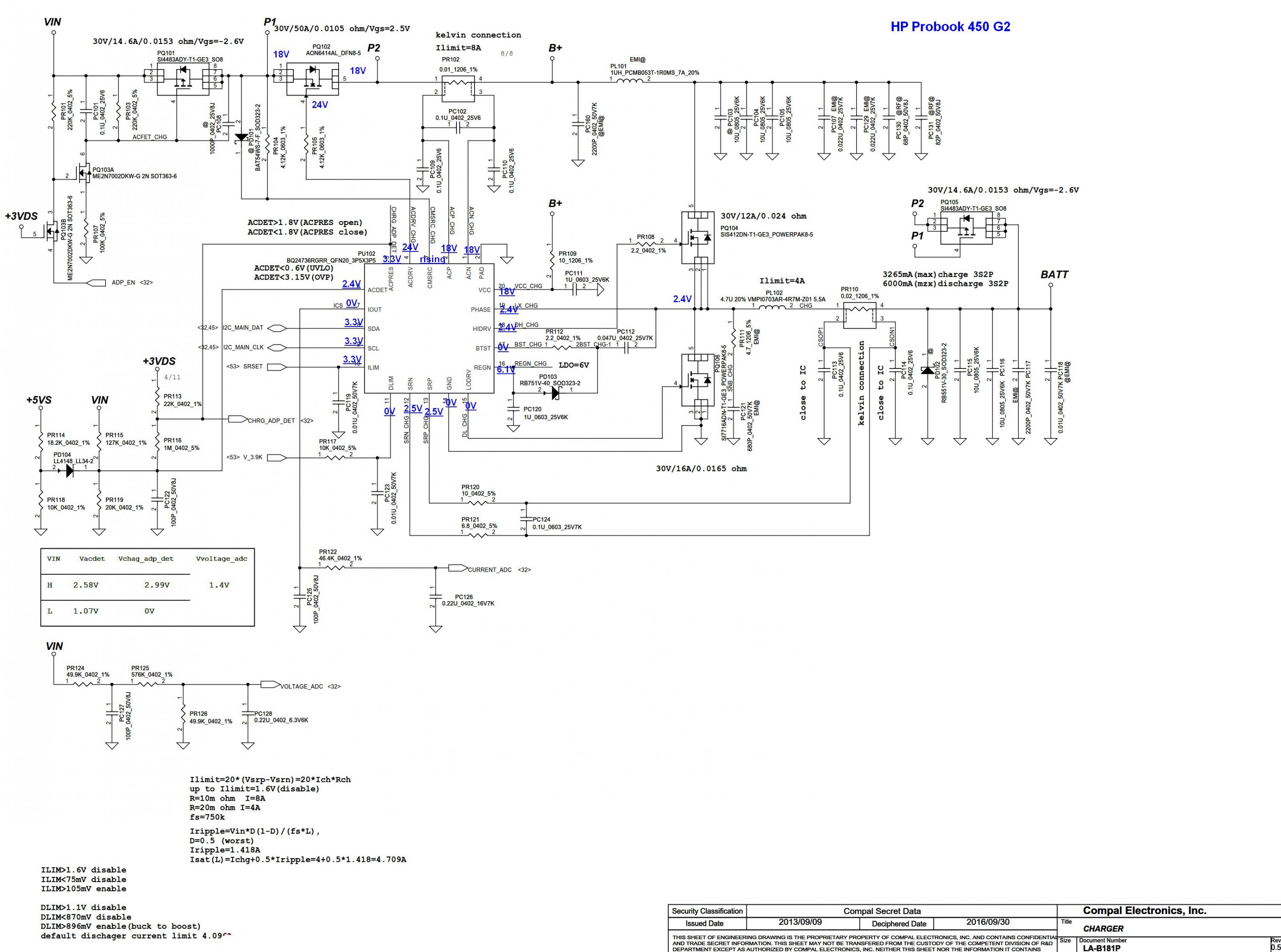
Hi, I have HP 450 G2 with i5 and ATI graphics and broken DC jack. Battery is dead so I connected lab psu on motherboard and find that 3V3 and 5V are present. Also, 3V3 are present on KBC and many "enable" signals are ok. There is no reaction on power button but KBC are reacting. power button lit all time. Since DC jack is broken, I can't see signals from dual-color LED. Furthermore, I measured some strange readings, visible on picture. Charger chip produces 24 volts and sends to one mosfet. Everything is stone cold, virtually no power drained from psu. Other problem is how to make motherboard to recognize smart pin connector?
		
							
						
					HP ProBook 450 G2 some strange charger voltages
				
					Collapse
				
			
		
	X
- 
	
	
	
	
		
	
	
	
		
	
		
			
				
	
	
	
	
	
	
	
	
	
 Re: HP ProBook 450 G2 some strange charger voltages
 
 24V on the gate is normal. PQ102 is a N-Channel MOSFET so it needs a voltage on the gate higher than the source (which is 19V — AC adapter voltage). Charger IC boosts the AC adapter voltage to 24V when everything in charging circuit works to turn on the MOSFET.
 
 On HP the motherboard usually won't boot if AC adapter is not recognized properly.
 
 I don't remember the values but you can put a resistor between the positive side of the DC in connector and the ADP_SIGNAL pin (or whatever it is called). On the motherboard there is another resistor network that acts as a voltage divider to get a voltage depending on the AC adapter power rating going into the EC.OpenBoardView — https://github.com/OpenBoardView/OpenBoardView
- 
	
	
	
	
		
	
	
	
		
	
		
			
				
	
	
	
	
	
	
	
	
	
 Re: HP ProBook 450 G2 some strange charger voltages
 
 As before, I've worked on HP boards before now that were totally dead when a non-genuine AC adapter was used, but fine with a genuine adapter. I would be tempted to repair the DC jack and try a genuine adapter personally, if you have the means to do so.Dell E7450 | i5-5300U | 16GB DDR3 | 256GB SSDComment
- 
	
	
	
	
		
	
	
	
		
	
		
			
				
	
	
	
	
	
	
	
	
	
 Re: HP ProBook 450 G2 some strange charger voltages
 
 PU102 (and the whole charging circuit) is working fine, don't touch it.OpenBoardView — https://github.com/OpenBoardView/OpenBoardViewComment
- 
	
	
	
	
		
	
	
	
		
	
		
			
				
	
	
	
	
	
	
	
	
	
 Re: HP ProBook 450 G2 some strange charger voltages
 
 I bought another laptop with good battery and power adapter just for DC-jack. Price was almost 3x higher but it's great deal regardless it's faulty, as described in this thread: just for DC-jack. Price was almost 3x higher but it's great deal regardless it's faulty, as described in this thread:
 https://www.badcaps.net/forum/showth...947#post846947
 
 Now I was able to connect dc-jack with power adapter and things are same when lab psu was connected. Only difference was that now I have light signals. Nothing changed when I plug in fully charged battery (charged on that other laptop). Only signal I get is constantly blinking white light on dc-jack. So, I suspect that power adapter have not enough power because it's 45W. Than I attached original, charged battery and get same singaling. White LED blinks unstoppable. All ALW voltages are present regardless of power source but nothing else.
 If needed, I can upload schematics.
 
 Any ideas, regarding both casses?
 Thanks in advance!Comment
- 
	
	
	
	
		
	
	
	
		
	
		
			
				
	
	
	
	
	
	
	
	
	
 Re: HP ProBook 450 G2 some strange charger voltages
 
 Schematic...Comment
- 
	
	
	
	
		
	
	
	
		
	
		
			
				
	
	
	
	
	
	
	
	
	
 Re: HP ProBook 450 G2 some strange charger voltages
 
 Try flashing BIOS.A working TV? How boring!Originally posted by PeteS in CARemember that by the time consequences of a short-sighted decision are experienced, the idiot who made the bad decision may have already been promoted or moved on to a better job at another company.Comment
- 
	
	
	
	
		
	
	
	
		
	
		
			
				
	
	
	
	
	
	
	
	
	
 Re: HP ProBook 450 G2 some strange charger voltages
 
 I found missing rails +5VS and +3VS. They are sucessors from +5VDS and +3VDS which are present untill Q21 cuts them off, I think because of missing SLP_S3#. Also, SLP_S4 and SLP_S5 are missing, too. Present voltages are 3V_PCH (3.4V), SYS_RESET# (3.4V) and ON/OFFBTN# (3.0V). All missing SLP points have resistance to ground about 500 ohms.
 Also present are:
 3VDS=3.4V; 3VLP=3.3V, DPWROK=3.4V, +3VPCH=3.4V, BATLOW=3.4V, RTCVCC=3V, RTCBATTR=3V
 On EC measured:
 pin 75 SLP_SUS=1.98V, pin 122 KBRST=0.2V, pin 99 AC_PRES_OUT=3.4V (not reacting on power button), pin 4 ON/OFFBTN#=3.4V (not reacting on power button), pin 73 ON/OFF_KBC#=3.4V (shorting from 3.4 to 0V on power button).Last edited by kronikus; 08-28-2018, 10:19 AM.Comment
- 
	
	
	
	
		
	
	
	
		
	
		
			
				
	
	
	
	
	
	
	
	
	
 Re: HP ProBook 450 G2 some strange charger voltages
 
 Readings from lab power on those rails separated on jumpers from ALW lines.
 +5VS drawing 30mA
 +5VL drawing 90mA
 +3VDS 30mA
 +3VLP 50mA
 +3VL 0mA
 
 EC pin:
 77 VCC_PWRGD 3.4V
 99 AC_PRES_OUT 3.4V
 100 KBC_PWR_ON=3.4V
 124 BATLOW=3.4V
 73 ON/OFFBTN=reacting on button
 69 KBC_XTAL SUSCLK_KBC=0V
 75 SLP_SUS=1.98V
 93 SIO_SLP_A#=0V
 98 SUS_PWR_ACK=0.1V
 122 KBRST=0.2-0.4V
 85 RSMRST=0V
 72 PWRGD=0V
 
 BIOS:
 All pins are 3.4V except
 pin 2=0.2V and
 pin 4 on ground.Comment
- 
	
	
	
	
		
	
	
	
		
	
		
			
				
	
	
	
	
	
	
	
	
	
 Re: HP ProBook 450 G2 some strange charger voltages
 
 Since BIOS programmer will not arrive any time soon, does anyone have any other idea regarding missing SLP-S3? I can't clarify enough power sequence from that lo-res picture. Maybe I missing some obvious error?Comment
- 
	
	
	
	
		
	
	
	
		
	
		
			
				
	
	
	
	
	
	
	
	
	
 Re: HP ProBook 450 G2 some strange charger voltages
 
 Charging battery is also controlled by BIOS.A working TV? How boring!Originally posted by PeteS in CARemember that by the time consequences of a short-sighted decision are experienced, the idiot who made the bad decision may have already been promoted or moved on to a better job at another company.Comment
Related Topics
				
					Collapse
				
			
		
	- 
	
	
		
	
	
	
	
	
		
			HP ProBook HP ProBook 450 15.6 inch G10 Notebook PC Notebook 400 Specification for Upgrade or RepairThis specification for the HP ProBook HP ProBook 450 15.6 inch G10 Notebook PC Notebook can be useful for upgrading or repairing a laptop that is not working. As a community we are working through our specifications to add valuable data like the HP ProBook 450 15.6 inch G10 Notebook PC boardview and HP ProBook 450 15.6 inch G10 Notebook PC schematic. Our users have donated over 1 million documents which are being added to the site. This page will be updated soon with additional information. Alternatively you can request additional help from our users directly on the relevant badcaps forum. Please...09-07-2024, 07:12 AM
- 
	
	
		
	
	
	
	
	
		
			HP ProBook HP ProBook 450 15.6 inch G10 Notebook PC Notebook 400 Specification for Upgrade or RepairThis specification for the HP ProBook HP ProBook 450 15.6 inch G10 Notebook PC Notebook can be useful for upgrading or repairing a laptop that is not working. As a community we are working through our specifications to add valuable data like the HP ProBook 450 15.6 inch G10 Notebook PC boardview and HP ProBook 450 15.6 inch G10 Notebook PC schematic. Our users have donated over 1 million documents which are being added to the site. This page will be updated soon with additional information. Alternatively you can request additional help from our users directly on the relevant badcaps forum. Please...09-07-2024, 06:40 AM
- 
	
	
		
	
	
	
	
	
		
			This specification for the HP ProBook ProBook Fortis 14 inch G9 Notebook PC Notebook can be useful for upgrading or repairing a laptop that is not working. As a community we are working through our specifications to add valuable data like the ProBook Fortis 14 inch G9 Notebook PC boardview and ProBook Fortis 14 inch G9 Notebook PC schematic. Our users have donated over 1 million documents which are being added to the site. This page will be updated soon with additional information. Alternatively you can request additional help from our users directly on the relevant badcaps forum. Please note...09-07-2024, 05:50 AM
- 
	
	
		
	
	
	
	
	
		
			This specification for the HP ProBook ProBook Fortis 14 inch G9 Notebook PC Notebook can be useful for upgrading or repairing a laptop that is not working. As a community we are working through our specifications to add valuable data like the ProBook Fortis 14 inch G9 Notebook PC boardview and ProBook Fortis 14 inch G9 Notebook PC schematic. Our users have donated over 1 million documents which are being added to the site. This page will be updated soon with additional information. Alternatively you can request additional help from our users directly on the relevant badcaps forum. Please note...09-07-2024, 05:50 AM
- 
	
	
		
	
	
	
	
	
		
			This specification for the HP ProBook Prenosni raÄunalnik ProBook 445R G6 Notebook can be useful for upgrading or repairing a laptop that is not working. As a community we are working through our specifications to add valuable data like the Prenosni raÄunalnik ProBook 445R G6 boardview and Prenosni raÄunalnik ProBook 445R G6 schematic. Our users have donated over 1 million documents which are being added to the site. This page will be updated soon with additional information. Alternatively you can request additional help from our users directly on the relevant badcaps forum. Please note...09-06-2024, 10:51 AM
- Loading...
- No more items.
Comment