Lenovo E520 complete dead

Collapse
X
 
  • Time
  • Show
Clear All
new posts
  • kokono
    Badcaps Veteran
    • Jun 2018
    • 203
    • Germany

    #1

    Lenovo E520 complete dead

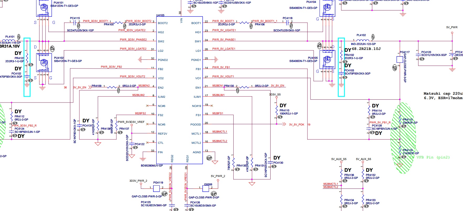
    recently i have this laptop ,
    i checked 3.3v and 5v Line and nothings,
    is a chip for both voltage, BD95280MUV
    i measuring two pin that i think they are normal regulator and should working without enable pin
    but i dont have 3.3v and 5v in pin (28 and 29)
    i should change this chip ? Definitely defective?
    Attached Files
  • piernov
    Super Moderator
    • Jan 2016
    • 4439
    • France

    #2
    Re: Lenovo E520 complete dead

    VIN voltage ok on this chip? EDIT: didn't look at the picture, yes it is if 20V is present on the cap.
    No short to ground on pin 28 and 29?
    If that's the case, the chip is probably defective.
    Last edited by piernov; 07-03-2018, 03:11 PM.
    OpenBoardView — https://github.com/OpenBoardView/OpenBoardView

    Comment

    • kokono
      Badcaps Veteran
      • Jun 2018
      • 203
      • Germany

      #3
      Re: Lenovo E520 complete dead

      Yes, VIN ist 20v
      And pin 28 and 29 arent short

      Comment

      • kokono
        Badcaps Veteran
        • Jun 2018
        • 203
        • Germany

        #4
        Re: Lenovo E520 complete dead

        whats different between BD9528A and BD95280 ?

        Comment

        Related Topics

        Collapse

        • Document Archive
          Lenovo E520 Notebook Specification for Upgrade or Repair
          by Document Archive
          This specification for the Lenovo E520 Notebook can be useful for upgrading or repairing a laptop that is not working. As a community we are working through our specifications to add valuable data like the E520 boardview and E520 schematic. Our users have donated over 1 million documents which are being added to the site. This page will be updated soon with additional information. Alternatively you can request additional help from our users directly on the relevant badcaps forum. Please note that we offer no warranties that any specification, datasheet, or download for Lenovo E520 Notebook is...
          09-06-2024, 06:11 AM
        • coasterghost
          Lenovo T14 Gen 2 Type 20XK Model 20XK0069US Odd Charging Issues
          by coasterghost
          For Badcaps Readers, Please note that I am hopefully going to present this same message to Lenovo to see if they have any insight to the matter as well and figured to share the entirety here for clarification. The System is out of warranty as it is but does have the option to have it extended.

          Model Information: T14 Gen 2 (Type 20XK, 20XL) Laptop (ThinkPad) - Type 20XK - Model 20XK0069US
          Board: T14 Gen 2 (Type 20XK, 20XL) - Type 20XK.

          System Hardware:
          Processor: AMD Ryzen 7 PRO 5850U
          Memory: 1x 16GB DDR4 3200 (Soldered on Board); 1x Crucial 32GB DDR4...
          09-08-2025, 10:46 PM
        • Nagyesz
          Lenovo ideapad 330ICH - Dead, no volts on coils
          by Nagyesz
          Hi everyone, I replaced this motherboard because it was important to get it working, but it's been with me for a very long time. Now I finally have time to figure out what the problem is,
          I've never encountered something like this before;

          No charging light, full dead

          Lenovo Ideapad 330-17ICH
          • PL3102: 5 ohms
          • PL3001: 3.2 ohms
          • PL3101: 2 ohms
          • PL5801: 3.5 ohms
          • PL5501: 270 ohms
          • PL701: 35 ohms
          • PL501: 146 ohms
          • PL503: 390 ohms
          • PL402: OL (0.27V) +5VALW_P
          • PL301: OL
          • PL401: OL (0.03V) +3VALW_P
          + Dc-in mosfet @PQ311 pin 5 20v, pin 1-4 0V , @PQ312 no volts...
          10-11-2024, 10:12 AM
        • Zmay2509
          Lenovo T14 nm-c931 1th gen intel 10th DEAD
          by Zmay2509
          Hi, I have dead t14 gen1 with nm-c931 motherboard.

          Laptop doesn't turn on and does not show any sings of life.(battery is completely flat, do I need it for power on??)

          When I connect usb c power adapter it draws 0.02A at 20v, I get voltage 20.5V up to 2nd mosfet and nothing out (PQ0006 before current resistor and buck-boost) when I touch gate pin of PQ0006 with tweezers it opens and I get 20.5v on current resistor;
          But even with that "trick" I cant get laptop to turn on, that's probably because BQ25700ARSNR is not happy and not making VSYS15 rail.
          ...
          03-25-2025, 02:44 PM
        • reformatt
          Lenovo NM-A921 (Yoga 900-13ISK2) dead
          by reformatt
          This machine has been in a few times with an intermittent fault of not charging. Motherboard is NM-A921 (https://www.badcaps.net/filedata/fetch?id=2051581)

          So back again now, not working at all. Previously the adaptor had been replaced along with the DC charge port. This is one of these trapezoid shaped orange USB ports that Lenovo were using prior to going USB-C. It has 4 pins, but the DC connector jack on the PCB has 5 pins.

          Fault presentation was the adaptor is only producing 5.2V, not 20V and this isn't reaching the input of the NVDC charger (PQ5/PQ6). There are 5...
          02-05-2025, 05:24 PM
        • Loading...
        • No more items.
        Working...