Compaq CQ58 LED Screen no backlighting

Collapse
X
 
  • Time
  • Show
Clear All
new posts
  • nogger
    Senior Member
    • Aug 2010
    • 190

    #1

    Compaq CQ58 LED Screen no backlighting

    Hi all, i have a Compaq CQ58 (sorry that's the only number on it) that had a smashed display. I replaced the display but the replacement failed to illuminate, however i can just see the laptop boots just the back-lighting is not functioning.

    I have stripped it & the motherboard is marked Newton_CR&HR_HPC followed by MV_MB_V1 Other numbers on the board are ML194V-0 & E253117

    On the motherboard next to the cable socket for the display i found fuse FBB4 blackened (see images) , i replaced this with a wire link from a 1.5amp fuse but it still does not light up. Does anyone have any ideas what to check next or a link to a drawing/schematic ?

    All help appreciated.
    Nogger
    Attached Files
  • trebo
    Badcaps Veteran
    • Feb 2010
    • 514
    • Wales, UK

    #2
    Re: Compaq CQ58 LED Screen no backlighting

    have you checked FBB1-3 for continuity
    that pic2 looks like a solder blob

    Comment

    • nogger
      Senior Member
      • Aug 2010
      • 190

      #3
      Re: Compaq CQ58 LED Screen no backlighting

      You mean FBB4 ? , that's a shot before i did anything with the board(as soon as i took the top off i noticed that). It was o/c and i removed & replaced with a short piece of 1.5amp fuse wire but same result.

      Comment

      • JaroTech
        Badcaps Veteran
        • Mar 2015
        • 351
        • Canada

        #4
        Re: Compaq CQ58 LED Screen no backlighting

        Hi, so you have the +VBAT at pin 30, what voltage do you have on pin 26?

        Comment

        • nogger
          Senior Member
          • Aug 2010
          • 190

          #5
          Re: Compaq CQ58 LED Screen no backlighting

          Hi, i have just under 12 volts on in 30 and 0v on pin 26.
          Also i think i just finally killed it as i caused a short while measuring on the mainboard & now it doesn't boot , the little white led on the front left corner is permanently on (next to the disk drive) and the white led on the DC socket is also permanently lit. Obviously the short has popped something else but not sure what to check now.
          Nogger
          Last edited by nogger; 05-29-2016, 09:36 AM.

          Comment

          • JaroTech
            Badcaps Veteran
            • Mar 2015
            • 351
            • Canada

            #6
            Re: Compaq CQ58 LED Screen no backlighting

            Ok, we will start at the beginning, find the resistor R0907 and measure the voltages on both side. I have a schematic not for the CQ58, but maybe it will do.

            Comment

            • nogger
              Senior Member
              • Aug 2010
              • 190

              #7
              Re: Compaq CQ58 LED Screen no backlighting

              I will have to report back on this tomorrow as i don't have access to the workshop now. If you can suggest which points to check after R0907 etc i will carry out those checks tomorrow.

              I did check continuity on all the other fuses i could find and they all seemed to be ok.

              Which drawing do you have ?

              Thank you
              Nogger

              Comment

              • JaroTech
                Badcaps Veteran
                • Mar 2015
                • 351
                • Canada

                #8
                Re: Compaq CQ58 LED Screen no backlighting

                With the resistor R0907, you will test the DCIN, after verify the +V3.3A at the inductor L1002 and the +V5A at the inductor L1001. But like I said, it's not the CQ58 schematics, the one I use is that one, I don't know what is similar between the two.
                Attached Files

                Comment

                • nogger
                  Senior Member
                  • Aug 2010
                  • 190

                  #9
                  Re: Compaq CQ58 LED Screen no backlighting

                  Thanks Jarotech

                  I also found a diagram for the HP-650 which is identical in that area of the circuit. So i will do some voltage checks tomorrow & see if i can find what is wrong. When i took the voltage check earlier it was without the power supply attached & just on battery. I did also measure pin 25 which was reading correct at around 3.39 volts.

                  I could always see the compaq Q on the display although very dim but now nothing.

                  Nogger

                  Comment

                  • nogger
                    Senior Member
                    • Aug 2010
                    • 190

                    #10
                    Re: Compaq CQ58 LED Screen no backlighting

                    I am also wondering if the short maybe caused eeprom corruption ? Does anyone have an EEPROm dump for this laptop ?
                    Nogger

                    Comment

                    • nogger
                      Senior Member
                      • Aug 2010
                      • 190

                      #11
                      Re: Compaq CQ58 LED Screen no backlighting

                      I have just retested this morning with DC power adapter connected. It seems i haven't damaged it further with the short while measuring previously as i now have the following symptoms(same as originally).

                      The laptop seems to boot to at least the 'Q' symbol which i can just to say see as the LED back lighting is still not working, disk drive LED flashes, DC power LED glows orange with plug in and is OFF with plug removed.

                      I plugged in an external monitor but nothing displayed on that (unable to switch to ext monitor)

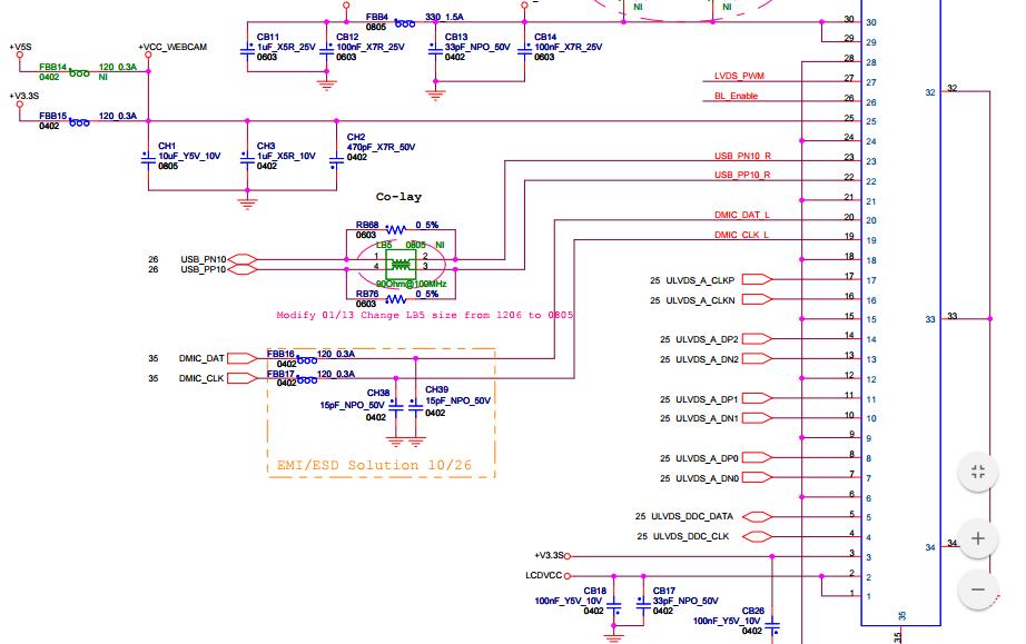
                      I have carried out some further checks on the 30 pin LVDS connector (the one the display attaches to and diagram is attached).
                      I have:

                      19.95 volts on pins 30 & 29
                      0 volts on pin 28
                      3.4 volts on both 27 & 26

                      On pins 1,2 & 3 i have 3.4 volts.

                      Anyone any thoughts on those voltages? i'mm not sure if the BL_Enable on pin 26 is correct to enable the back lighting ?

                      All help again appreciated.
                      Nogger
                      Attached Files

                      Comment

                      • JaroTech
                        Badcaps Veteran
                        • Mar 2015
                        • 351
                        • Canada

                        #12
                        Re: Compaq CQ58 LED Screen no backlighting

                        The BL_Enable on pin 26 has those voltages On:2.0~3.3V, Off: 0~0.5V.

                        Comment

                        • nogger
                          Senior Member
                          • Aug 2010
                          • 190

                          #13
                          Re: Compaq CQ58 LED Screen no backlighting

                          Originally posted by JaroTech
                          The BL_Enable on pin 26 has those voltages On:2.0~3.3V, Off: 0~0.5V.
                          So JaroTech, looking at those voltages i recorded i should have backlights on ?

                          I thought they looked ok , just can't understand why i dont have backlights, unless the replacement display is kaput !
                          Nogger

                          Comment

                          • JaroTech
                            Badcaps Veteran
                            • Mar 2015
                            • 351
                            • Canada

                            #14
                            Re: Compaq CQ58 LED Screen no backlighting

                            You should have the backlight, all voltages are good, one not tested is LVDS_PWM for the luminance control 200~10KHz, 3.3V, 10~100% depending on the LCD, you need to test with oscilloscope. But you should have something on the external monitor, so that the problem is elsewhere.

                            Comment

                            • nogger
                              Senior Member
                              • Aug 2010
                              • 190

                              #15
                              Re: Compaq CQ58 LED Screen no backlighting

                              Is it possible the bios has corrupted in your opinion
                              Nogger

                              Comment

                              • JaroTech
                                Badcaps Veteran
                                • Mar 2015
                                • 351
                                • Canada

                                #16
                                Re: Compaq CQ58 LED Screen no backlighting

                                I don't see why it should be corrupted, but you can flash it if you can, you have nothing to lose. Time to go to work, be back in the evening.

                                Comment

                                • polytek
                                  Badcaps Veteran
                                  • Dec 2013
                                  • 496
                                  • TUNISIA

                                  #17
                                  Re: Compaq CQ58 LED Screen no backlighting

                                  hi, have a nice day:
                                  this problem is typical for this model, i have repaired the same problem two times, FBB4 is an inductance that filter the current that goes to the lcd module,
                                  replced with wire, you loose the filter, you should replace it with another inductor taked from another motherboard, all volatge are ok on your lvds con1,
                                  but if this coil is shorted to ground, you lvds cable may be damadged, check it with a test contniuty if it touch the ground;
                                  here the right schematic
                                  Attached Files

                                  Comment

                                  • nogger
                                    Senior Member
                                    • Aug 2010
                                    • 190

                                    #18
                                    Re: Compaq CQ58 LED Screen no backlighting

                                    Polytek & Jarotech thank you for all your help. I discovered that there was damage to 2 wires at the panel end of the LVDS cable & i ordered a replacement off Ebay. Unfortunately almost as soon as i had ordered the cable the laptop which was running because i was testing for output on an external monitor went 'click' and shut down. Now i have no sign of life at all from the laptop, even with the DC lead in there's nothing (even the DC socket LED does not light) so it would seem i have a major problem which i don't think i will be able to recover from !

                                    I measured +VBATL at resistor R0907 & it was present and then i noticed that U901 (QZ8681LN) was getting very hot. I am not familiar with that chip so not sure of it's operation . If it is that chip that's gone down then i have no chance of repairing it as there's no way i could solder a replacement in by hand.
                                    A shame really as i think a new cable would have got it running

                                    Nogger

                                    Comment

                                    • JaroTech
                                      Badcaps Veteran
                                      • Mar 2015
                                      • 351
                                      • Canada

                                      #19
                                      Re: Compaq CQ58 LED Screen no backlighting

                                      What you could do is verify the +V3.3A at the inductor L1002 and the +V5A at the inductor L1001 to see if you still have the two voltages.

                                      Comment

                                      • nogger
                                        Senior Member
                                        • Aug 2010
                                        • 190

                                        #20
                                        Re: Compaq CQ58 LED Screen no backlighting

                                        Hi again

                                        19volts going in but zero on V3.3 & V5.0 lines. Problem i have is finding where to split the circuit to try to isolate where the problem is occurring !

                                        I can't find half the parts on the drawing, i think some are optional components, some are shown in green & blue . I'm used to reading circuit diagrams, i have over 45 years in electrionics but laptop motherboards are someting else !
                                        Regards
                                        Nogger

                                        Comment

                                        Related Topics

                                        Collapse

                                        • Document Archive
                                          HP Compaq Compaq SG3-240ES Compaq SG3 220 Specification for Upgrade or Repair
                                          by Document Archive
                                          This specification for the HP Compaq Compaq SG3-240ES can be useful for upgrading or repairing a desktop PC that is not working. As a community we are working through our specifications to add valuable data like the Compaq Compaq SG3-240ES boardview and Compaq Compaq SG3-240ES schematic. Our users have donated over 1 million documents which are being added to the site. This page will be updated soon with additional information. Alternatively you can request additional help from our users directly on the relevant badcaps forum. Please note that we offer no warranties that any specification, datasheet,...
                                          09-12-2024, 03:44 PM
                                        • Document Archive
                                          HP Compaq Elite Compaq 8000 Elite Convertible Minitower PC (ENERGY STAR) Compaq Elite 8000 E5500 Specification for Upgrade or Repair
                                          by Document Archive
                                          This specification for the HP Compaq Elite Compaq 8000 Elite Convertible Minitower PC (ENERGY STAR) can be useful for upgrading or repairing a desktop PC that is not working. As a community we are working through our specifications to add valuable data like the Compaq Elite Compaq 8000 Elite Convertible Minitower PC (ENERGY STAR) boardview and Compaq Elite Compaq 8000 Elite Convertible Minitower PC (ENERGY STAR) schematic. Our users have donated over 1 million documents which are being added to the site. This page will be updated soon with additional information. Alternatively you can request...
                                          09-12-2024, 03:44 PM
                                        • Document Archive
                                          HP Compaq Pro Počítač Compaq 6005 Pro (ENERGY STAR) v provedení microtower Compaq Pro 6005 B59 Specification for Upgrade or Repair
                                          by Document Archive
                                          This specification for the HP Compaq Pro Počítač Compaq 6005 Pro (ENERGY STAR) v provedení microtower can be useful for upgrading or repairing a desktop PC that is not working. As a community we are working through our specifications to add valuable data like the Compaq Pro Počítač Compaq 6005 Pro (ENERGY STAR) v provedení microtower boardview and Compaq Pro Počítač Compaq 6005 Pro (ENERGY STAR) v provedení microtower schematic. Our users have donated over 1 million documents which are being added to the site. This page will be updated soon with additional information....
                                          09-12-2024, 03:36 PM
                                        • Document Archive
                                          HP Compaq Compaq dc7900 Compaq Q9400 Specification for Upgrade or Repair
                                          by Document Archive
                                          This specification for the HP Compaq Compaq dc7900 can be useful for upgrading or repairing a desktop PC that is not working. As a community we are working through our specifications to add valuable data like the Compaq Compaq dc7900 boardview and Compaq Compaq dc7900 schematic. Our users have donated over 1 million documents which are being added to the site. This page will be updated soon with additional information. Alternatively you can request additional help from our users directly on the relevant badcaps forum. Please note that we offer no warranties that any specification, datasheet, or...
                                          09-12-2024, 03:30 PM
                                        • Document Archive
                                          HP Compaq Compaq SG3-331IT Compaq SG3 245 Specification for Upgrade or Repair
                                          by Document Archive
                                          This specification for the HP Compaq Compaq SG3-331IT can be useful for upgrading or repairing a desktop PC that is not working. As a community we are working through our specifications to add valuable data like the Compaq Compaq SG3-331IT boardview and Compaq Compaq SG3-331IT schematic. Our users have donated over 1 million documents which are being added to the site. This page will be updated soon with additional information. Alternatively you can request additional help from our users directly on the relevant badcaps forum. Please note that we offer no warranties that any specification, datasheet,...
                                          09-12-2024, 03:30 PM
                                        • Loading...
                                        • No more items.
                                        Working...