Hello,
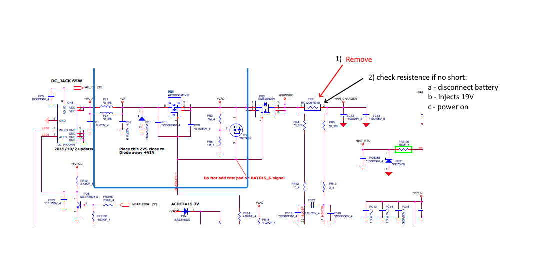
i have a problem with a my HP laptop. No startup or led power light, when I plug in the mains supply. After testing the 19V rail, up until the first MOSFET all seems good. The first MOSFET measures 19V in, but output voltage fluctuates. Output measures 14V (or there abouts) and begins to drop to around 2V and then increases again. I have replaced this MOSFET to no avail. I have tested for a short, but I am unable to locate one. Has anyone experienced this type of behaviour? Or perhaps someone has an idea what could be this cause of this?
Pic with measurments attached.
a
Thanks for looking and hopefully for your positive input.
i have a problem with a my HP laptop. No startup or led power light, when I plug in the mains supply. After testing the 19V rail, up until the first MOSFET all seems good. The first MOSFET measures 19V in, but output voltage fluctuates. Output measures 14V (or there abouts) and begins to drop to around 2V and then increases again. I have replaced this MOSFET to no avail. I have tested for a short, but I am unable to locate one. Has anyone experienced this type of behaviour? Or perhaps someone has an idea what could be this cause of this?
Pic with measurments attached.
a
Thanks for looking and hopefully for your positive input.
Comment