Hello people
Unfortunately I'm looking for help again. This time the patient is: Lenovo IdeaPad Flex 5 14IIL05. Board LC55-15C 19792-1.
I've bought it completely dead. Shorted main power rail. I found faulty U7205 - NX20P5090UK and PU4501 - TPS51393PRJER. Short's gone. Power suply shows oscillating current, around 20-40 mA. Laptop does not react for power switch and there is a ticking soung from the board.
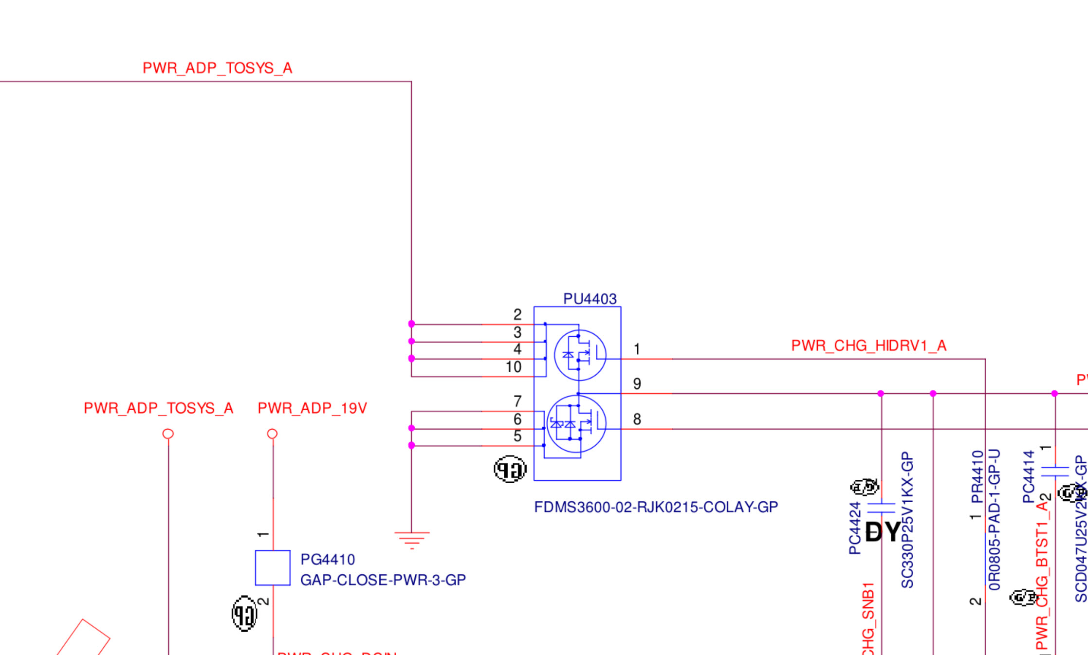
I traced 20V from jack to PU4403 - dual mosfet FDMS3600. Input of this mosfet is the last place where 20V is stable. On the output it's only 3.4-3.5V, oscillating. Pictures
Suspecting PU4401 - BQ25710 being faulty, I replaced it but with no effect. Now, I have no idea where to look
I've checked both mosfets. They are ok.
Unfortunately I'm looking for help again. This time the patient is: Lenovo IdeaPad Flex 5 14IIL05. Board LC55-15C 19792-1.
I've bought it completely dead. Shorted main power rail. I found faulty U7205 - NX20P5090UK and PU4501 - TPS51393PRJER. Short's gone. Power suply shows oscillating current, around 20-40 mA. Laptop does not react for power switch and there is a ticking soung from the board.
I traced 20V from jack to PU4403 - dual mosfet FDMS3600. Input of this mosfet is the last place where 20V is stable. On the output it's only 3.4-3.5V, oscillating. Pictures
Suspecting PU4401 - BQ25710 being faulty, I replaced it but with no effect. Now, I have no idea where to look

I've checked both mosfets. They are ok.
Comment