Hello all, I've got a defective HP Pavilion 15-cs1042ng here that won't turn on.
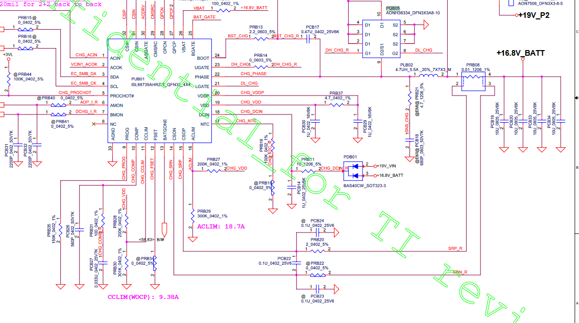
Unfortunately, there seems to be no boardview or schematic for this
model DA0G7EMBAE0 REV : E.
No adapter light when charger is plugged, battery not charging.
Voltage passes 1st and 2nd mosfet, nothing noteworthy on the battery charging circuit, except 1.0V on 4th pin of battery. Battery does not put out any voltage on the battery connector.
Got 19, 3.3V, and 5V rails, 3.3V on Bios chip and EC ITE8987VG,
but only 1.0V on the power button. No shorts anywhere on the board,
except for obvious low impedance on the GPU and CPU rails.
Spent quite a while figuring out where and what the 3.3/5.0V LDO on this board is. I think it must be a Richtek chip, markings are 4E=5G /H0F.
This chip got 19V in, puts out 5V (I guess, don't know any pinout),
and some 4.5V can be measured (maybe feedback?), but no 3.3V.
Can anyone confirm my guess that this obscure 4E=5G is the LDO,
and maybe point me to a relevant datasheet.
Thanks
Unfortunately, there seems to be no boardview or schematic for this
model DA0G7EMBAE0 REV : E.
No adapter light when charger is plugged, battery not charging.
Voltage passes 1st and 2nd mosfet, nothing noteworthy on the battery charging circuit, except 1.0V on 4th pin of battery. Battery does not put out any voltage on the battery connector.
Got 19, 3.3V, and 5V rails, 3.3V on Bios chip and EC ITE8987VG,
but only 1.0V on the power button. No shorts anywhere on the board,
except for obvious low impedance on the GPU and CPU rails.
Spent quite a while figuring out where and what the 3.3/5.0V LDO on this board is. I think it must be a Richtek chip, markings are 4E=5G /H0F.
This chip got 19V in, puts out 5V (I guess, don't know any pinout),
and some 4.5V can be measured (maybe feedback?), but no 3.3V.
Can anyone confirm my guess that this obscure 4E=5G is the LDO,
and maybe point me to a relevant datasheet.
Thanks
Comment