Philips 170S4 goes blank when video signal applied

Collapse
X
 
  • Time
  • Show
Clear All
new posts
  • redart
    Member
    • Oct 2010
    • 13

    #1

    Philips 170S4 goes blank when video signal applied

    Hi,

    I have a Philips 170S4 LCD monitor that I've been troubleshooting with no luck so far. Screen turns on and displays menu, 'no video input', 'entering sleep mode', and 'check cable connection' messages fine, however as soon as I plug the vga cable in it goes black. Note that the backlights are definitely on - it's just 'displaying' a black screen. Have tried it on 2 computers and with different cables, and at different resolutions. When resolution is changed you can see the screen resetting, but always comes up black. I'm thinking it must be the video board that's bad. Any thoughts ?.
  • PlainBill
    Badcaps Legend
    • Feb 2009
    • 7034
    • USA

    #2
    Re: Philips 170S4 goes blank when video signal applied

    Originally posted by redart
    Hi,

    I have a Philips 170S4 LCD monitor that I've been troubleshooting with no luck so far. Screen turns on and displays menu, 'no video input', 'entering sleep mode', and 'check cable connection' messages fine, however as soon as I plug the vga cable in it goes black. Note that the backlights are definitely on - it's just 'displaying' a black screen. Have tried it on 2 computers and with different cables, and at different resolutions. When resolution is changed you can see the screen resetting, but always comes up black. I'm thinking it must be the video board that's bad. Any thoughts ?.
    You're probably right. Have you verified the resolution you are using is one of the resolutions supported by the monitor?

    PlainBill
    For a number of reasons, both health and personal, I will no longer be active on this board. Any PMs asking for assistance will be ignored.

    Never be afraid to try something new. Remember, amateurs built the ark. Professionals built the Titanic.

    Comment

    • redart
      Member
      • Oct 2010
      • 13

      #3
      Re: Philips 170S4 goes blank when video signal applied

      Thanks for the suggestion. I've tried just about every resolution under the sun. 1280 x 1024 is it's native resolution I believe, and this gets displayed in the menu. Some resolutions / refresh rates cause the power LED to blink, but apart from that all give the same result - black screen.
      I've fixed a couple of monitors in the past where the power/inverter board has been the problem, but assuming the power board is ok and it's the video board that is at fault, does this mean it's for the scrap heap ?

      Comment

      • PCBONEZ
        Grumpy Old Fart
        • Aug 2005
        • 10661
        • USA

        #4
        Re: Philips 170S4 goes blank when video signal applied

        Depends on what's wrong with the video board.
        .
        Mann-Made Global Warming.
        - We should be more concerned about the Intellectual Climate.

        -
        Be who you are and say what you feel, because those who mind don't matter and those who matter don't mind.

        - Dr Seuss
        -
        You can teach a man to fish and feed him for life, but if he can't handle sushi you must also teach him to cook.
        -

        Comment

        • redart
          Member
          • Oct 2010
          • 13

          #5
          Re: Philips 170S4 goes blank when video signal applied

          Originally posted by PCBONEZ
          Depends on what's wrong with the video board.
          .
          Thanks PCBONEZ I guess my inference was that there's not much to fix on a video board....well not this one anyway. Pic attached, sorry about the poor quality. About the only thing up for replacement to my mind would be the 8 pin DIP. Not sure what this does though. Any ideas ?.
          Attached Files

          Comment

          • PCBONEZ
            Grumpy Old Fart
            • Aug 2005
            • 10661
            • USA

            #6
            Re: Philips 170S4 goes blank when video signal applied

            SMD caps go bad too. They just aren't as much 'fun' as radials.

            Have you reseated the ribbon cables?
            They can develop bad contact in the sockets.

            Have you checked that all the voltages are getting to the board?
            .
            Mann-Made Global Warming.
            - We should be more concerned about the Intellectual Climate.

            -
            Be who you are and say what you feel, because those who mind don't matter and those who matter don't mind.

            - Dr Seuss
            -
            You can teach a man to fish and feed him for life, but if he can't handle sushi you must also teach him to cook.
            -

            Comment

            • redart
              Member
              • Oct 2010
              • 13

              #7
              Re: Philips 170S4 goes blank when video signal applied

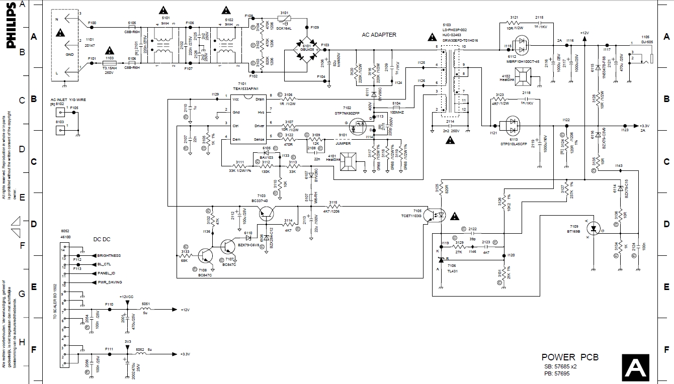
              Well none of the SMD caps are bulging
              Ribbon cables have been checked. Voltages going to the board are as follows... (see attached circuit diagram).
              1, 2, 11, & 12 have 3.2V. 13 has 0.1V (brightness!), and 7 has 11.8V.
              Not sure what the voltages should be apart from the 3.3 and 12. Should the brightness be higher?.

              Stop the press ! Have just noticed that in the on-screen menu, the brightness and contrast values are reading -1, and wont respond to the buttons on the panel control board. The arrows next to their bar graphs blink when the buttons are pressed, but the graph and values remain at -1. Could this be significant ?.
              Attached Files

              Comment

              • PlainBill
                Badcaps Legend
                • Feb 2009
                • 7034
                • USA

                #8
                Re: Philips 170S4 goes blank when video signal applied

                Originally posted by redart
                Well none of the SMD caps are bulging
                Ribbon cables have been checked. Voltages going to the board are as follows... (see attached circuit diagram).
                1, 2, 11, & 12 have 3.2V. 13 has 0.1V (brightness!), and 7 has 11.8V.
                Not sure what the voltages should be apart from the 3.3 and 12. Should the brightness be higher?.

                Stop the press ! Have just noticed that in the on-screen menu, the brightness and contrast values are reading -1, and wont respond to the buttons on the panel control board. The arrows next to their bar graphs blink when the buttons are pressed, but the graph and values remain at -1. Could this be significant ?.
                Yes. You probably have a corrupted user EEPROM. Google the model number of the monitor and reset for instructions on resetting it to default values.

                PlainBill
                For a number of reasons, both health and personal, I will no longer be active on this board. Any PMs asking for assistance will be ignored.

                Never be afraid to try something new. Remember, amateurs built the ark. Professionals built the Titanic.

                Comment

                • redart
                  Member
                  • Oct 2010
                  • 13

                  #9
                  Re: Philips 170S4 goes blank when video signal applied

                  Originally posted by PlainBill
                  Yes. You probably have a corrupted user EEPROM. Google the model number of the monitor and reset for instructions on resetting it to default values.

                  PlainBill
                  The on screen menu has a "Reset to Factory Settings" option which I've already tried. Is this what you mean or are you talking about flashing the EEPROM ?.
                  I Google'd 170S4 reset and got a few pages that talk about this but none that explain how it can be done on a monitor. I presume the EEPROM is the 8 pin DIP next to the control board ribbon cable. It's an ATMEL 24C16A by the looks of it (very faint writing). Would replacing this with a blank equivalent work ?.

                  Comment

                  • PlainBill
                    Badcaps Legend
                    • Feb 2009
                    • 7034
                    • USA

                    #10
                    Re: Philips 170S4 goes blank when video signal applied

                    Originally posted by redart
                    The on screen menu has a "Reset to Factory Settings" option which I've already tried. Is this what you mean or are you talking about flashing the EEPROM ?.
                    I Google'd 170S4 reset and got a few pages that talk about this but none that explain how it can be done on a monitor. I presume the EEPROM is the 8 pin DIP next to the control board ribbon cable. It's an ATMEL 24C16A by the looks of it (very faint writing). Would replacing this with a blank equivalent work ?.
                    Usually you hold down several of the front panel buttons while plugging in AC power to the monitor. Replacing the IC itself is another way to accomplish this. An Atmel 24C16 sounds like the right part.

                    PlainBill
                    For a number of reasons, both health and personal, I will no longer be active on this board. Any PMs asking for assistance will be ignored.

                    Never be afraid to try something new. Remember, amateurs built the ark. Professionals built the Titanic.

                    Comment

                    • redart
                      Member
                      • Oct 2010
                      • 13

                      #11
                      Re: Philips 170S4 goes blank when video signal applied

                      Originally posted by PlainBill
                      Usually you hold down several of the front panel buttons while plugging in AC power to the monitor. Replacing the IC itself is another way to accomplish this. An Atmel 24C16 sounds like the right part.

                      PlainBill
                      Thanks PlainBill. Have searched the net and can't find anything on doing a hard reset for this monitor. All I have is the OSD/Menu reset option, which has no effect.
                      I read somewhere else that installing a new, blank eeprom might not work, as it wont have any of the settings on it that the monitor needs. I tried starting the monitor without the eeprom and it wouldn't turn on at all. Is it just a case of try the blank and hope that it works ?.

                      Comment

                      • PlainBill
                        Badcaps Legend
                        • Feb 2009
                        • 7034
                        • USA

                        #12
                        Re: Philips 170S4 goes blank when video signal applied

                        Originally posted by redart
                        Thanks PlainBill. Have searched the net and can't find anything on doing a hard reset for this monitor. All I have is the OSD/Menu reset option, which has no effect.
                        I read somewhere else that installing a new, blank eeprom might not work, as it wont have any of the settings on it that the monitor needs. I tried starting the monitor without the eeprom and it wouldn't turn on at all. Is it just a case of try the blank and hope that it works ?.
                        That's about the only option, but it doesn't look promising. There are at least two schemes I've seen used. One has the program memory in the main control chip, and user (configuration) data in a serial eeprom. On those the contents of the serial eeprom are read at power up and checked for corruption. On others there are two serial eeproms, one containing the firmware and some user data, the other containing user data. In the cases I've heard of with a single serial eeprom, the monitor will work without the IC, but settings cannot be saved. This is of course at the whim of the programmer.

                        PlainBill
                        Last edited by PlainBill; 10-17-2010, 07:25 AM.
                        For a number of reasons, both health and personal, I will no longer be active on this board. Any PMs asking for assistance will be ignored.

                        Never be afraid to try something new. Remember, amateurs built the ark. Professionals built the Titanic.

                        Comment

                        • voxer
                          New Member
                          • Feb 2011
                          • 1

                          #13
                          Re: Philips 170S4 goes blank when video signal applied

                          @redart
                          I encountered the same problem with my Philips 170S4FG and was wondering if you managed to find a solution.

                          PS. The EEPROM in my set is 24C16W6 (ST Microelectronics)

                          Comment

                          Related Topics

                          Collapse

                          Working...