Allen&Heath XONE92 DJ mixer repair

Collapse
X
 
  • Time
  • Show
Clear All
new posts
  • JohnsonJ
    Member
    • Dec 2020
    • 12
    • Slovenia

    #1

    Allen&Heath XONE92 DJ mixer repair

    Hello everyone.

    I'm having issues with my DJ mixer, and after taking it apart and checking everything out, it seems that I need to replace 2 rotary potentiometers for the filter, and that the PSU has some caps burned. Hopefully these 2 fixes will solve my issues.

    The potentiometers I will just replace (hopefully the repairman I spoke with will indeed send me the spares, in case he doesn't, I'll update here if we can find a suitable replacement), but for the PSU caps I'd kindly ask you forum members, if anyone could help guide me in the right direction. I'm having difficulty choosing suitable replacements, since this is my first electronics ''repair project'', and my electrical knowledge is extremely limited.

    There was an almost identical post made here many years ago, but many of the replacements used in that post are discontinued, and a few caps have different ratings than the ones in my case, so I figured I would open a new post here.

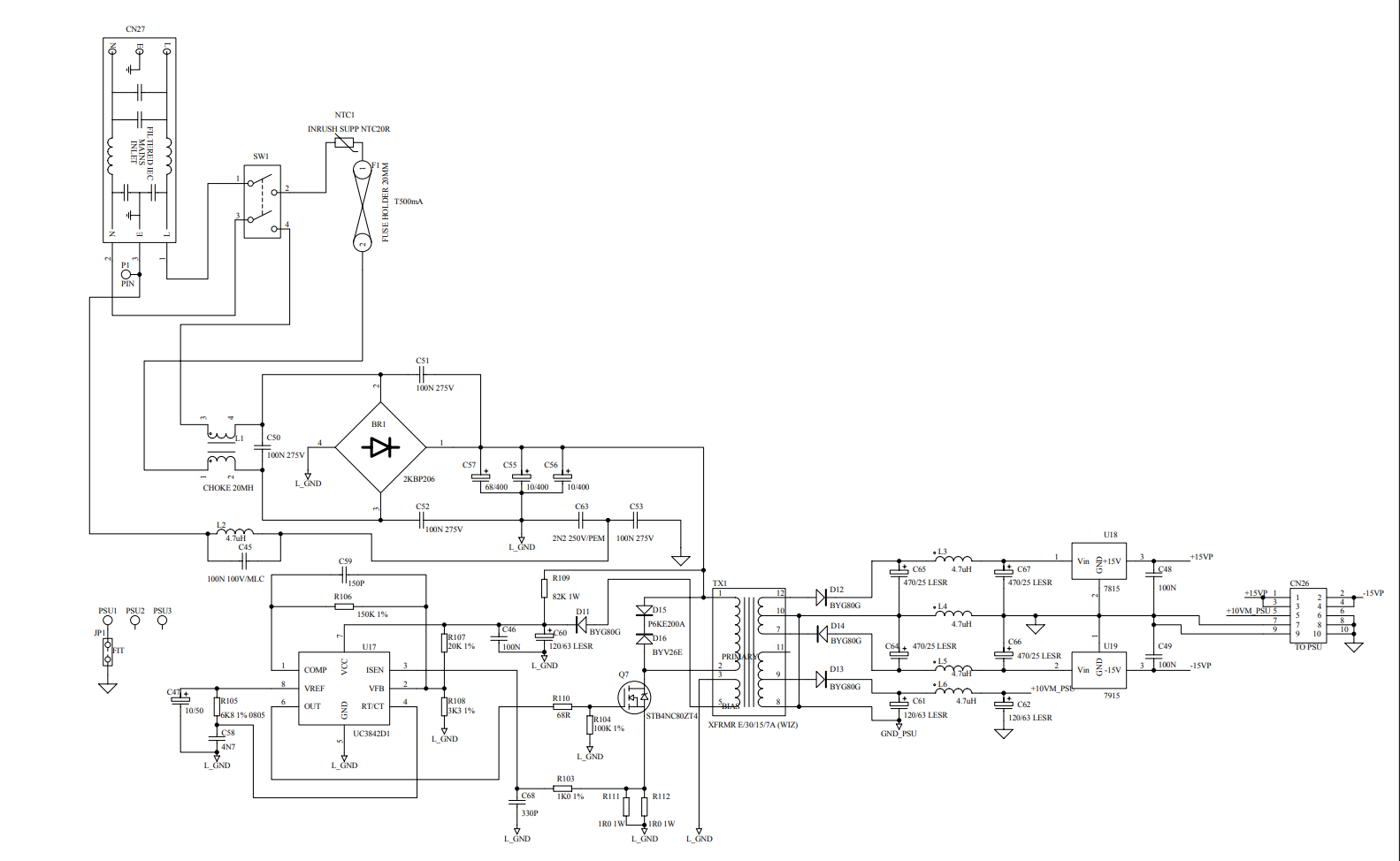
    I went ahead and got the diagram schematic, I am posting it below. The text with the same colours means the capacitors are the same in those spots.

    Are there any issues with me using caps with different heights compared to the original? Apart from them fitting in, I mean. The space in which they must fit is 35mm tall, and they would probably need to be a bit shorter for better cooling etc.

    If we look at the photos of the PSU, we can see 2 caps are bulging a bit, and seem to have some burned black stuff on the top. I'm assuming they are not working. Is the possible reason for this the cap on their right side, position C61? It is not the same as C62, and it should be. I think someone might have replaced this one in the past, with an incorrect one, causing the following two to burn?

    Anyway, here are the caps on this board:



    1) Positions C64, C65, C66 and C67:

    SAMWHA WB-series capacitors.


    25V, 470uF, 105°C, D=10mm, H=16mm.
    max impedence@20°C@100kHz=0.038 Ohms,
    ripple current@105°C@100kHz=1430 mA rms

    The replacement used in the old post was this:
    https://uk.farnell.com/rubycon/25zlh...25v/dp/8126461

    While the impedence of this replacement is 0.039 Ohms compared to the original 0.038, I am skeptical about the ripple current. This replacement has the ripple current written as 1330 mA rms, but the part it's replacing has a ripple current of 1430 mA rms. I think this would cause an issue?

    2) Positions C60, C61, C62
    JAMICON WG-series capacitors.


    63V, 120uF, 105°C (M), D=8mm, H=16mm.

    I am unable to find information about these caps, the only info available for this series is for
    63V and 100uF (impedence=0.274 Ohms, ripple current=550 mA rms)
    63V 220uF (impedence=0.142 Ohms, ripple current=920 mA rms)

    I am guessing, that if I try linear extrapolation, and assume a 120uF cap, that the result will be wrong? Maybe logarithmic extrapolation would give me the approximate value of my cap?

    Capacitance tolerance given is as +/- 20%.

    I do not know of any suitable replacement, the one in the old post was replacing a different cap than mine.



    3) Position C57:

    SAMWHA HE-series capacitor. Snap in type.


    400WV, 68uF, 105°C (M), D=22m, H=20-25mm (Not sure, slight bulging)
    Ripple current@105°C@120Hz=0.44 A rms=440mA rms

    Cannot find ESR values, capacitance change is given as +/- 20% from initial value.

    There was a Panasonic snap-in type linked in the old thread, but it is also discountinued now.





    4) Positions C55 and C56:

    SAMWHA SD-series capacitors.


    400V, 10uF, 85°C (M), D=10mm, H=16mm.
    ripple current@85°C@120Hz=115mA rms

    Cannot find ESR values, capacitance change is given as +/- 20% of initial value.

    This seems to be a suitable replacement to me:
    https://uk.farnell.com/panasonic/eca...0uf/dp/1907181



    5) Position 47:

    SAMWHA SG-series capacitor.


    50V, 10uF, 85°C (M), D=5mm, H=11mm.
    ripple current@85°C@120Hz= 72 mA rms.

    Cannot find ESR values, capacitance change given is as +/- 20% of initial value.

    This was posted as an appropriate replacement in the old thread:
    https://uk.farnell.com/united-chemi-...ial/dp/1220672

    This replacement has a ripple rating of 115 mA rms, where as the original had 72mA rms. I think this is no good.




    The last two capacitor types are rated for 85°C, but they are inside the same metal cover as the other caps, which are rated for 105°C. Would it be better for me to replace these with 105°C caps?

    I am also wondering how exactly would I test the ripple current of the PSU once I'm done changing caps, is just a multimeter okay? I will be getting an electrician friend to come teach me, since I don't want to get zapped by the PSU, but the reason for this project is also so that I learn something about board repair.

    Regarding the ''M'' values next to temperatures, I would like to ask what exactly does that mean?

    Below are attached all of the pictures.

    Last edited by JohnsonJ; 12-12-2020, 12:01 PM.
  • JohnsonJ
    Member
    • Dec 2020
    • 12
    • Slovenia

    #2
    Re: Allen&Heath XONE92 DJ mixer repair

    PS. I forgot to ask about picture number 6. I'm not sure what that part is called, but it seems to have some corrosion there? I'm not sure what that stuff is. Should I try cleaning it?

    Comment

    • madan1
      Badcaps Veteran
      • Nov 2016
      • 726
      • Bulgaria

      #3
      Re: Allen&Heath XONE92 DJ mixer repair

      Use the forum image/file uploader.. not many people here will bother clicking 3rd party links.


      p.s. If it does not take hours to disassemble and the boards are of good quality ( basically allow multiple solder/desolder without lifting pads, etc. ) I wouldn't care about finding the exact caps... everything that will last for at least two years and cover the original specs will be good enough.. at least if the item is for me. If it is for sell then probably I would put more effort in finding a more decent quality replacements.
      Last edited by madan1; 12-12-2020, 02:35 PM.

      Comment

      • JohnsonJ
        Member
        • Dec 2020
        • 12
        • Slovenia

        #4
        Re: Allen&Heath XONE92 DJ mixer repair

        I hope the photos are posted now?
        Attached Files

        Comment

        • madan1
          Badcaps Veteran
          • Nov 2016
          • 726
          • Bulgaria

          #5
          Re: Allen&Heath XONE92 DJ mixer repair

          Yes, much better.

          Alright, Q7 - the component from pic6 - no reason for worries here - just some flux leftover.

          What you have there is a just a switching mode power supply.. and not a fancy one.
          On the primary side ( the high voltage one ) I wouldn't change anything without prior measuring of the caps. Only C55 looks like starting to bulge ( compared to its neighbor ) but could be just the light and the angle.

          On the secondary side - yes, you have failed caps.
          If I was to do the repair for myself and did not have the means to measure the caps, I would just change C65 and C64. Would get anything decent that covers the specs and fits the spot.
          After that I would test the unit... and about the test - shorten one of the inputs and turn the gain, channel/master volume to the max.. then listen for noise on the headphones. If you can't hear a "significant" noise - job done.

          Comment

          • JohnsonJ
            Member
            • Dec 2020
            • 12
            • Slovenia

            #6
            Re: Allen&Heath XONE92 DJ mixer repair

            Thank you very much. That's what I primarily intended to do, but in the old thread (I think 10 years?) it was recommended exactly the opposite, to change all of them.

            I'm not sure if it's a ''problem'', but, I noticed that C61 is not the same as C62 and C60. I think it was replaced in the past. That's why I would at least replace those as well.

            So would the C64-C67 replacement I linked above be suitable? Even tho it has 0.1 A less ripple rating?

            Thanks for the help!

            Comment

            • madan1
              Badcaps Veteran
              • Nov 2016
              • 726
              • Bulgaria

              #7
              Re: Allen&Heath XONE92 DJ mixer repair

              I haven't read the other thread and do not know what has been the problem there... well, the rule of thumb is to change all caps, because they all have the same workhours and work conditions and so on, and there is a pretty good chance the rest to fail soon.
              So, if you do not want to open the mixer again in a year or two - go ahead, change all.. and by "all" I mean only those on the secondary side. Those on the primary look good to me ( let's someone with more experience share his opinion ).
              In my experience tho, when I have removed all caps and then measure them, usually most of them are fine, so now I tend to change only those which have signs of failure or can not be measured properly on the board.
              About the cap ripple rating - I don't have enough knowledge to give you an advice.

              Comment

              • redwire
                Badcaps Legend
                • Dec 2010
                • 3912
                • Canada

                #8
                Re: Allen&Heath XONE92 DJ mixer repair

                It's common to use the smallest capacitors possible to save money. But they run at higher stress (ripple current) and do not last, let alone the junk brands out there.

                C64, C65, C66, C67 - I would upsize them to 560uF or 680uF if the height allows it. They feed 1A voltage regulators so ripple current max would be split 1A/2 caps, or 500mA.

                C61, C62 - oddball 63V part on a 10V? rail. But same as C60, so they wanted to just use the same part. Again, it's OK to go up to a common value if size permits. 25V parts are fine on a "10V" rail.

                C55, C56, C57 - mains primary caps - they wanted a total of 88uF there, note C55/C56 have much bigger footprints, so again they could have used larger parts there. Even 100uF total is fine. So 68+22+22 I would consider if height permits.

                C47 is low freq, ESR not critical.

                Comment

                • petehall347
                  Badcaps Legend
                  • Jan 2015
                  • 4440
                  • United Kingdom

                  #9
                  Re: Allen&Heath XONE92 DJ mixer repair

                  if caps on a regulated supply i put in rated voltages that exceed any fault conditions that may make the voltage higher .

                  Comment

                  • redwire
                    Badcaps Legend
                    • Dec 2010
                    • 3912
                    • Canada

                    #10
                    Re: Allen&Heath XONE92 DJ mixer repair

                    I realized the power supply has no feedback from the secondary ala opto and TL431. Instead it's regulating by the SMPS IC's supply voltage on the primary aux winding. I guess it would mean regulation can fail if C60 goes bad and overvoltage the secondary caps?
                    +10VM doesn't look like 10V for the sch drawn extra transformer turns, I wonder if it's phantom power. 25V caps for the 15Vreg input.

                    Comment

                    • JohnsonJ
                      Member
                      • Dec 2020
                      • 12
                      • Slovenia

                      #11
                      Re: Allen&Heath XONE92 DJ mixer repair

                      Ok, I'll just be replacing C64, C65, C66, C67 (all 4 the same), and C61 and C62. So this removes the issue of finding 3 replacements, just need 2 different types now.

                      I'm not so sure in using higher voltage rated caps, a quick google search says it might cause problems as you stated above? I definitely want to keep to as close original specs as possible.

                      I guess what I'm wondering is, if the choice for C64-C67 is fine, if it has a 0.1A less ripple rating?
                      https://uk.farnell.com/rubycon/25zlh...25v/dp/8126461

                      Or is there a better match that would also match the ripple rating for the original part?



                      And if someone would be kind enough to link a good quality replacement for C61,C62? I don't know the brand names or series. I'll just add it to the order with the other 4 caps.

                      These are the stats, no info on ripple rating:
                      63V, 120uF, 105°C (M), D=8mm, H=16mm.

                      Thanks everyone!

                      Comment

                      • redwire
                        Badcaps Legend
                        • Dec 2010
                        • 3912
                        • Canada

                        #12
                        Re: Allen&Heath XONE92 DJ mixer repair

                        What is the height limit for the components on the board?
                        As I've mentioned, I think the original parts are undersized for capacitance, contributing to their short life. Allen & Heath used small physical size parts as well, so it can really limit your choices.

                        For the 120uF 63V part, you are very limited by the small height. All I could find are Panasonic FS EEU-FS1J121L. Popular are the 20mm height from all manufacturers. If you can put 20mm parts in, then you have a much wider selection.

                        For the 470uF 25V part, Panasonic FR EEU-FR1E471Y 8,000hrs 1,240mA(100kHz) 41mohm 8x16mm BUT some (tape YB) are 5mm wide lead spacings, not 3.5mm (bulk Y).

                        Comment

                        • JohnsonJ
                          Member
                          • Dec 2020
                          • 12
                          • Slovenia

                          #13
                          Re: Allen&Heath XONE92 DJ mixer repair

                          The physical height limit is 35mm, so probably 30mm would be the max to allow 5mm of air passage. I think they get too hot, since by design the protective case in the PSU is very small.

                          For the 120uF, 63V, 105°C, which impedance would you suggest? All I can find on the original part is, that it is ''low impedance''. No specific values given. Is it safer to choose a higher impedance cap than a lower?

                          I'll submit an order as soon as I know which impedance you suggest I go with, and will post here once it's all soldered in place hopefully it fixes my issues with the mixer!

                          Comment

                          • redwire
                            Badcaps Legend
                            • Dec 2010
                            • 3912
                            • Canada

                            #14
                            Re: Allen&Heath XONE92 DJ mixer repair

                            It seems to be the highest capacitance 8mm dia parts they (A&H) could find that are used.

                            Original Jamicon/Teapo WG series specs are not so great: i.e. 100uF 63V 274milliohms ESR, 550mA ripple 100kHz for merit compared to other 100uF parts as I can't find datasheets for the 120uF.

                            If it were my project, I would use taller 20-22mm parts.
                            Panasonic EEU-FR1J121L 120uF 63V 9,000hrs 50milliohms ESR, 930mA ripple 100kHz 8x20mm. You can upsize to 150uF in the same size/lineup.
                            Nichicon UHE1J121MPD 120uF 63V 7,000hrs 330milliohms ESR, 408mA ripple 100kHz; ESR is a bit high 8x20mm
                            Chemi-con EKZN630ELL121MH20D 120uF 63V 9,000hrs 77milliohms ESR, 1,200mA ripple 100kHz 8x20mm

                            Comment

                            • JohnsonJ
                              Member
                              • Dec 2020
                              • 12
                              • Slovenia

                              #15
                              Re: Allen&Heath XONE92 DJ mixer repair

                              Thank you very much redwire! I will go with Panasonic FR, and I've decided I will be recapping everything.

                              I will post na update here once it's all done :-)

                              Comment

                              • JohnsonJ
                                Member
                                • Dec 2020
                                • 12
                                • Slovenia

                                #16
                                Re: Allen&Heath XONE92 DJ mixer repair

                                Just an update for anyone reading this post in the future: recapping the PSU did not fix my filter issues, it seems the potentiometers need to be replaced. Will update as soon as I receive and install them.

                                Voltages were 14.91V and 15.03V, so I would say the repair, although not fixing my filter issues, improved the PSU itself. I used Panasonic FR and Nichicon caps.

                                Comment

                                • madan1
                                  Badcaps Veteran
                                  • Nov 2016
                                  • 726
                                  • Bulgaria

                                  #17
                                  Re: Allen&Heath XONE92 DJ mixer repair

                                  And what are the "filter issues" of your unit?

                                  Comment

                                  • JohnsonJ
                                    Member
                                    • Dec 2020
                                    • 12
                                    • Slovenia

                                    #18
                                    Re: Allen&Heath XONE92 DJ mixer repair

                                    Let's say I am applying the HPF. For the first 20deg of rotation, it will work as intended, removing the lows. For the next few degrees of rotation, it will remove even more lows. Then, all of a sudden there is a spot, where all the lows suddenly come back in. If you rotate the pot a little more, they go away as intended.

                                    It's the same when applying the LPF, where at certain spots of rotation the highs will bleed through. I'm assuming it's a faulty pot.

                                    The spots, where the wrong frequencies bleed through, are at the same degrees of rotation, regardless if you're applying a LPF or HPF. As if the pot is damaged in that certain spot.
                                    Last edited by JohnsonJ; 01-01-2021, 11:18 AM.

                                    Comment

                                    • madan1
                                      Badcaps Veteran
                                      • Nov 2016
                                      • 726
                                      • Bulgaria

                                      #19
                                      Re: Allen&Heath XONE92 DJ mixer repair

                                      Let me see if I get it right - you have the same symptom on multiple filter pots? Is this only on one channel or multiple?
                                      Have you tried spraying the pots? Does it make any difference?
                                      Do you have any idea if the filters are analog or digital?

                                      p.s. I just checked some photos of that mixer and I guess your are referring to the assignable "filter 1" and "filter 2", right?
                                      I've never played with such a fancy mixer and was thinking about the channel equalizers/filters.
                                      So to update my question - do both filters have the same symptom and does it affect multiple pots?
                                      Last edited by madan1; 01-02-2021, 08:11 PM.

                                      Comment

                                      • JohnsonJ
                                        Member
                                        • Dec 2020
                                        • 12
                                        • Slovenia

                                        #20
                                        Re: Allen&Heath XONE92 DJ mixer repair

                                        It effects both pots. There is a slight differences between where these ''frequency bleed'' spots are, but it makes sense since they are the most used pots on the entire mixer. I'm guessing one must have stopped working, and then the other one got all the use transferred to it... which is a lot, since this particular mixer is close to 16 years old.

                                        Fully analog ofc.

                                        The pots do seem as if the previous owner attempted at spraying them, since they seemed to be a little ''oily'', and a big dust ball on each of them.... I sprayed them out with a Deoxit equivalent. It made everything sound a lot better, but the issue still stays there. I'm guessing it's just mechanical use.

                                        I will update with info as soon as I can, I have been waiting on the pots for 3 weeks now :-) They seem to be stuck in the uk...

                                        If it's not the pots, it must be the main PCB, to which the PSU goes. It has a massive ground plane, and into this main pcb, each channel's individual pcb plugs in (each filter is it's own pcb).

                                        Comment

                                        Related Topics

                                        Collapse

                                        • eum
                                          PSU Board repair or replacement Ecler Nuo 2.0 DJ mixer
                                          by eum
                                          Hi,
                                          I try to repair this fly-back type PSU, I diagnosed (identifiable) dead N-MOS and fuse, but there are 3 smd resistors on the bottom that burned and became unreadable.

                                          The support in charge of the brand in France managed to get me the schematics from Ecler, but it didn't include the PSU board. After a while they finally told me that the unit was too old so they don't have the PSU board schems.

                                          I can find replacement PSU board online, but only for the Nuo 3 or 4 or 5, and it seems they ar compatible with each other, as I often find boards compatible with these...
                                          07-28-2023, 03:05 PM
                                        • TomGJ
                                          Genelec 8020C Bad capacitor
                                          by TomGJ
                                          Hi All, So I have two Genelec 8020Cs that are about 10 years old, one of them stopped switching on. I took it apart, fuse was blown, and I've traced the short to one of the two large capacitors on the circuit board.

                                          Now from looking at the Capacitors, they seem to be from Samwha's SD Series with the following specs: 3300uf, 35v, 85C, 25 x 16 mm Radial.

                                          The problem is, I can't find any capacitor from Samwha's SD Datasheet that matches these specs. The closest is 3300uf, 35v, 85c but 31.5 x 16mm, with a max ripple current of 2.5A. I'm guessing the 25mm is custom made for...
                                          11-02-2024, 07:45 AM
                                        • Bektronics
                                          Schematic Digital Audio mixer RCF type M18
                                          by Bektronics
                                          Hello dear audio friends.

                                          I am feverishly looking for the full electronic schematic (not a block diagram) of the RCF type M18 digital audio mixer.
                                          The device does not make a WIFI connection with my Apple tablet and yet I have already installed the recent app on it.
                                          I suspect that there is a problem in the mixer itself with the WIFI card and of course I would like to see this on an extensive schedule before opening the device.
                                          Thanks in advance if anyone can help me with this schematic.
                                          Of course, all information about this digital mixer and possibly references...
                                          07-24-2023, 06:40 AM
                                        • Transformer man
                                          Fader replacement on 1980s mixer - help with this schematic
                                          by Transformer man
                                          Hi - I am looking to replace faders on a mixing desk from the early 1980s. They are tired and worn. I'm new at looking at schematics and would really appreciate your help and expertise on replacements.

                                          The current faders are 88mm long with 60mm fader movement and are 10K B (which I think is a linear fader). They have been swapped out at some point (tell tale signs of additional screw holes a few mms below the top screw hole).

                                          I think the schematic suggests 5K B faders (but as a newbie I'm not sure if I am even looking at the correct part of the schematic!?). I have...
                                          04-22-2023, 04:13 AM
                                        • reformatt
                                          Macbook Air M2 A2681 Kernel panics after screen replacement
                                          by reformatt
                                          Just had a customer bring in a M2 MBA A2681 that had had a screen replacement in April at another repairer. Since then, she has been getting intermittent kernel panics. It's an aftermarket screen, and of course it fails in diagnostics as the calibration hasn't been done. The error in the panic log is "No device added after powering on the rails".

                                          It seems the original repairer has swapped the board and the screen to other MAC's, and said that it isn't a screen issue. From what I understand, by doing a quick search on Google, this is in fact a screen issue. The panic relates...
                                          07-31-2025, 08:37 PM
                                        • Loading...
                                        • No more items.
                                        Working...