fm transmitter connect antenna ?

Collapse
X
 
  • Time
  • Show
Clear All
new posts
  • petehall347
    Badcaps Legend
    • Jan 2015
    • 4439
    • United Kingdom

    #1

    fm transmitter connect antenna ?

    trying to figure out where to connect an external antenna to this fm transmitter . i doubled up on pics in case 1 of each was better than the others .
    Attached Files
  • redwire
    Badcaps Legend
    • Dec 2010
    • 3912
    • Canada

    #2
    Re: fm transmitter connect antenna ?

    They typically use the headphone-in cable for the antenna.
    I think the FM transmitter PA is on the far edge of the board, it seems to connect to the headphone AGND pad. If you follow the SOT-23 transistor at the far edge.
    I couldn't find datasheets on the 31202 IC.

    Comment

    • petehall347
      Badcaps Legend
      • Jan 2015
      • 4439
      • United Kingdom

      #3
      Re: fm transmitter connect antenna ?

      Originally posted by redwire
      They typically use the headphone-in cable for the antenna.
      I think the FM transmitter PA is on the far edge of the board, it seems to connect to the headphone AGND pad. If you follow the SOT-23 transistor at the far edge.
      I couldn't find datasheets on the 31202 IC.
      http://www.chipdocs.com/datasheets/d...a/TB31202.html

      Comment

      • petehall347
        Badcaps Legend
        • Jan 2015
        • 4439
        • United Kingdom

        #4
        Re: fm transmitter connect antenna ?

        i found some that have an extra wire for the antenna a blue wire . and some that have the antenna etched on the board .this one has neither of those so it threw me as to where to connect and if i need to remove an attenuator or not . .

        Comment

        • R_J
          Badcaps Legend
          • Jun 2012
          • 9588
          • Canada

          #5
          Re: fm transmitter connect antenna ?

          The output of the 31202 should be pin9, follow that pin to the next transistor
          Last edited by R_J; 04-13-2020, 01:05 PM.

          Comment

          • petehall347
            Badcaps Legend
            • Jan 2015
            • 4439
            • United Kingdom

            #6
            Re: fm transmitter connect antenna ?

            Originally posted by R_J
            The output of the 31202 should be pin9, follow that pin to the next transistor
            i just checked and right now pin 9 doesn't seem to connect to anything . i went through everything on the same side of the board . . i dont see any transistors on the other side .
            making me wonder if the antenna is maybe under the ic .
            Last edited by petehall347; 04-13-2020, 01:31 PM.

            Comment

            • R_J
              Badcaps Legend
              • Jun 2012
              • 9588
              • Canada

              #7
              Re: fm transmitter connect antenna ?

              That should be the output of the pll ic, it is very likely coupled to the next circuit with a small cap, so it might be hard to trace, it wont be directly connected to the next circuit. That ic output is not a power output so it won't be connected to the antenna but to the input of the output section.
              Last edited by R_J; 04-13-2020, 01:38 PM.

              Comment

              • petehall347
                Badcaps Legend
                • Jan 2015
                • 4439
                • United Kingdom

                #8
                Re: fm transmitter connect antenna ?

                i tried to absolutely everything from that pin 9 thats opposite diagonally from the dot . no beep on anything . i know its a bit strange . i randomly tried from other pins in case its coated with something but no problem tracing those pins with my meter . i will check again . i dont really want to be removing the ic to look at the traces .

                Comment

                • petehall347
                  Badcaps Legend
                  • Jan 2015
                  • 4439
                  • United Kingdom

                  #9
                  Re: fm transmitter connect antenna ?

                  just checked again a few times and not finding where it goes to . i can trace the other pins no problem ... i know it has to connect to somewhere or it wont work .

                  Comment

                  • R_J
                    Badcaps Legend
                    • Jun 2012
                    • 9588
                    • Canada

                    #10
                    Re: fm transmitter connect antenna ?

                    I did'nt see you already linked the datasheet.
                    Attached Files
                    Last edited by R_J; 04-13-2020, 03:10 PM.

                    Comment

                    • petehall347
                      Badcaps Legend
                      • Jan 2015
                      • 4439
                      • United Kingdom

                      #11
                      Re: fm transmitter connect antenna ?

                      looks same as the one i already posted ... i still cant find continuity from pin 9 to anything .

                      Comment

                      • petehall347
                        Badcaps Legend
                        • Jan 2015
                        • 4439
                        • United Kingdom

                        #12
                        Re: fm transmitter connect antenna ?

                        2 better pics that can be zoomed in
                        Attached Files

                        Comment

                        • R_J
                          Badcaps Legend
                          • Jun 2012
                          • 9588
                          • Canada

                          #13
                          Re: fm transmitter connect antenna ?

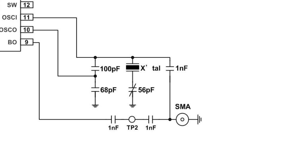
                          here are a couple similar schematics.
                          Attached Files
                          Last edited by R_J; 04-13-2020, 03:50 PM.

                          Comment

                          • petehall347
                            Badcaps Legend
                            • Jan 2015
                            • 4439
                            • United Kingdom

                            #14
                            Re: fm transmitter connect antenna ?

                            is that using pin 3 charge pump 1 for out to amp circuit ?
                            Last edited by petehall347; 04-13-2020, 03:45 PM.

                            Comment

                            • R_J
                              Badcaps Legend
                              • Jun 2012
                              • 9588
                              • Canada

                              #15
                              Re: fm transmitter connect antenna ?

                              Every diagram I look at is different, this is just the rf drive, the modulation will enter somewhere else.

                              Comment

                              • petehall347
                                Badcaps Legend
                                • Jan 2015
                                • 4439
                                • United Kingdom

                                #16
                                Re: fm transmitter connect antenna ?

                                i don't see any coils on this thing unless they are hiding in smd components .. i would have expected to see open coils and 1 to antenna . still cant see whats used as an antenna .it must have one must it not ?

                                Comment

                                • R_J
                                  Badcaps Legend
                                  • Jun 2012
                                  • 9588
                                  • Canada

                                  #17
                                  Re: fm transmitter connect antenna ?

                                  This is a simple low power device, it likely only has one small transistor for the final output. They could use a small cap to couple the r.f. to the dc input wire, audio input wire, a piece of tinfoil in the case.

                                  What was connected to the two elongated holes in the baord?
                                  Last edited by R_J; 04-13-2020, 04:15 PM.

                                  Comment

                                  • petehall347
                                    Badcaps Legend
                                    • Jan 2015
                                    • 4439
                                    • United Kingdom

                                    #18
                                    Re: fm transmitter connect antenna ?

                                    the batteries connect there .

                                    Comment

                                    • redwire
                                      Badcaps Legend
                                      • Dec 2010
                                      • 3912
                                      • Canada

                                      #19
                                      Re: fm transmitter connect antenna ?

                                      The SMT inductors are dark gray or green, caps are brown or white. Pin 9 must have a via or trace under the IC which then heads over to the RF power amp.
                                      I see the RF power amp as the two transistors at the edge. Note circuit AGND pad connects to the pcb ground pour through the inductor, not directly.

                                      So what I would do is use the AGND pad for the antenna connection, and connect incoming signal GND to the main ground pour.

                                      Comment

                                      • petehall347
                                        Badcaps Legend
                                        • Jan 2015
                                        • 4439
                                        • United Kingdom

                                        #20
                                        Re: fm transmitter connect antenna ?

                                        Originally posted by redwire
                                        The SMT inductors are dark gray or green, caps are brown or white. Pin 9 must have a via or trace under the IC which then heads over to the RF power amp.
                                        I see the RF power amp as the two transistors at the edge. Note circuit AGND pad connects to the pcb ground pour through the inductor, not directly.

                                        So what I would do is use the AGND pad for the antenna connection, and connect incoming signal GND to the main ground pour.
                                        pin 9 isnt connected to anything . i have checked a few times now .

                                        Comment

                                        Related Topics

                                        Collapse

                                        • Document Archive
                                          LENOVO ThinkCentre Edge 71 ThinkCentre Edge G630 Specification for Upgrade or Repair
                                          by Document Archive
                                          This specification for the LENOVO ThinkCentre Edge 71 can be useful for upgrading or repairing a desktop PC that is not working. As a community we are working through our specifications to add valuable data like the ThinkCentre Edge 71 boardview and ThinkCentre Edge 71 schematic. Our users have donated over 1 million documents which are being added to the site. This page will be updated soon with additional information. Alternatively you can request additional help from our users directly on the relevant badcaps forum. Please note that we offer no warranties that any specification, datasheet,...
                                          09-12-2024, 03:36 PM
                                        • Document Archive
                                          LENOVO ThinkCentre Edge 71 SFF ThinkCentre Edge G630 Specification for Upgrade or Repair
                                          by Document Archive
                                          This specification for the LENOVO ThinkCentre Edge 71 SFF can be useful for upgrading or repairing a desktop PC that is not working. As a community we are working through our specifications to add valuable data like the ThinkCentre Edge 71 SFF boardview and ThinkCentre Edge 71 SFF schematic. Our users have donated over 1 million documents which are being added to the site. This page will be updated soon with additional information. Alternatively you can request additional help from our users directly on the relevant badcaps forum. Please note that we offer no warranties that any specification,...
                                          09-12-2024, 03:36 PM
                                        • Document Archive
                                          LENOVO ThinkCentre Edge 71 ThinkCentre Edge G630 Specification for Upgrade or Repair
                                          by Document Archive
                                          This specification for the LENOVO ThinkCentre Edge 71 can be useful for upgrading or repairing a desktop PC that is not working. As a community we are working through our specifications to add valuable data like the ThinkCentre Edge 71 boardview and ThinkCentre Edge 71 schematic. Our users have donated over 1 million documents which are being added to the site. This page will be updated soon with additional information. Alternatively you can request additional help from our users directly on the relevant badcaps forum. Please note that we offer no warranties that any specification, datasheet,...
                                          09-12-2024, 03:36 PM
                                        • Document Archive
                                          LENOVO ThinkCentre Edge 71 ThinkCentre Edge i5-2400S Specification for Upgrade or Repair
                                          by Document Archive
                                          This specification for the LENOVO ThinkCentre Edge 71 can be useful for upgrading or repairing a desktop PC that is not working. As a community we are working through our specifications to add valuable data like the ThinkCentre Edge 71 boardview and ThinkCentre Edge 71 schematic. Our users have donated over 1 million documents which are being added to the site. This page will be updated soon with additional information. Alternatively you can request additional help from our users directly on the relevant badcaps forum. Please note that we offer no warranties that any specification, datasheet,...
                                          09-12-2024, 03:36 PM
                                        • Document Archive
                                          LENOVO ThinkCentre Edge 71 SFF ThinkCentre Edge G630 Specification for Upgrade or Repair
                                          by Document Archive
                                          This specification for the LENOVO ThinkCentre Edge 71 SFF can be useful for upgrading or repairing a desktop PC that is not working. As a community we are working through our specifications to add valuable data like the ThinkCentre Edge 71 SFF boardview and ThinkCentre Edge 71 SFF schematic. Our users have donated over 1 million documents which are being added to the site. This page will be updated soon with additional information. Alternatively you can request additional help from our users directly on the relevant badcaps forum. Please note that we offer no warranties that any specification,...
                                          09-12-2024, 03:36 PM
                                        • Loading...
                                        • No more items.
                                        Working...