Hi,
I just finished a repair of this player, the symptom was that it was completely 'dead'. I created this topic so it may benefit anyone else.
The root cause was that one of the SMPS ICs was blown up, which was only visible after a lid on a cooling body was removed (see attached picture).

The PCB type number is 40-K250HG-PWD1G.
A service manual for the BDS 277 EU is available online (file name: BDS-275 & 277 & 575 & 577 Rev 1.pdf)
I replaced the TOP257EN with a type that can handle more current: the TOP260EN. This type has a lower Rdson (probably reached by having a larger die size, which makes it a bit more expensive).
I order to pull the power supply out of standby, I connected an external +5V supply to the 'PCON' pin. This causes the +12 and +32V outputs to become active.
After the repair, the +32V output only delivered +23V. That turned out to be because I did not connect a load to the +5V output: without a load, the power supply does not provide a stable +5V to the +32V SMPS IC, which causes it to become unstable. Connecting a 100 ohms resistor load (temporarily) to the +5V output solved this issue.
Best regards, Roland.
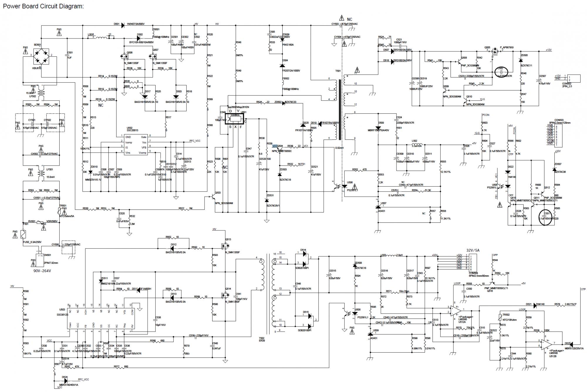
Bonus: the schematic:

original thread (in Dutch): https://www.circuitsonline.net/forum/view/161820
I just finished a repair of this player, the symptom was that it was completely 'dead'. I created this topic so it may benefit anyone else.
The root cause was that one of the SMPS ICs was blown up, which was only visible after a lid on a cooling body was removed (see attached picture).
The PCB type number is 40-K250HG-PWD1G.
A service manual for the BDS 277 EU is available online (file name: BDS-275 & 277 & 575 & 577 Rev 1.pdf)
I replaced the TOP257EN with a type that can handle more current: the TOP260EN. This type has a lower Rdson (probably reached by having a larger die size, which makes it a bit more expensive).
I order to pull the power supply out of standby, I connected an external +5V supply to the 'PCON' pin. This causes the +12 and +32V outputs to become active.
After the repair, the +32V output only delivered +23V. That turned out to be because I did not connect a load to the +5V output: without a load, the power supply does not provide a stable +5V to the +32V SMPS IC, which causes it to become unstable. Connecting a 100 ohms resistor load (temporarily) to the +5V output solved this issue.
Best regards, Roland.
Bonus: the schematic:
original thread (in Dutch): https://www.circuitsonline.net/forum/view/161820